GM Service Manual Online
For 1990-2009 cars only
Makes
🢒
Saturn
🢒
2007
🢒
AURA
🢒
Diagnostic Navigation
🢒
Vehicle Diagnostic Information
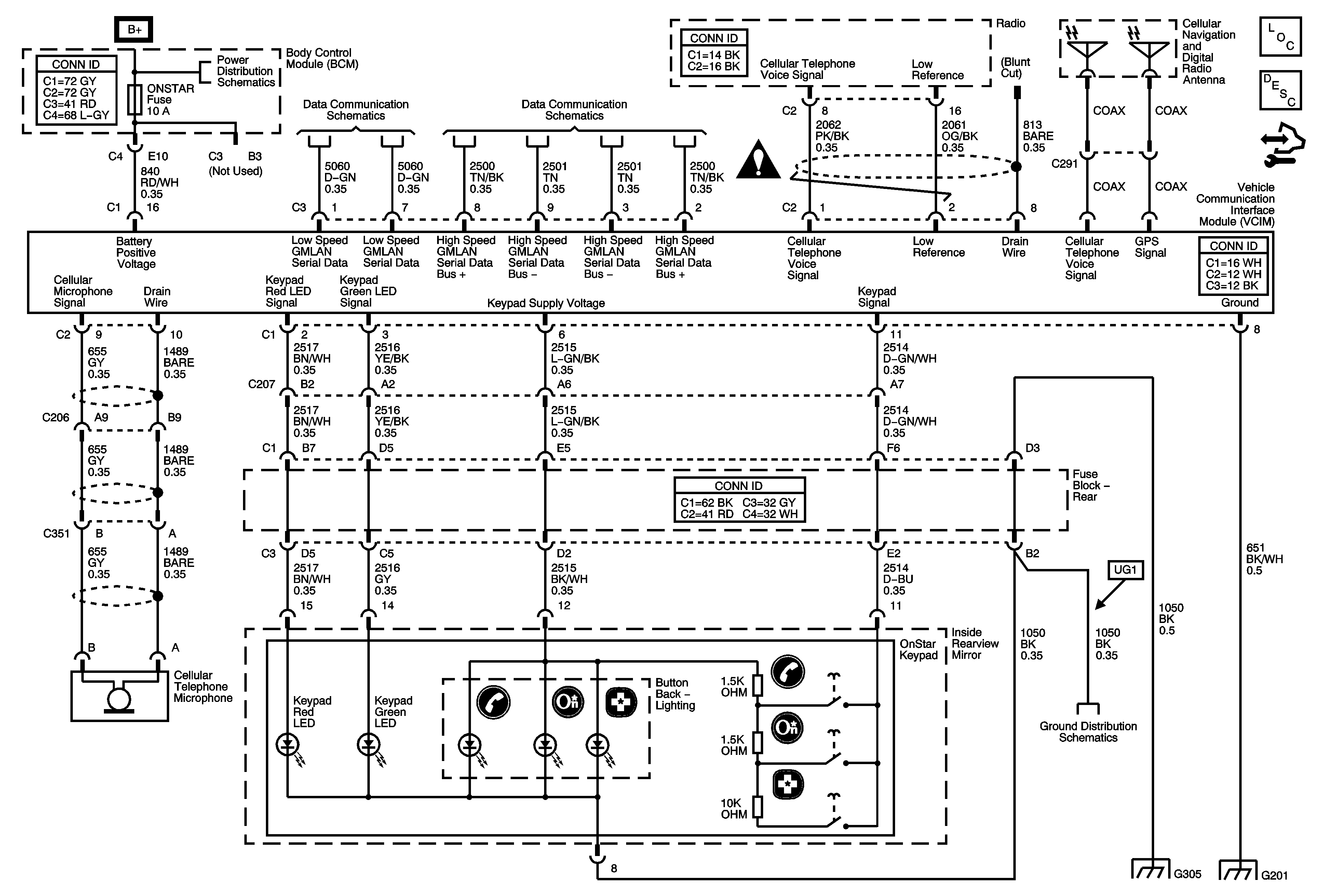
🢒 OnStar Schematics
Master Electrical Component List
OnStar Description and Operation
Control Module References
Body Control Module (BCM), ONSTAR, PEDAL and POWER MIRRORS Fuses
Low Speed Serial Data
Power, Ground and High Speed Serial Data
Entertainment/Communication Schematic Icons
G305