GM Service Manual Online
For 1990-2009 cars only
Makes
🢒
Saturn
🢒
2007
🢒
AURA
🢒
Diagnostic Navigation
🢒
Vehicle Diagnostic Information
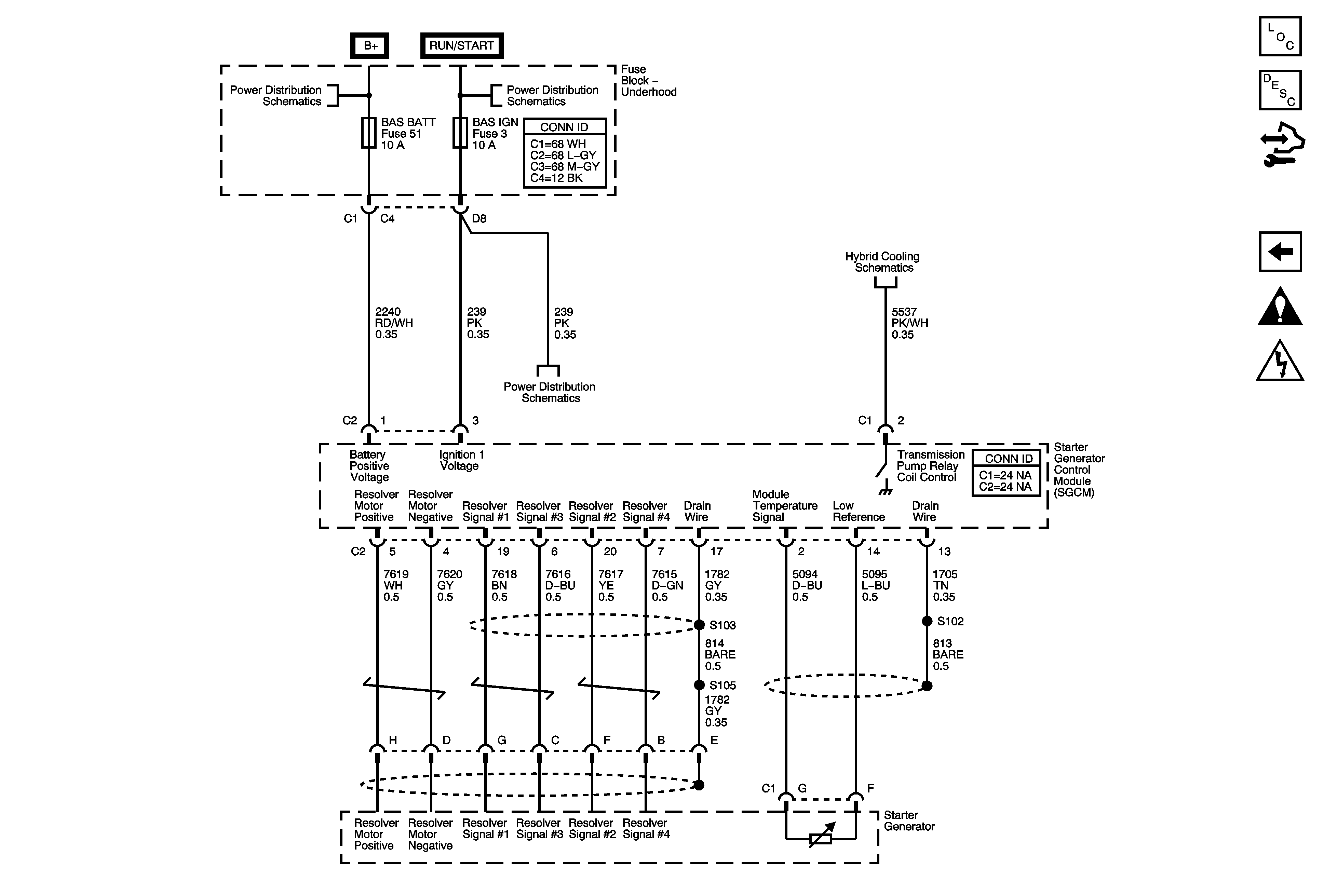
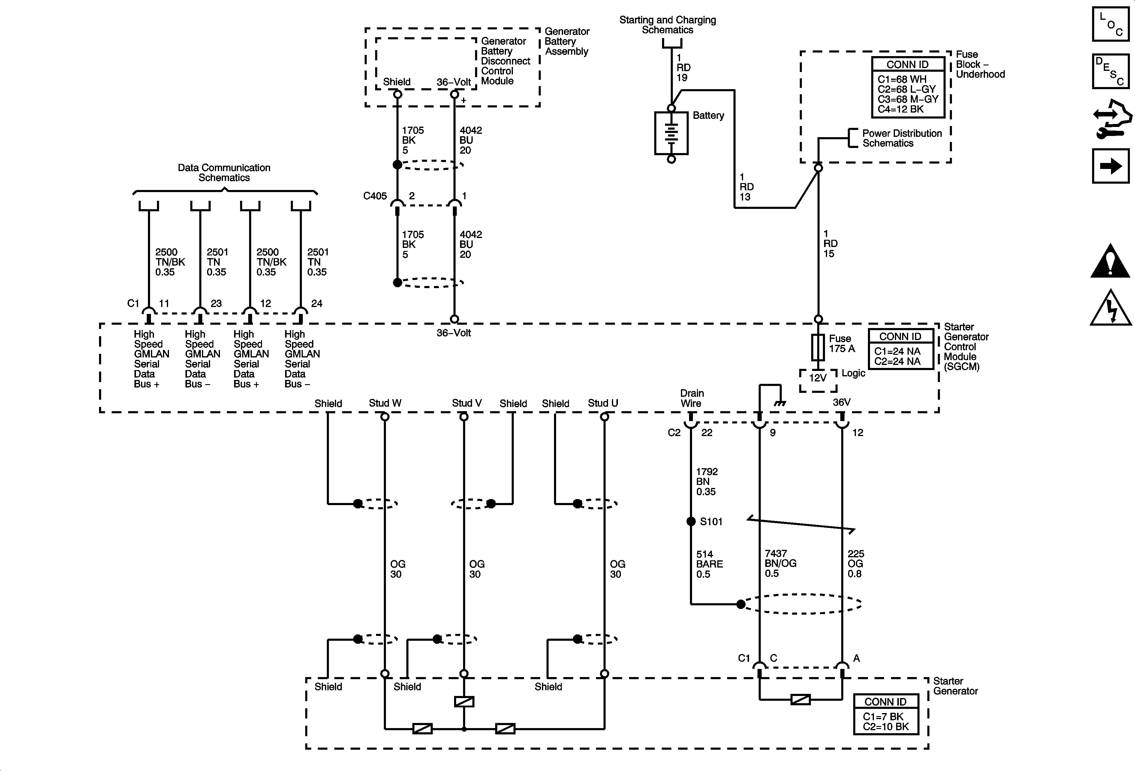
🢒 Hybrid Controls Schematics
Figure
1:
A/C Field Voltage
Figure
2:
Motor Controls