GM Service Manual Online
For 1990-2009 cars only
Makes
🢒
Saturn
🢒
2007
🢒
AURA
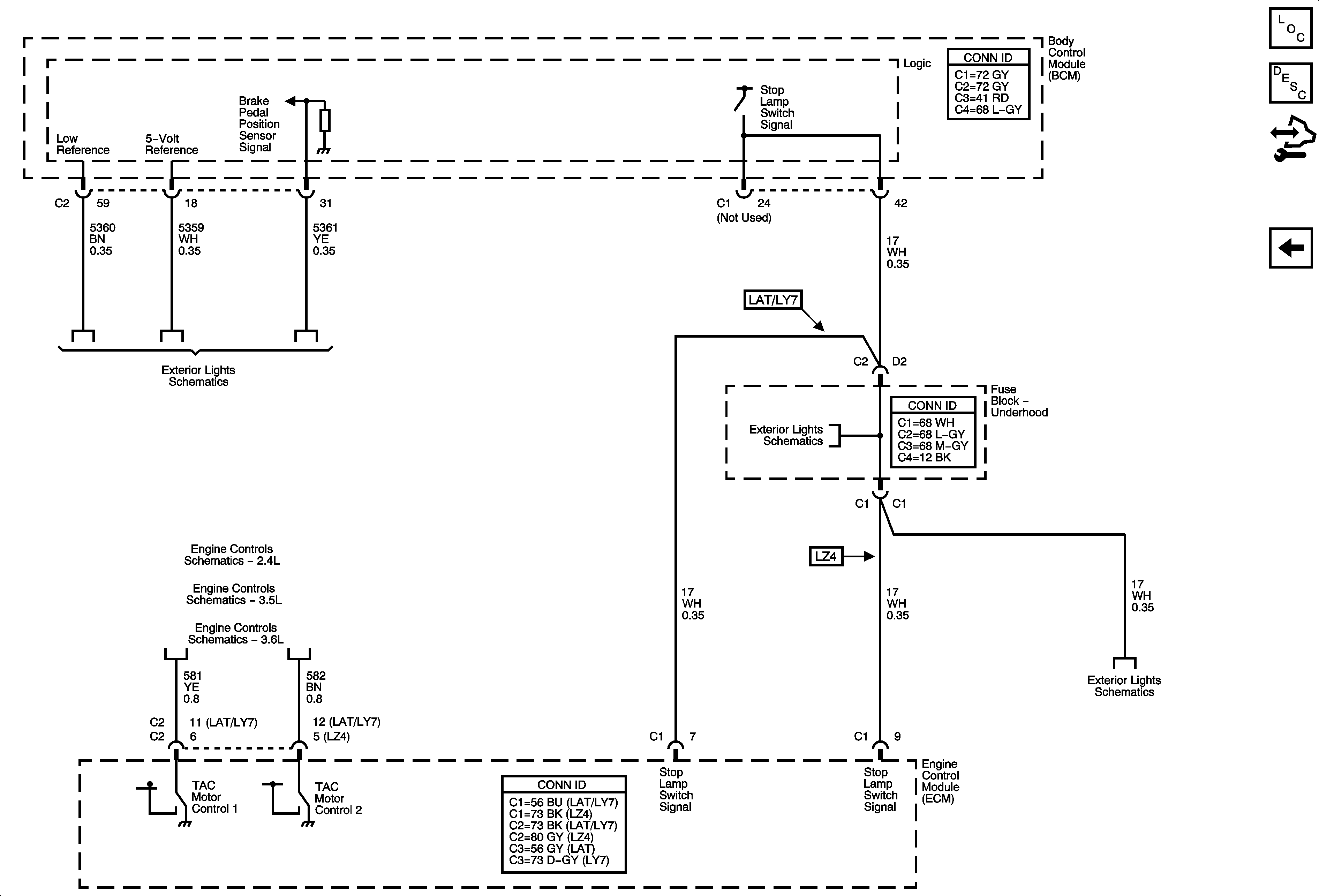
🢒 Brake Pedal Position Sensor and Stop Lamp Switch Signal
Brake Pedal Position Sensor and Stop Lamp Switch Signal
Brake Pedal Position Sensor and Stop Lamp Switch Signal
Master Electrical Component List
Cruise Control Description and Operation
Control Module References
Steering Wheel Controls
Stop Lamps
Electronic Throttle Controls
Electronic Throttle Controls