GM Service Manual Online
For 1990-2009 cars only
Makes
🢒
Saturn
🢒
2007
🢒
AURA
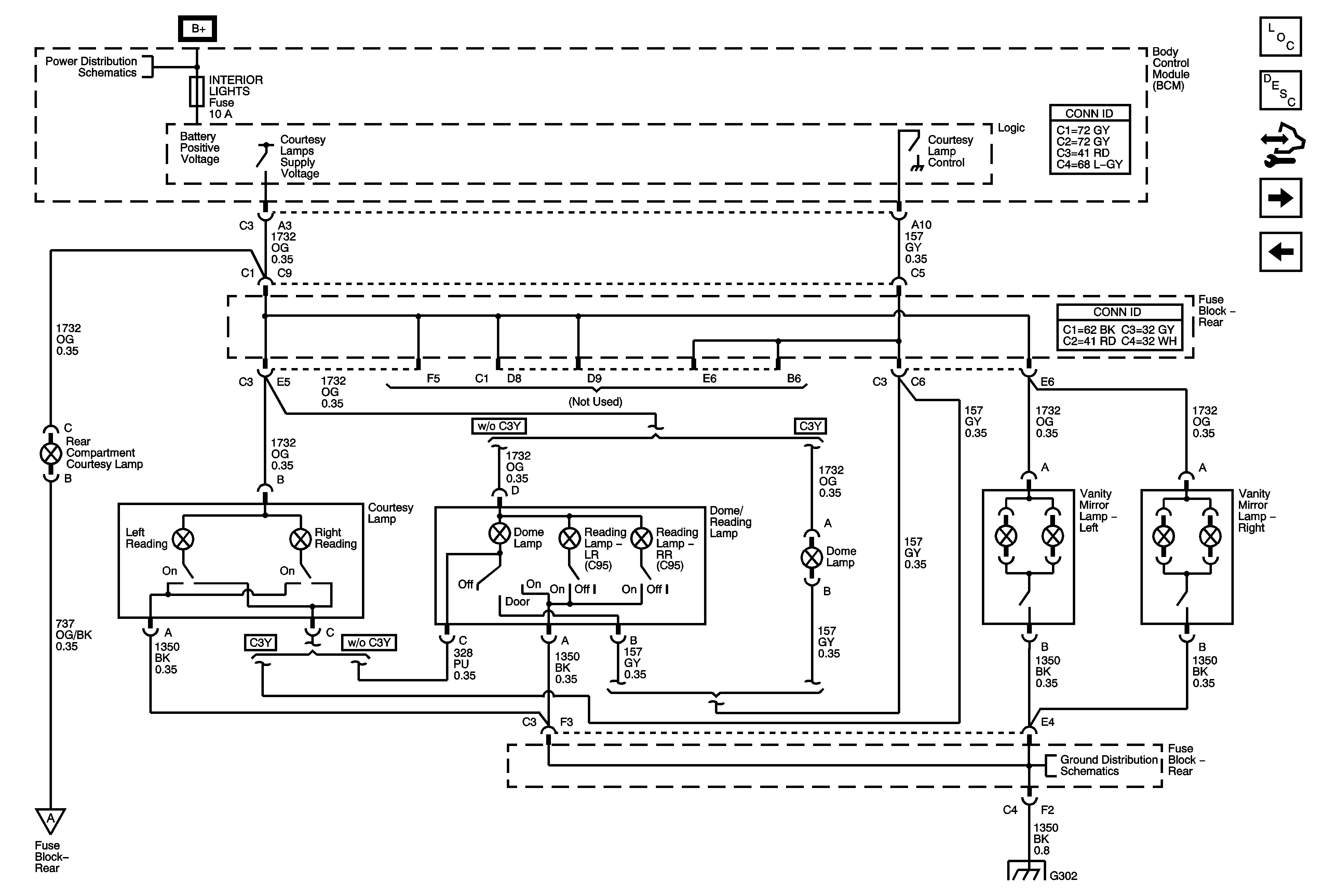
🢒 Courtesy Lamps 2 of 2
Courtesy Lamps 2 of 2
Courtesy Lamps 2 of 2
Master Electrical Component List
Interior Lighting Systems Description and Operation
Control Module References
Ajar Switches
Underhood Fuse Block IBCM 2, BATTERY SENSE, Body Control Module (BCM), ACCESSORY Relay, DOOR LOCK, INTERIOR LIGHTS, POWER WINDOWS, ROOF/HEAT SEAT and WIPER SW Fuses
Ajar Switches
G302
G302