GM Service Manual Online
For 1990-2009 cars only
Makes
🢒
Saturn
🢒
2007
🢒
AURA
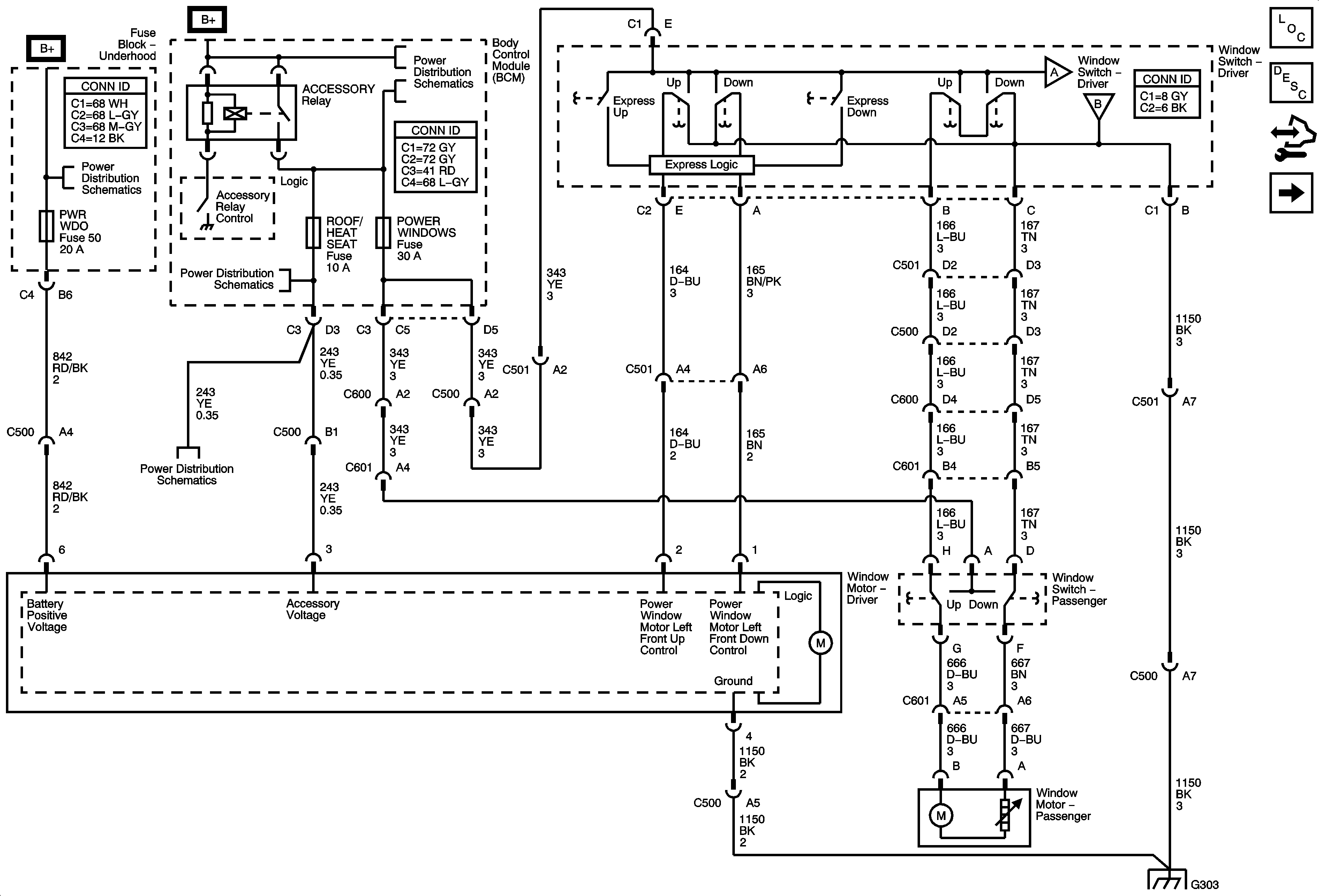
🢒 Power, Ground, and Front Windows
Power, Ground, and Front Windows
Power, Ground and Front Windows
Master Electrical Component List
Power Windows Description and Operation
Control Module References
Rear Windows
Underhood Fuse Block IBCM 2, BATTERY SENSE, Body Control Module (BCM), ACCESSORY Relay, DOOR LOCK, INTERIOR LIGHTS, POWER WINDOWS, ROOF/HEAT SEAT and WIPER SW Fuses
Rear Windows
G303