GM Service Manual Online
For 1990-2009 cars only
Makes
🢒
Saturn
🢒
2007
🢒
AURA
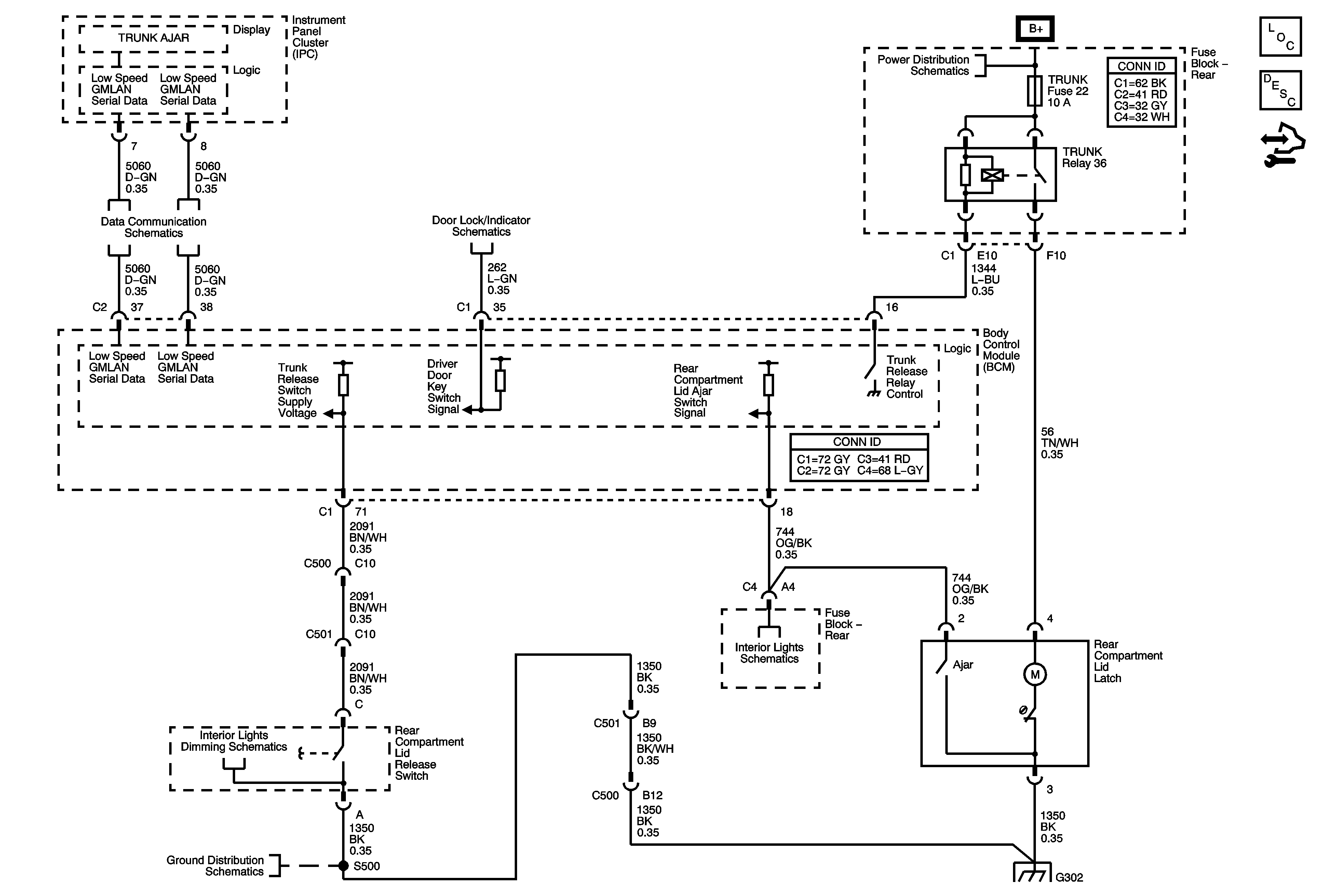
🢒 Release System Schematics
Release System Schematics
Master Electrical Component List
Luggage Compartment Description and Operation (Sedan)
Control Module References
Low Speed Serial Data
Door Lock Switches
Switches
G302
Ajar Switches
G302