GM Service Manual Online
For 1990-2009 cars only
Makes
🢒
Saturn
🢒
2007
🢒
AURA
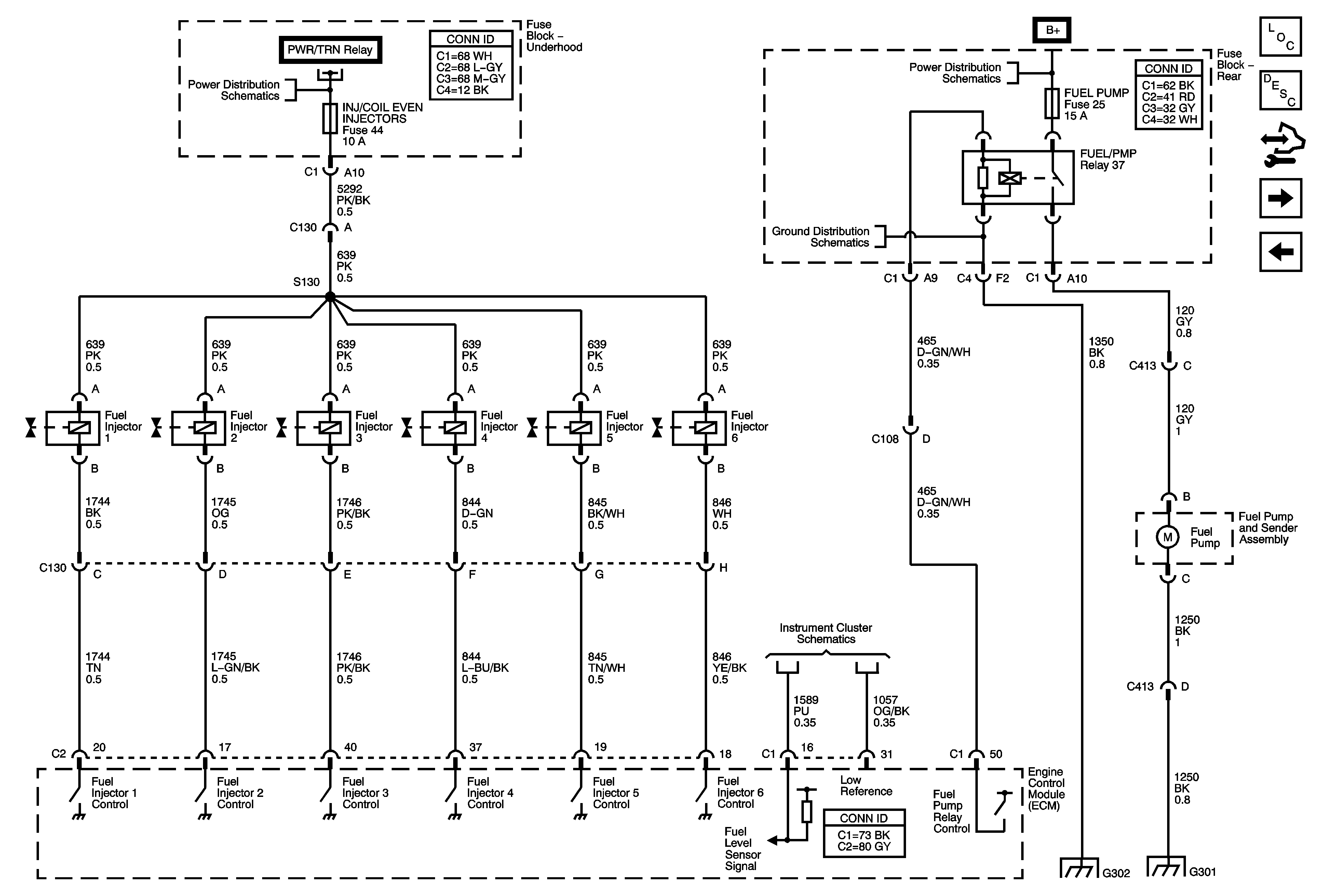
🢒 Fuel Pump Controls
Fuel Pump Controls
Fuel Pump Controls
Master Electrical Component List
Fuel System Description
Control Module References
EVAP Controls and FTP Sensor
Ignition System
Underhood Fuse Block RUN/CRANK Relay, ABS, BAS PMP MAF, ECM IGN 1, IGN 1 ECM IGN 1 BAS IGN and TRANS Fuses
Underhood Fuse Block RUN RLY, RBEC2, Body Control Module (BCM), HVAC BLOWER, HVAC CTRL (IGN) Rear Fuse Block, DRV ST, EMISSION 2, FUEL PUMP, PARK LAMPS and TRUNK Fuses
G302
Indicators
G302
G301