GM Service Manual Online
For 1990-2009 cars only

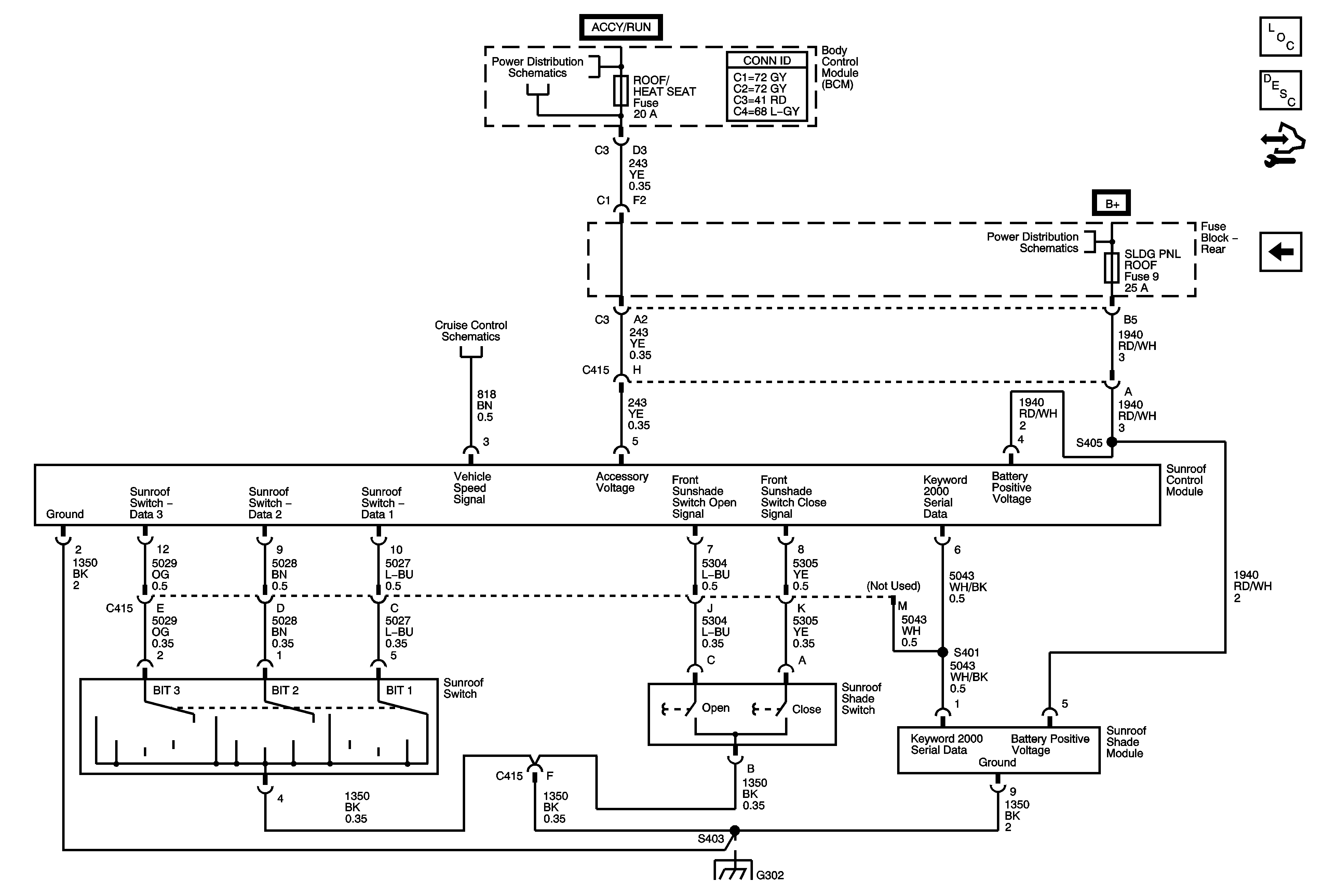
C3Y

C3Y


Object Number: 1848034  Size: FS
Master Electrical Component List
Control Module References
CF5
Underhood Fuse Block IBCM 2, BATTERY SENSE, Body Control Module (BCM), ACCESSORY Relay, DOOR LOCK, INTERIOR LIGHTS, POWER WINDOWS, ROOF/HEAT SEAT and WIPER SW Fuses
Underhood Fuse Block RUN RLY, RBEC2, Body Control Module (BCM), HVAC BLOWER, HVAC CTRL (IGN) Rear Fuse Block, DRV ST, EMISSION 2, FUEL PUMP, PARK LAMPS and TRUNK Fuses
G302