GM Service Manual Online
For 1990-2009 cars only

Engine Controls Schematics LAT

Figure 1:

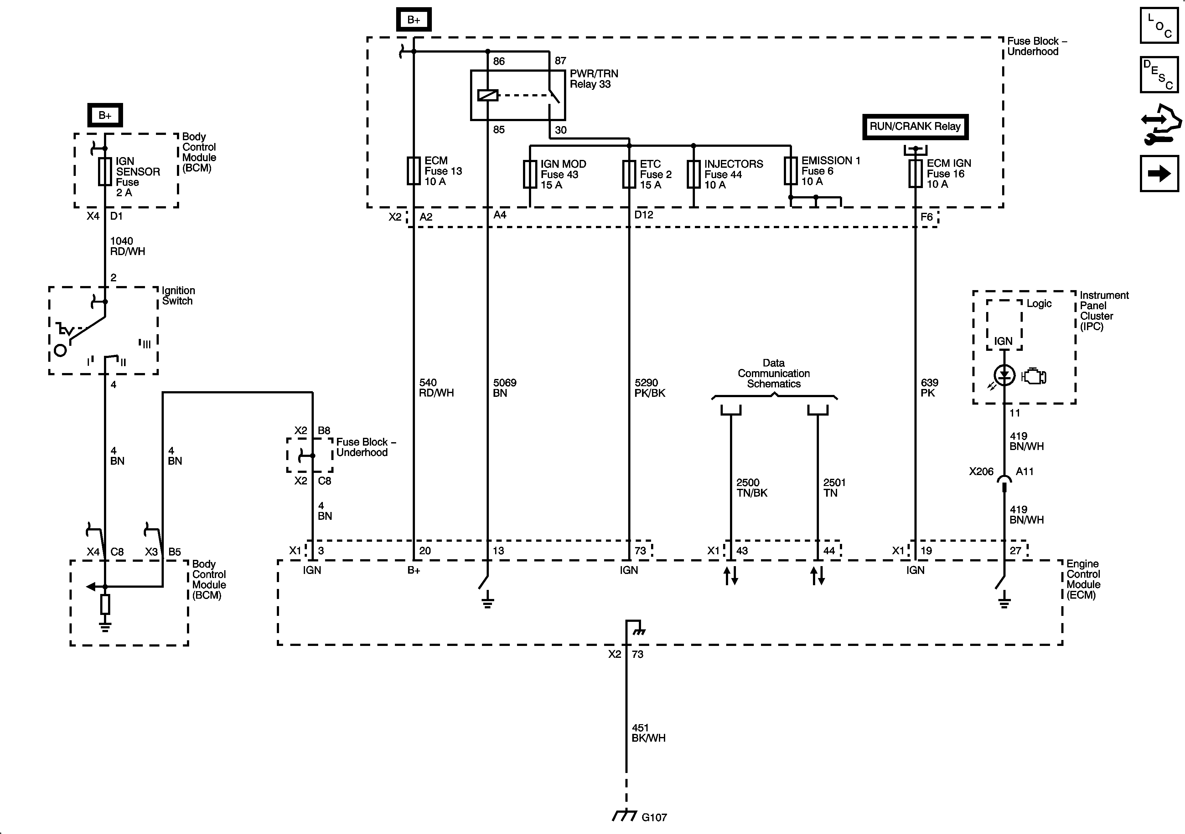
Module Power, Ground, Serial Data and MIL


Object Number: 1900835  Size: FS
Master Electrical Component List
Engine Control Module Description
Control Module References
5-Volt and Low References
Figure 2:

5-Volt and Low References


Object Number: 1900832  Size: FS
Master Electrical Component List
Engine Control Module Description
Control Module References
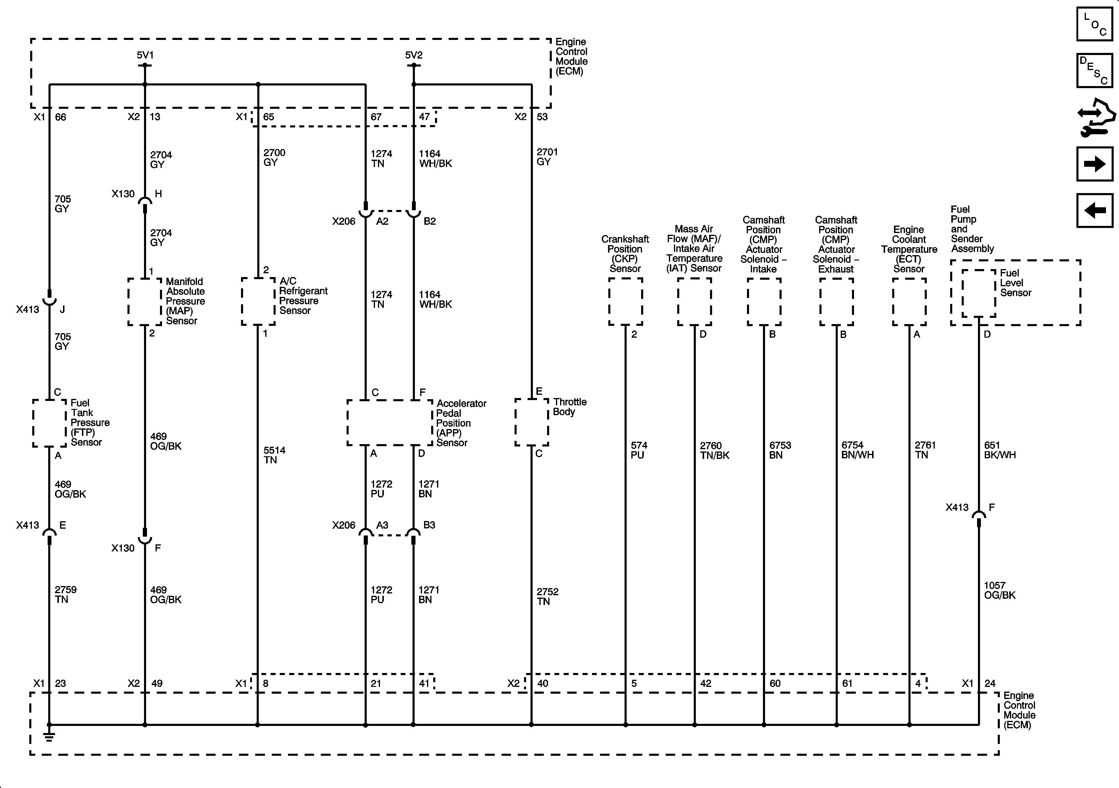
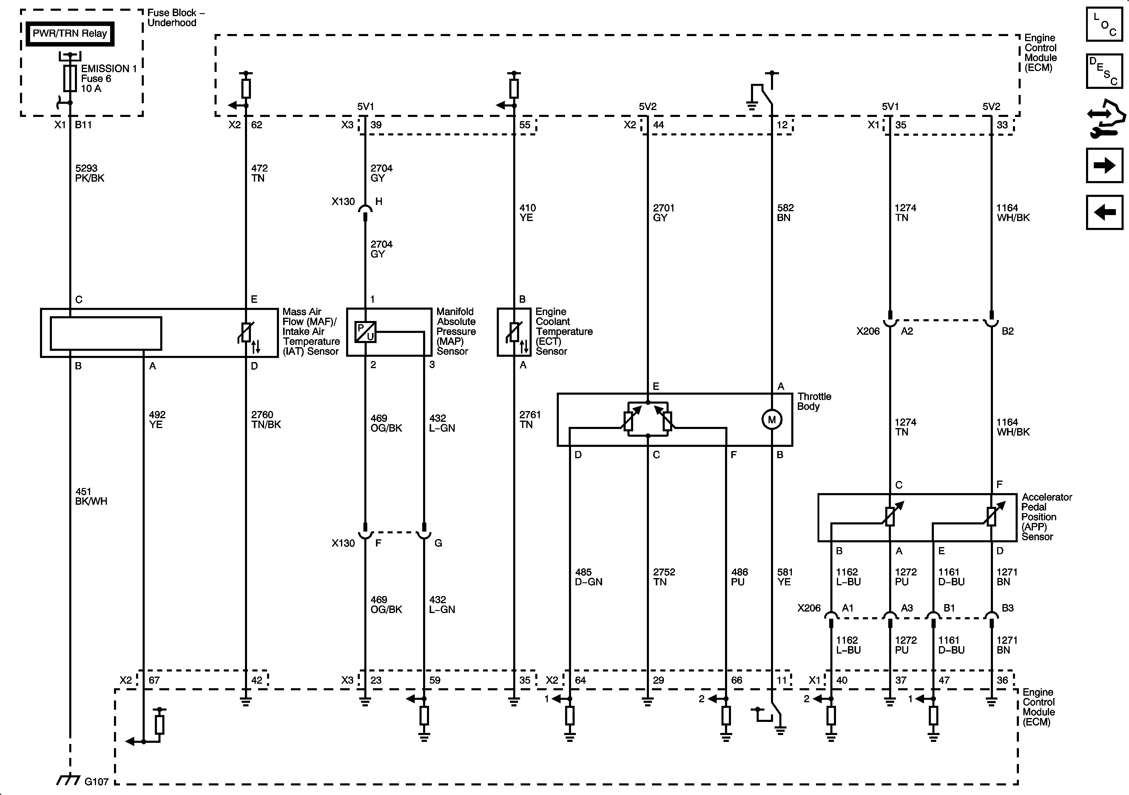
Engine Data Sensors - Pressure, Temperature, and Throttle Controls
Module Power, Ground, Serial Data and MIL
Figure 3:

Engine Data Sensors - Pressure, Temperature, and Throttle Controls


Object Number: 1900839  Size: FS
Master Electrical Component List
Engine Control Module Description
Control Module References
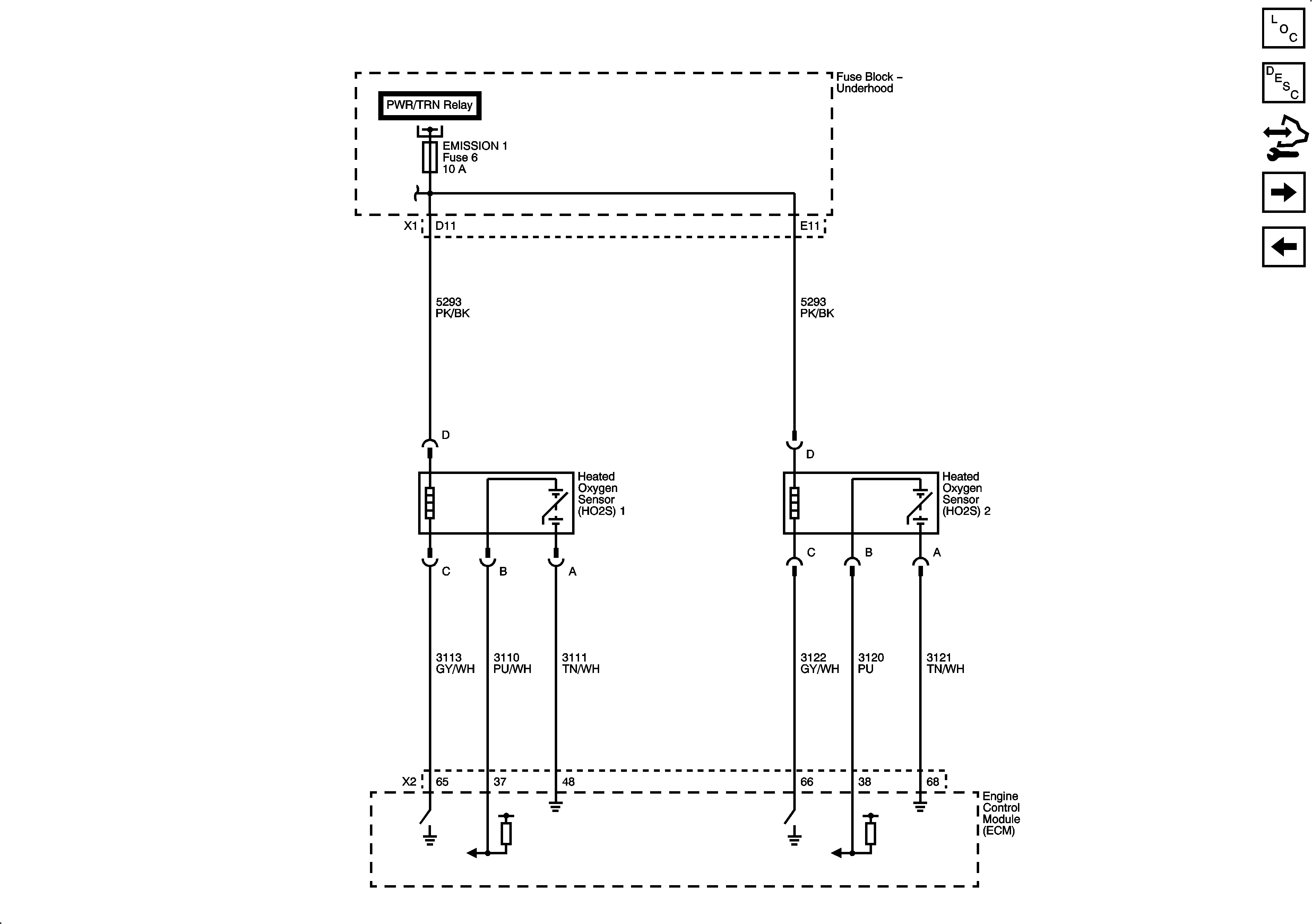
Engine Data Sensors - HO2S
5-Volt and Low References
Figure 4:

Engine Data Sensors - HO2S


Object Number: 1900842  Size: FS
Master Electrical Component List
Engine Control Module Description
Control Module References
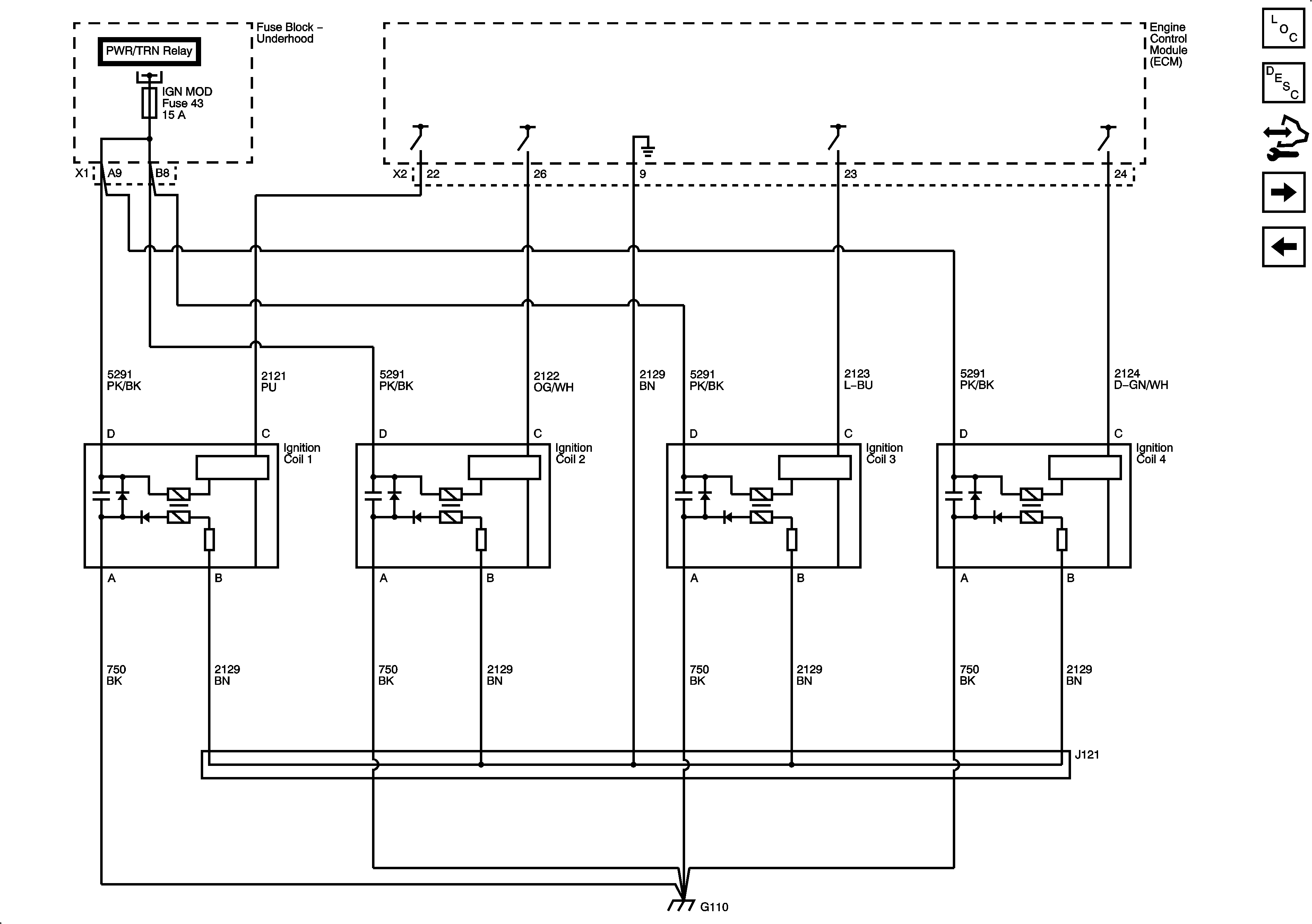
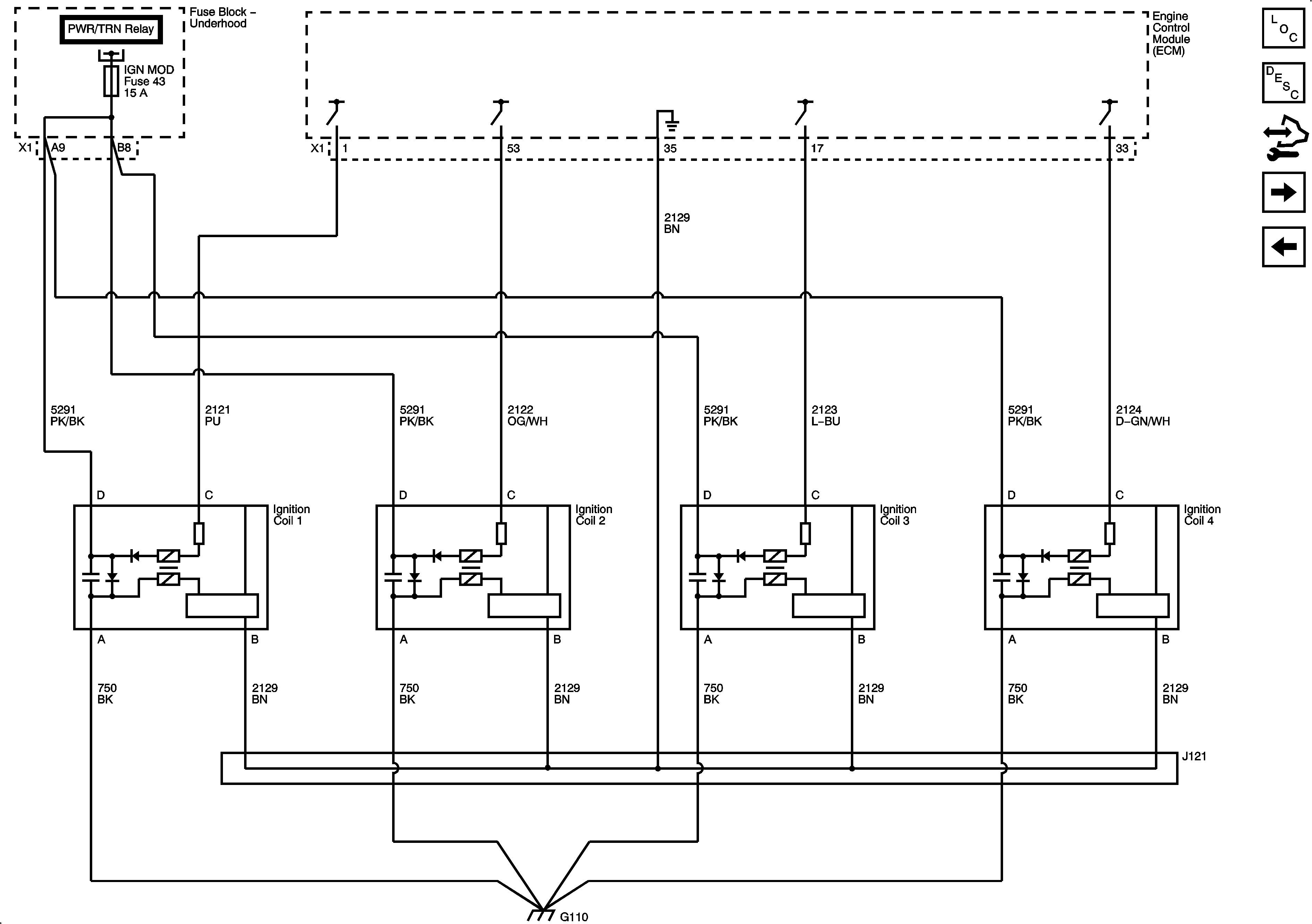
Ignition Controls - Ignition System
Engine Data Sensors - Pressure, Temperature, and Throttle Controls
Figure 5:

Ignition Controls - Ignition System


Object Number: 1900844  Size: FS
Master Electrical Component List
Engine Control Module Description
Control Module References
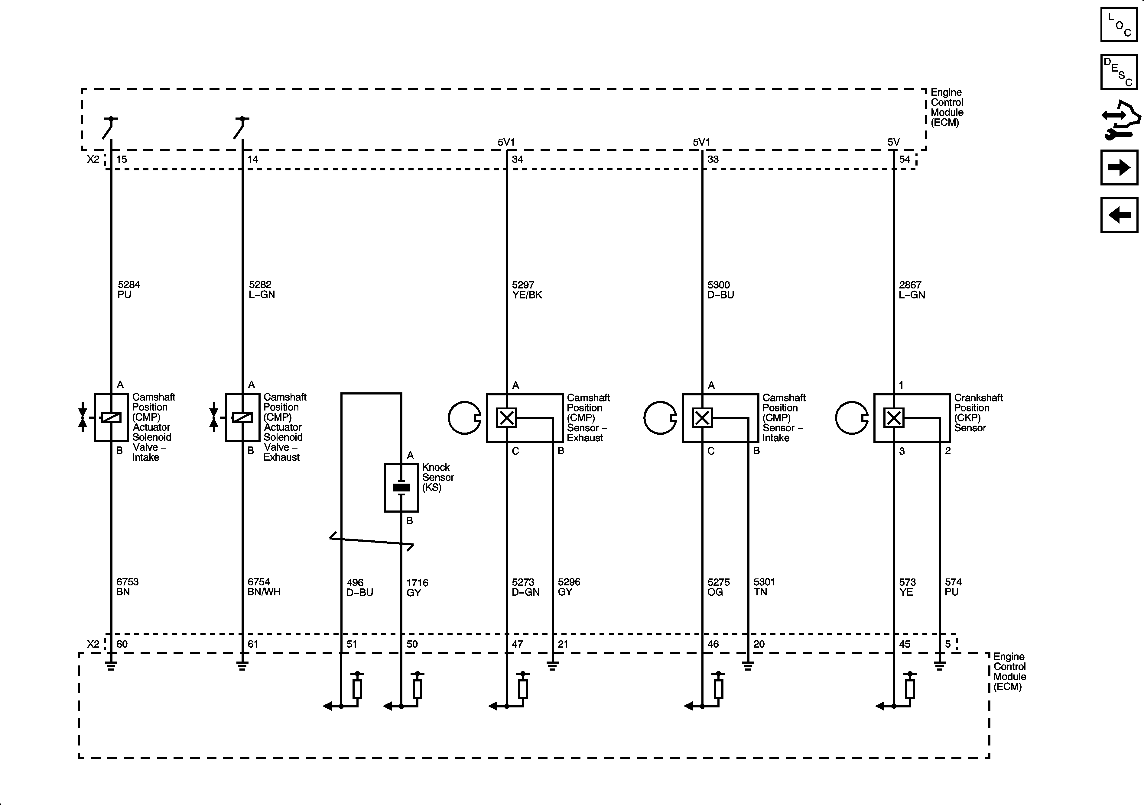
Ignition Controls - Sensors
Engine Data Sensors - HO2S
Figure 6:

Ignition Controls - Sensors


Object Number: 1900846  Size: FS
Master Electrical Component List
Engine Control Module Description
Control Module References
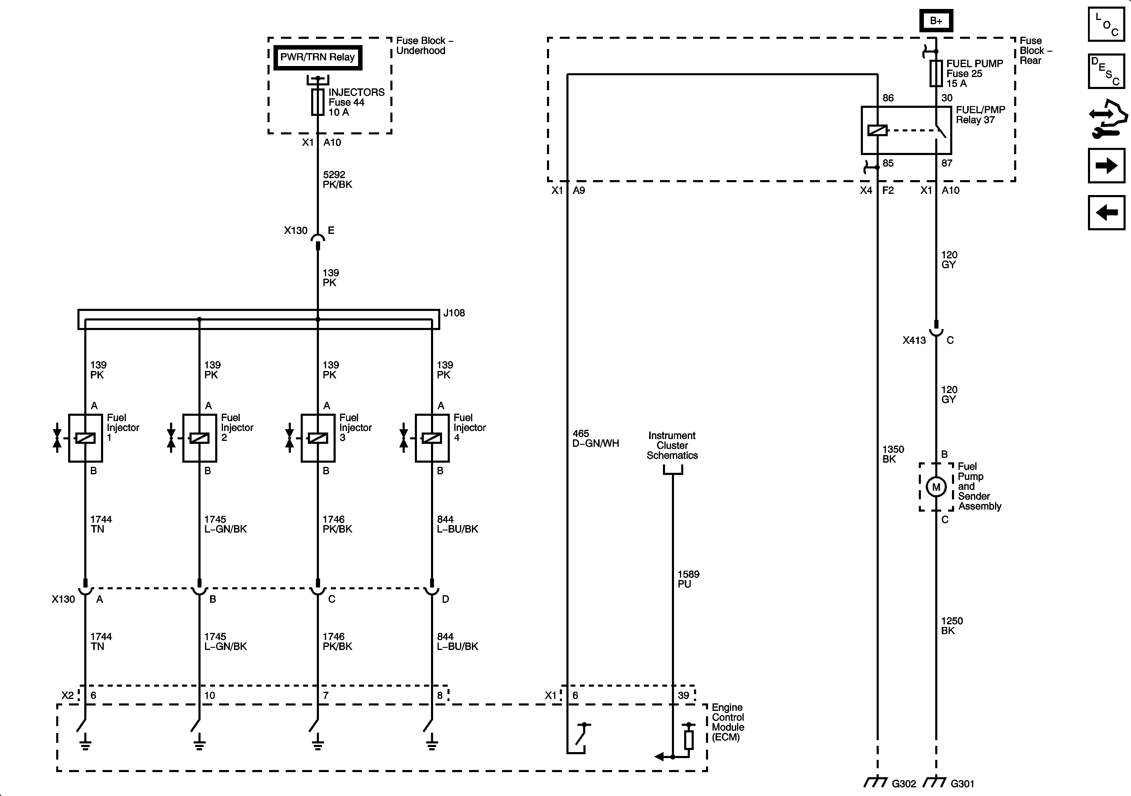
Fuel Controls - Fuel Injectors and Fuel Pump
Ignition Controls - Ignition System
Figure 7:

Fuel Controls - Fuel Injectors and Fuel Pump


Object Number: 1900848  Size: FS
Master Electrical Component List
Engine Control Module Description
Control Module References
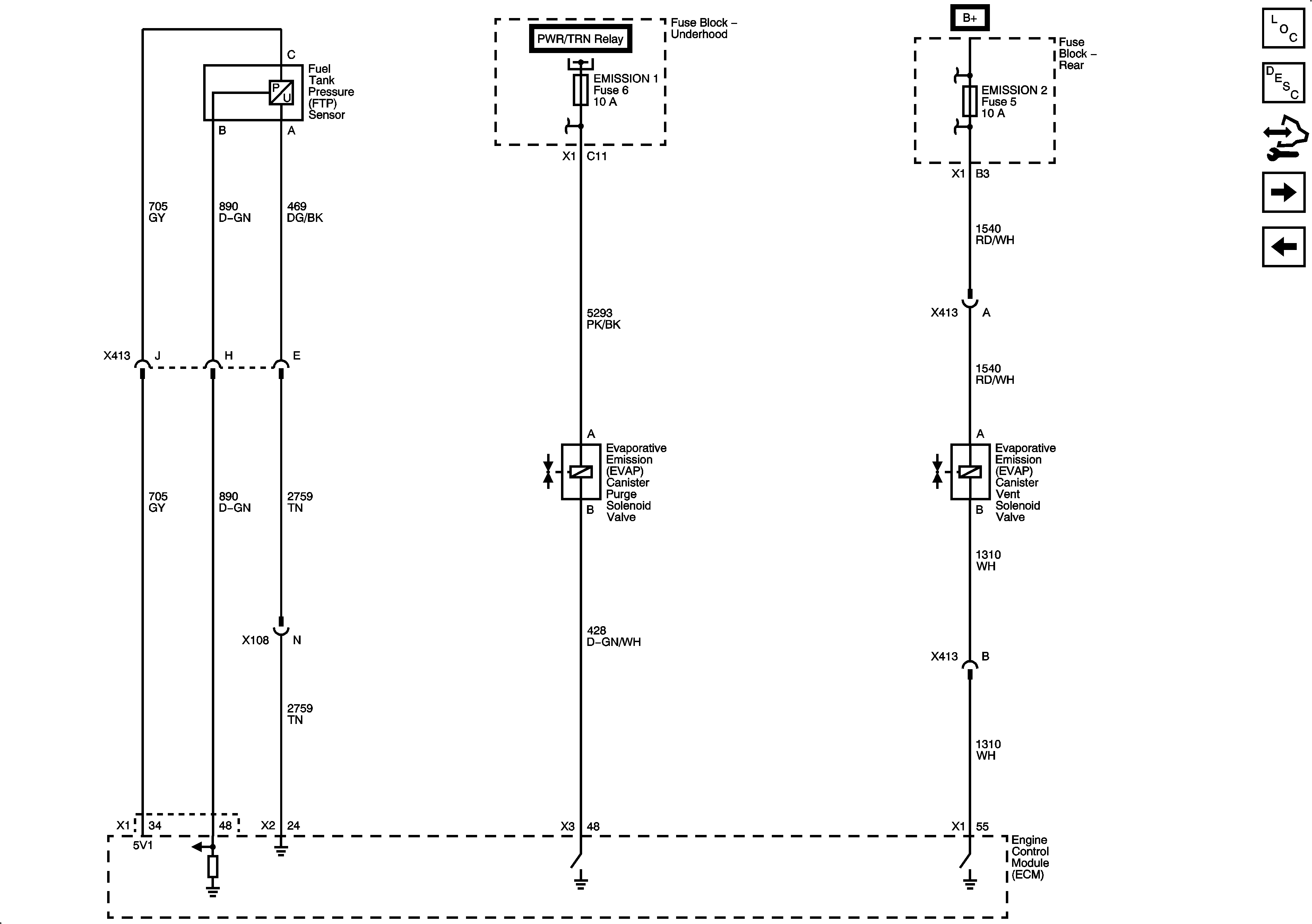
Fuel Controls - EVAP Controls
Ignition Controls - Sensors
Figure 8:

Fuel Controls - EVAP Controls


Object Number: 1900850  Size: FS
Master Electrical Component List
Engine Control Module Description
Control Module References
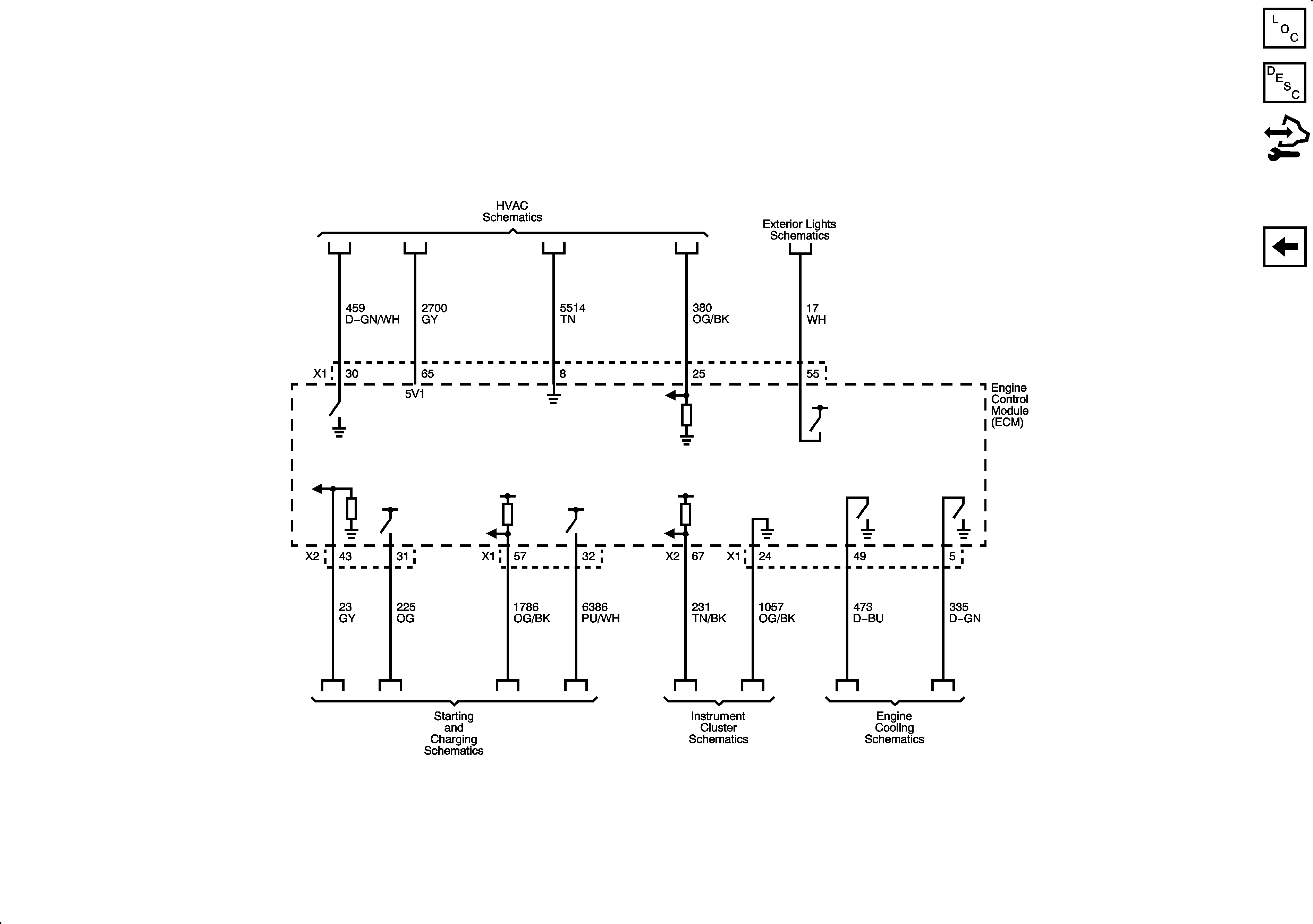
Monitored/Controlled Subsystem References
Fuel Controls - Fuel Injectors and Fuel Pump
Figure 9:

Monitored/Controlled Subsystem References


Object Number: 1900852  Size: FS
Master Electrical Component List
Engine Control Module Description
Control Module References
Controlled/Monitored Subsystem References
Fuel Controls - EVAP Controls

Engine Controls Schematics LE5

Figure 1:

Module Power, Ground, Serial Data and MIL


Object Number: 1923135  Size: FS
Master Electrical Component List
Engine Control Module Description
Control Module References
5-Volt and Low References
Figure 2:

5-Volt and Low References


Object Number: 1923137  Size: FS
Master Electrical Component List
Engine Control Module Description
Control Module References
Engine Data Sensors - Pressure, Temperature, and Throttle Controls
Module Power, Ground, Serial Data and MIL
Figure 3:

Engine Data Sensors - Pressure, Temperature, and Throttle Controls


Object Number: 1923140  Size: FS
Master Electrical Component List
Engine Control Module Description
Control Module References
Engine Data Sensors - HO2S
5-Volt and Low References
Figure 4:

Engine Data Sensors - HO2S


Object Number: 1923141  Size: FS
Master Electrical Component List
Engine Control Module Description
Control Module References
Ignition Controls - Ignition System
Engine Data Sensors - Pressure, Temperature, and Throttle Controls
Figure 5:

Ignition Controls - Ignition System


Object Number: 1923142  Size: FS
Master Electrical Component List
Engine Control Module Description
Control Module References
Ignition Controls - Sensors
Engine Data Sensors - HO2S
Figure 6:

Ignition Controls - Sensors


Object Number: 1923143  Size: FS
Master Electrical Component List
Engine Control Module Description
Control Module References
Manual Transaxle
Ignition Controls - Ignition System
Figure 7:

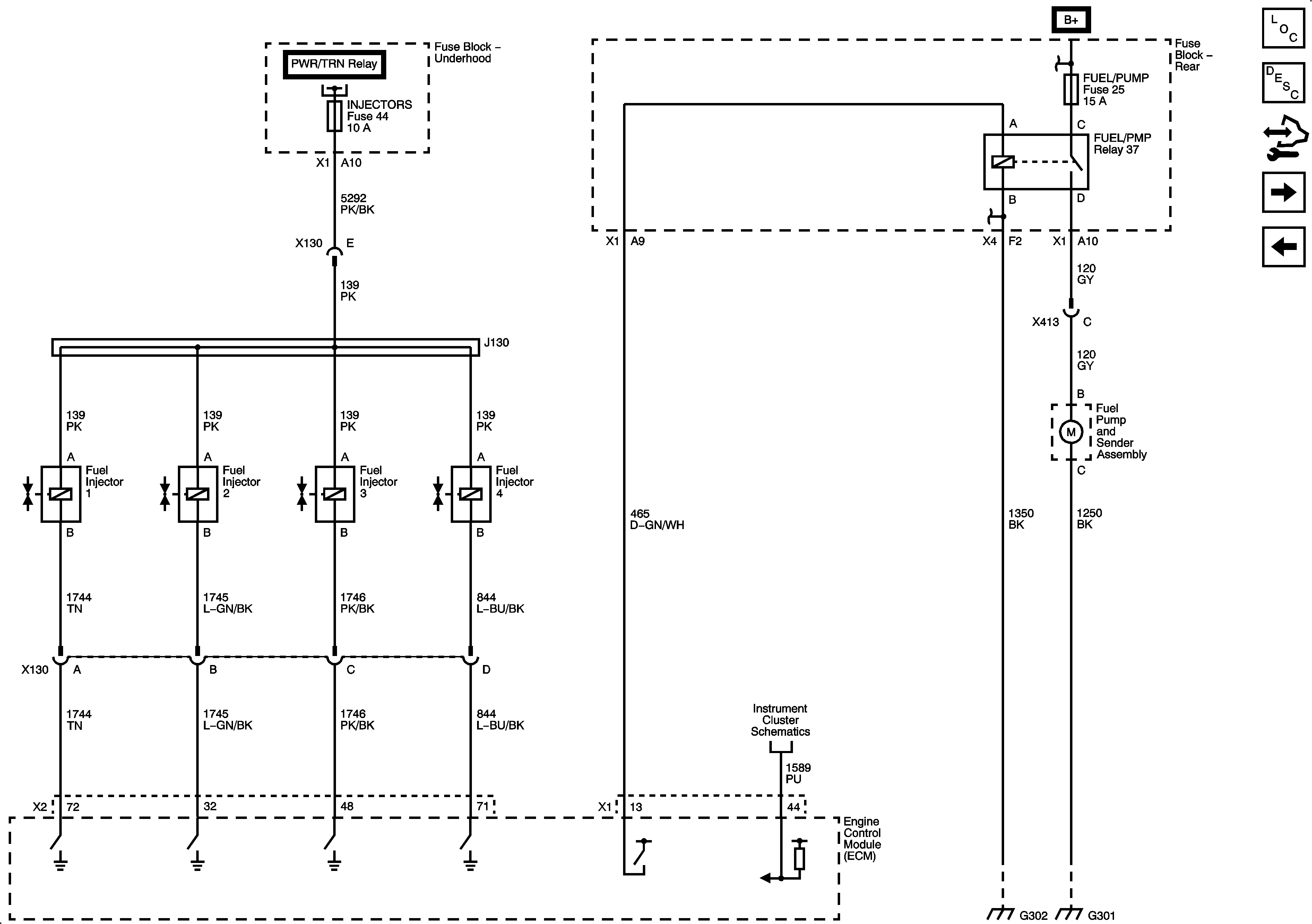
Fuel Controls - Fuel Injectors and Fuel Pump


Object Number: 1923144  Size: FS
Master Electrical Component List
Engine Control Module Description
Control Module References
Fuel Controls - EVAP Controls
Ignition Controls - Sensors
Figure 8:

Fuel Controls - EVAP Controls


Object Number: 1923145  Size: FS
Master Electrical Component List
Engine Control Module Description
Control Module References
Monitored/Controlled Subsystem References
Fuel Controls - Fuel Injectors and Fuel Pump
Figure 9:

Monitored/Controlled Subsystem References


Object Number: 1923146  Size: FS
Master Electrical Component List
Engine Control Module Description
Control Module References
Controlled Monitored Subsystem References
Fuel Controls - EVAP Controls