GM Service Manual Online
For 1990-2009 cars only
Makes
🢒
Saturn
🢒
2008
🢒
AURA
🢒
Engine
🢒
Engine Electrical
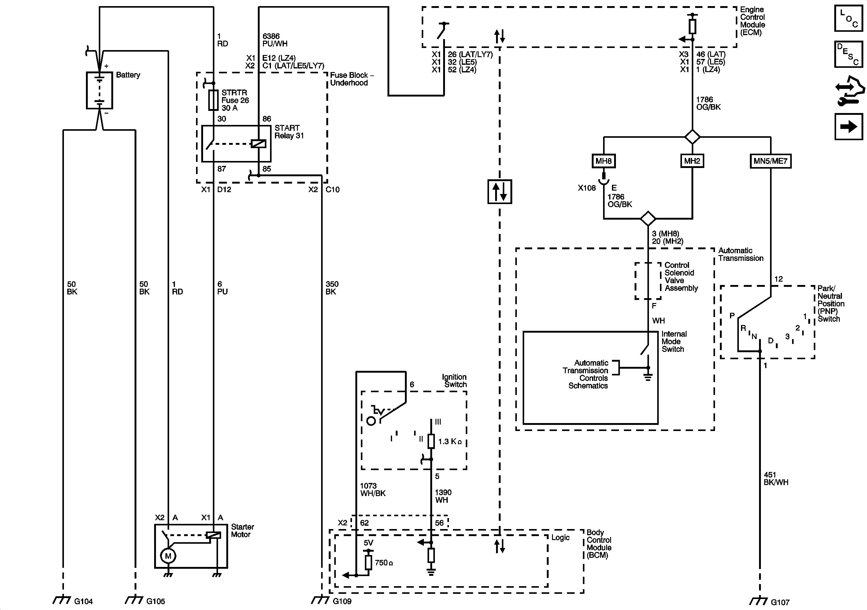
🢒 Starting and Charging Schematics
Figure
1:
Starting System
Master Electrical Component List
Starting System Description and Operation
Control Module References
Charging System (LY7/LZ4)
Figure
2:
Charging System
Master Electrical Component List
Charging System Description and Operation
Control Module References
Starting System