GM Service Manual Online
For 1990-2009 cars only
Figure 1:

B+ Bus


Object Number: 1899481  Size: FS
Master Electrical Component List
Control Module References
Underhood Fuse Block IBCM1, Body Control Module (BCM) Airbag (BATT), Cluster/Theft, HVAC CTRL (BATT), IGN Sensor and Radio Fuses
Figure 2:

Underhood Fuse Block IBCM 1, Body Control Module (BCM) AIRBAG (BATT), CLUSTER/THEFT, HVAC CTRL (BATT), IGN SENSOR and RADIO Fuses


Object Number: 1899488  Size: FS
Master Electrical Component List
Control Module References
Underhood Fuse Block RBEC1 and Rear Fuse Block AUX PWR 32, BCK/UP Lamps, Cig/AUX, HTD Mir, HTD Seat, RKE/XM/DVD/UGD RR Defog, and S/Roof Fuses
B+ Bus
Figure 3:

Underhood Fuse Block RBEC 1 and Rear Fuse Block, BCK/UP LAMPS, CIG/AUX, HTD MIR, HTD SEAT, RKE/XM/DVD/UGD RR DEFOG and S/ROOF Fuses


Object Number: 1899495  Size: FS
Master Electrical Component List
Control Module References
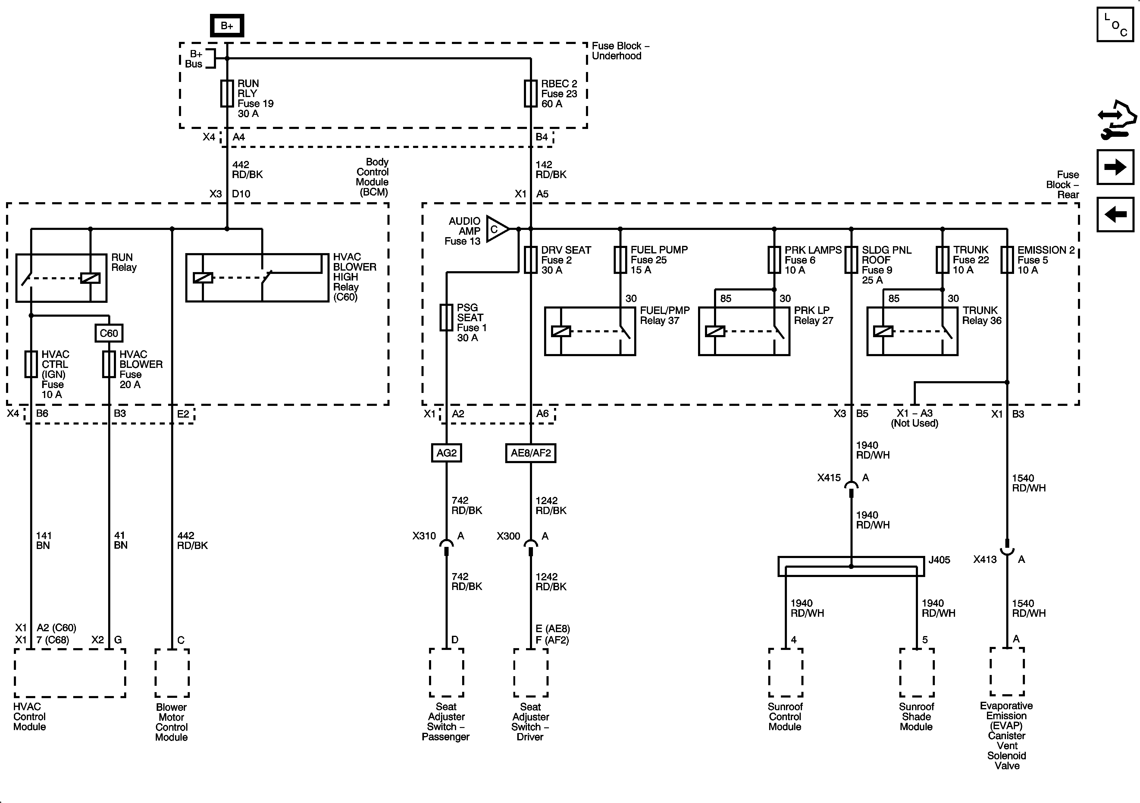
Underhood Fuse Block RUN RLY, RBEC2, Body Control Module (BCM), HVAC BLOWER, HVAC CTRL (IGN) Rear Fuse Block, DRV ST, EMISSION 2, FUEL PUMP, PARK LAMPS and TRUNK Fuses
Underhood Fuse Block IBCM1, Body Control Module (BCM) Airbag (BATT), Cluster/Theft, HVAC CTRL (BATT), IGN Sensor and Radio Fuses
Figure 4:

Underhood Fuse Block RUN RLY, RBEC2, Body Control Module (BCM), HVAC BLOWER, HVAC CTRL (IGN) Rear Fuse Block, DRV ST, EMISSION 2, FUEL PUMP, PARK LAMPS and TRUNK Fuses


Object Number: 1899502  Size: FS
Master Electrical Component List
Control Module References
Underhood Fuse Block DRL, HI/BEAM and LO/BEAM Relays, ABS, DRL, EPS, IBCM 1, IBCM 2, LT HI BEAM, LT Low BEAM, RT HI BEAM, RT LOW BEAM, PCM and TCM Fuses
Underhood Fuse Block RBEC1 and Rear Fuse Block AUX PWR 32, BCK/UP Lamps, Cig/AUX, HTD Mir, HTD Seat, RKE/XM/DVD/UGD RR Defog, and S/Roof Fuses
Figure 5:

Underhood Fuse Block DRL, HI/BEAM and LO/BEAM Relays, ABS, DRL, EPS, IBCM1, IBCM2, LT HI BEAM, LT LOW BEAM, RT HI BEAM, RT LOW BEAM, PCM and TCM Fuses


Object Number: 1899506  Size: FS
Master Electrical Component List
Control Module References
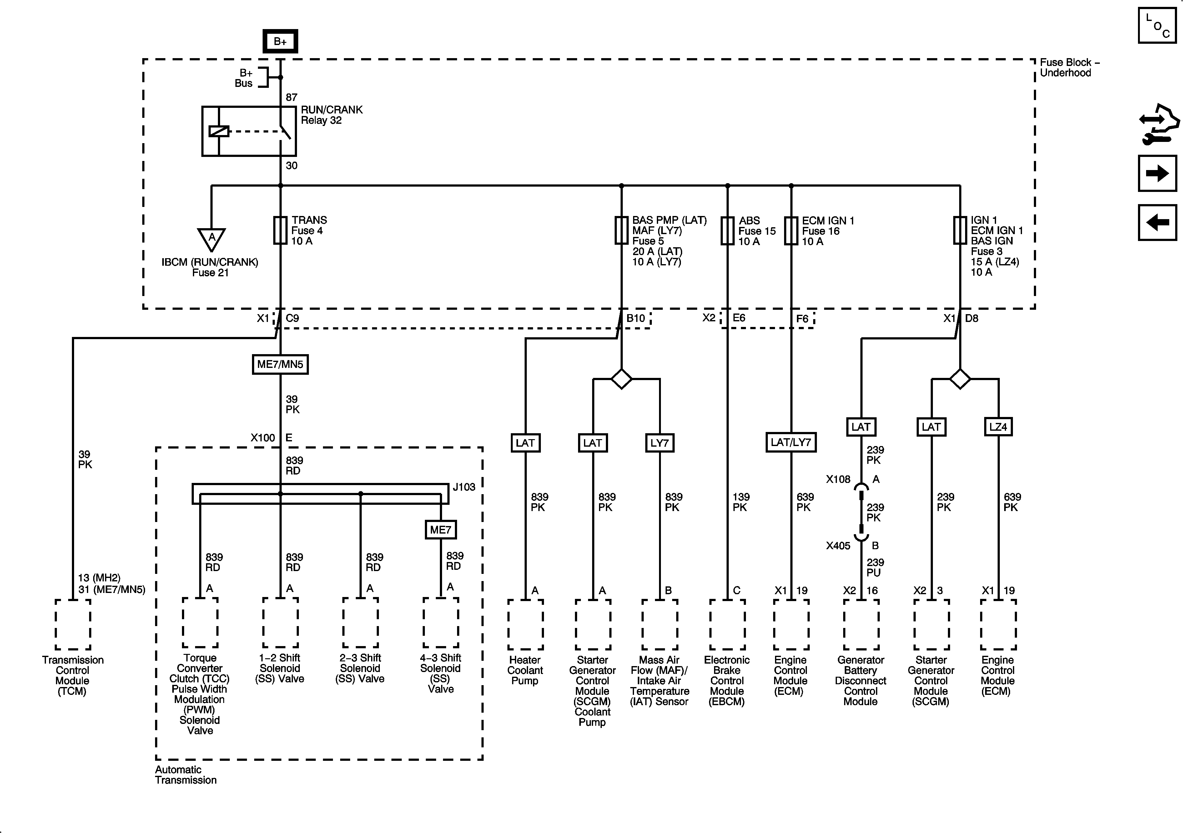
Underhood Fuse Block RUN/Crank Relay, ABS, IGN 1, INJ, PCM IGN 1 and TRANS Fuses
Underhood Fuse Block RUN RLY, RBEC2, Body Control Module (BCM), HVAC BLOWER, HVAC CTRL (IGN) Rear Fuse Block, DRV ST, EMISSION 2, FUEL PUMP, PARK LAMPS and TRUNK Fuses
Figure 6:

Underhood Fuse Block RUN/CRANK Relay, ABS, IGN 1, PCM IGN 1 and TRANS Fuses


Object Number: 1899509  Size: FS
Master Electrical Component List
Control Module References
Underhood Fuse Block A/C Clutch and PWR/TRN Relays, A/C CLU, EMISSION 1 and ETC Fuses
Underhood Fuse Block DRL, HI/BEAM and LO/BEAM Relays, ABS, DRL, EPS, IBCM 1, IBCM 2, LT HI BEAM, LT Low BEAM, RT HI BEAM, RT LOW BEAM, PCM and TCM Fuses
Figure 7:

Underhood Fuse Block A/C CLUTCH and PWR/TRN Relays, A/C CLU, EMISSION 1 and ETC Fuses


Object Number: 1899513  Size: FS
Master Electrical Component List
Control Module References
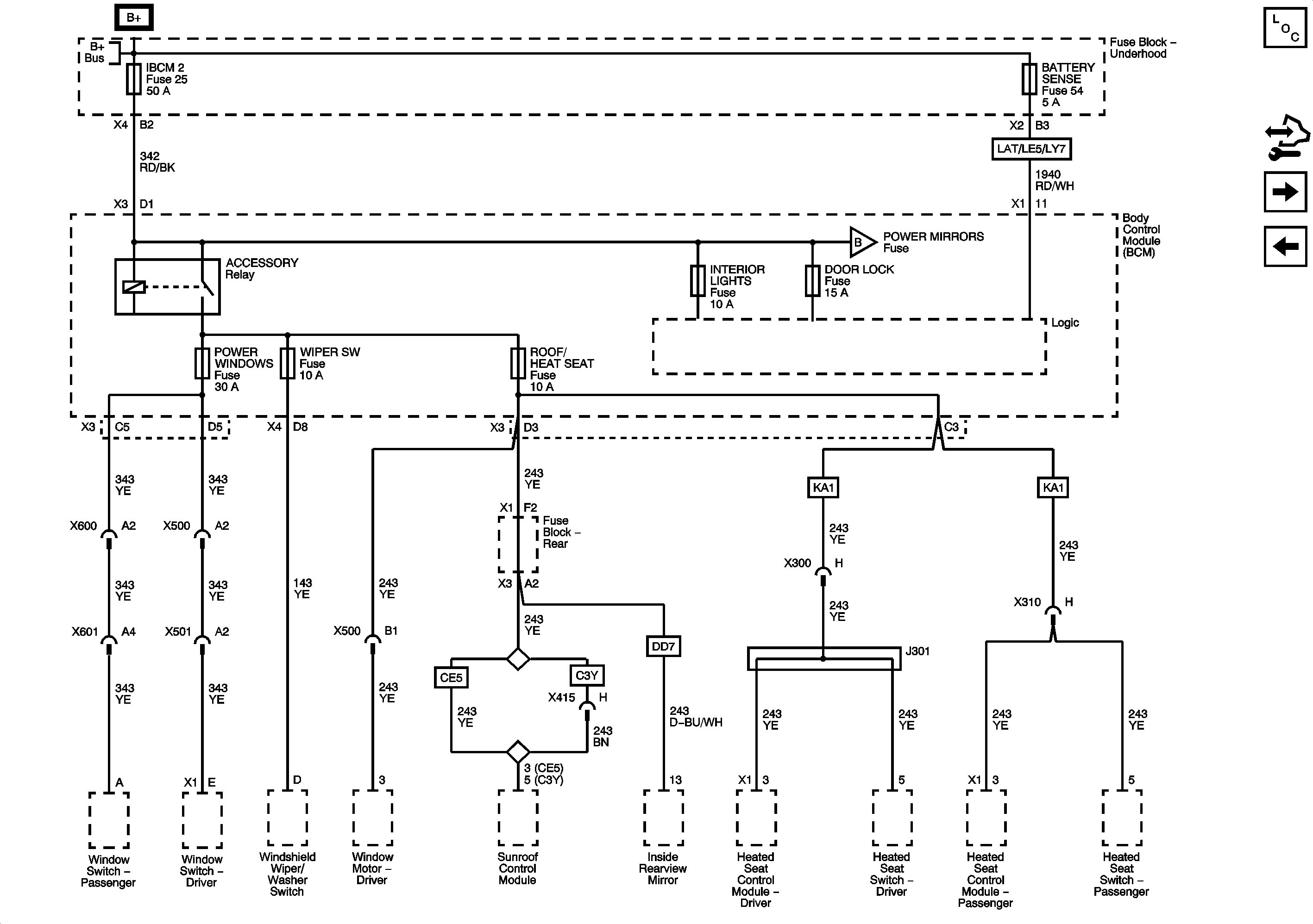
Underhood Fuse Block IBCM 2, BATTERY SENSE, Body Control Module (BCM), ACCESSORY Relay, DOOR LOCK, INTERIOR LIGHTS, POWER WINDOWS, ROOF/HEAT SEAT, and WIPER SW Fuses
Underhood Fuse Block RUN/Crank Relay, ABS, IGN 1, INJ, PCM IGN 1 and TRANS Fuses
Figure 8:

Underhood Fuse Block IBCM 2, BATTERY SENSE, Body Control Module (BCM), ACCESSORY Relay, DOOR LOCK, INTERIOR LIGHTS, POWER WINDOWS, ROOF/HEAT SEAT and WIPER SW Fuses


Object Number: 1899516  Size: FS
Master Electrical Component List
Control Module References
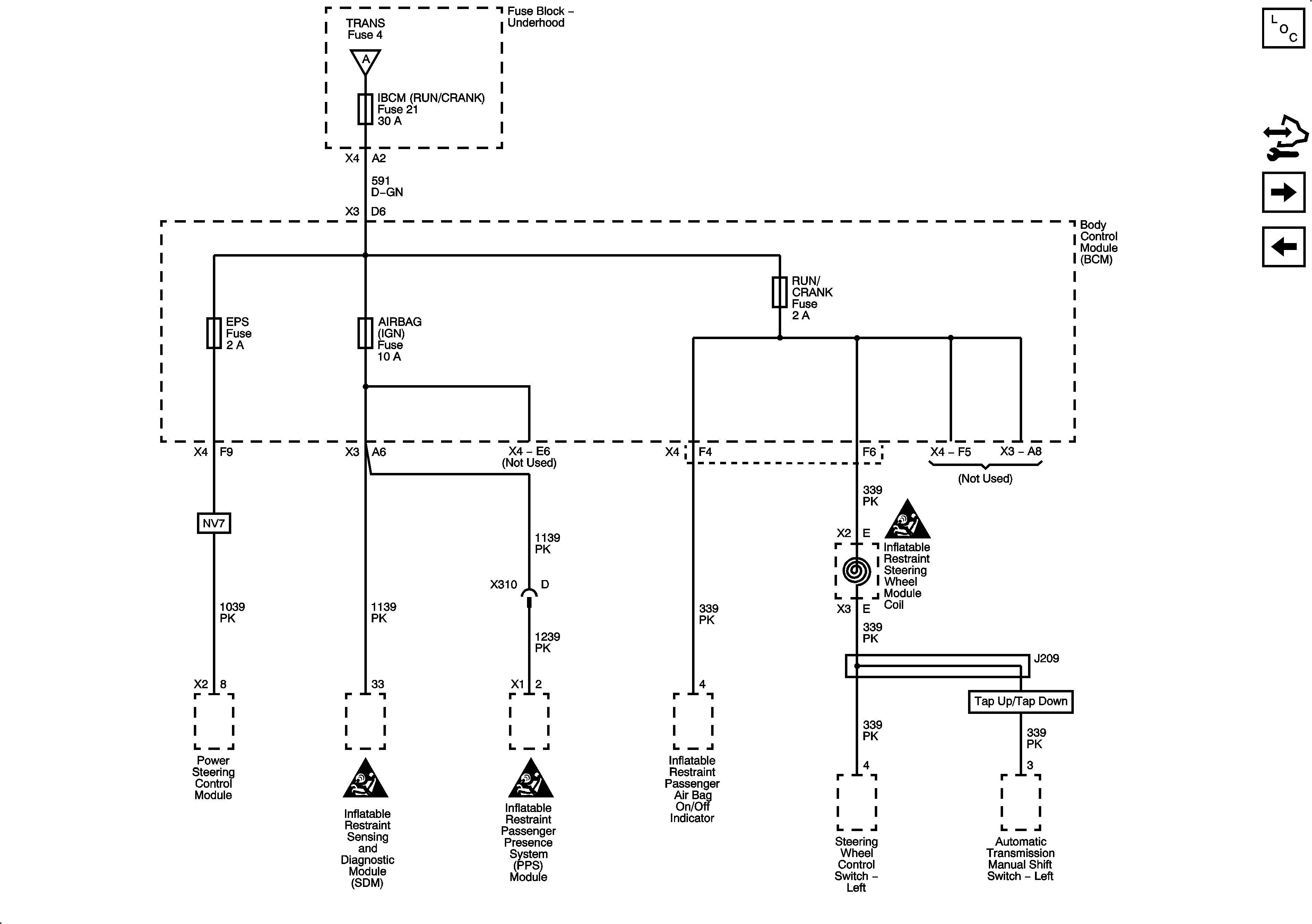
Underhood Fuse Block IBCM (Run/Crank) Fuse, Body Control Module (BCM) Air Bag (IGN), EPS and Run/Crank Fuses
Underhood Fuse Block A/C Clutch and PWR/TRN Relays, A/C CLU, EMISSION 1 and ETC Fuses
Figure 9:

Underhood Fuse Block IBCM (RUN/CRANK) Fuse, Body Control Module (BCM) AIR BAG (IGN), EPS and RUN/CRANK Fuses


Object Number: 1899520  Size: FS
Master Electrical Component List
Control Module References
Body Control Module (BCM), Interior Lights, OnStar, Pedal and Power Mirrors Fuses
Underhood Fuse Block IBCM 2, BATTERY SENSE, Body Control Module (BCM), ACCESSORY Relay, DOOR LOCK, INTERIOR LIGHTS, POWER WINDOWS, ROOF/HEAT SEAT, and WIPER SW Fuses
Figure 10:

Body Control Module (BCM), Interior Lights, Onstar, Pedal and Power Mirrors Fuses


Object Number: 1899523  Size: FS
Master Electrical Component List
Control Module References
Underhood Fuse Block IBCM (Run/Crank) Fuse, Body Control Module (BCM) Air Bag (IGN), EPS and Run/Crank Fuses