GM Service Manual Online
For 1990-2009 cars only
Makes
🢒
Saturn
🢒
2008
🢒
AURA
🢒
Diagnostic Navigation
🢒
Vehicle Diagnostic Information
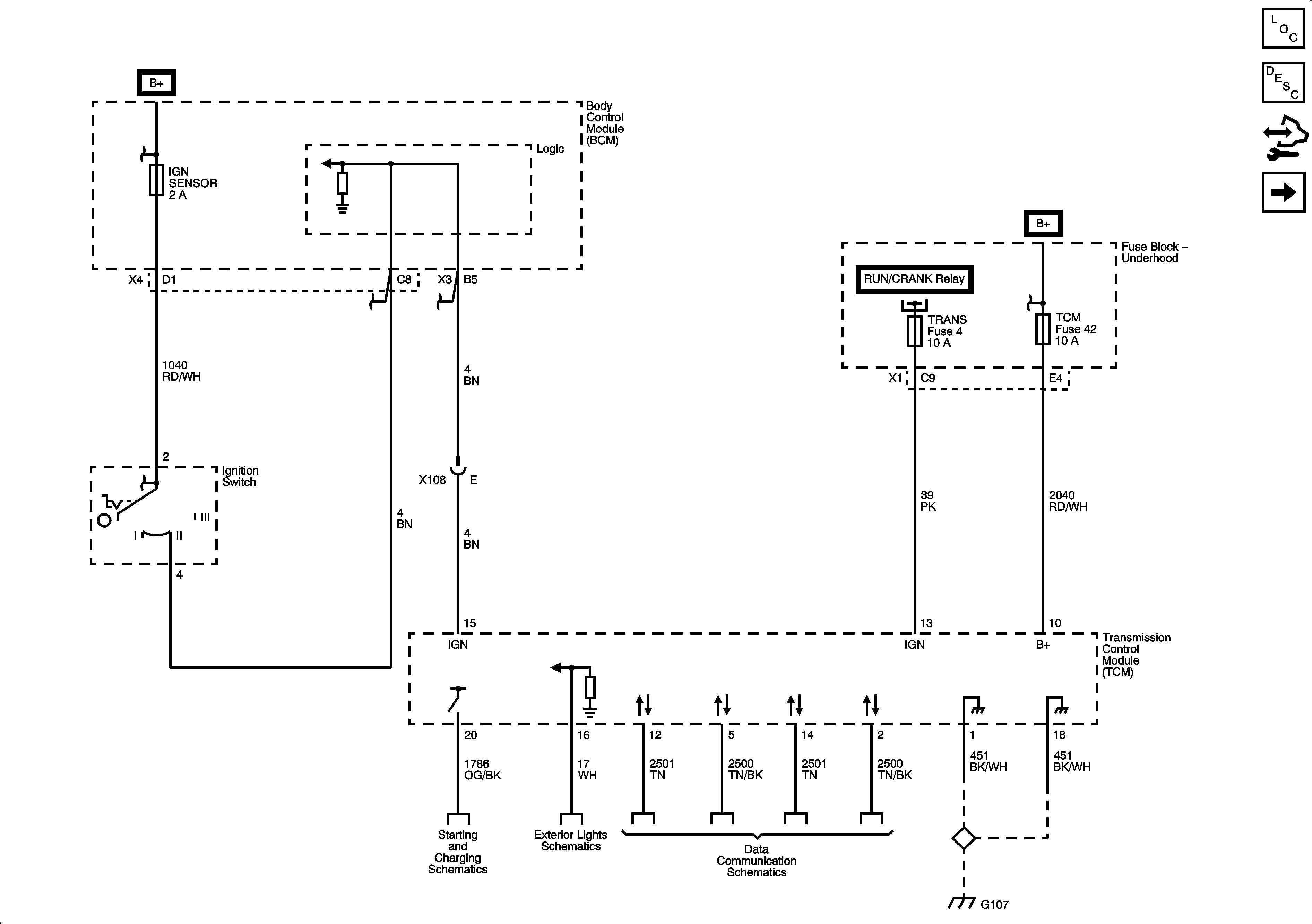
🢒 Automatic Transmission Controls Schematics
Figure
1:
Power, Ground and Serial Data
Master Electrical Component List
Transmission Component and System Description
Control Module References
Tap UP/Tap Down Switch
Figure
2:
Tap Up/Tap Down Switch
Master Electrical Component List
Transmission Component and System Description
Control Module References
Power, Ground and Serial Data