GM Service Manual Online
For 1990-2009 cars only
Makes
🢒
Saturn
🢒
2008
🢒
AURA
🢒
Diagnostic Navigation
🢒
Vehicle Diagnostic Information
🢒 Moveable Window Schematics
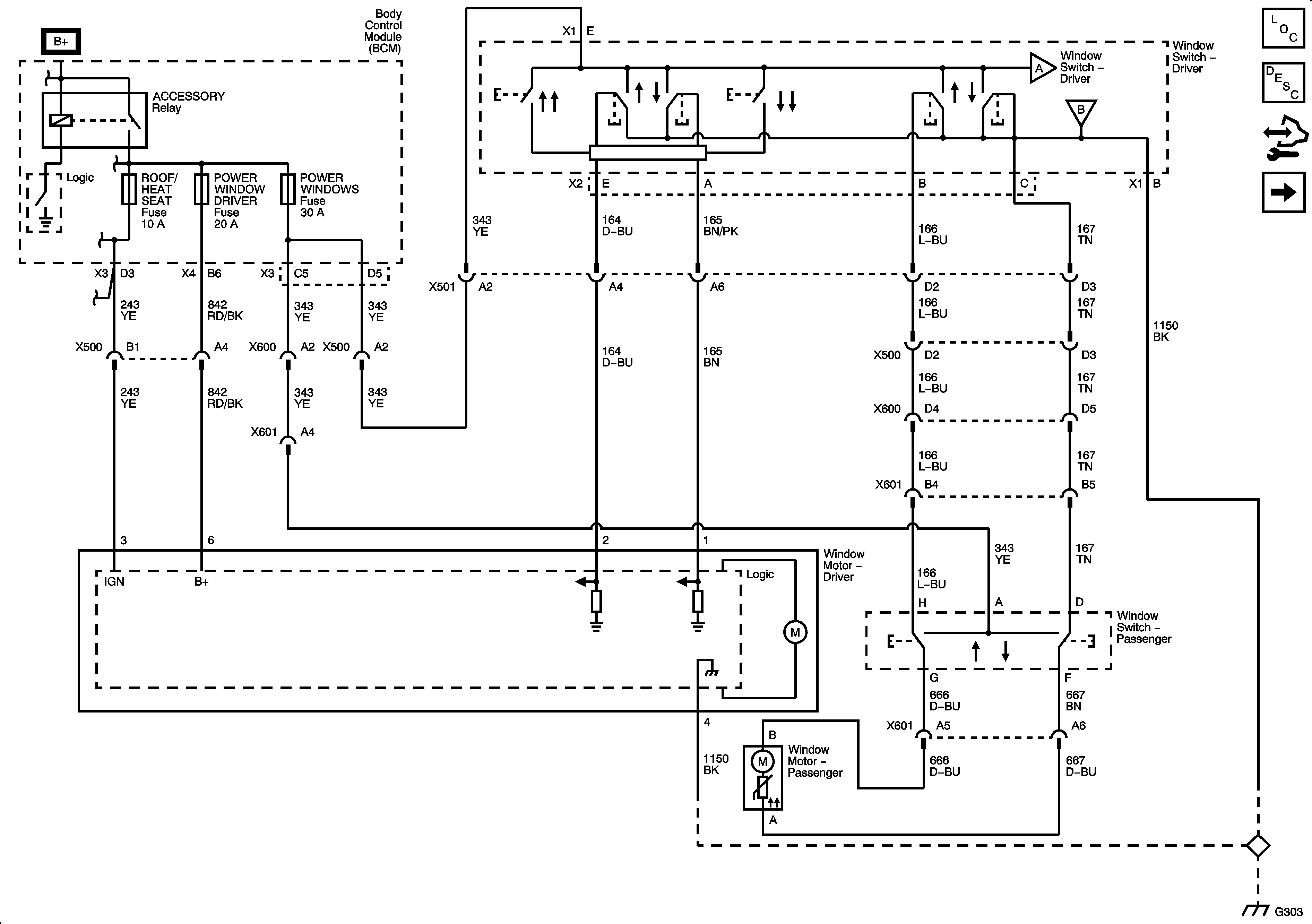
Figure
1:
Power and Ground Front Windows
Master Electrical Component List
Power Windows Description and Operation
Control Module References
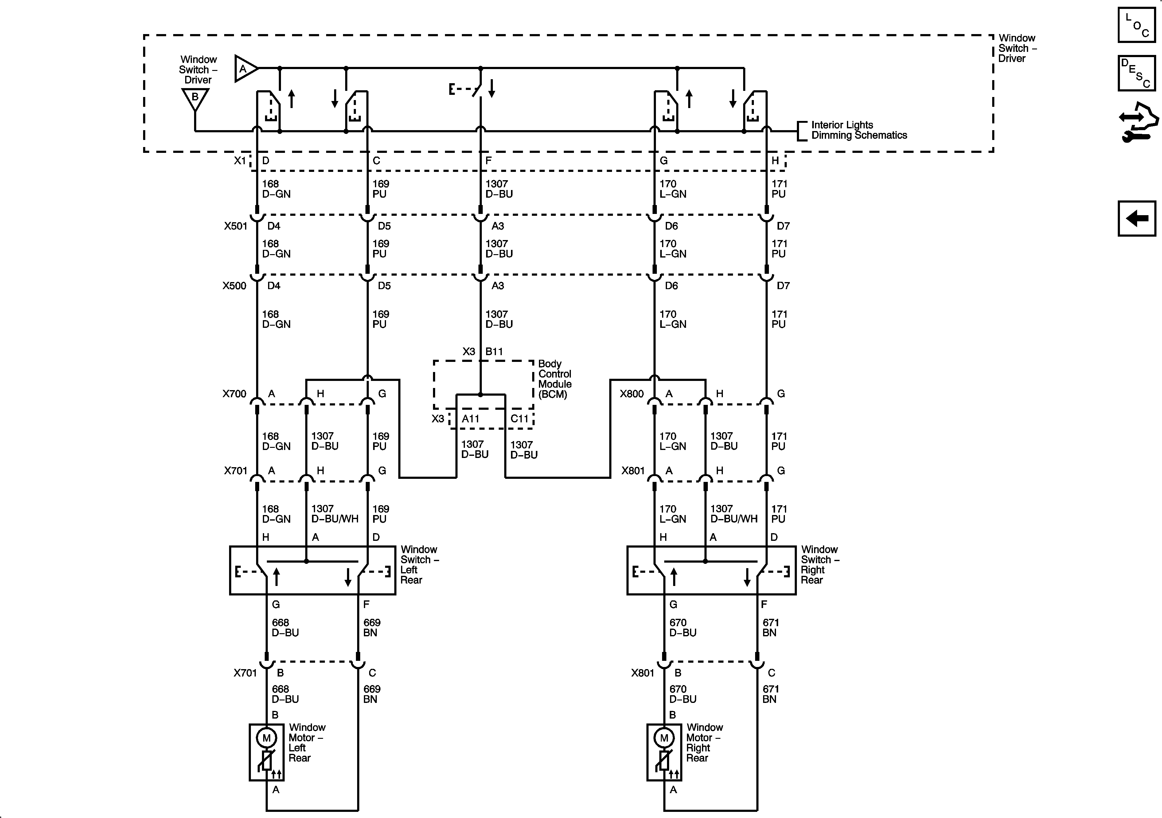
Rear Windows
Figure
2:
Rear Windows
Master Electrical Component List
Power Windows Description and Operation
Control Module References
Power and Ground Front Windows