GM Service Manual Online
For 1990-2009 cars only
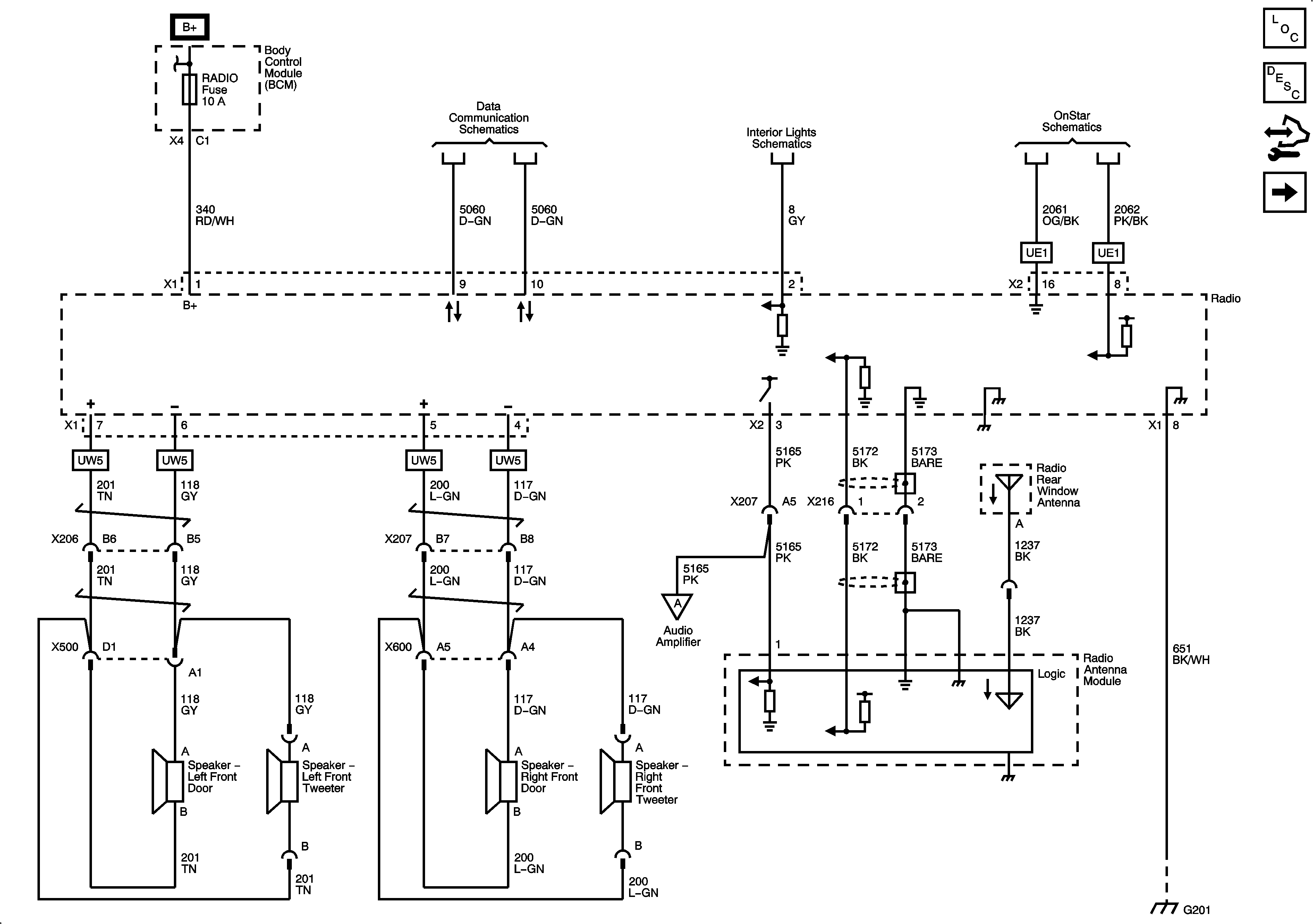
Figure 1:

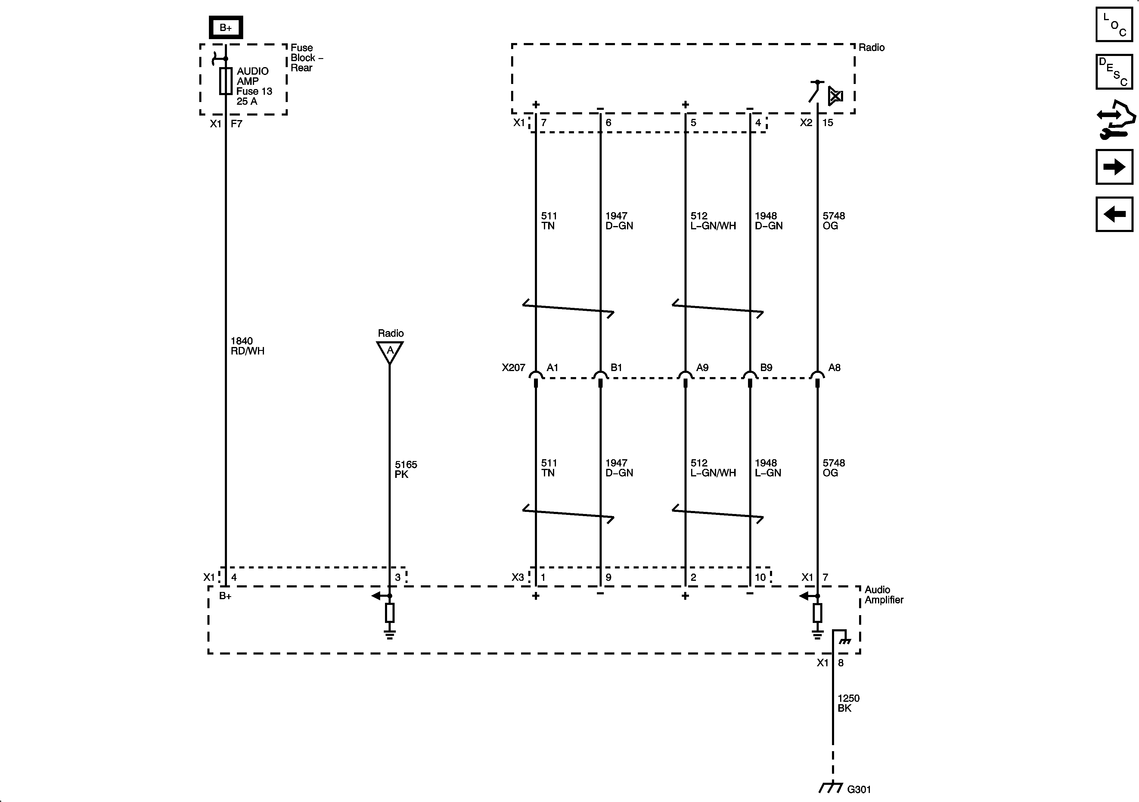
Power, Ground, Front Speakers, Antenna and References


Object Number: 1898503  Size: FS
Master Electrical Component List
Radio/Audio System Description and Operation
Control Module References
Rear Speakers (UW5)
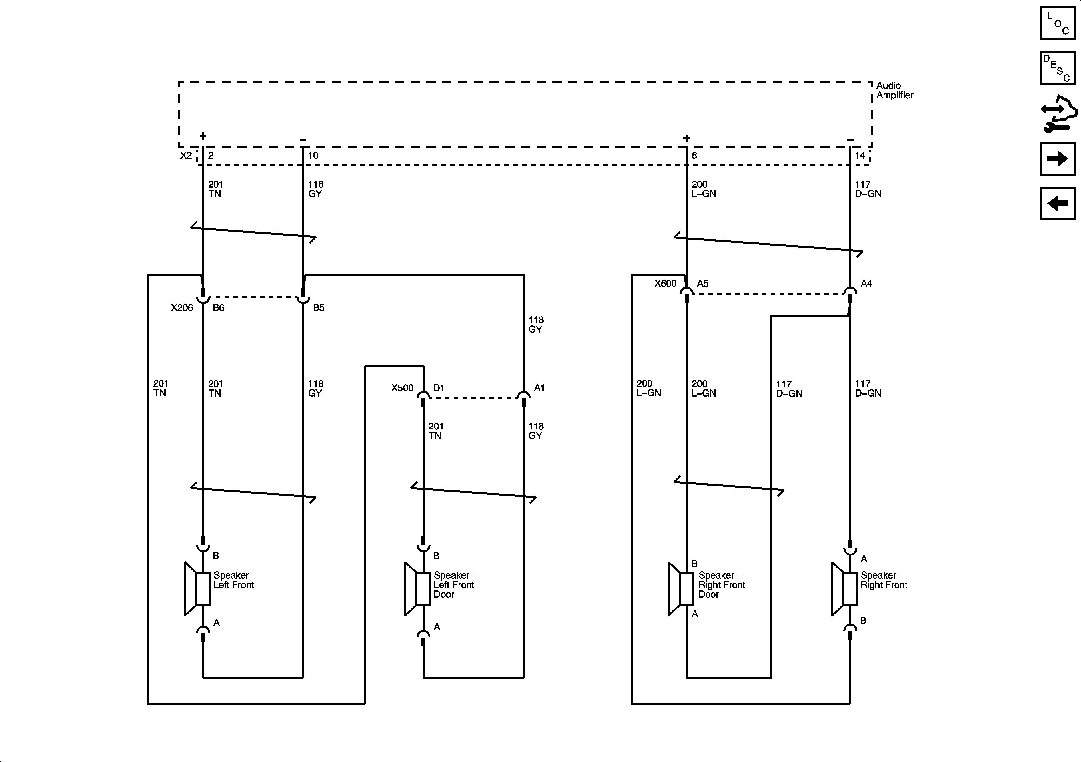
Figure 2:

Rear Speakers (UW5)


Object Number: 1898506  Size: FS
Master Electrical Component List
Radio/Audio System Description and Operation
Control Module References
Radio/Navigation System Schematics (Amplifier UQ3)
Power, Ground, Front Speakers, Antenna and References
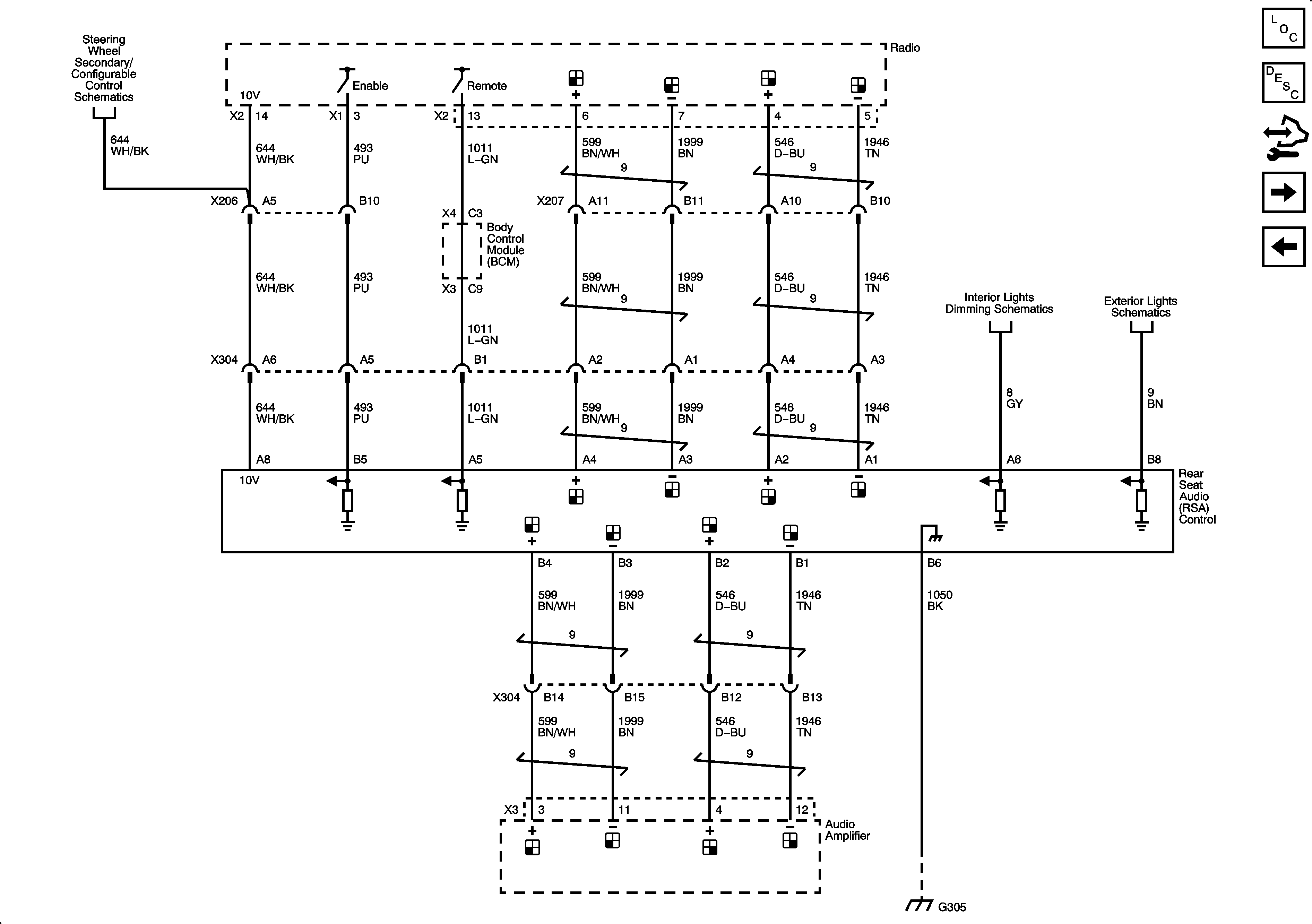
Figure 3:

Amplifier UQ3


Object Number: 1898520  Size: FS
Master Electrical Component List
Radio/Audio System Description and Operation
Control Module References
Radio/Navigation System Schematics (Front Speakers UQ3)
Rear Speakers (UW5)
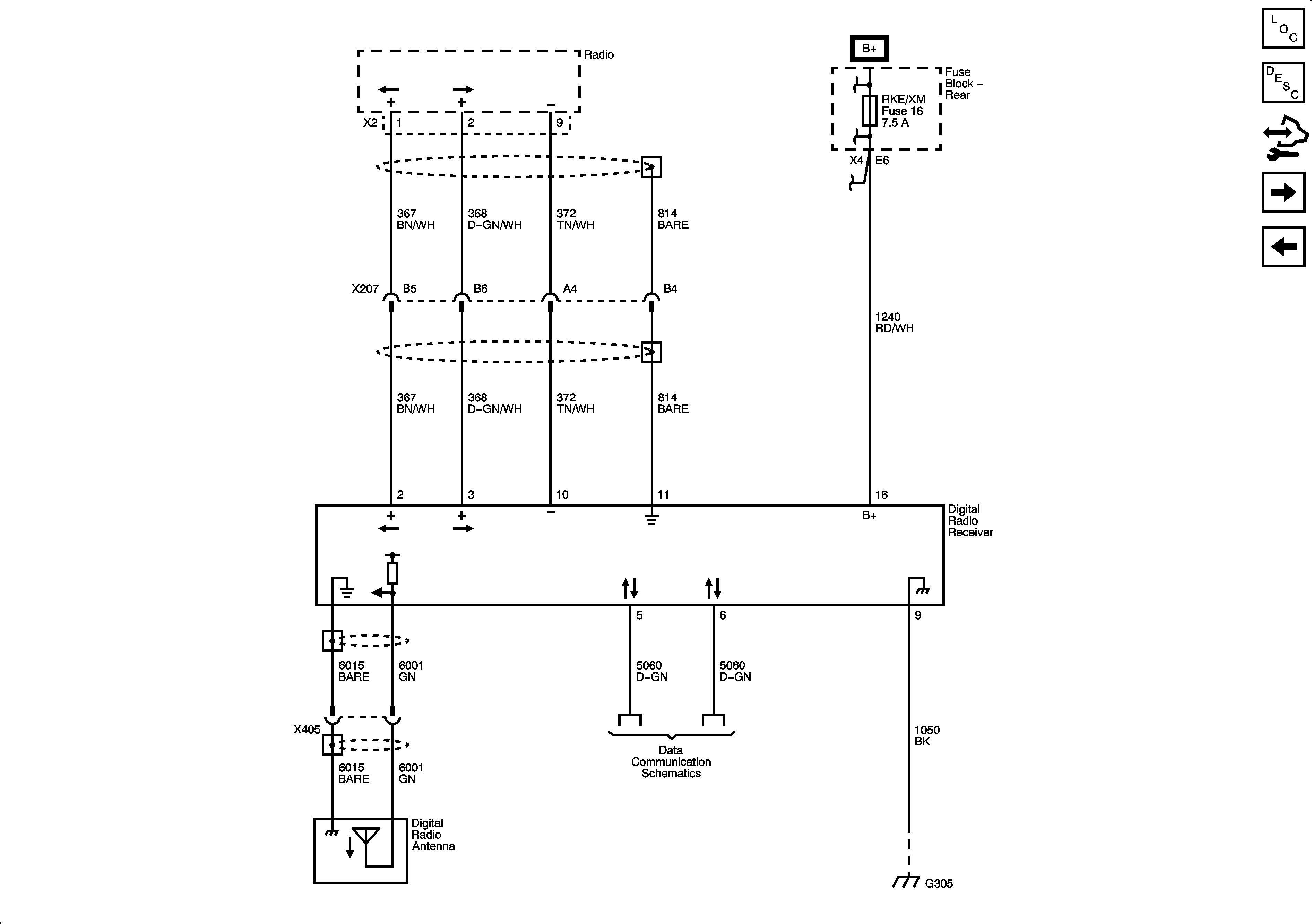
Figure 4:

Front Speakers UQ3


Object Number: 1898543  Size: FS
Master Electrical Component List
Radio/Audio System Description and Operation
Control Module References
Radio/Navigation System Schematics (Rear Speakers UQ3)
Radio/Navigation System Schematics (Amplifier UQ3)
Figure 5:

Rear Speakers UQ3


Object Number: 1898571  Size: FS
Master Electrical Component List
Radio/Audio System Description and Operation
Control Module References
Rear Seat Audio (RSA) Controller
Radio/Navigation System Schematics (Front Speakers UQ3)
Figure 6:

Rear Seat Audio (RSA) Controller


Object Number: 1898509  Size: FS
Master Electrical Component List
Radio/Audio System Description and Operation
Control Module References
Digital Radio Receiver
Radio/Navigation System Schematics (Rear Speakers UQ3)
Figure 7:

Digital Radio Receiver


Object Number: 1898512  Size: FS
Master Electrical Component List
Radio/Audio System Description and Operation
Control Module References
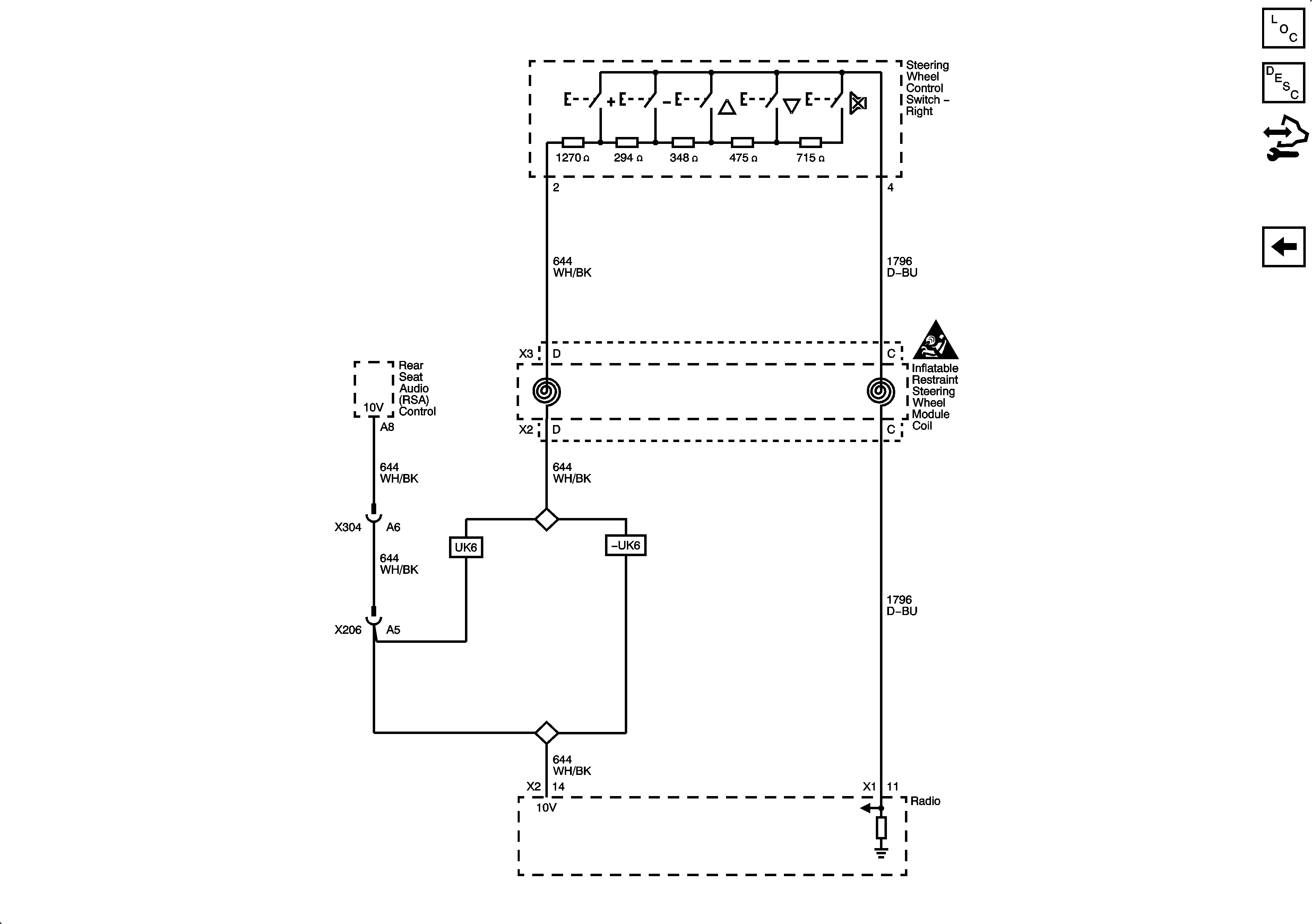
Redundant Radio Controls
Rear Seat Audio (RSA) Controller
Figure 8:

Redundant Radio Controls


Object Number: 1898518  Size: FS
Master Electrical Component List
Radio/Audio System Description and Operation
Control Module References
Digital Radio Receiver