GM Service Manual Online
For 1990-2009 cars only
Makes
🢒
Saturn
🢒
2008
🢒
AURA
🢒
Diagnostic Navigation
🢒
Vehicle Diagnostic Information
🢒 Data Communication Schematics
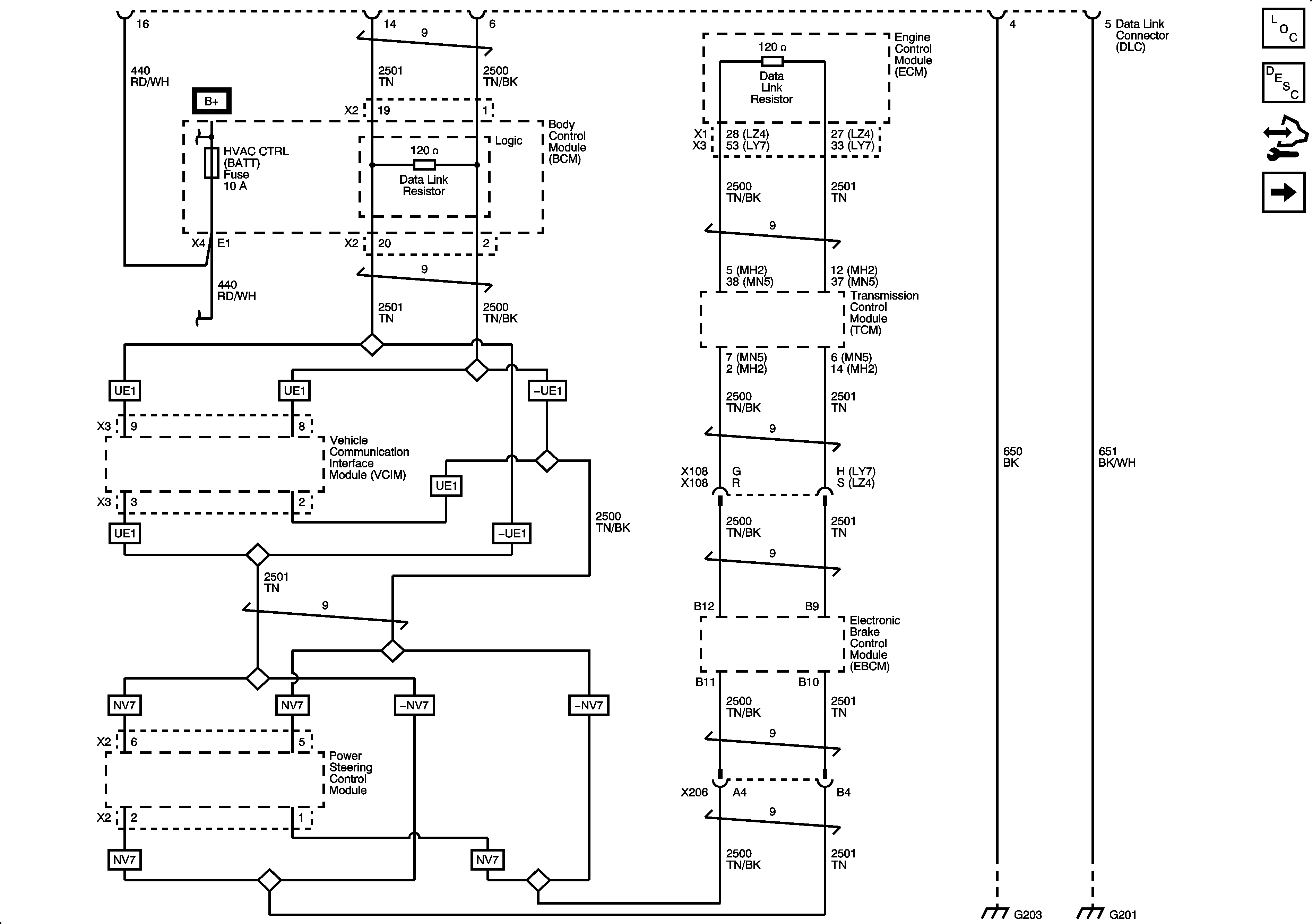
Figure
1:
Power, Ground and High Speed Serial Data (w/o HP7)
Master Electrical Component List
Data Link Communications Description and Operation
Control Module References
Power, Ground and High Speed Serial Data with HP7
Figure
2:
Power, Ground and High Speed Serial Data (HP7)
Master Electrical Component List
Data Link Communications Description and Operation
Control Module References
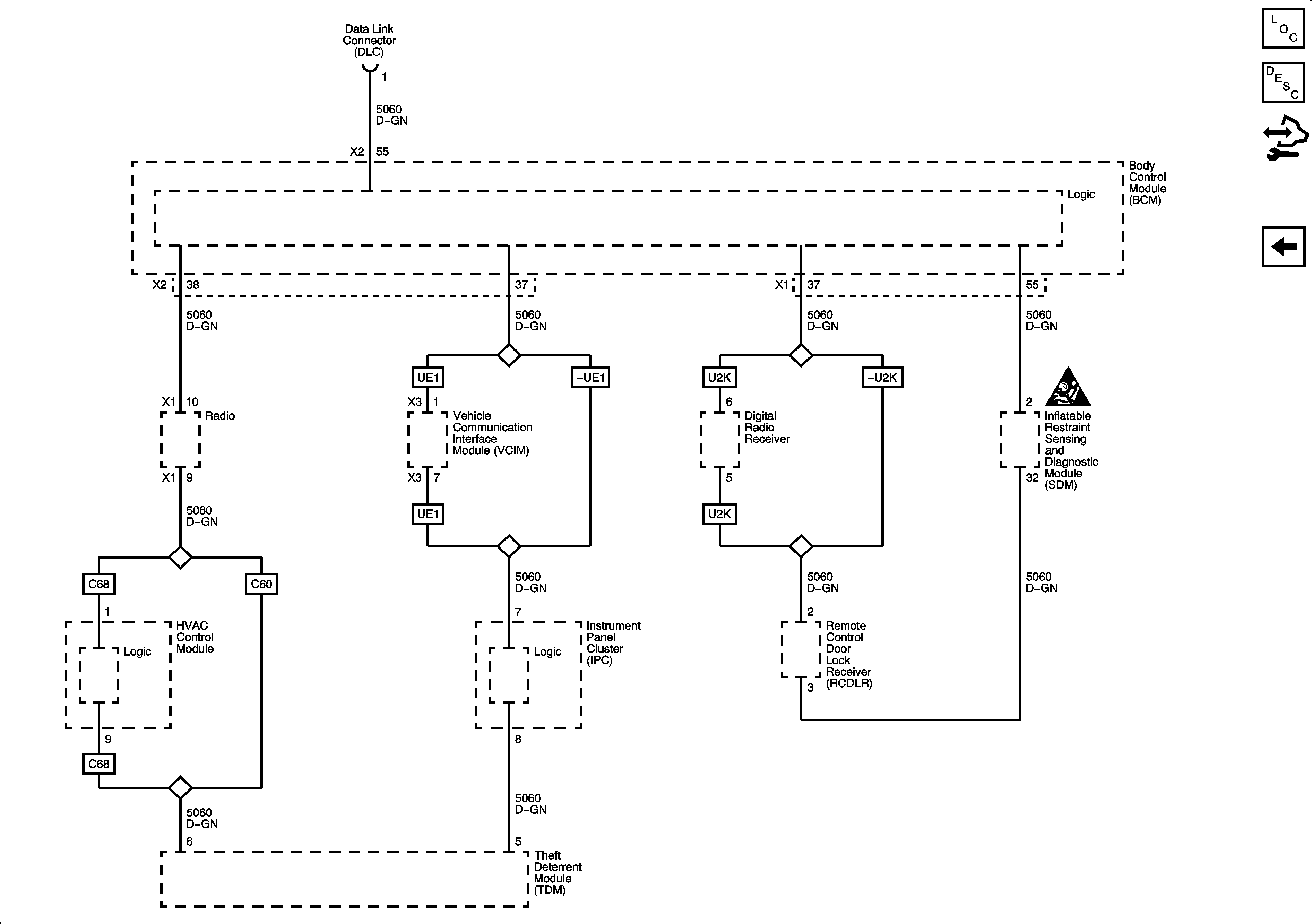
Low Speed Serial Data
Power, Ground and High Speed Serial Data without HP7
Figure
3:
Low Speed Serial Data
Master Electrical Component List
Data Link Communications Description and Operation
Control Module References
Power, Ground and High Speed Serial Data - HP7