GM Service Manual Online
For 1990-2009 cars only
Makes
🢒
Saturn
🢒
2008
🢒
AURA
🢒
Diagnostic Navigation
🢒
Vehicle Diagnostic Information
🢒 Hybrid Cooling Schematics
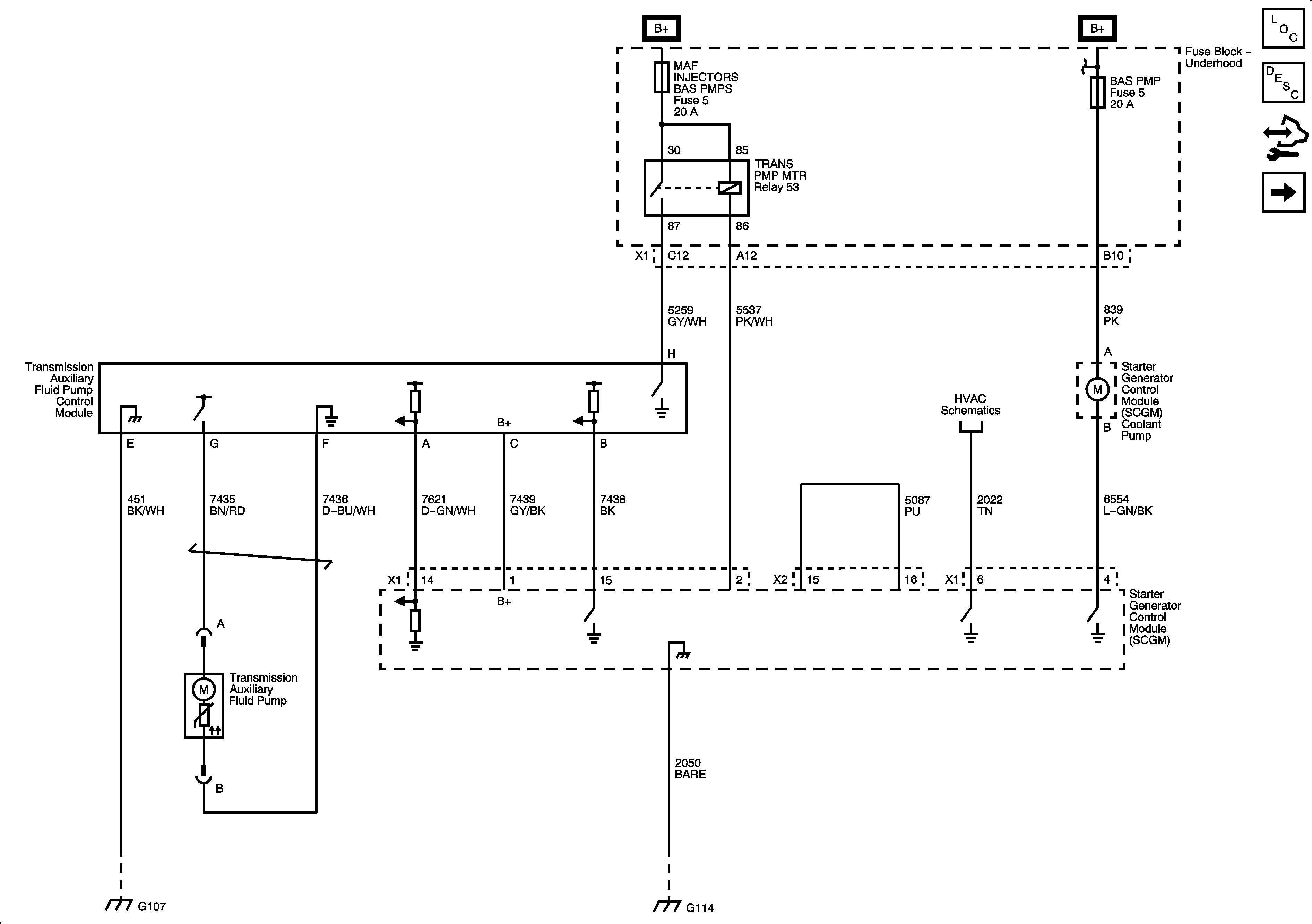
Figure
1:
Pump Driver and Pumps
Master Electrical Component List
Starter Generator Control Module Cooling System Description and Operation
Control Module References
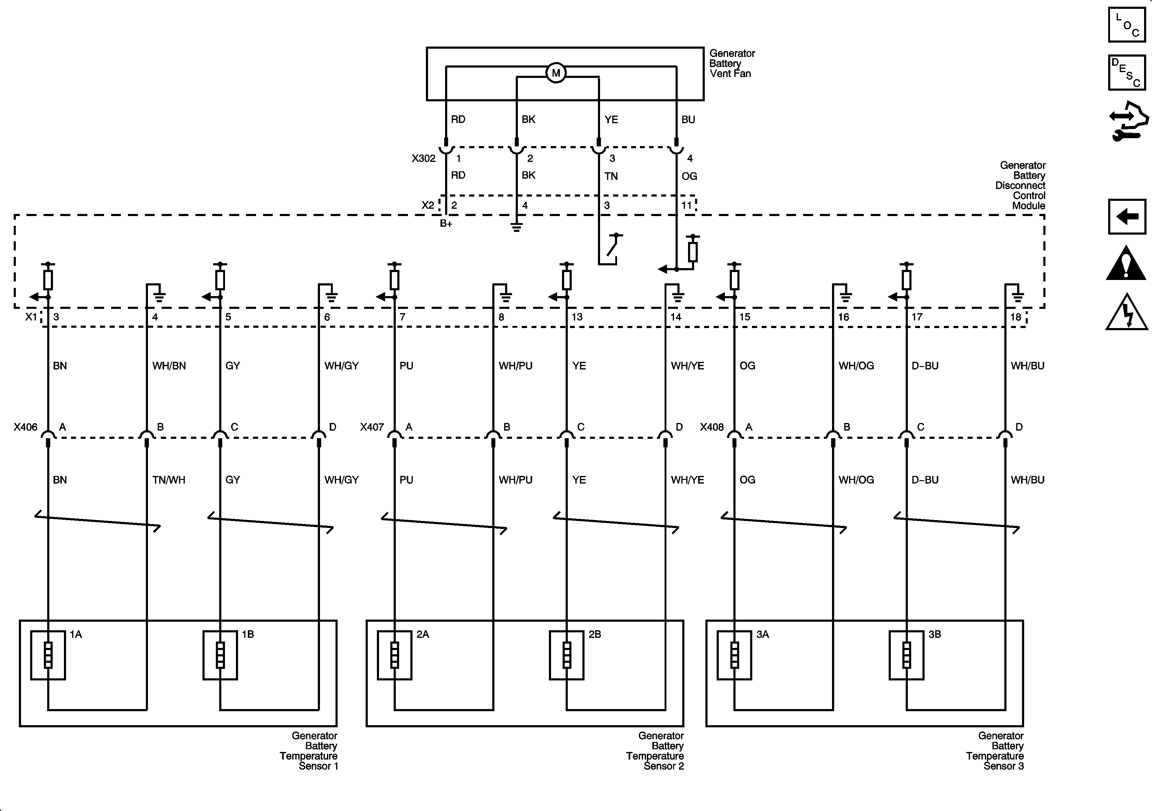
Temperature Sensors and Vent Fan
Figure
2:
Temperature Sensors and Vent Fan
Master Electrical Component List
Starter Generator Control Module Cooling System Description and Operation
Control Module References
Hybrid Cooling Schematics