GM Service Manual Online
For 1990-2009 cars only
Makes
🢒
Saturn
🢒
2008
🢒
AURA
🢒
Diagnostic Navigation
🢒
Vehicle Diagnostic Information
🢒 Hybrid Energy Storage Schematics
Figure
1:
Power, Ground and Serial Data
Master Electrical Component List
Generator Battery Carrier Description and Operation
Control Module References
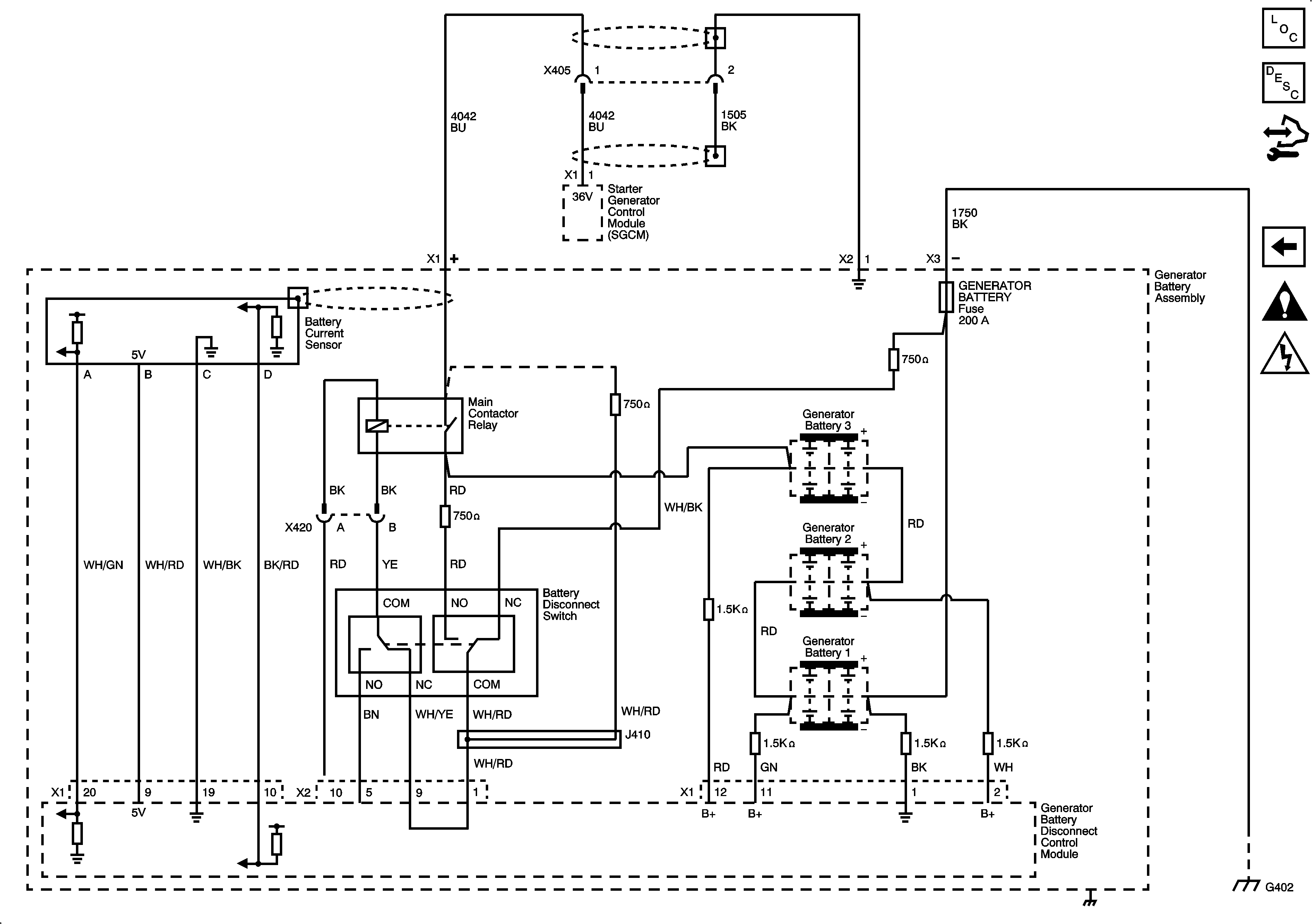
Batteries, Battery Current Sensor, Battery Disconnect Switch and Main Contactor Relay
Figure
2:
Batteries, Battery Current Sensor, Battery Disconnect Switch and Main Contactor Relay
Master Electrical Component List
Generator Battery Carrier Description and Operation
Control Module References
Power, Ground, and Serial Data