GM Service Manual Online
For 1990-2009 cars only

Automatic Transmission Controls Schematics MN5

Figure 1:

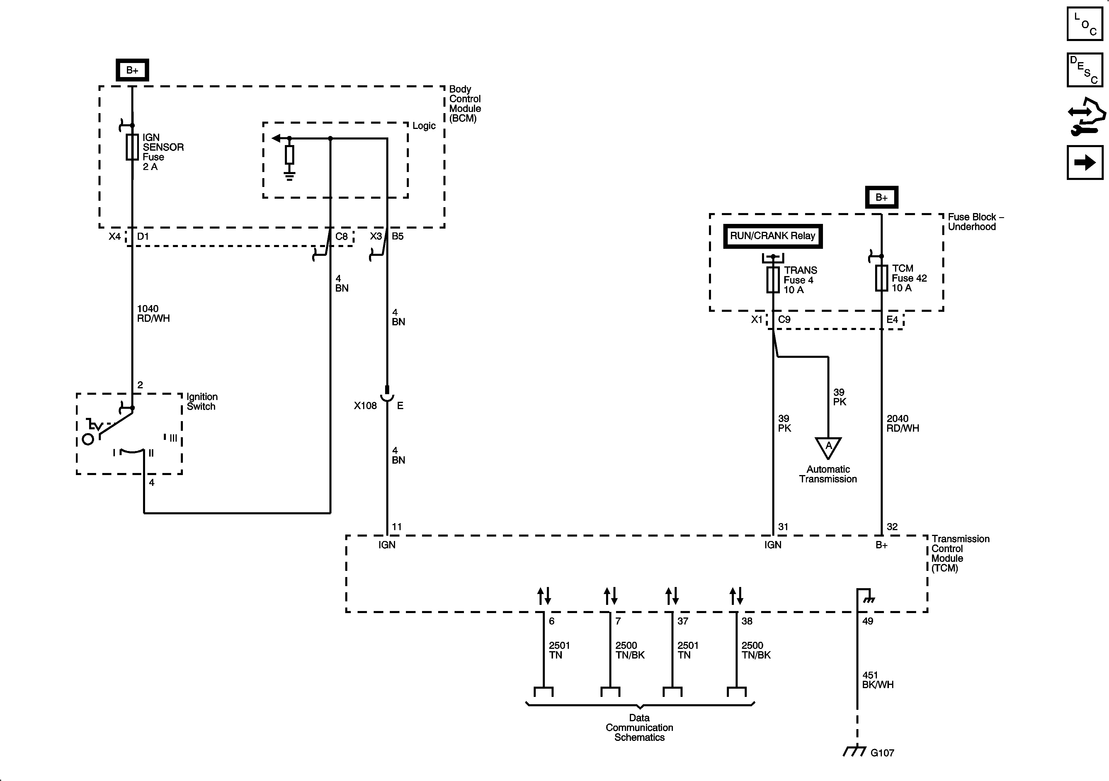
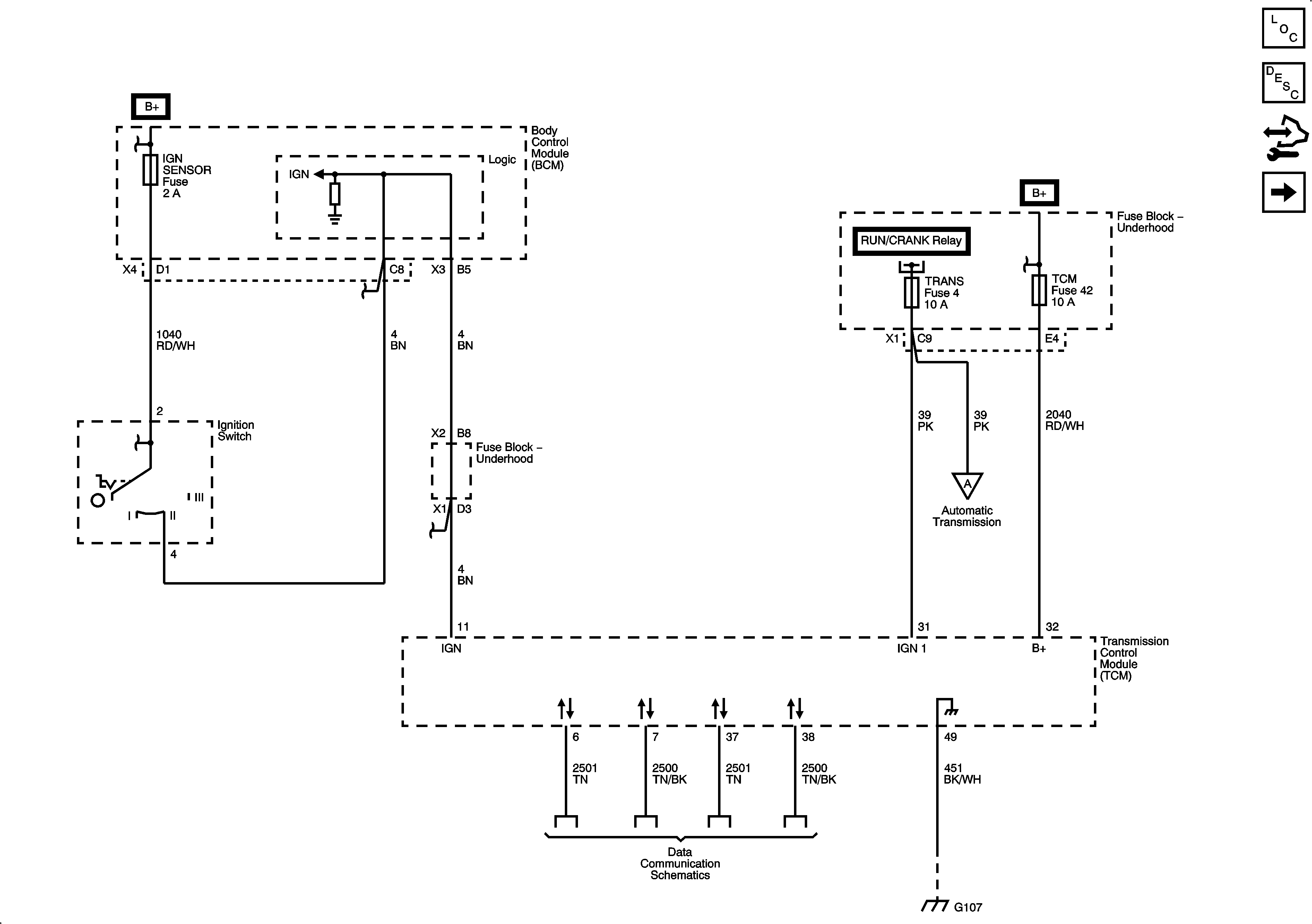
Power, Ground and Serial Data


Object Number: 1898711  Size: FS
Master Electrical Component List
Transmission General Description
Control Module References
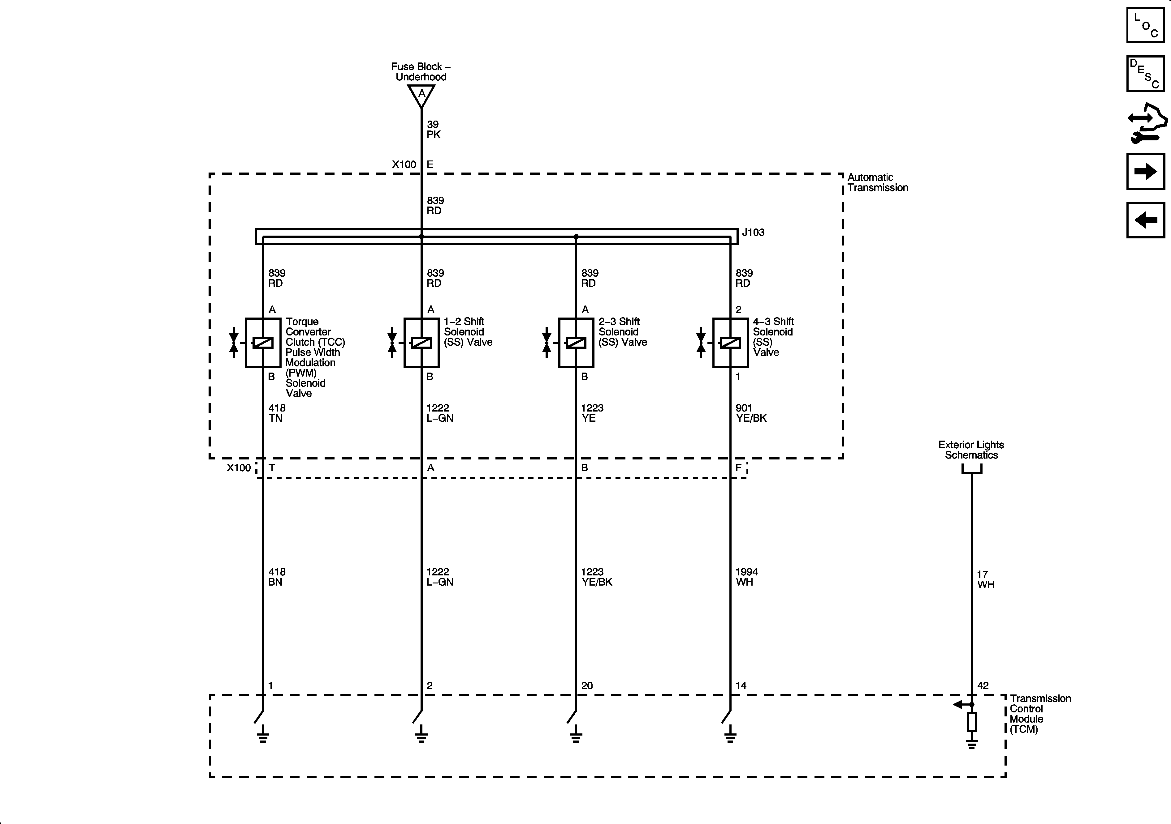
Shift Solenoids and (TCC PWM) Solenoid Valve
Figure 2:

Shift Solenoids and (TCC PWM) Solenoid Valve


Object Number: 1898750  Size: FS
Master Electrical Component List
Transmission General Description
Control Module References
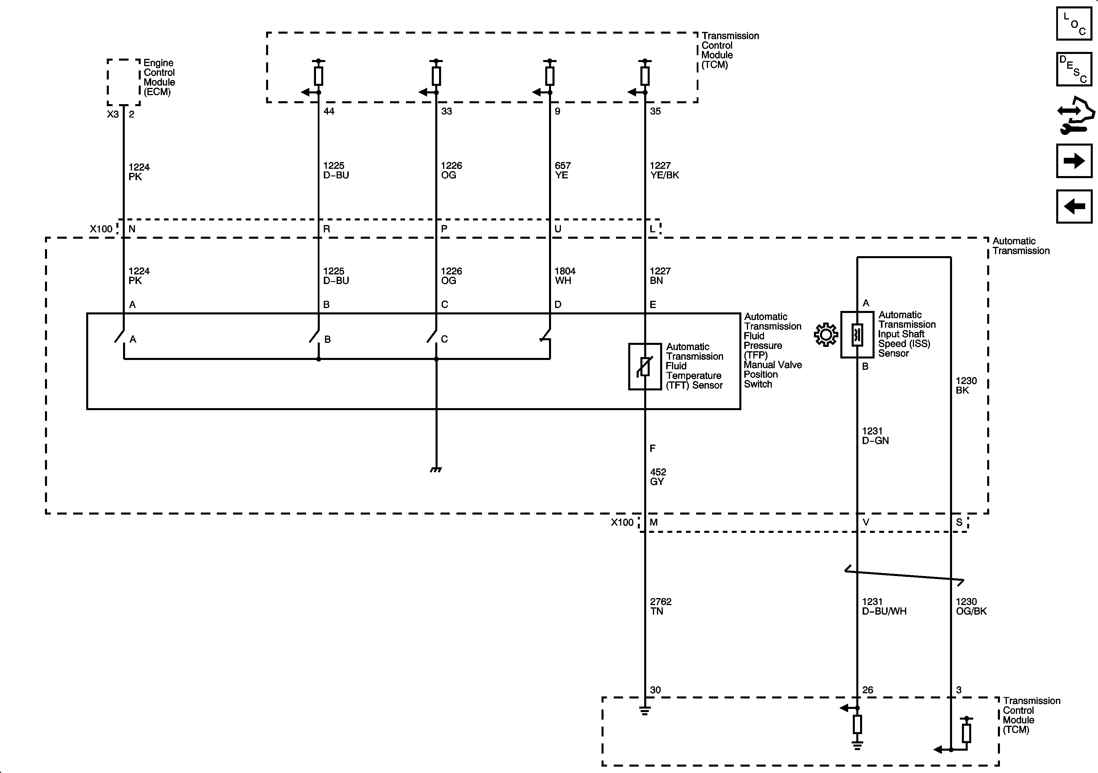
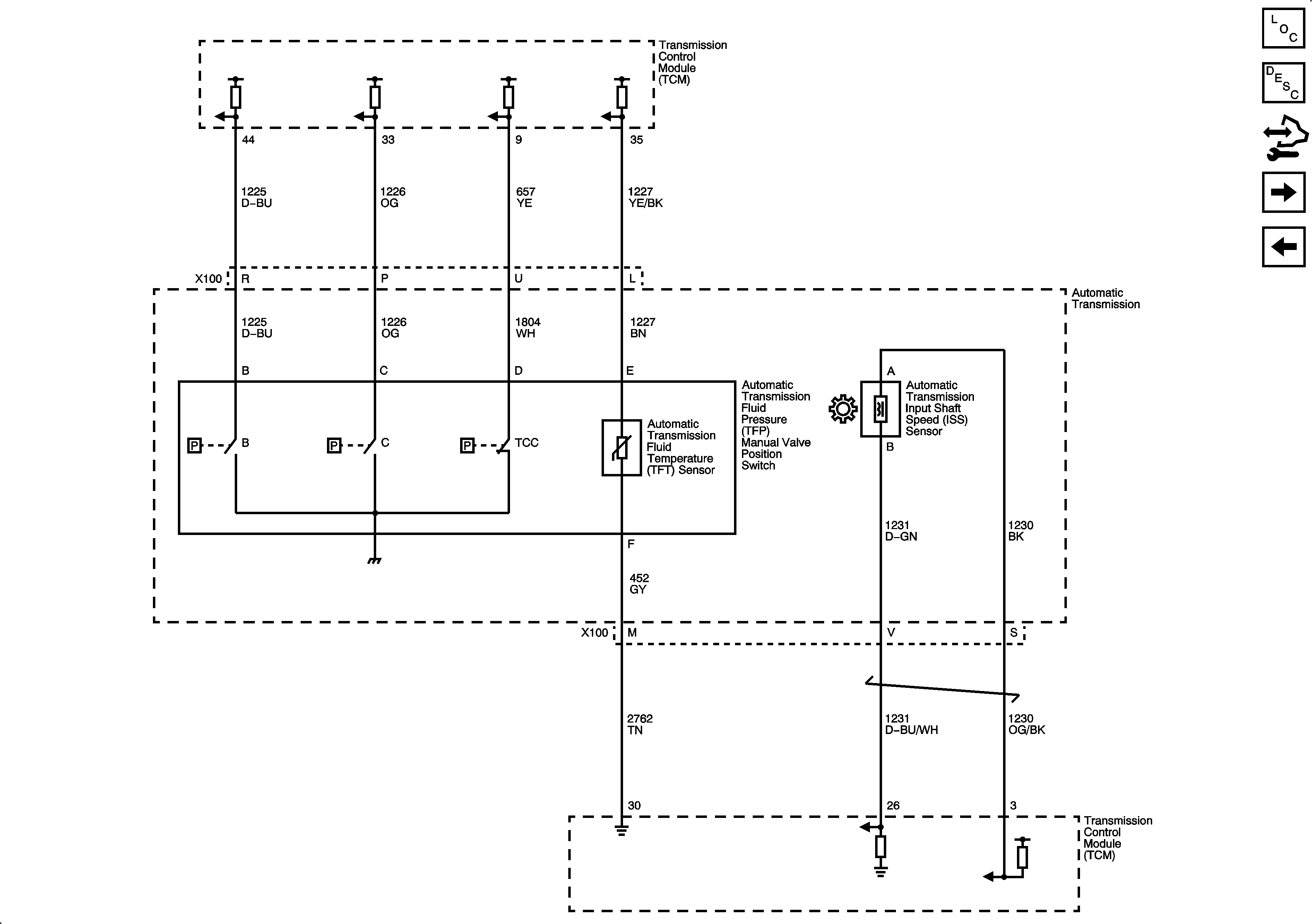
Transmission Switches, TFT and A/T ISS Sensor
Power, Ground and Serial Data
Figure 3:

Transmission Switches, TFT and A/T ISS Sensor


Object Number: 1898752  Size: FS
Master Electrical Component List
Transmission General Description
Control Module References
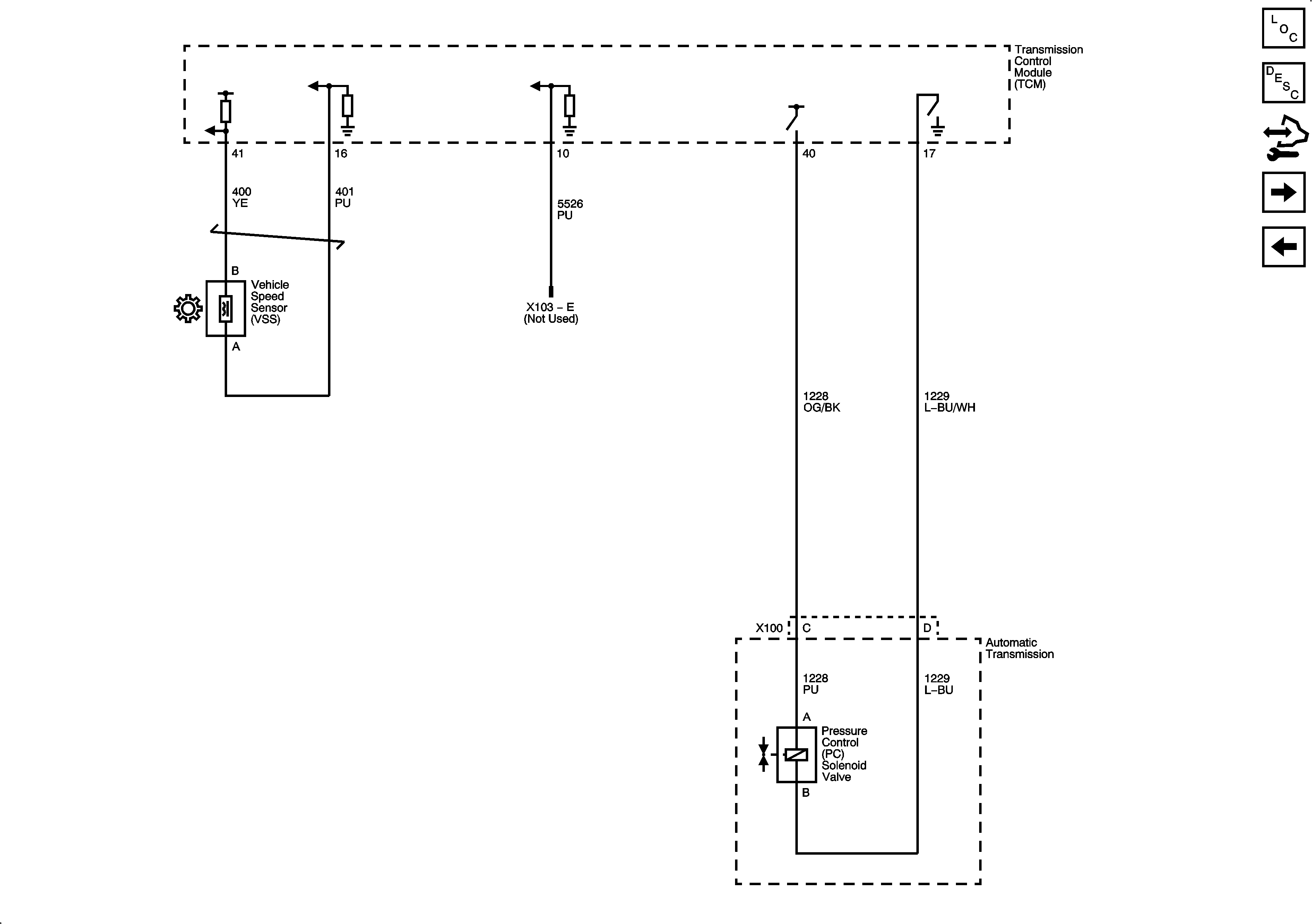
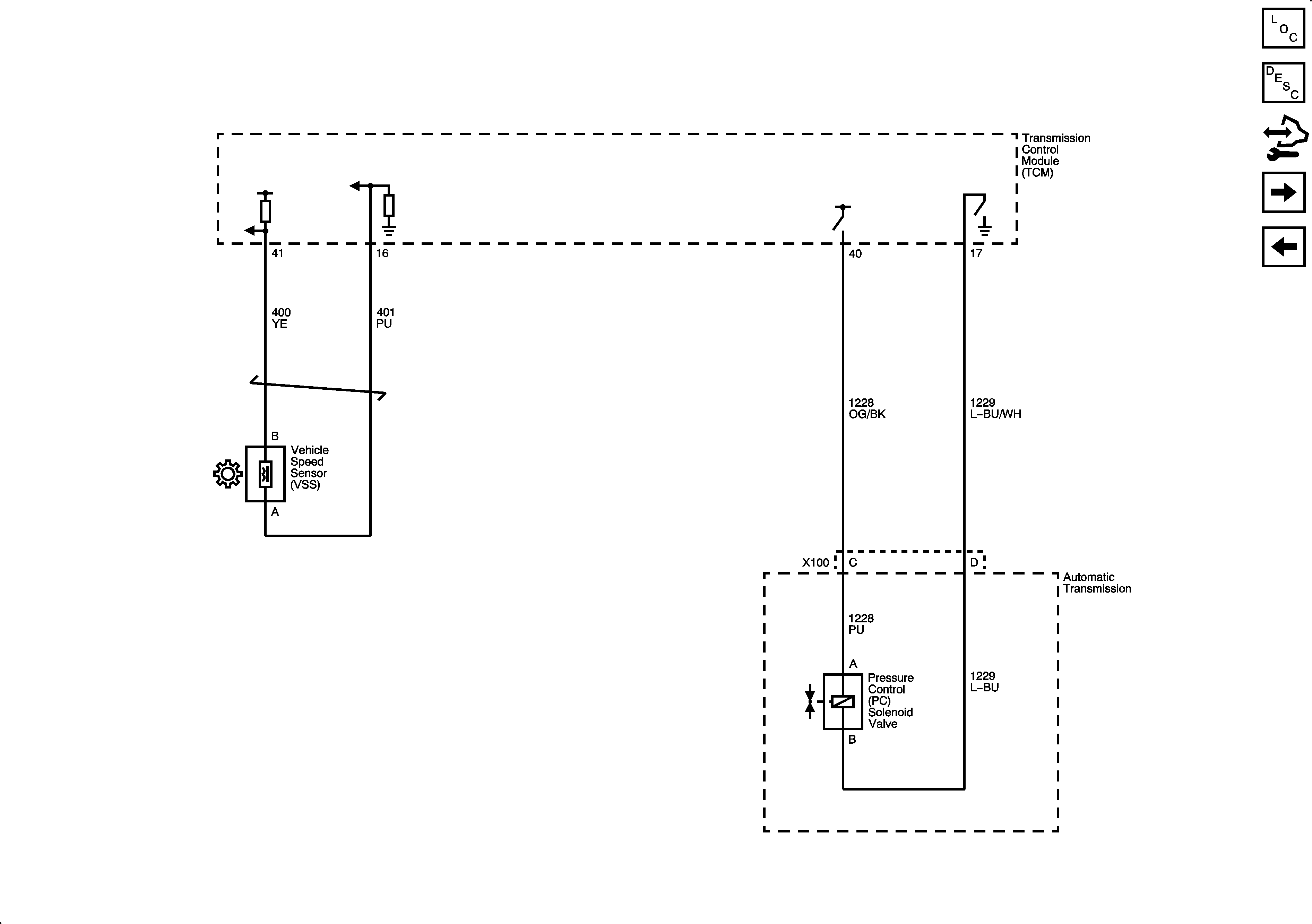
Pressure Control and VSS
Shift Solenoids and (TCC PWM) Solenoid Valve
Figure 4:

Pressure Control and VSS


Object Number: 1898755  Size: FS
Master Electrical Component List
Transmission General Description
Control Module References
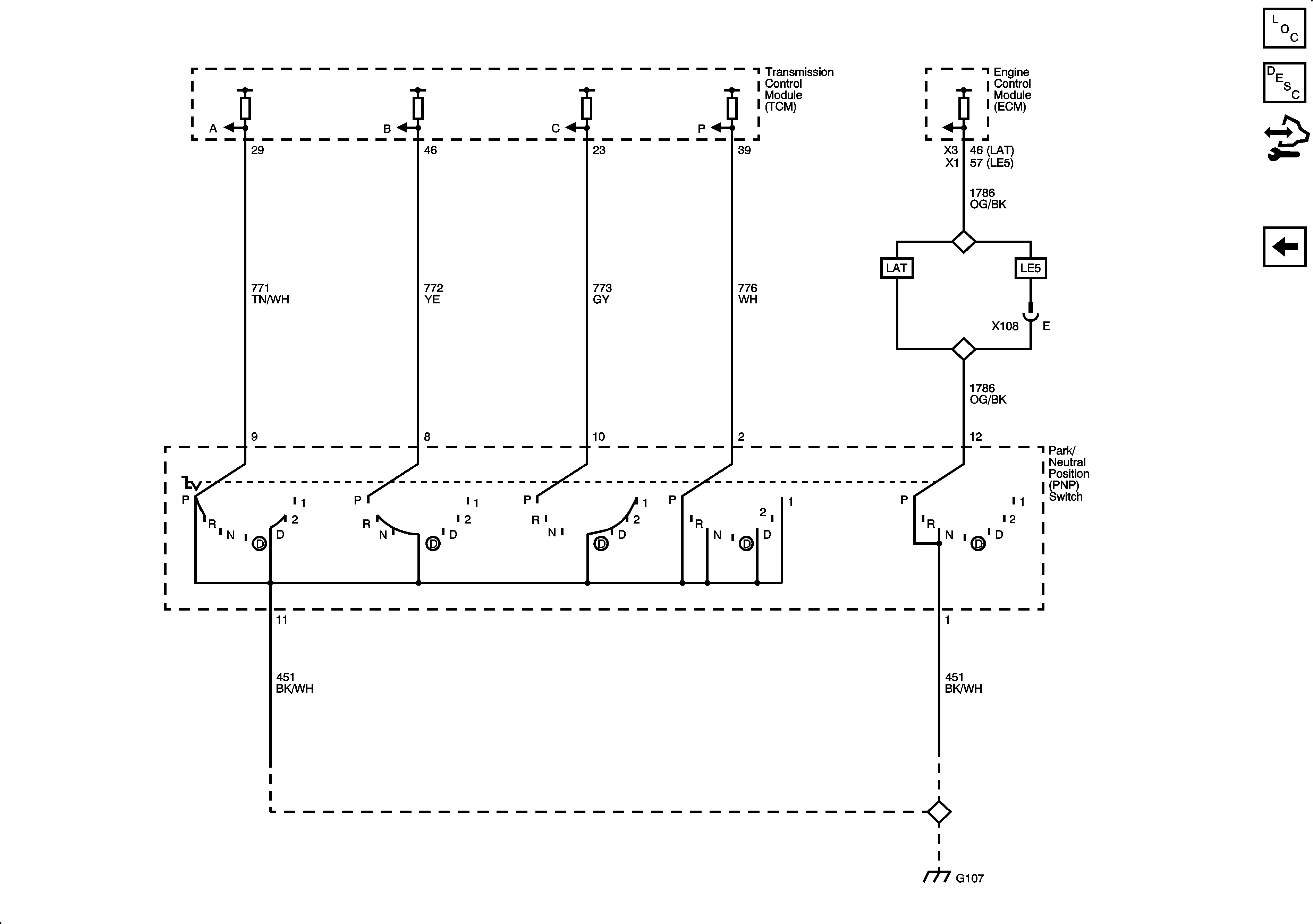
PNP Switch
Transmission Switches, TFT and A/T ISS Sensor
Figure 5:

PNP Switch


Object Number: 1898757  Size: FS
Master Electrical Component List
Transmission General Description
Control Module References
Pressure Control and VSS

Automatic Transmission Controls Schematics ME7

Figure 1:

Power, Ground and Serial Data (ME7)


Object Number: 1922953  Size: FS
Master Electrical Component List
Transmission General Description
Control Module References
Shift Solenoids and (TCC PWM) Solenoid Value
Figure 2:

Shift Solenoids and (TCC PWM) Solenoid Valve (ME7)


Object Number: 1922955  Size: FS
Master Electrical Component List
Transmission General Description
Control Module References
Transmission Switches, TFT and A/T ISS Sensor
Power, Ground and Serial Data
Figure 3:

Transmission Switches, TFT and A/T ISS Sensor (ME7)


Object Number: 1922956  Size: FS
Master Electrical Component List
Transmission General Description
Control Module References
Pressure Control and VSS
Shift Solenoids and (TCC PWM) Solenoid Value
Figure 4:

Pressure Control and VSS (ME7)


Object Number: 1922958  Size: FS
Master Electrical Component List
Transmission General Description
Control Module References
PNP Switch
Transmission Switches, TFT and A/T ISS Sensor
Figure 5:

PNP Switch (ME7)


Object Number: 1922960  Size: FS
Master Electrical Component List
Transmission General Description
Control Module References
Pressure Control and VSS