GM Service Manual Online
For 1990-2009 cars only
Figure 1:

Power, Ground and Blower Motor Controls


Object Number: 1899542  Size: FS
Master Electrical Component List
Air Temperature Description and Operation
Control Module References
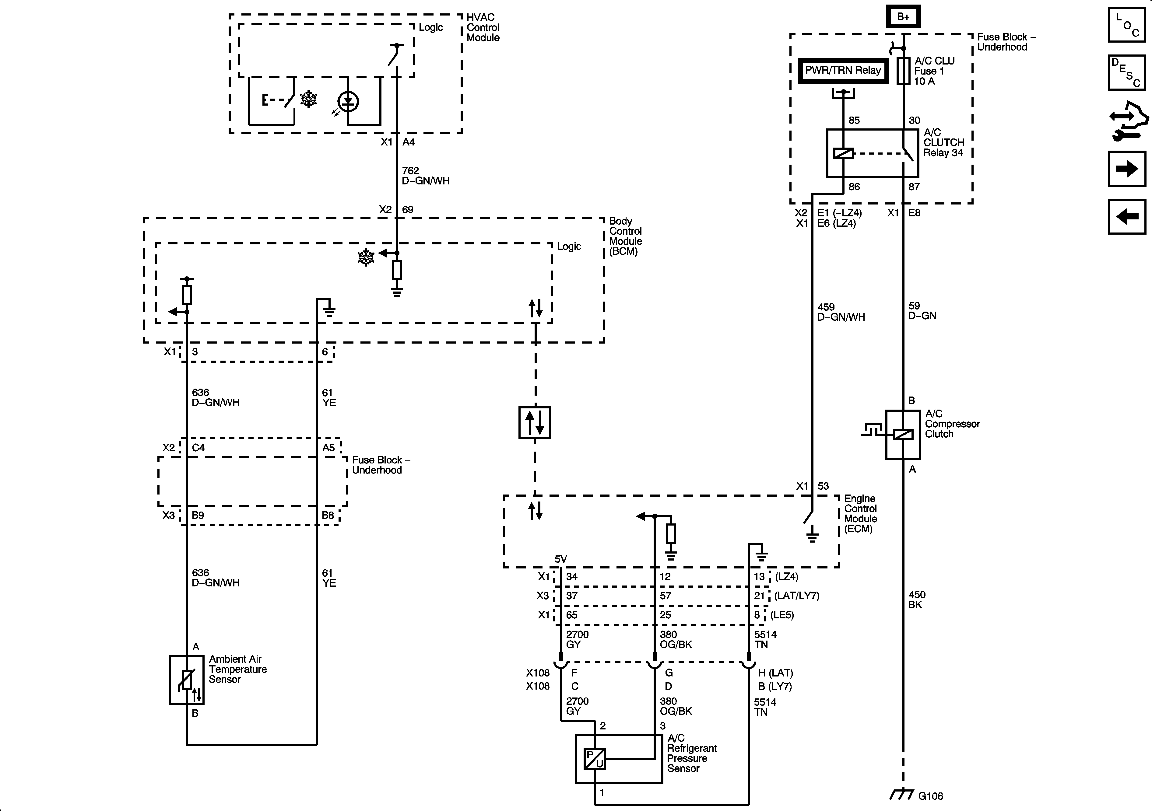
Compressor Controls
Figure 2:

Compressor Controls


Object Number: 1899545  Size: FS
Master Electrical Component List
Air Temperature Description and Operation
Control Module References
Air Temperature and Mode Controls
Power, Ground and Blower Motor Controls
Figure 3:

Air Temperature and Mode Controls


Object Number: 1899548  Size: FS
Master Electrical Component List
Air Temperature Description and Operation
Control Module References
Compressor Controls