GM Service Manual Online
For 1990-2009 cars only
Makes
🢒
Saturn
🢒
2008
🢒
AURA
🢒
Diagnostic Navigation
🢒
Vehicle Diagnostic Information
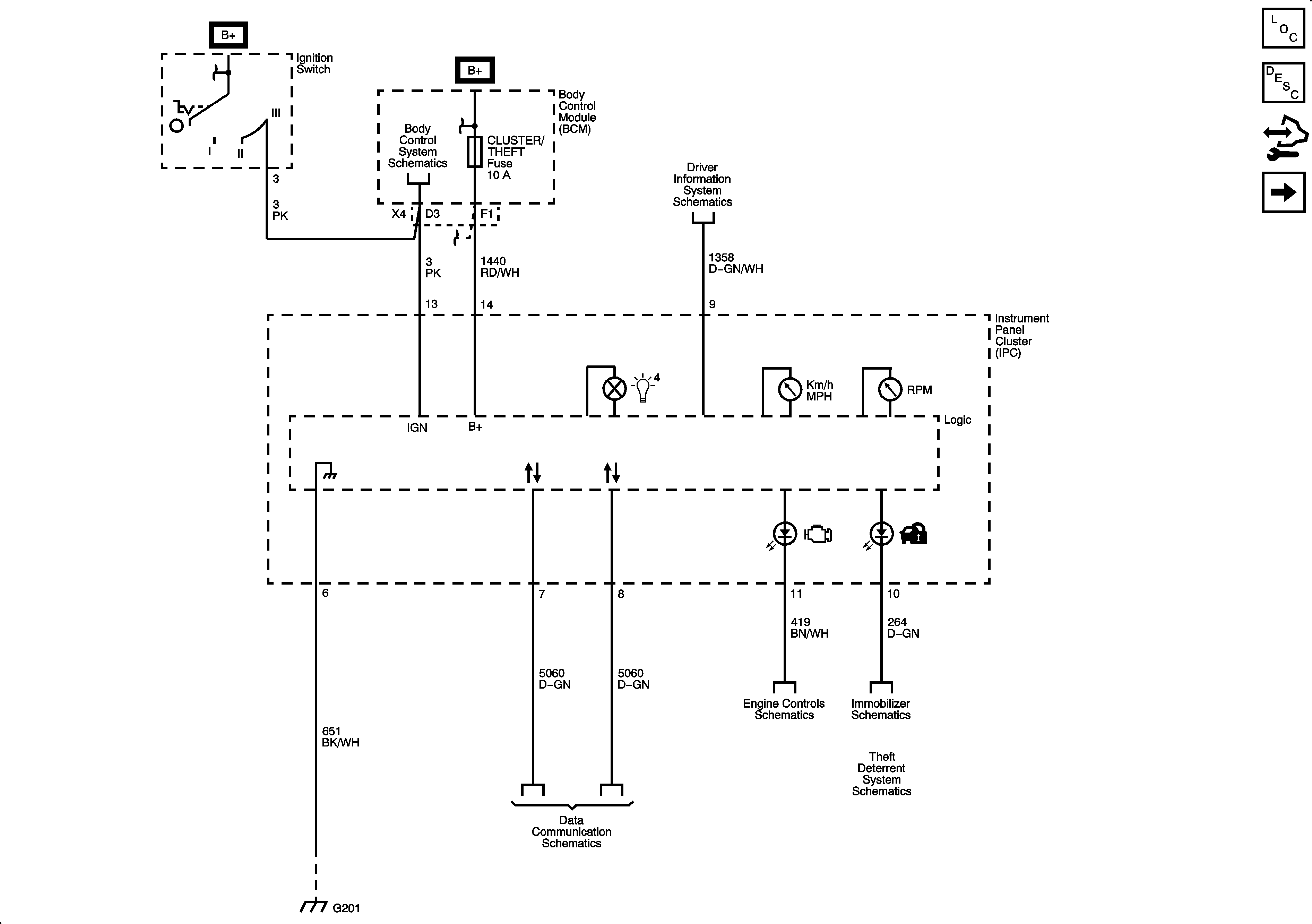
🢒 Instrument Cluster Schematics
Figure
1:
Power, Ground, Illumination, and Serial Data
Master Electrical Component List
Instrument Cluster Description and Operation
Control Module References
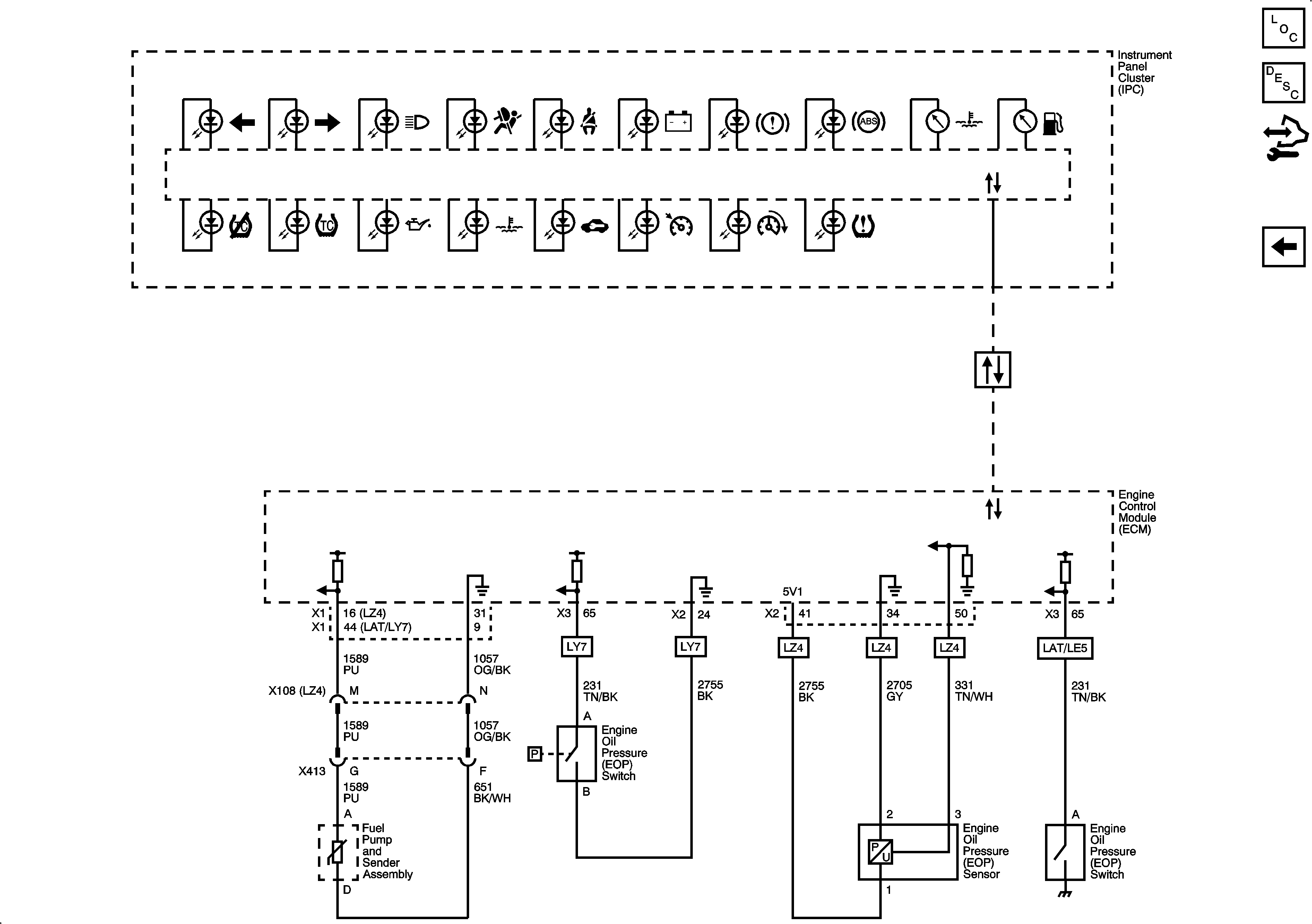
Indicators
Figure
2:
Indicators
Master Electrical Component List
Indicator/Warning Message Description and Operation
Control Module References
Power, Ground, Illumination, and Serial Data