GM Service Manual Online
For 1990-2009 cars only
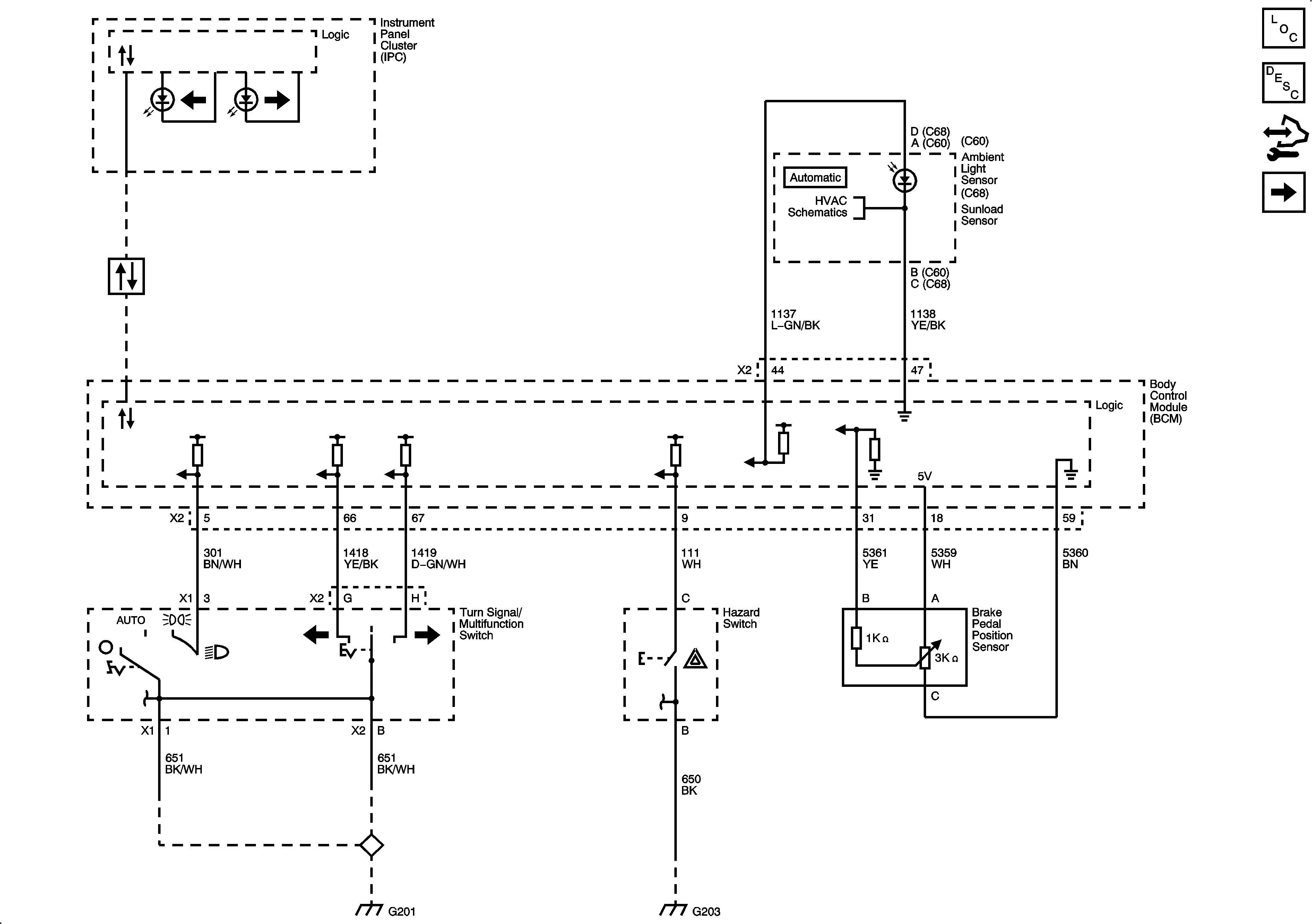
Figure 1:

Ambient Light Sensor, Brake Pedal Position Sensor, Hazard Switch and Turn Signal/Multifunction Switch


Object Number: 1898650  Size: FS
Master Electrical Component List
Exterior Lighting Systems Description and Operation
Control Module References
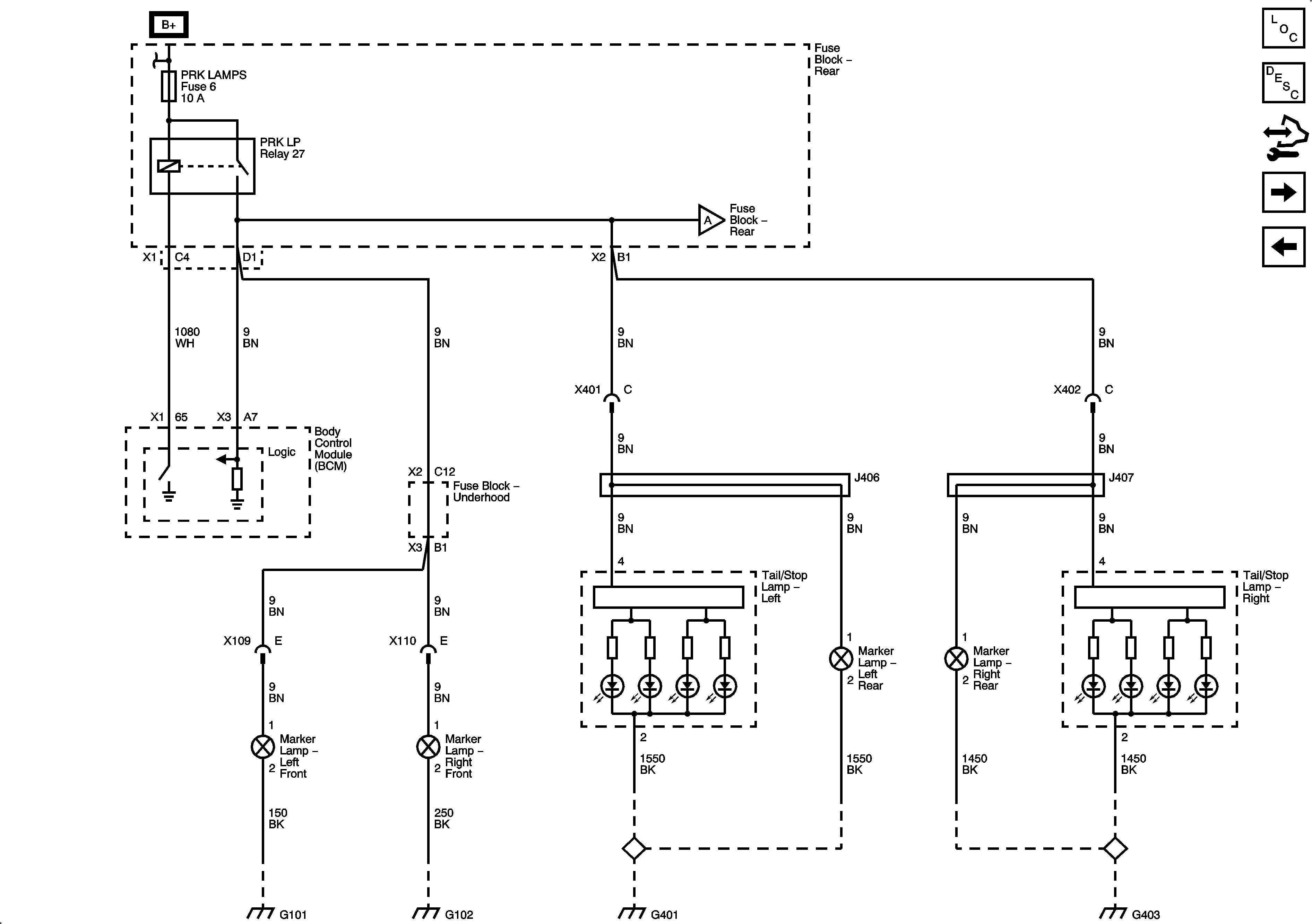
Stop Lamps
Figure 2:

Stop Lamps


Object Number: 1898673  Size: FS
Master Electrical Component List
Exterior Lighting Systems Description and Operation
Control Module References
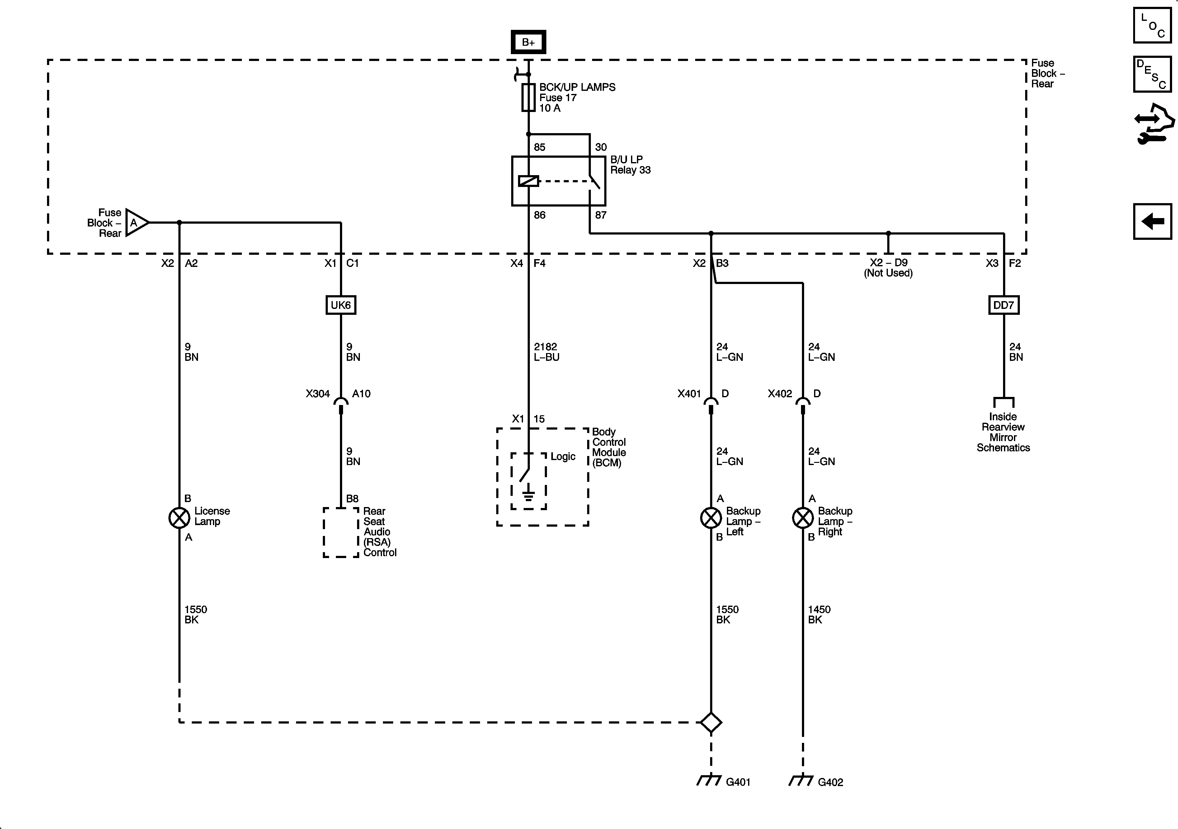
Turn Signal Lamps
Ambient Light Sensor, Brake Pedal Position Sensor, Hazard Switch and Turn Signal/Multifunction Switch
Figure 3:

Turn Signal Lamps


Object Number: 1898703  Size: FS
Master Electrical Component List
Exterior Lighting Systems Description and Operation
Control Module References
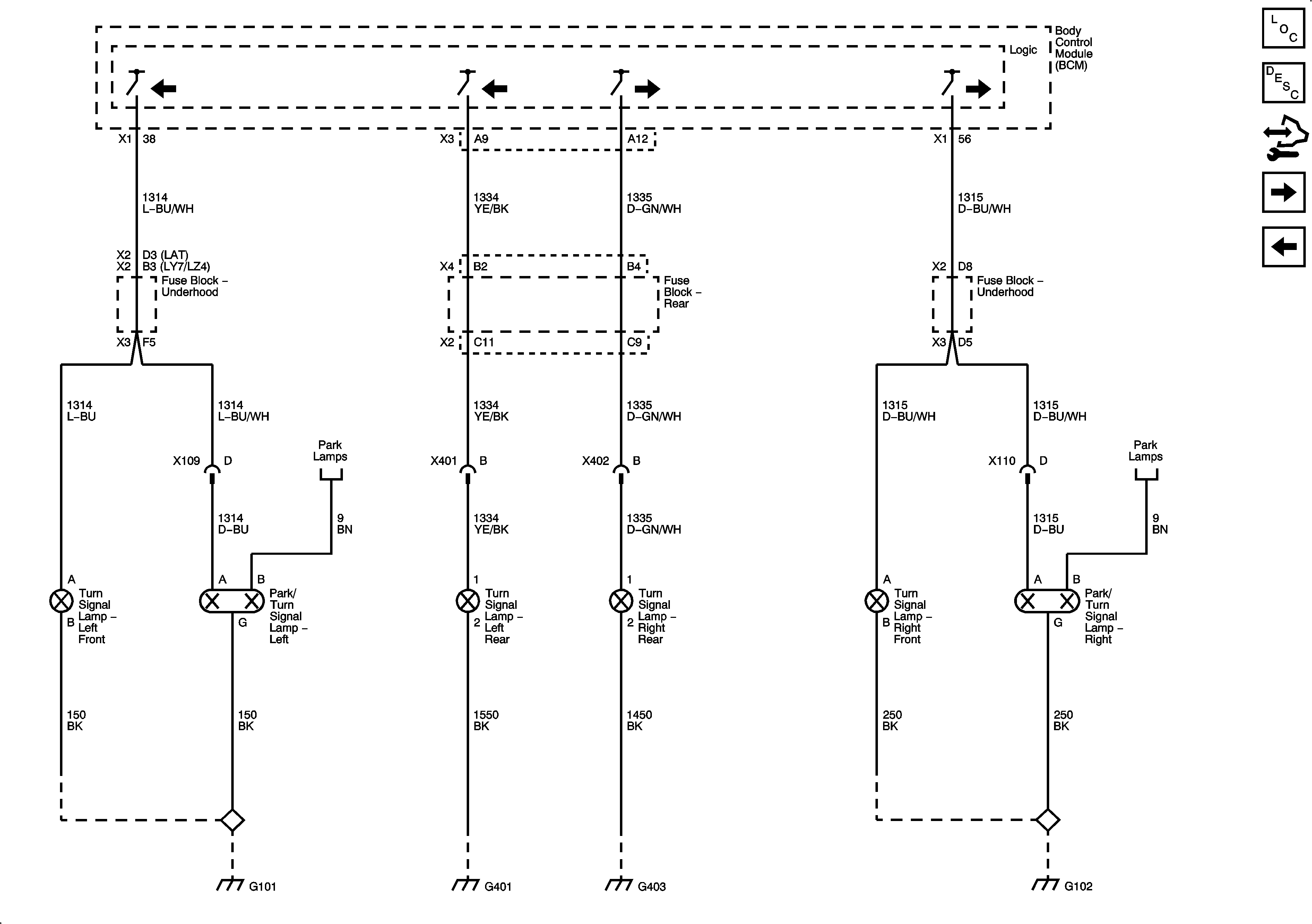
Marker Lamps and Tail Lamps
Stop Lamps
Figure 4:

Marker Lamps and Tail Lamps


Object Number: 1898676  Size: FS
Master Electrical Component List
Exterior Lighting Systems Description and Operation
Control Module References
Backup Lamps and License Lamps
Turn Signal Lamps
Figure 5:

Backup Lamps and License Lamps


Object Number: 1898695  Size: FS
Master Electrical Component List
Exterior Lighting Systems Description and Operation
Control Module References
Marker Lamps and Tail Lamps