GM Service Manual Online
For 1990-2009 cars only
Makes
🢒
Saturn
🢒
2008
🢒
AURA
🢒
Body Systems
🢒
Wipers and Washers
🢒 Wiper/Washer Schematics
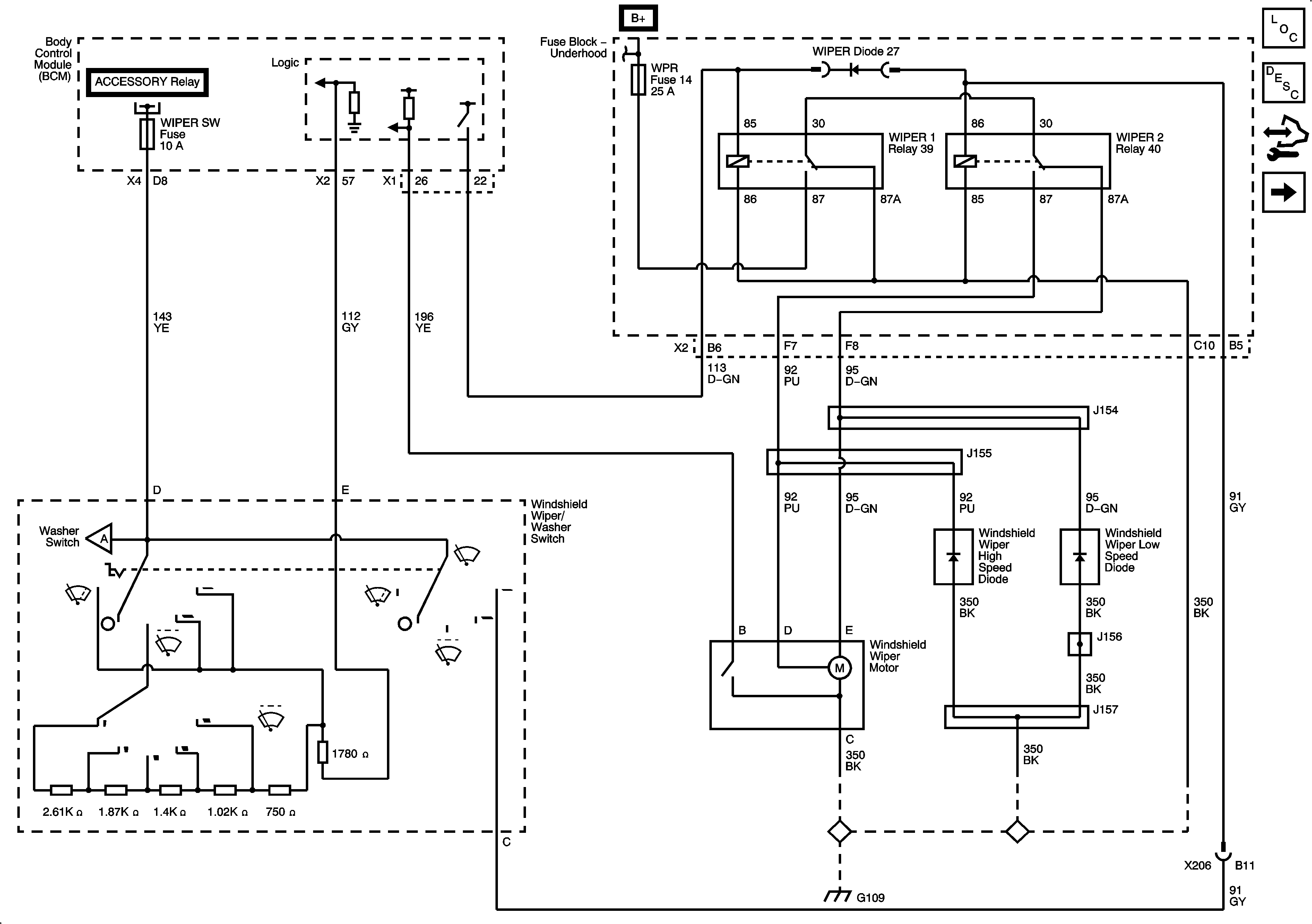
Figure
1:
Wiper System
Master Electrical Component List
Wiper/Washer System Description and Operation
Control Module References
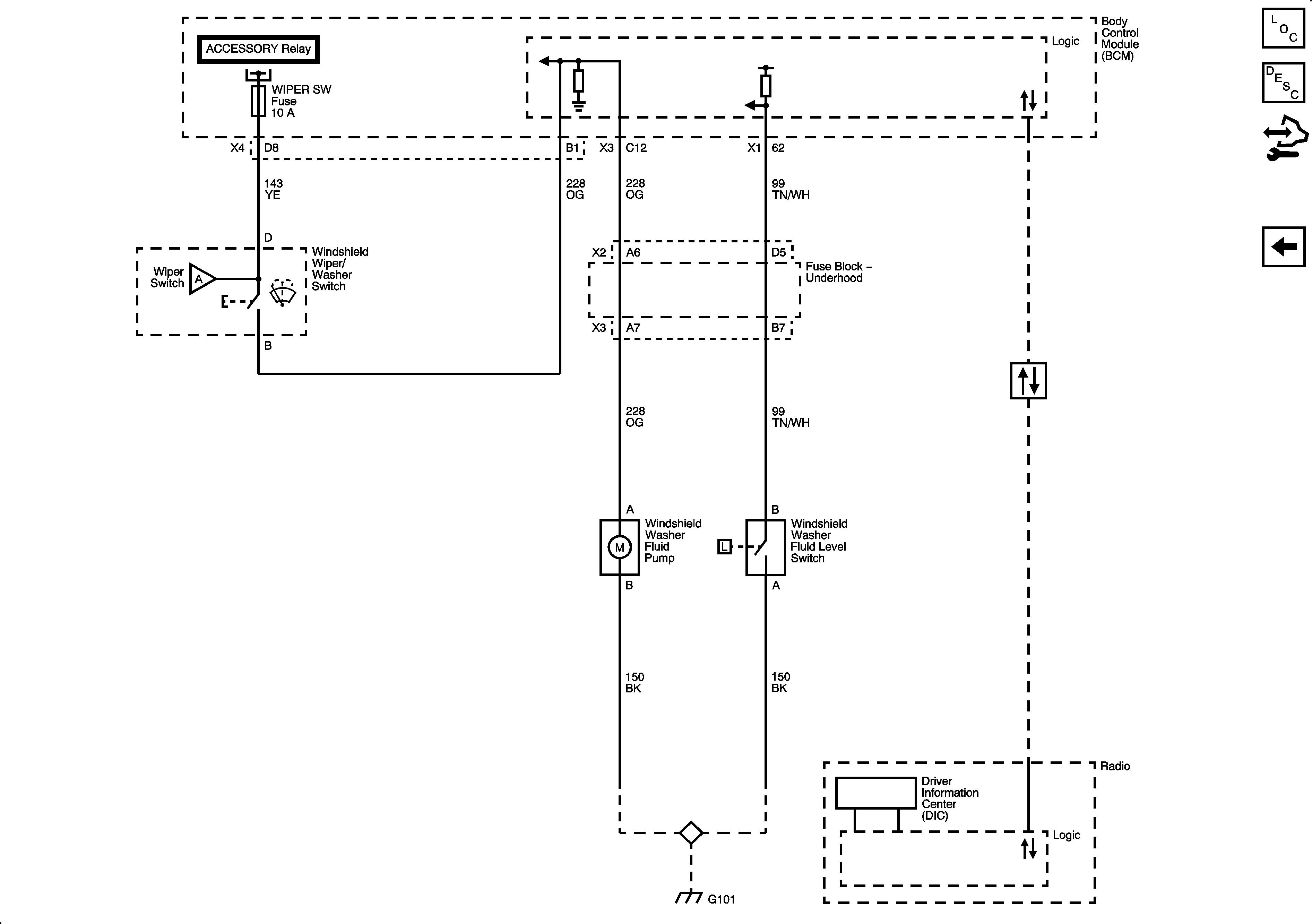
Washer System
Figure
2:
Washer System
Master Electrical Component List
Wiper/Washer System Description and Operation
Control Module References
Wiper System