GM Service Manual Online
For 1990-2009 cars only

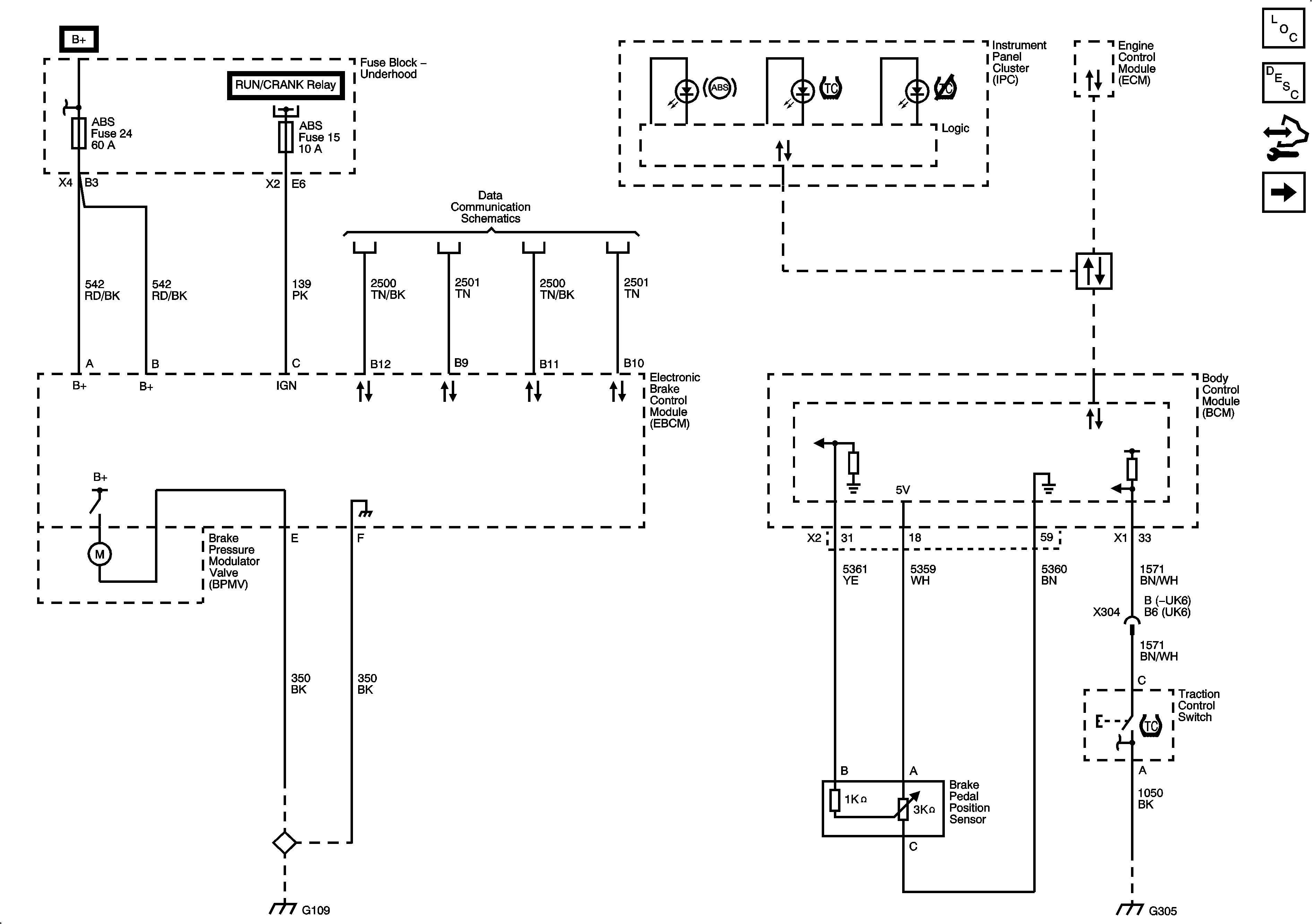
Antilock Brake System Schematics HP7

Figure 1:

Power, Ground, DLC, Traction Control Switch, Brake Pedal Position Sensor, and Indicators


Object Number: 1899576  Size: FS
Master Electrical Component List
ABS Description and Operation without LAT
Control Module References
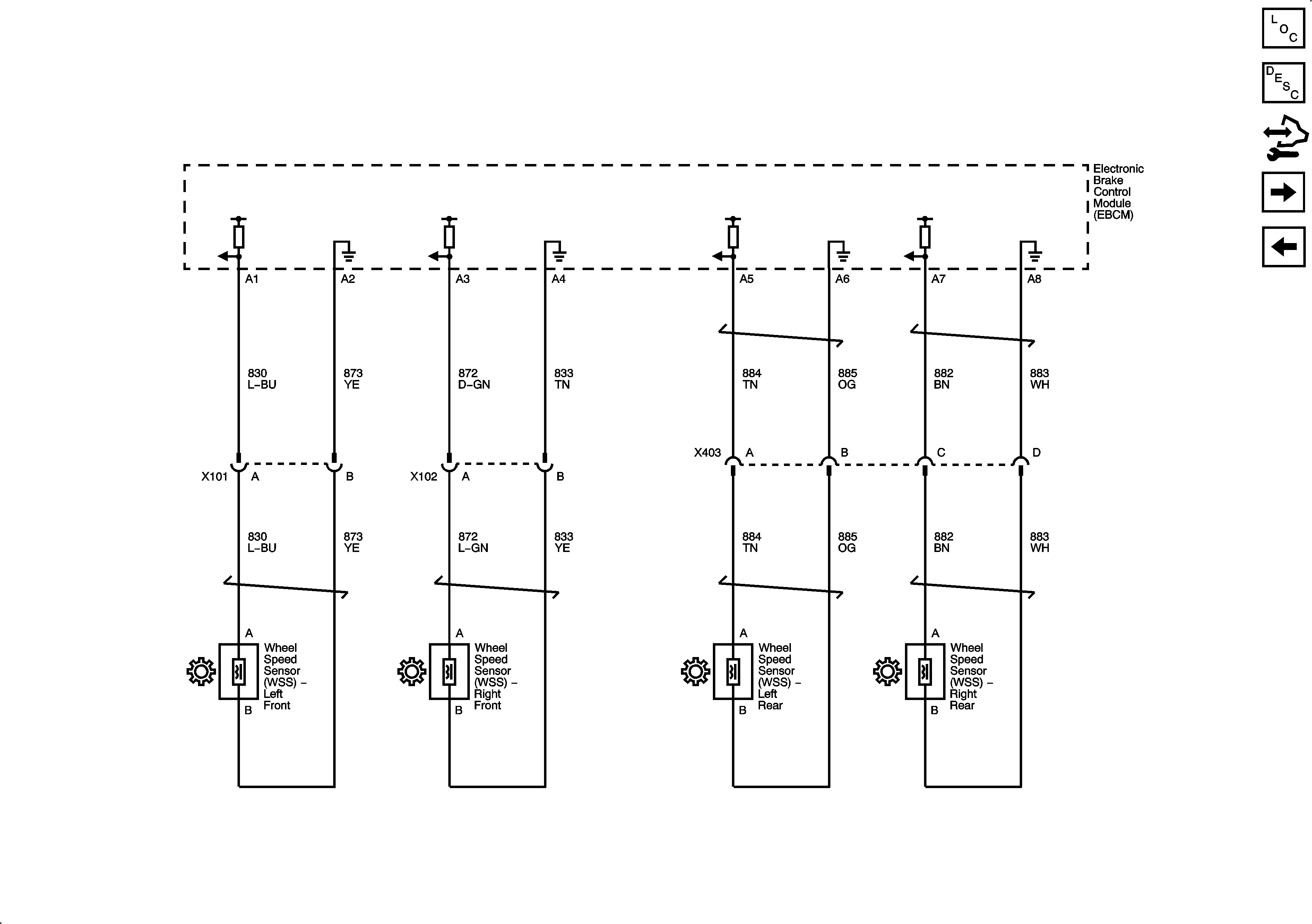
Wheel Speed Sensors
Figure 2:

Wheel Speed Sensors


Object Number: 1899584  Size: FS
Master Electrical Component List
ABS Description and Operation without LAT
Control Module References
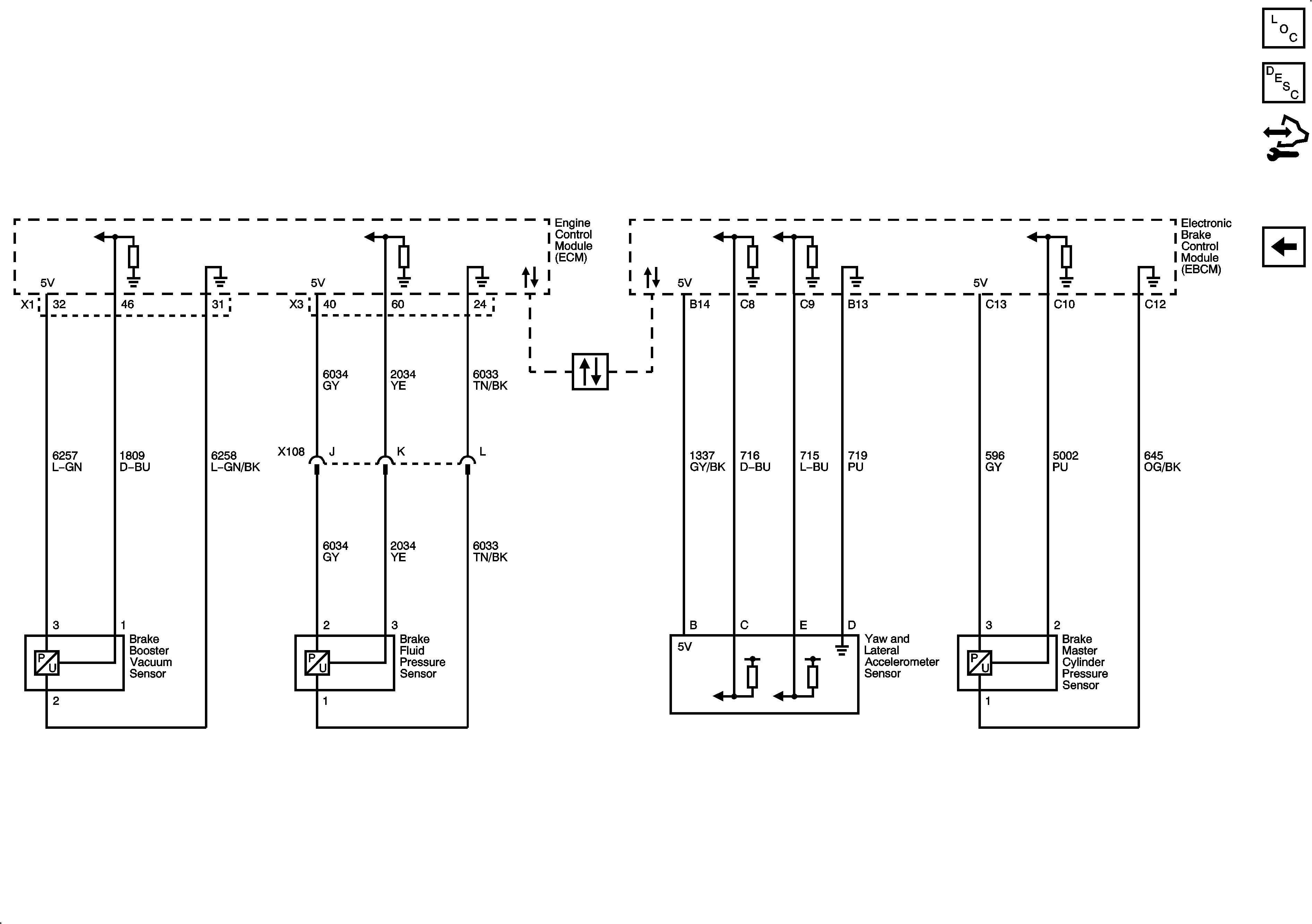
Steering Wheel Position Sensor, Yaw and Lateral Accelerometer Sensor, and Brake Fluid Pressure Sensor
Power, Ground, Traction Control Switch, Brake Pedal Position Sensor, and Indicators
Figure 3:

Steering Wheel Position Sensor, Yaw Rate and Lateral Acceleration Sensor, and Brake Fluid Pressure Sensor


Object Number: 1899590  Size: FS
Master Electrical Component List
ABS Description and Operation without LAT
Control Module References
Brake Booster Vacuum Sensor, Brake Fluid Pressure Sensor and Yaw Rate and Lateral Acceleration Sensor - LAT
Wheel Speed Sensors

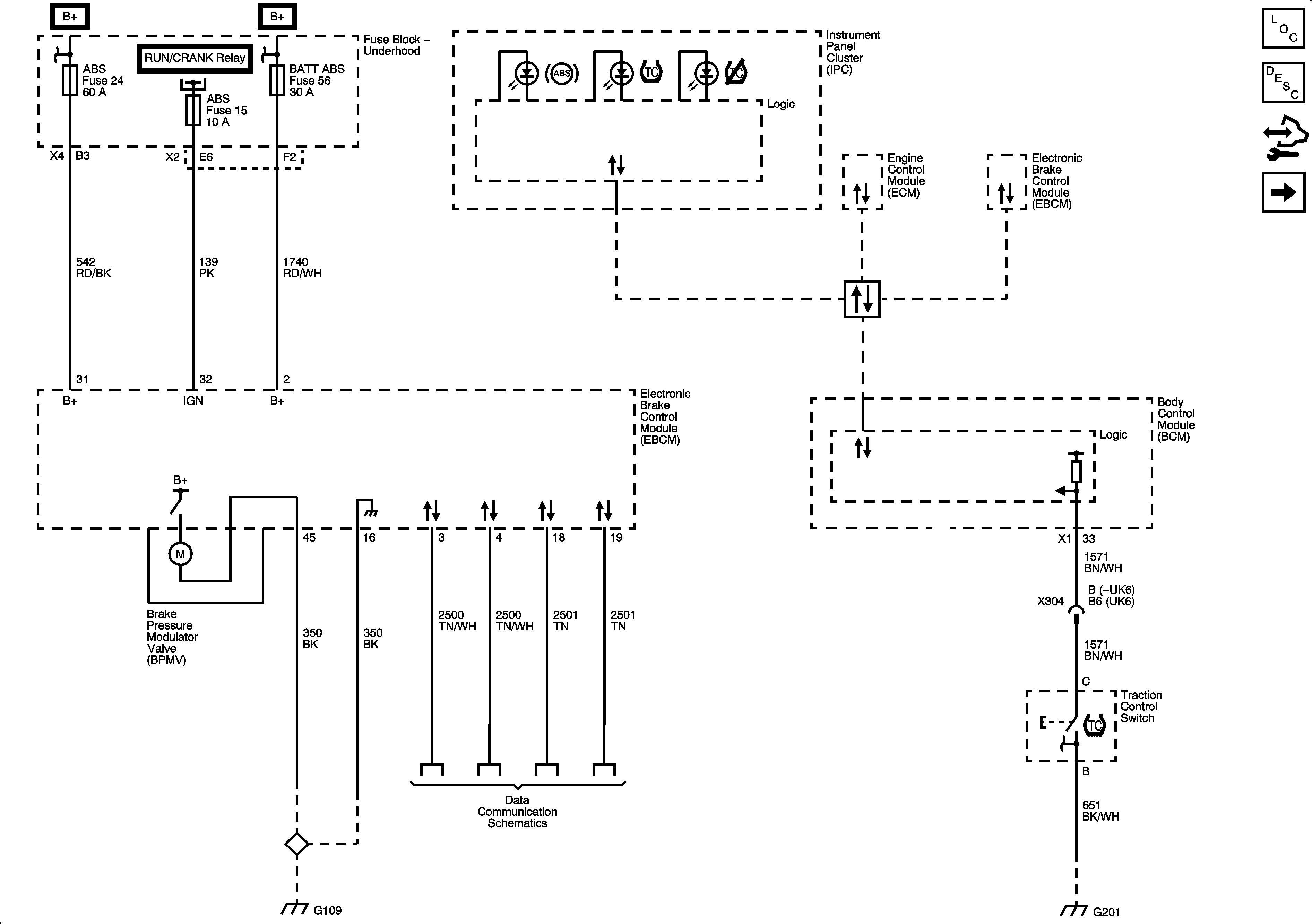
Antilock Brake System Schematics except HP7

Figure 1:

Power, Ground, Traction Control, and Indicators


Object Number: 2042788  Size: FS
Master Electrical Component List
ABS Description and Operation (without LAT)
Sensors
Figure 2:

Sensors


Object Number: 2042797  Size: FS
Master Electrical Component List
ABS Description and Operation (without LAT)
Power, Ground, Traction Control, and Indicators