GM Service Manual Online
For 1990-2009 cars only
Figure 1:

G101 and G102


Object Number: 1898212  Size: FS
Master Electrical Component List
Control Module References
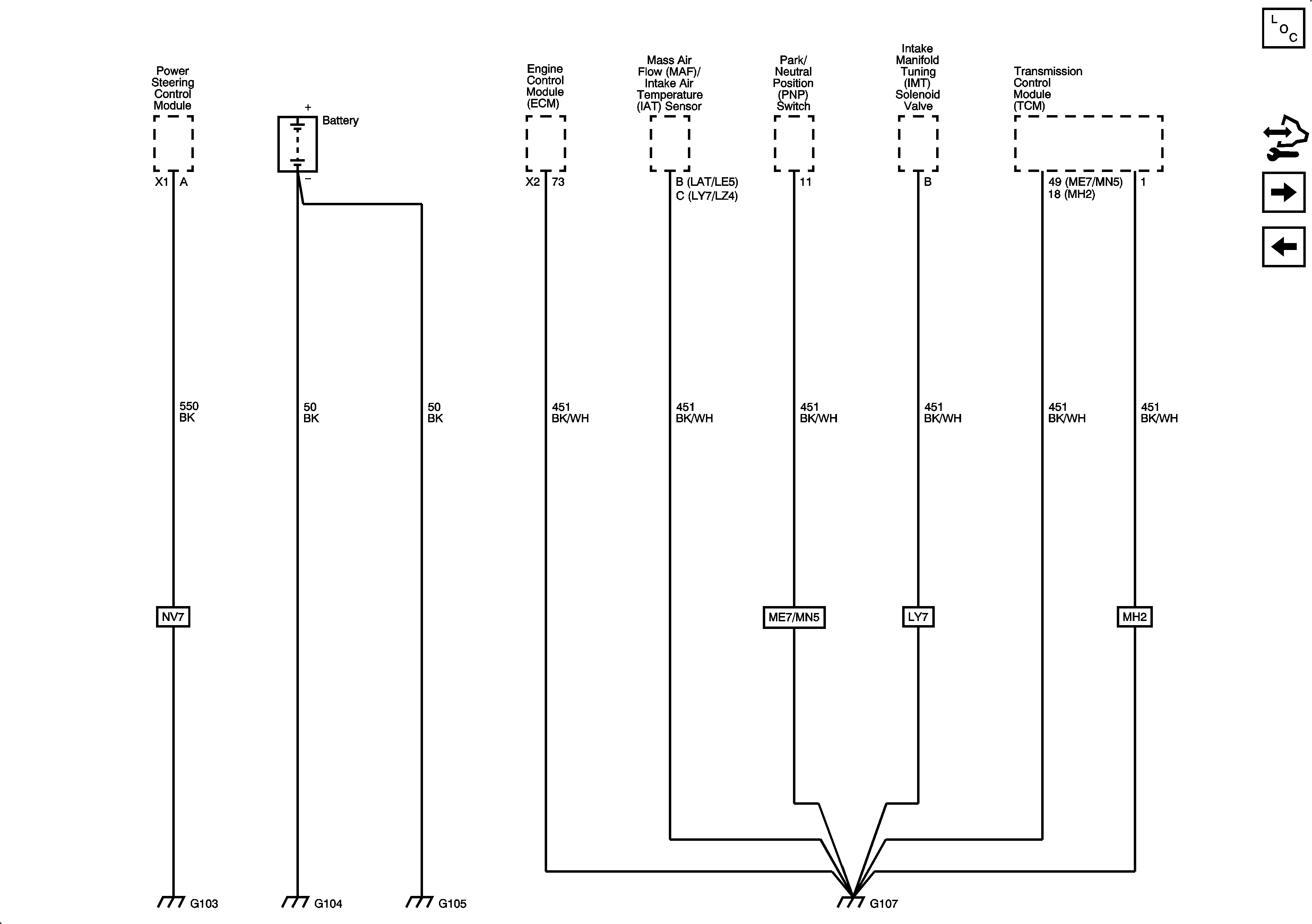
G103, G104, and G105
Figure 2:

G103, G104, G105, and G107


Object Number: 1898213  Size: FS
Master Electrical Component List
Control Module References
G106
G101 and G102
Figure 3:

G106


Object Number: 1898214  Size: FS
Master Electrical Component List
Control Module References
G109
G103, G104, and G105
Figure 4:

G109


Object Number: 1898217  Size: FS
Master Electrical Component List
Control Module References
G110, G111, and G113
G106
Figure 5:

G110, G111, and G113


Object Number: 1898232  Size: FS
Master Electrical Component List
Control Module References
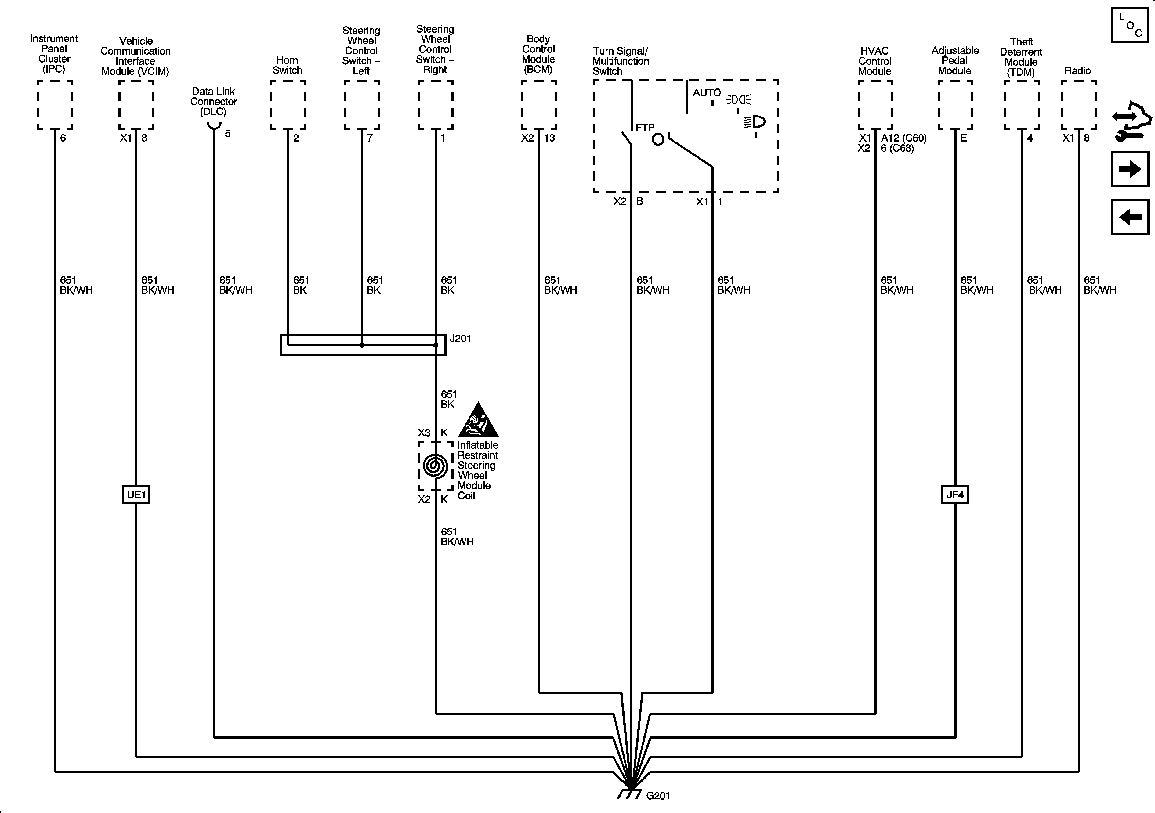
G201
G109
Figure 6:

G201


Object Number: 1898219  Size: FS
Master Electrical Component List
Control Module References
G103, G104, G105, and G107
G110, G111, and G113
Figure 7:

G203


Object Number: 1898221  Size: FS
Master Electrical Component List
Control Module References
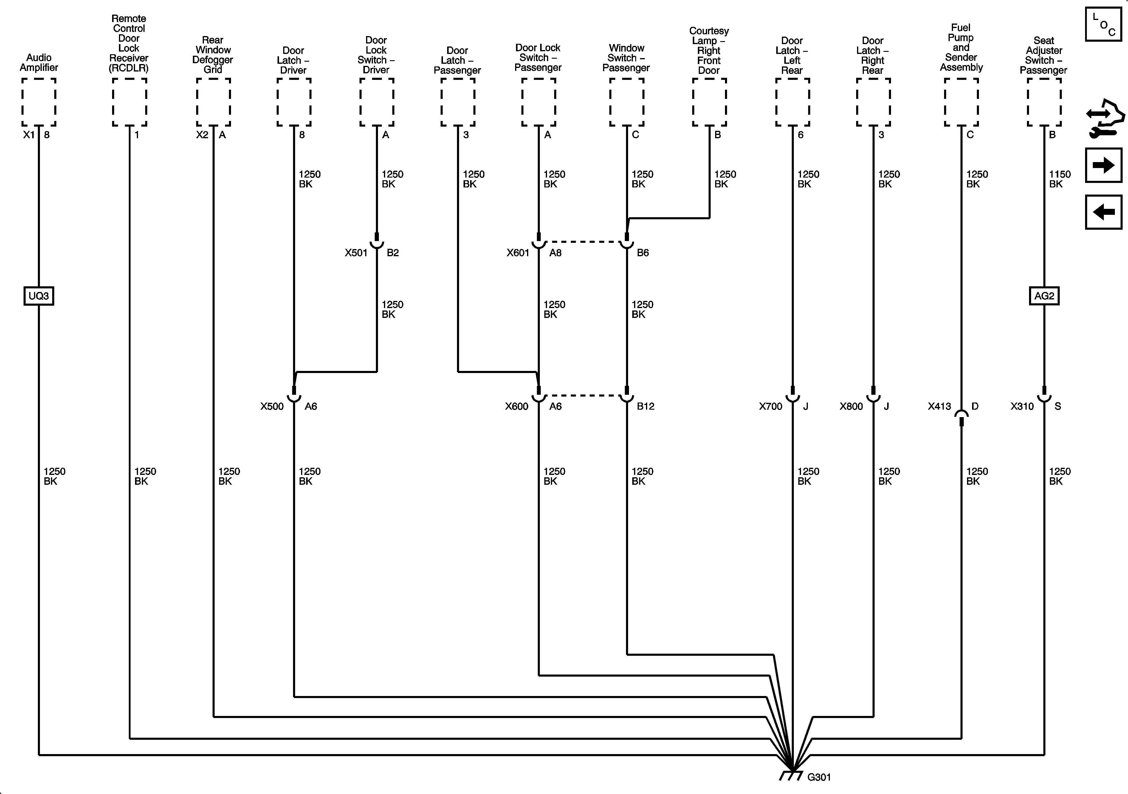
G301
G201
Figure 8:

G301


Object Number: 1898223  Size: FS
Master Electrical Component List
Control Module References
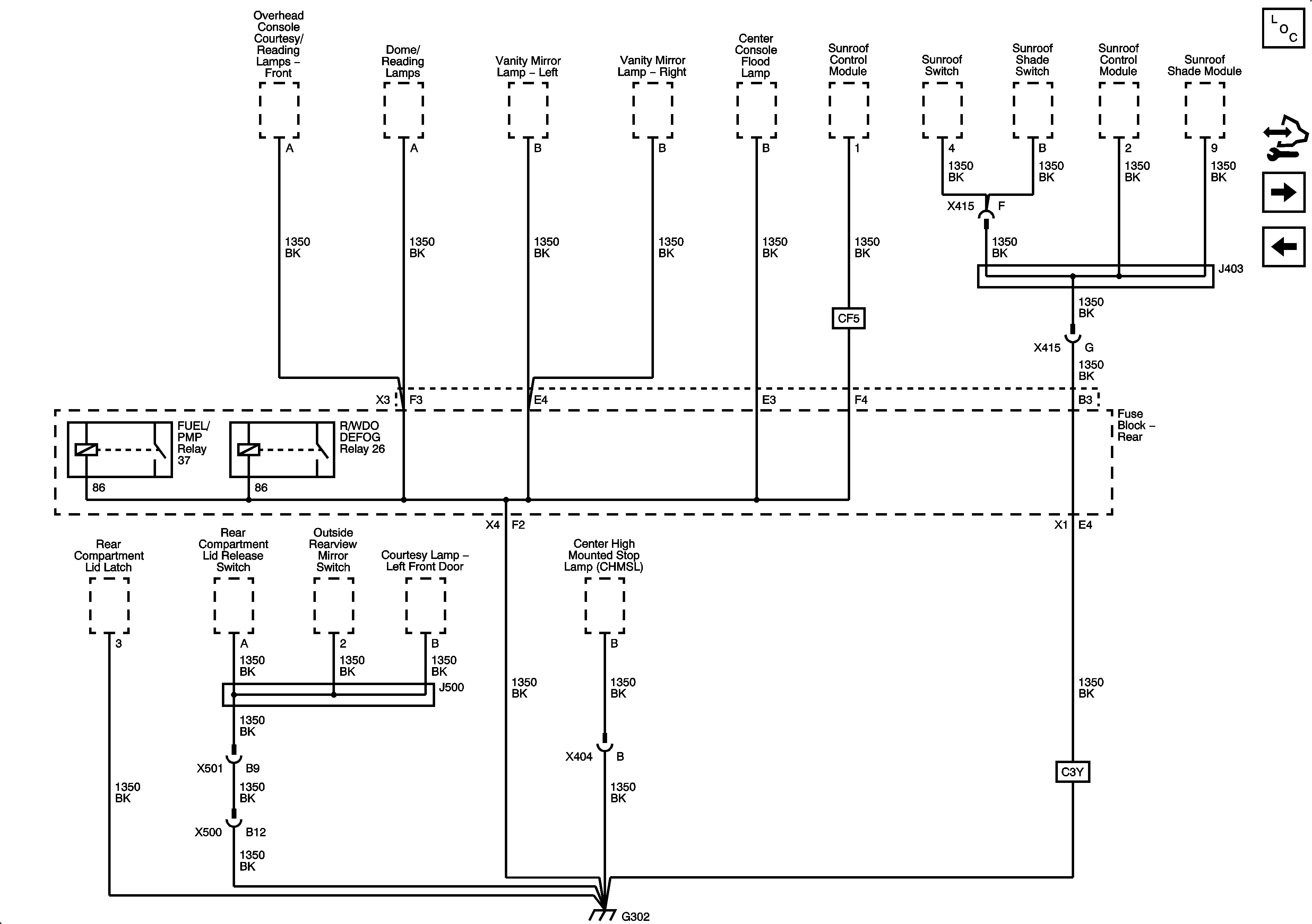
G302
G103, G104, G105, and G107
Figure 9:

G302


Object Number: 1898225  Size: FS
Master Electrical Component List
Control Module References
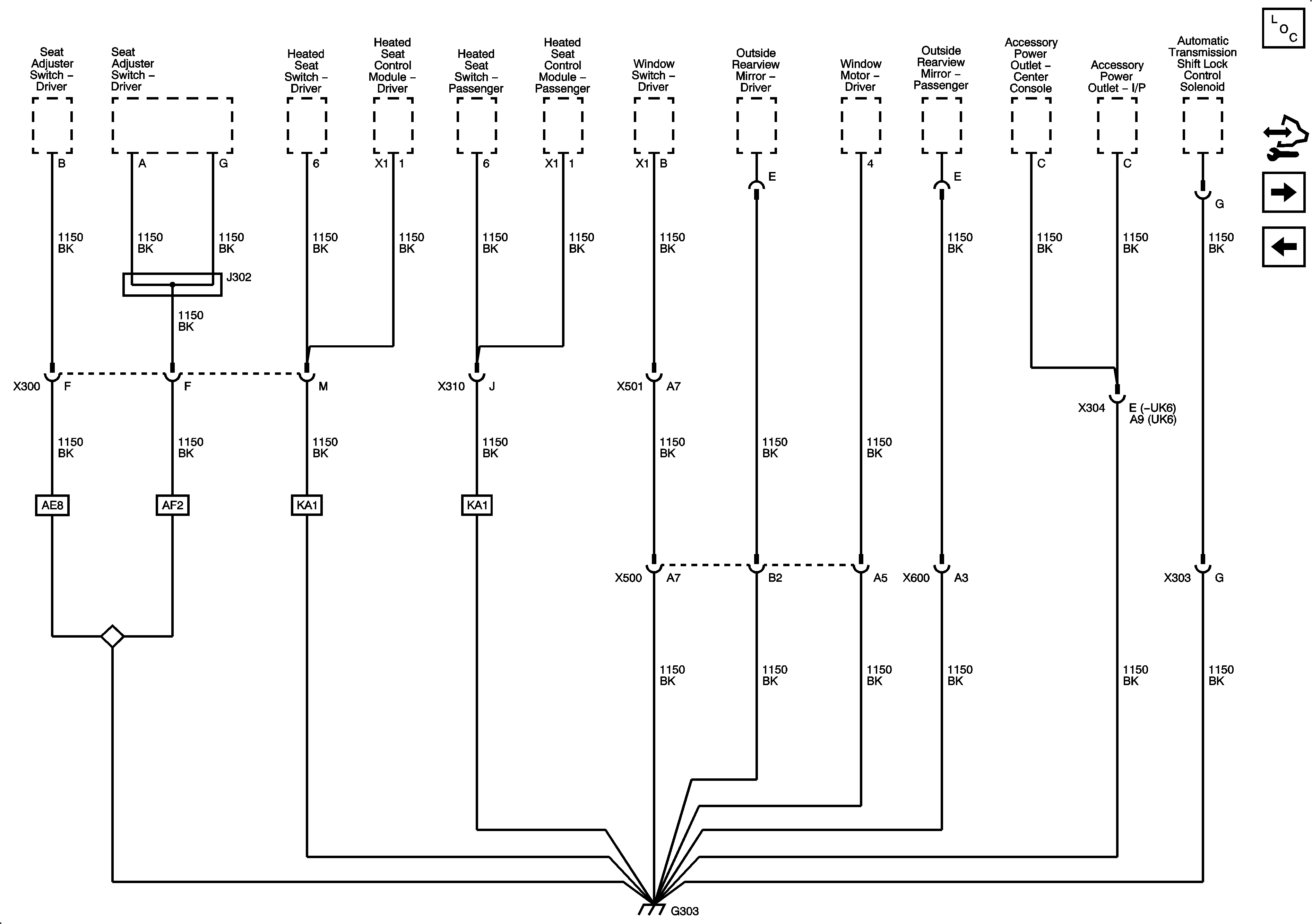
G303
G301
Figure 10:

G303


Object Number: 1898226  Size: FS
Master Electrical Component List
Control Module References
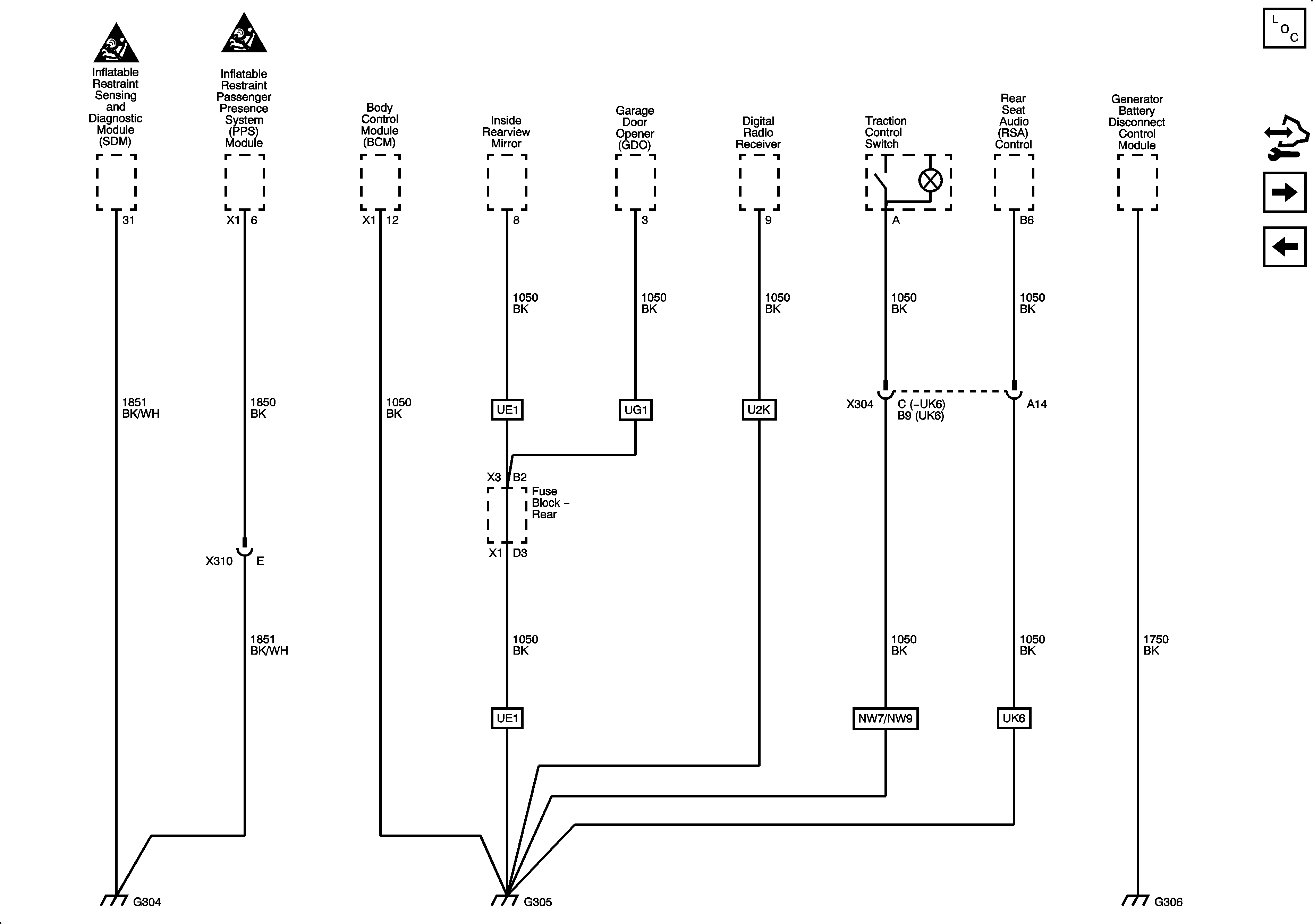
G304, G305, and G306
G302
Figure 11:

G304, G305, and G306


Object Number: 1898227  Size: FS
Master Electrical Component List
Control Module References
G401 and G403
G303
Figure 12:

G401 and G403


Object Number: 1898231  Size: FS
Master Electrical Component List
Control Module References
G304, G305, and G306