GM Service Manual Online
For 1990-2009 cars only
Makes
🢒
Saturn
🢒
2008
🢒
AURA
🢒
Seats
🢒
Power Seats
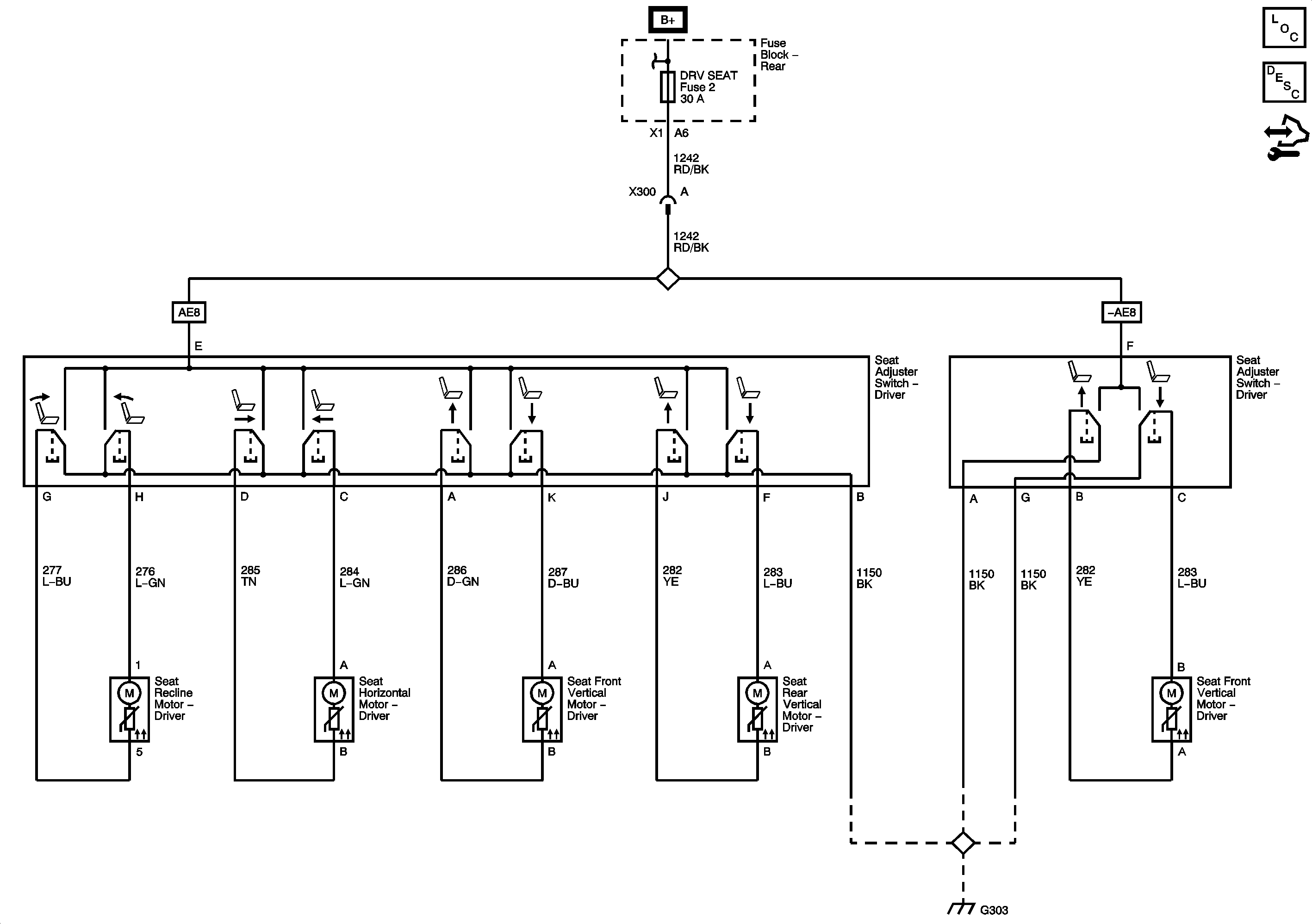
🢒 Driver Seat Schematics
Master Electrical Component List
Power Seats System Description and Operation
Control Module References