GM Service Manual Online
For 1990-2009 cars only
Figure 1:

Power, Ground and Sensors


Object Number: 1898247  Size: FS
Master Electrical Component List
SIR System Description and Operation
Control Module References
AY0
Figure 2:

AY0


Object Number: 1898253  Size: FS
Master Electrical Component List
SIR System Description and Operation
Control Module References
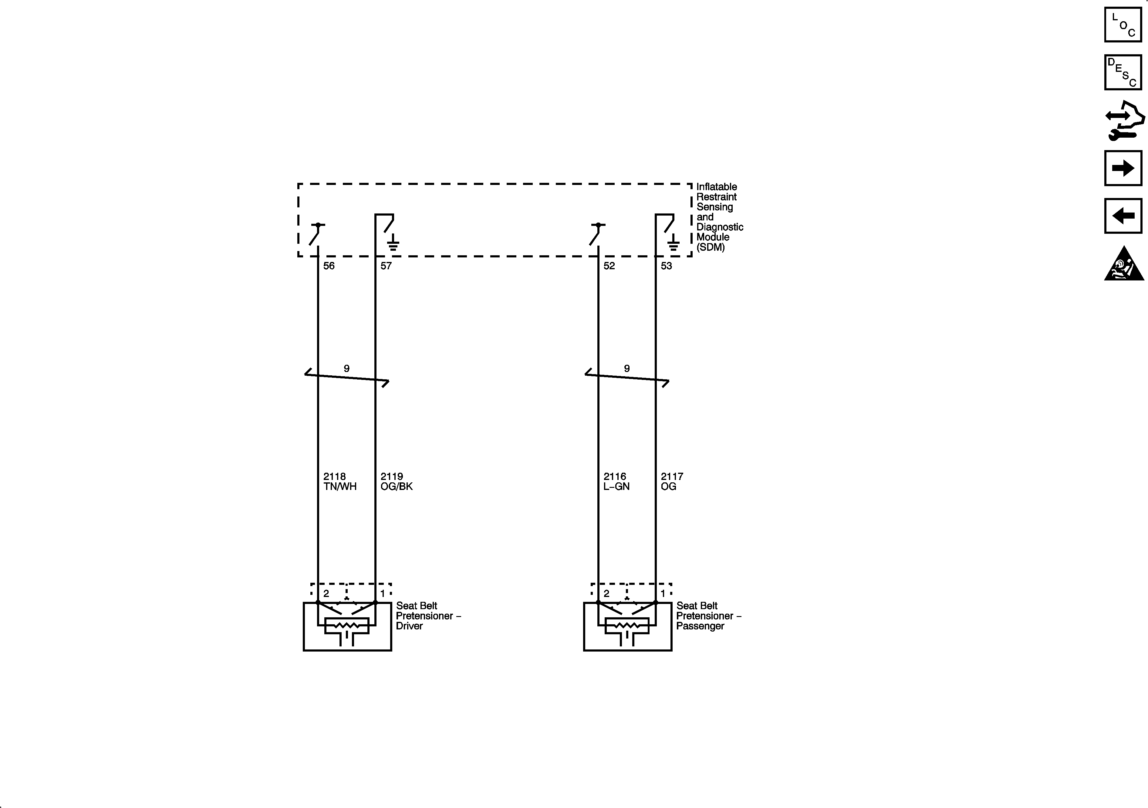
Seat Belt Pretensioners
Power, Ground and Sensors
Figure 3:

Seat Belt Pretensioners


Object Number: 1898264  Size: FS
Master Electrical Component List
SIR System Description and Operation
Control Module References
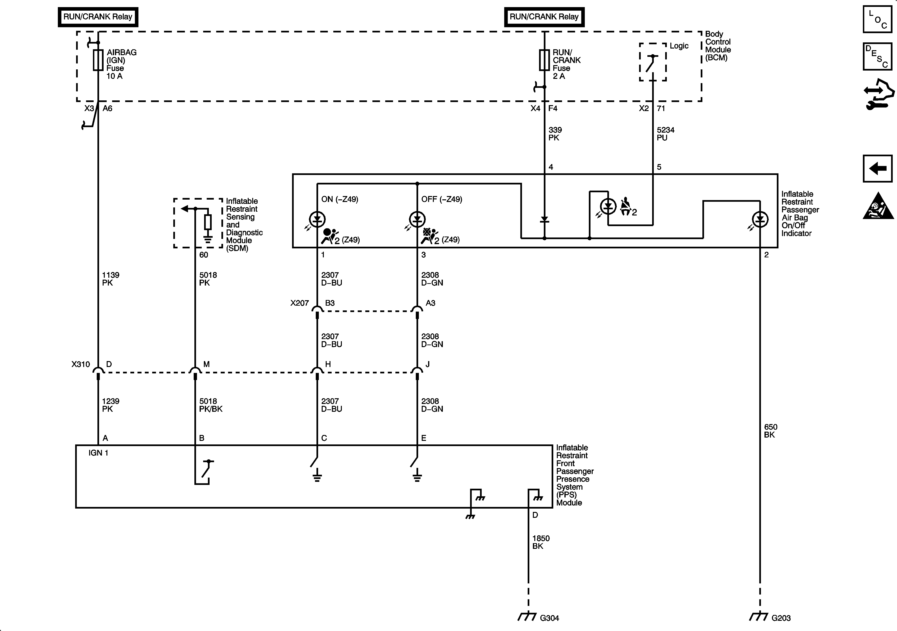
Passenger Presence System
AY0
Figure 4:

Passenger Presence System


Object Number: 1898266  Size: FS
Master Electrical Component List
SIR System Description and Operation
Control Module References
Seat Belt Pretensioners