GM Service Manual Online
For 1990-2009 cars only
Makes
🢒
Saturn
🢒
2008
🢒
AURA
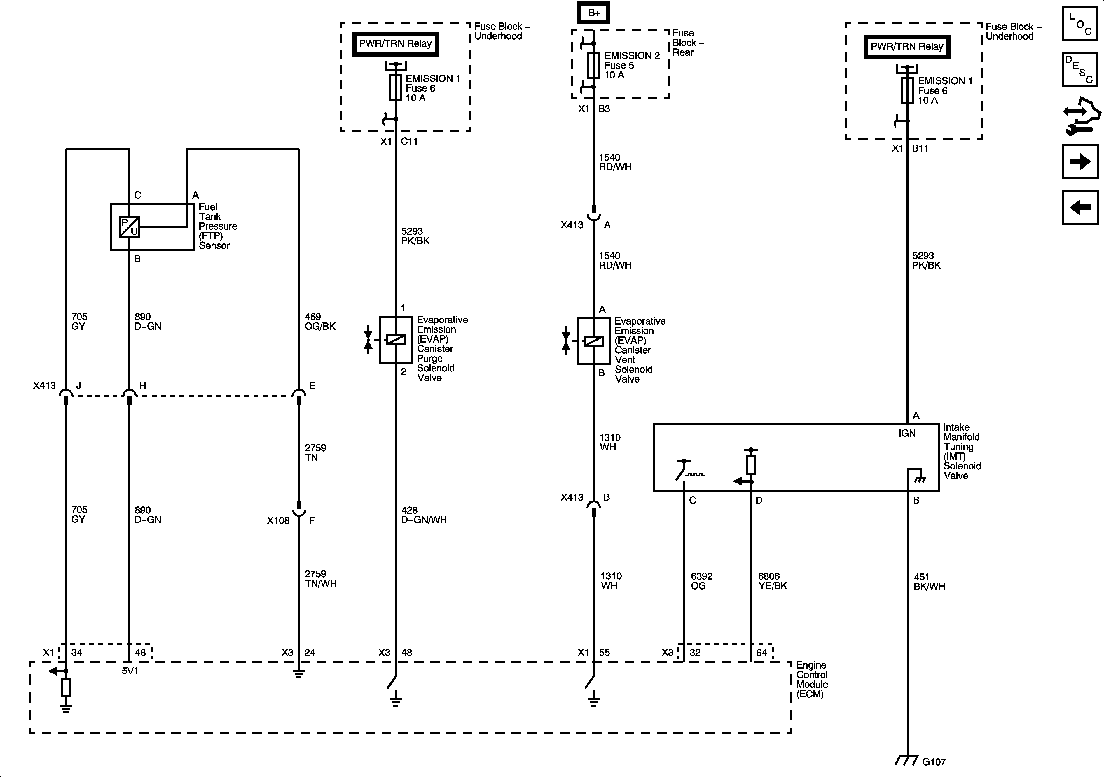
🢒 Fuel Controls - EVAP Controls and Manifold Tuning
Fuel Controls - EVAP Controls and Manifold Tuning
Fuel Controls - EVAP Controls and Manifold Tuning
Master Electrical Component List
Engine Control Module Description
Control Module References
Controlled/Monitored Subsystem References
Fuel Controls - EVAP Controls and Manifold Tuning