GM Service Manual Online
For 1990-2009 cars only
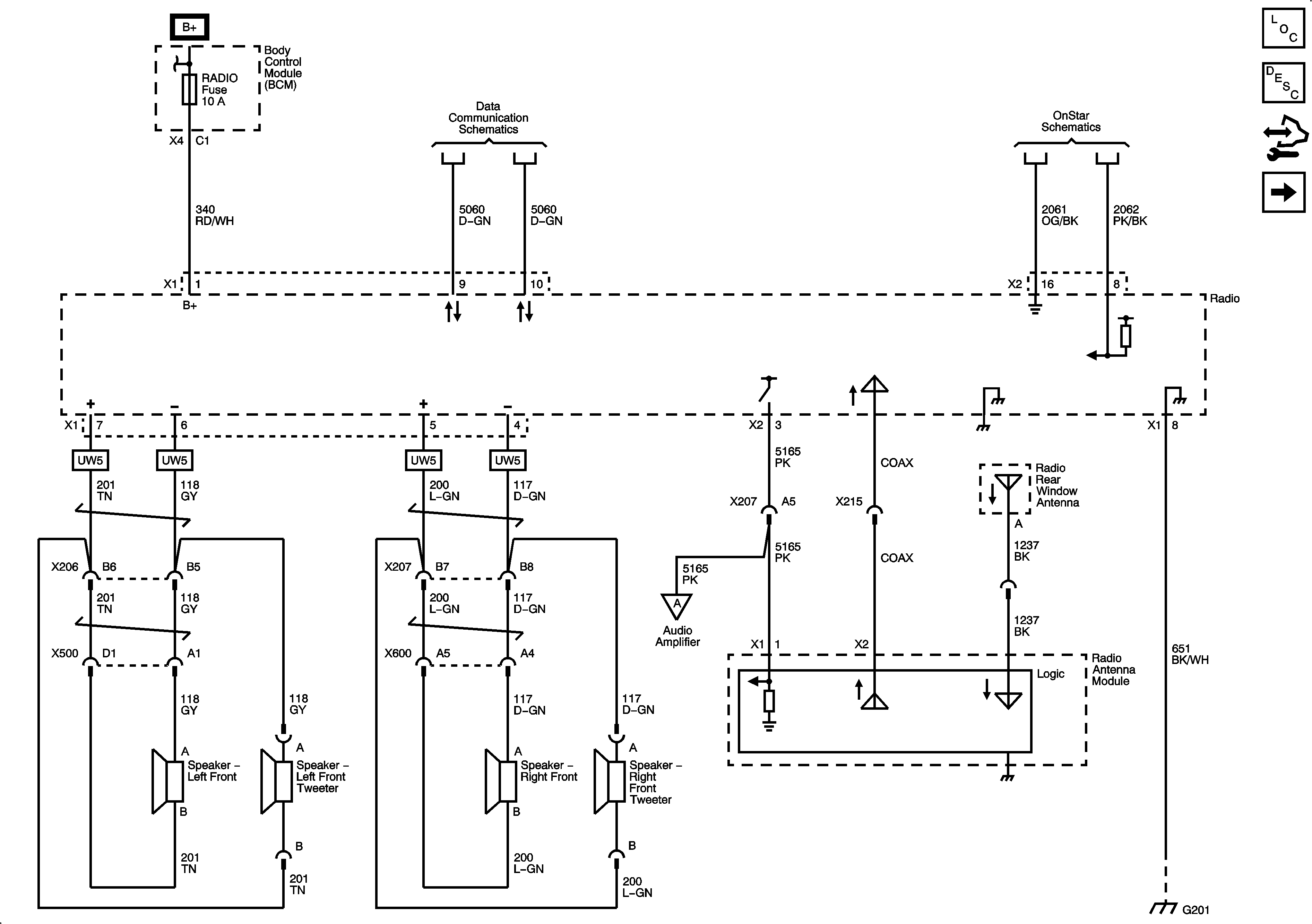
Figure 1:

Power, Ground, Front Speakers, Antenna and References


Object Number: 2083918  Size: FS
Figure 2:

Rear Speakers (UW5)


Object Number: 2083919  Size: FS
Figure 3:

Amplifier (UQ3)


Object Number: 2083921  Size: FS
Figure 4:

Front Speakers (UQ3)


Object Number: 2083922  Size: FS
Figure 5:

Rear Speakers (UQ3)


Object Number: 2083924  Size: FS
Figure 6:

Rear Seat Audio (RSA) Controller


Object Number: 2083925  Size: FS
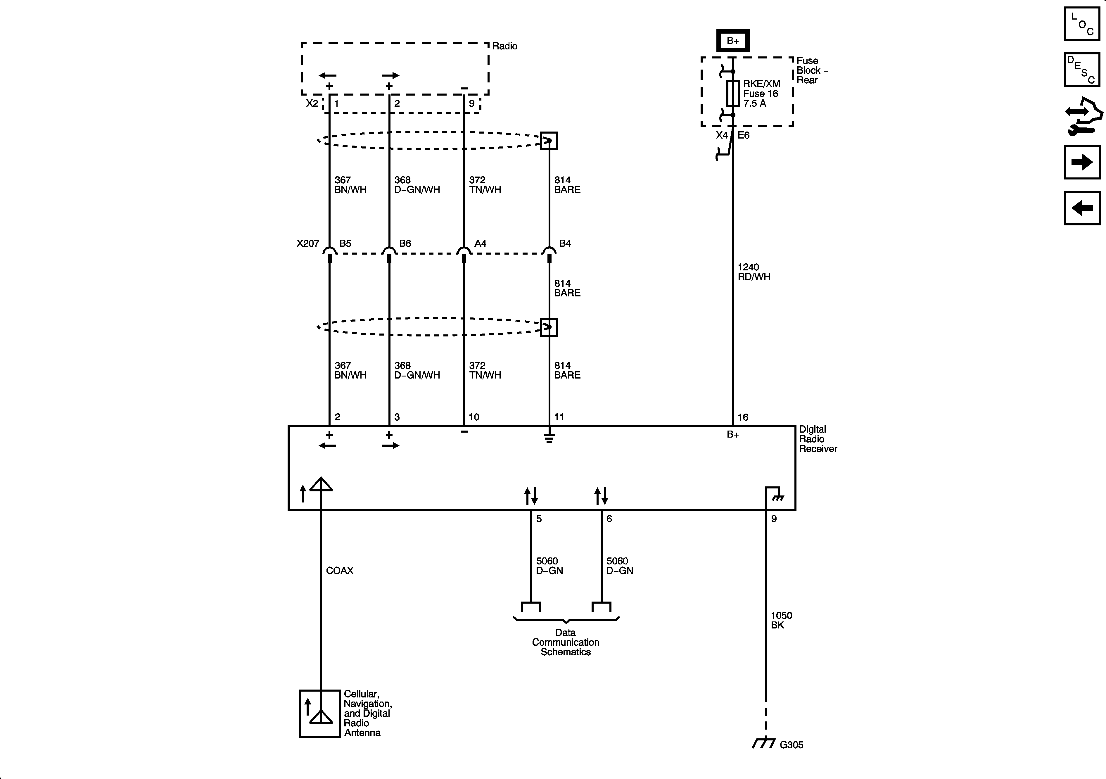
Figure 7:

Digital Radio Receiver


Object Number: 2083928  Size: FS
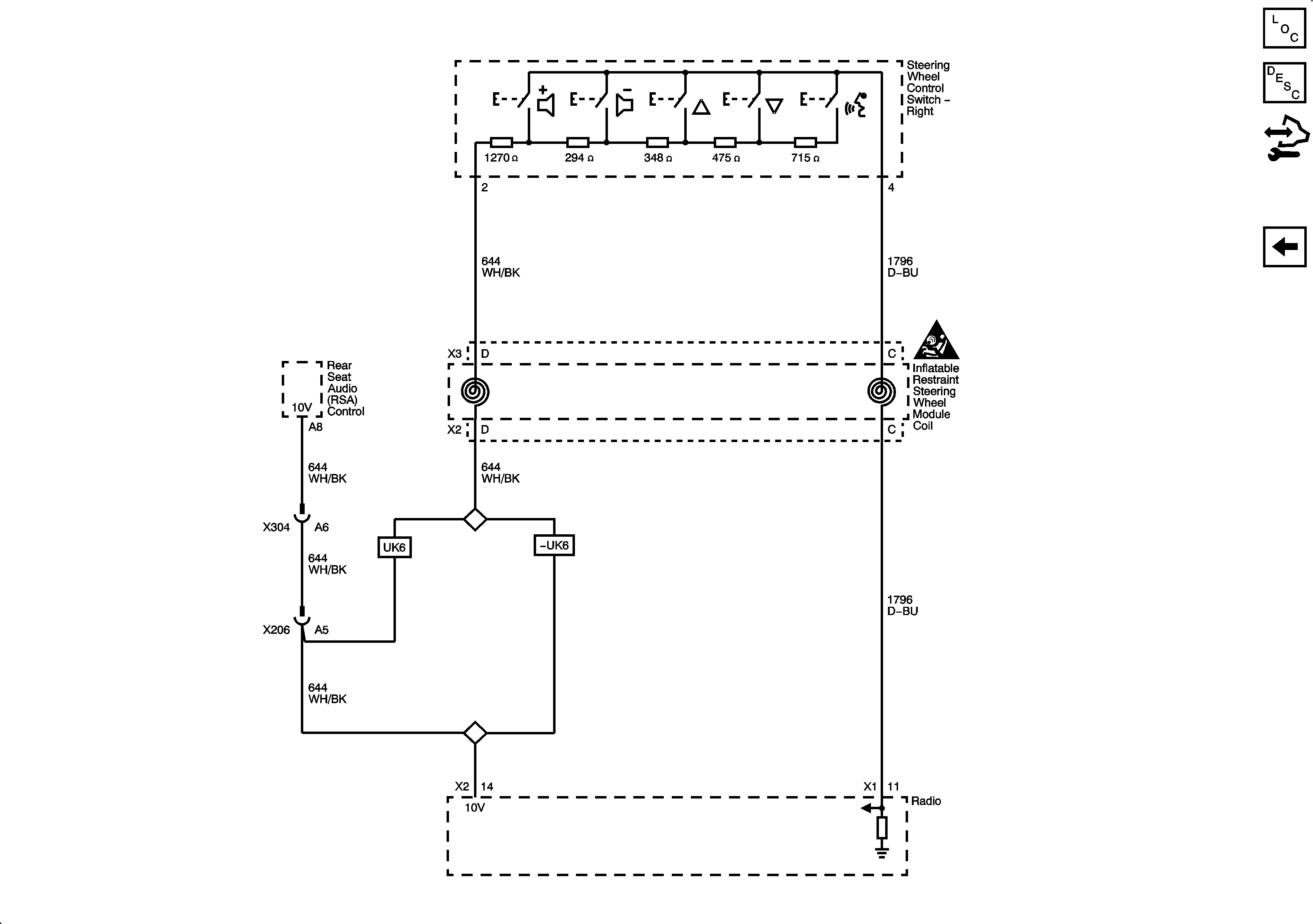
Figure 8:

Redundant Radio Controls


Object Number: 2083932  Size: FS