GM Service Manual Online
For 1990-2009 cars only
Makes
🢒
Saturn
🢒
2009
🢒
AURA
🢒
Diagnostic Navigation
🢒
Vehicle Diagnostic Information
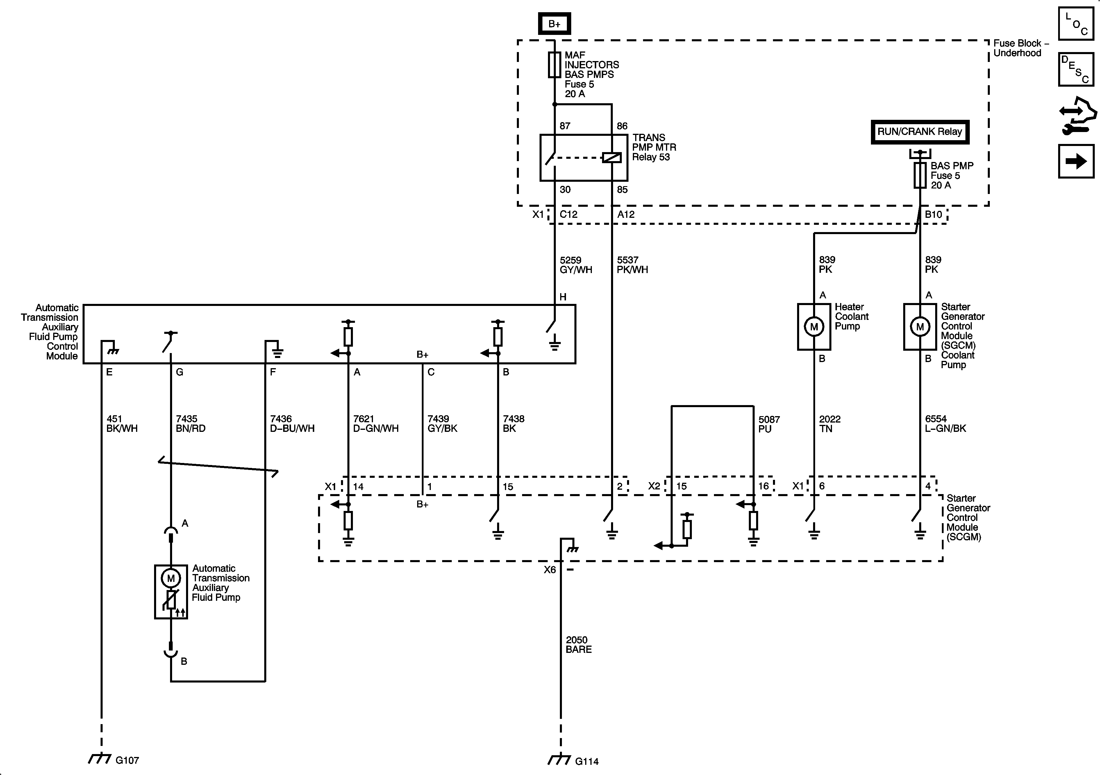
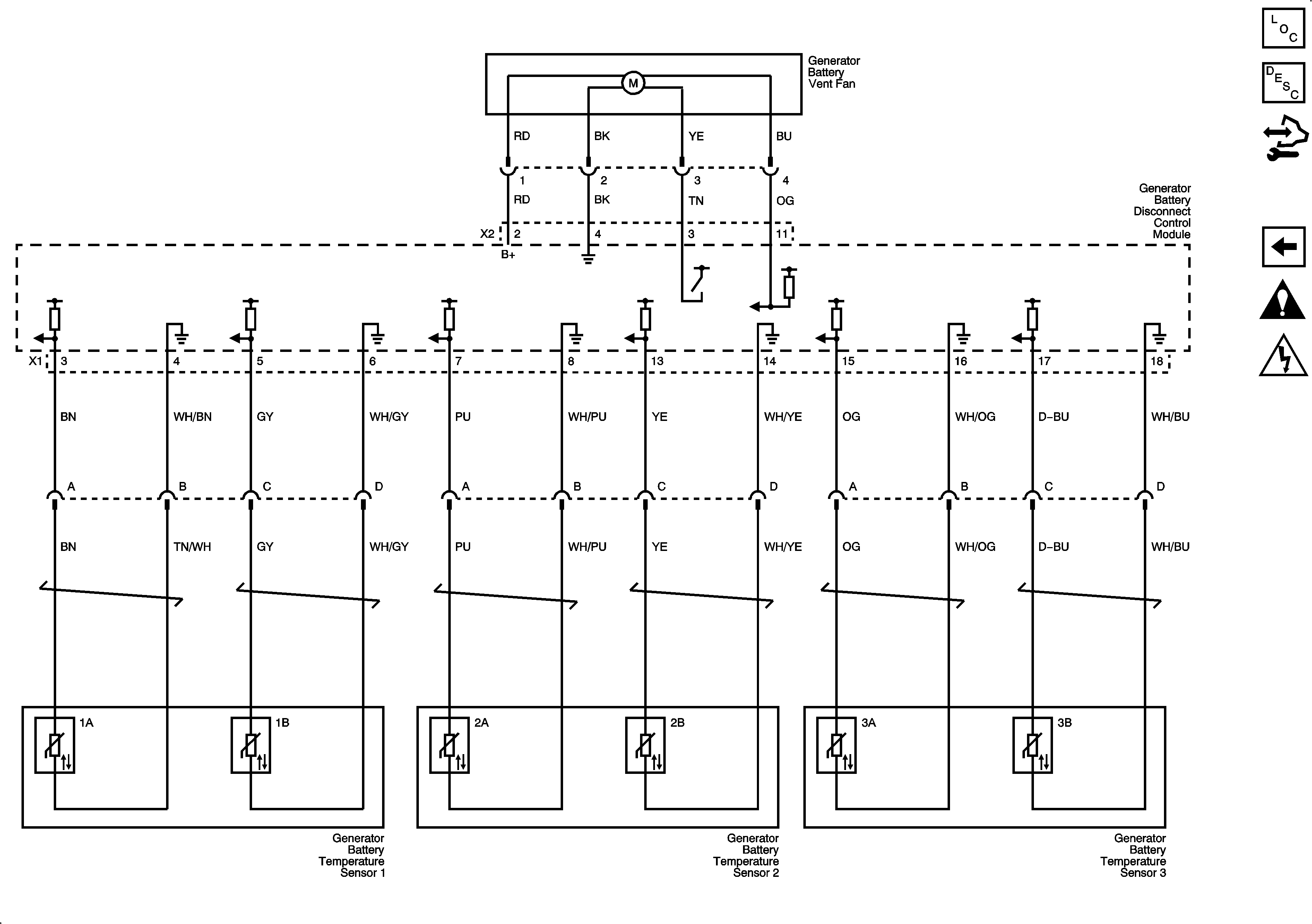
🢒 Hybrid Cooling Schematics
Figure
1:
Pump Driver and Pumps
Figure
2:
Temperature Sensors and Vent Fan