GM Service Manual Online
For 1990-2009 cars only
Makes
🢒
Saturn
🢒
2009
🢒
AURA
🢒
Diagnostic Navigation
🢒
Vehicle Diagnostic Information
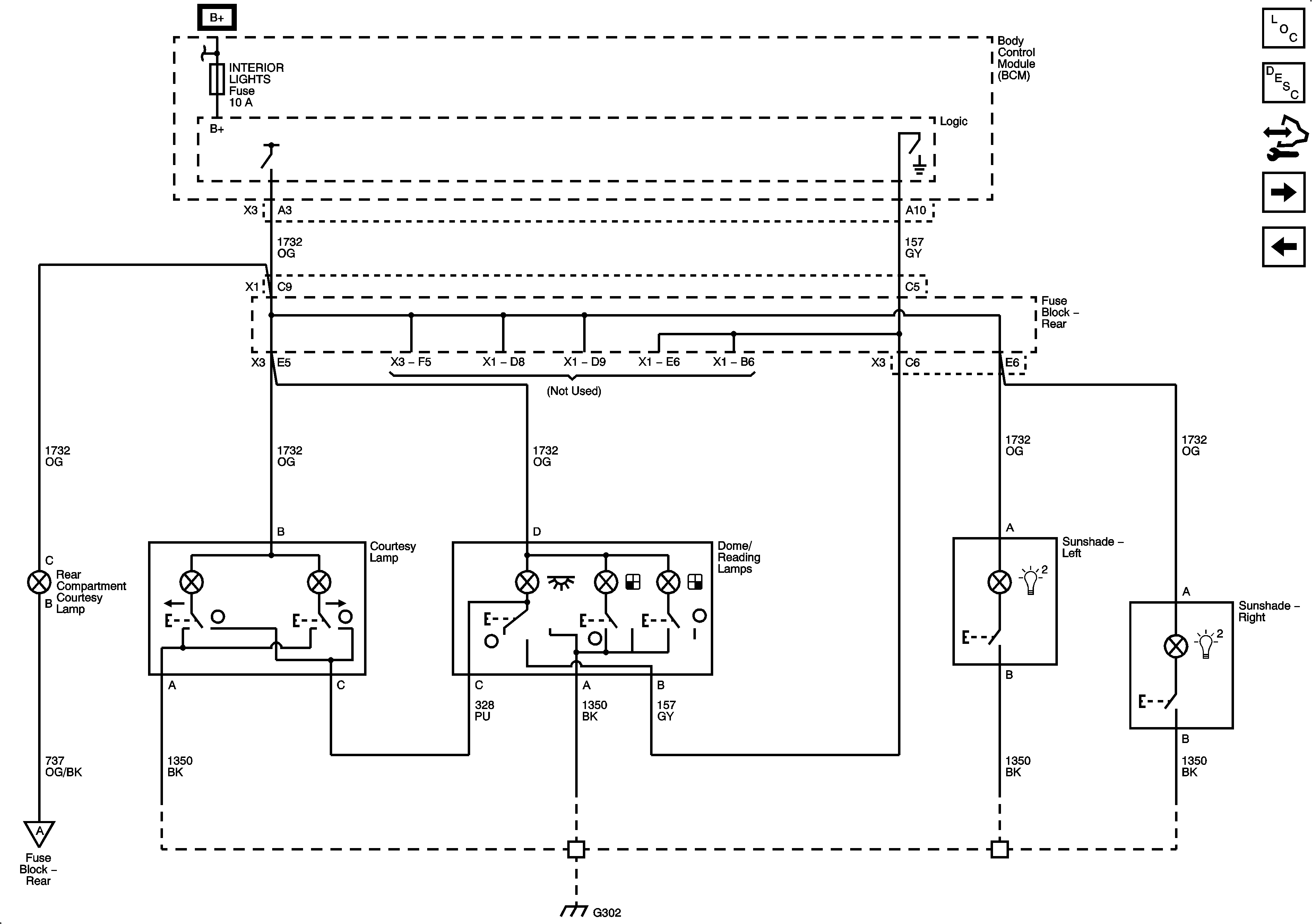
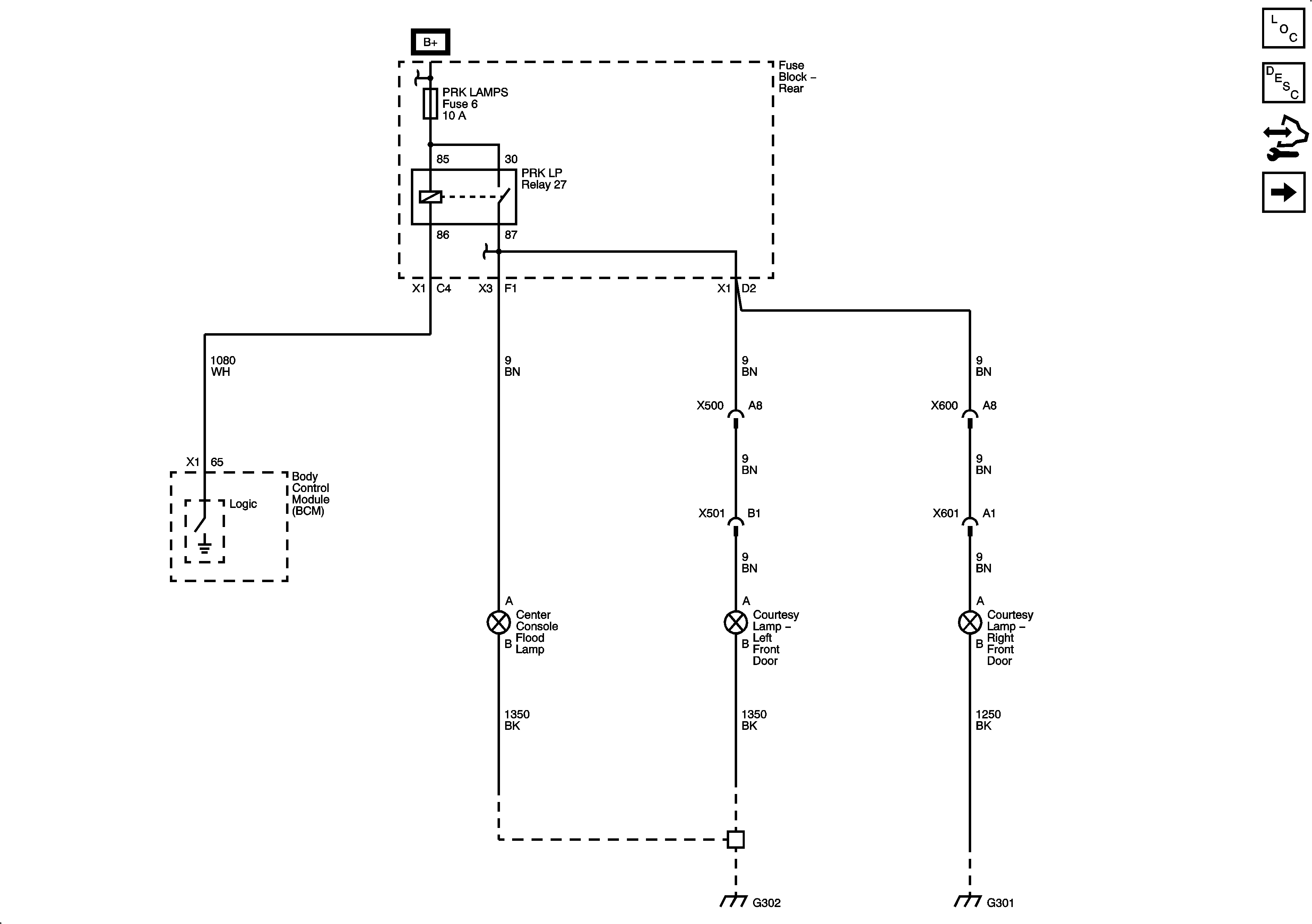
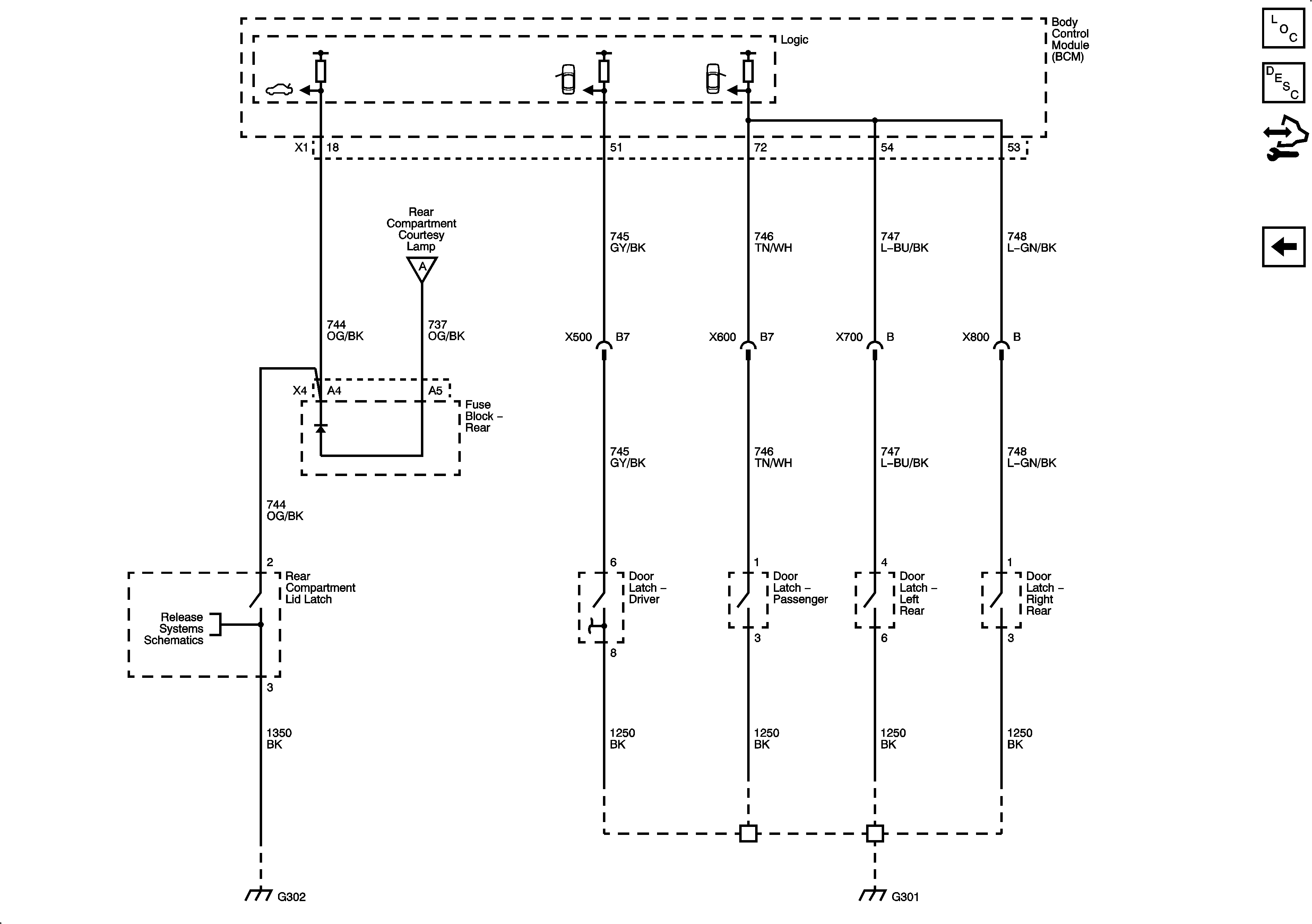
🢒 Interior Lights Schematics
Figure
1:
Courtesy Lamps 1 of 2
Figure
2:
Courtesy Lamps 2 of 2
Figure
3:
Ajar Switches