GM Service Manual Online
For 1990-2009 cars only
Figure 1:

B+ Bus


Object Number: 2084054  Size: FS
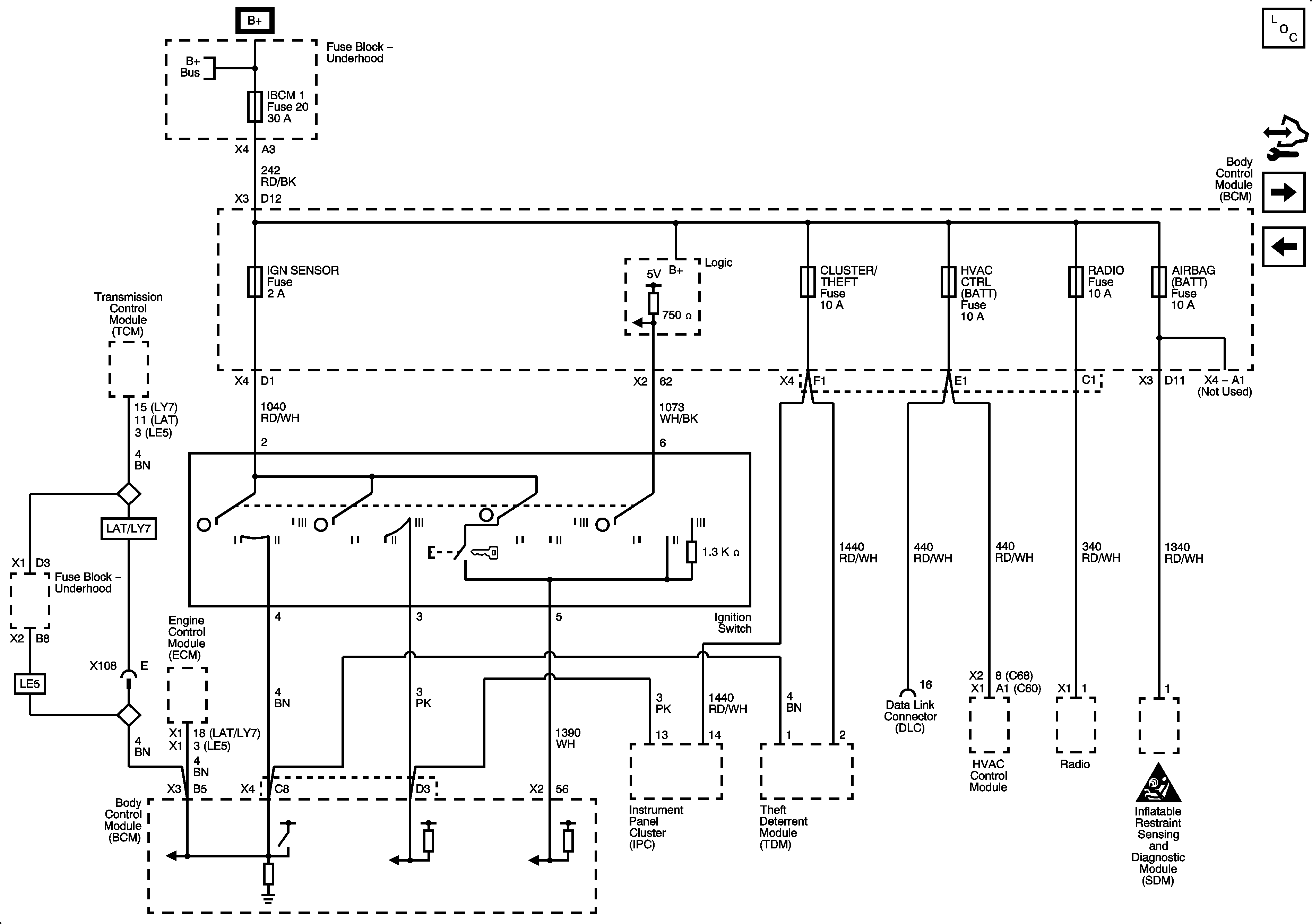
Figure 2:

Underhood Fuse Block IBCM 1, Body Control Module (BCM) AIRBAG (BATT), CLUSTER/THEFT, HVAC CTRL (BATT), IGN SENSOR and RADIO Fuses


Object Number: 2084056  Size: FS
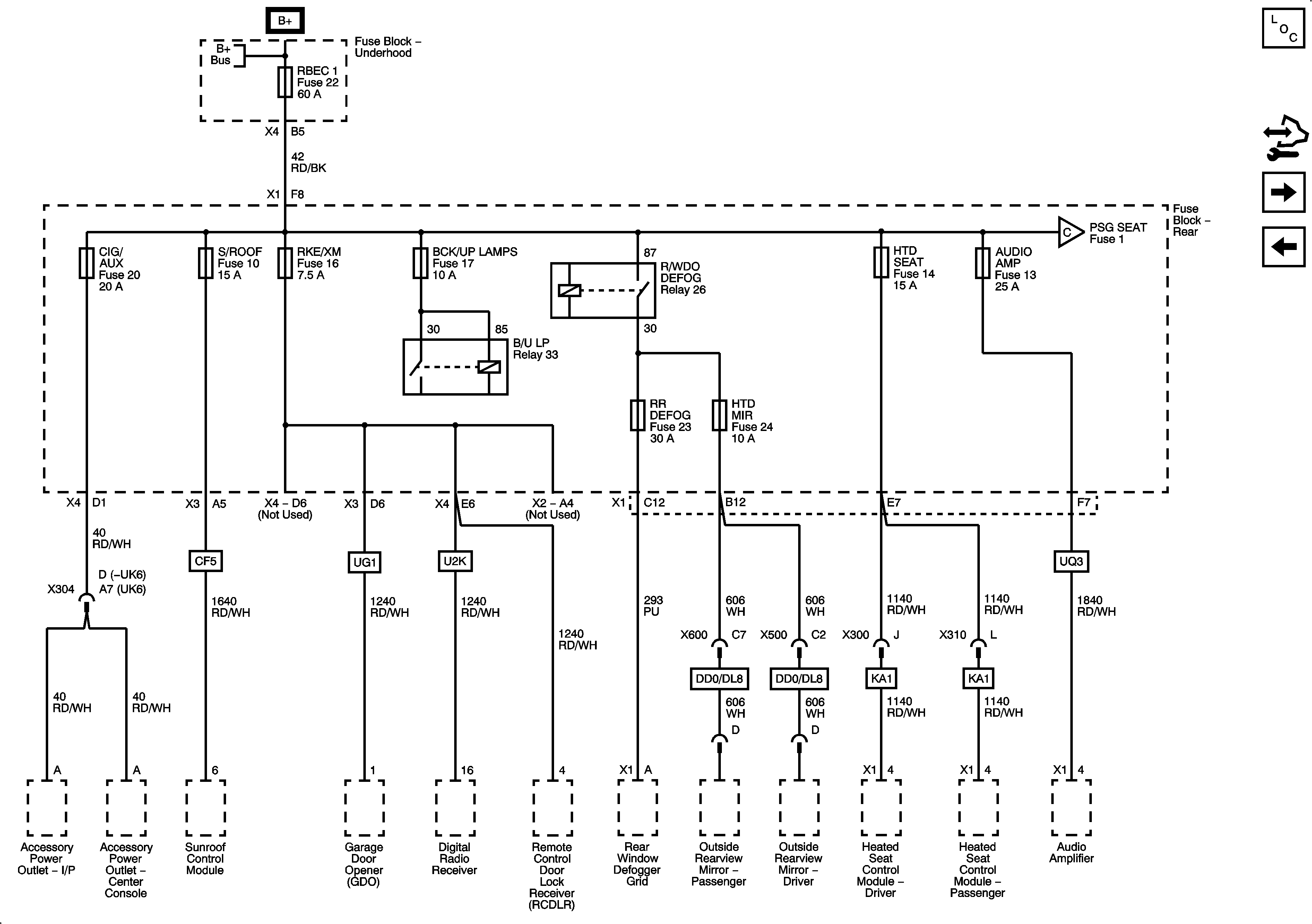
Figure 3:

Underhood Fuse Block RBEC 1 and Rear Fuse Block AUX PWR 32, BCK/UP LAMPS, CIG/AUX, HTD MIR, HTD SEAT, RKE/XM/DVD/UGD RR DEFOG and S/ROOF Fuses


Object Number: 2084057  Size: FS
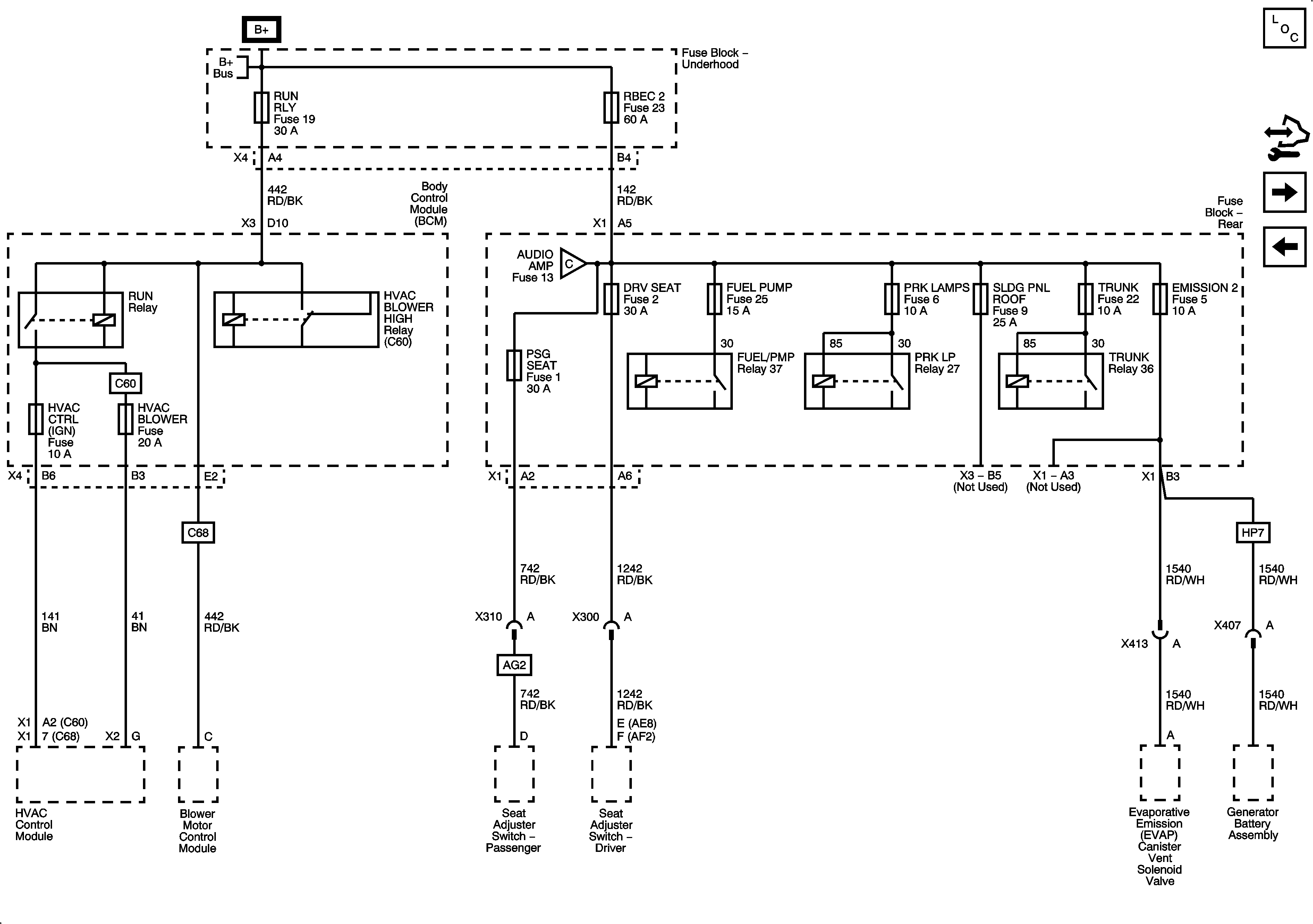
Figure 4:

Underhood Fuse Block RUN RLY, RBEC2, Body Control Module (BCM), HVAC BLOWER, HVAC CTRL (IGN) Rear Fuse Block, DRV ST, EMISSION 2, FUEL PUMP, PARK LAMPS and TRUNK Fuses


Object Number: 2084058  Size: FS
Figure 5:

Underhood Fuse Block DRL, HI/BEAM and LO/BEAM Relays, ABS, DRL, EPS, IBCM 1, IBCM 2, LT HI BEAM, LT LOW BEAM, RT HI BEAM, RT LOW BEAM, PCM and TCM Fuses


Object Number: 2084059  Size: FS
Figure 6:

Underhood Fuse Block RUN/CRANK Relay, ABS, IGN 1, PCM IGN 1 and TRANS Fuses


Object Number: 2084060  Size: FS
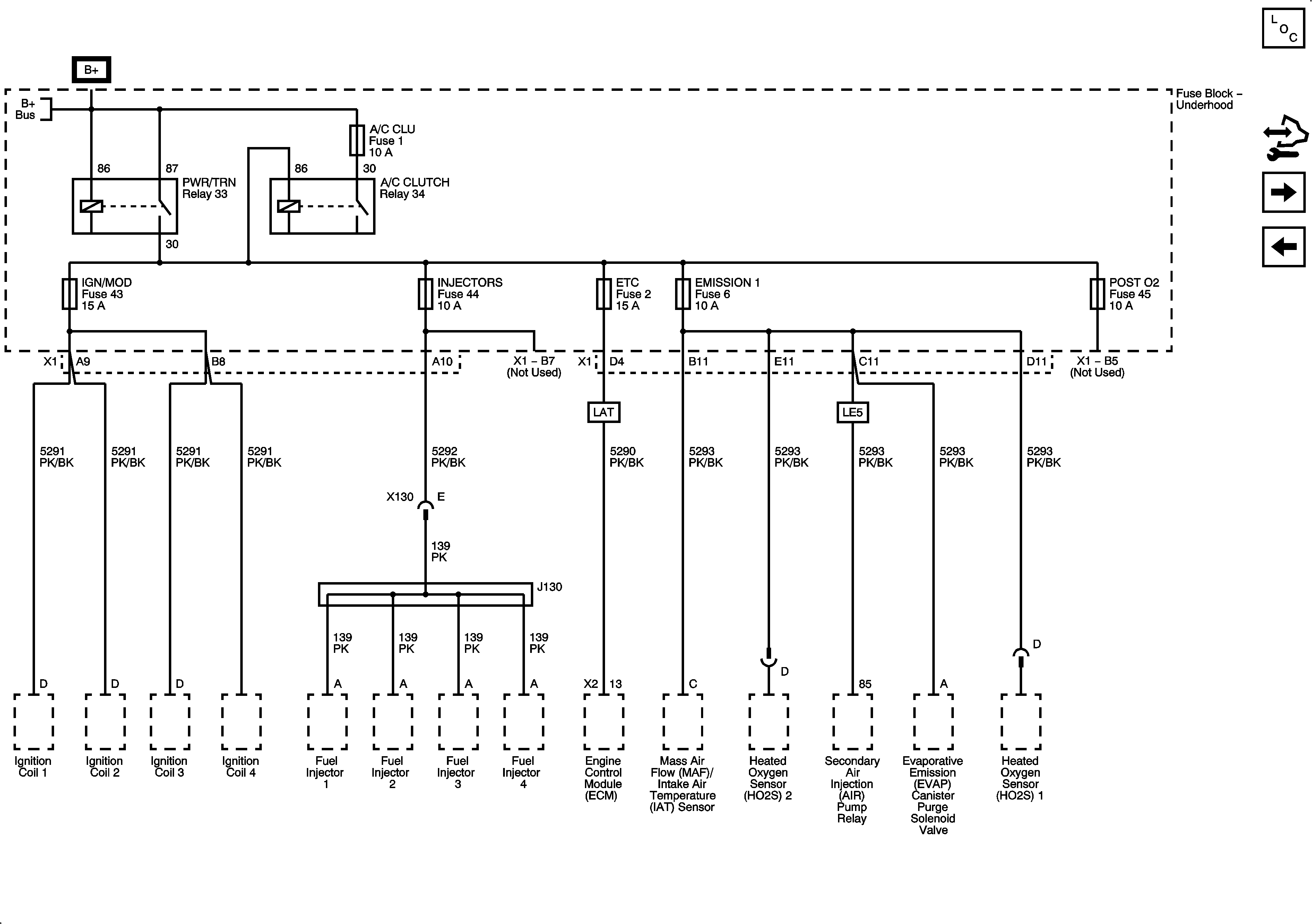
Figure 7:

Underhood Fuse Block A/C CLUTCH and PWR/TRN Relays, A/C CLU, EMISSION 1, ETC, IGN/MOD, INJECTORS, and POST O2 Fuses (LAT or LE5)


Object Number: 2136161  Size: FS
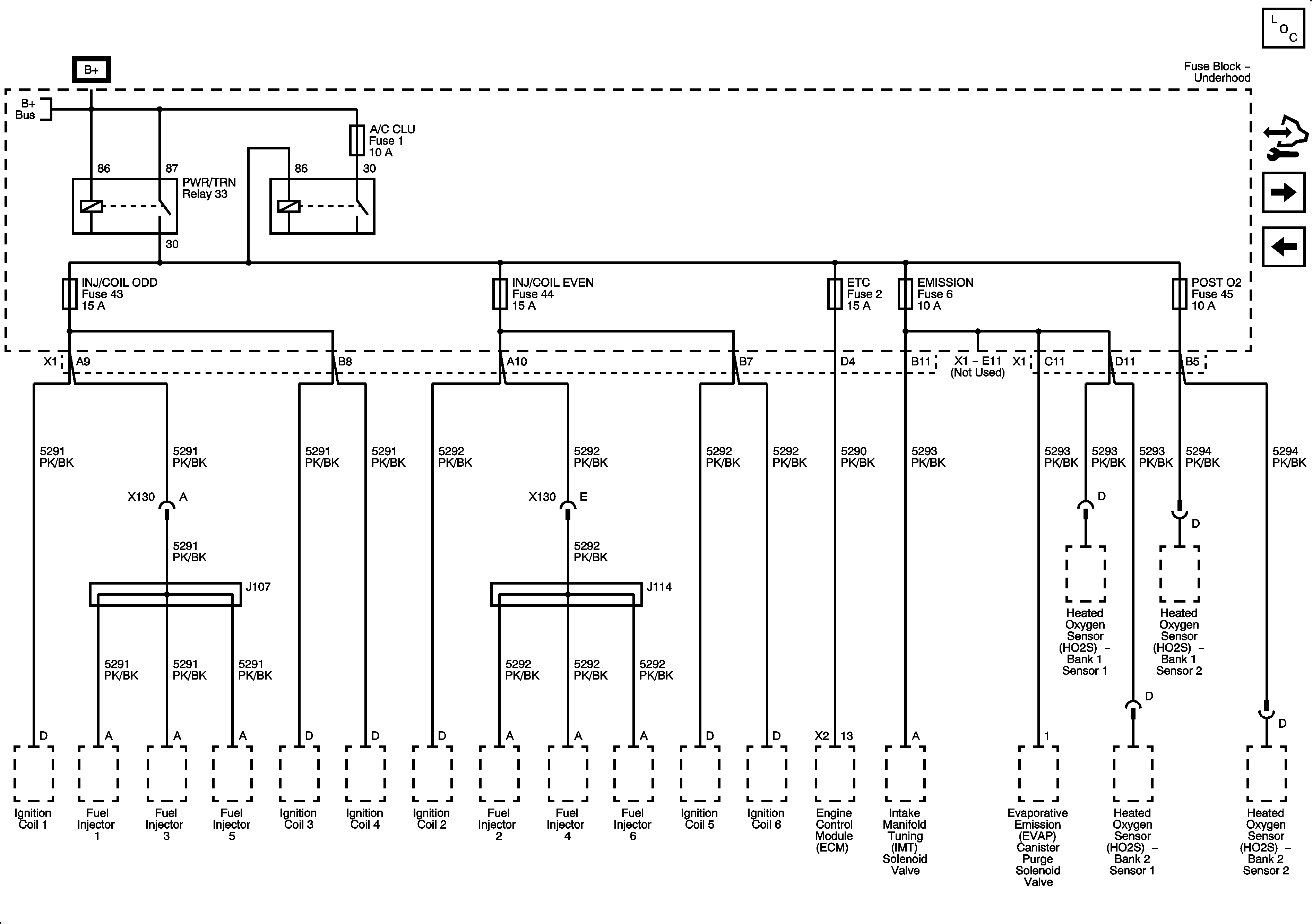
Figure 8:

Underhood Fuse Block A/C CLUTCH and PWR/TRN Relays, A/C CLU, EMISSION 1, ETC, INJ/COIL EVEN, INJ/COIL ODD, and POST O2 Fuses (LY7)


Object Number: 2084061  Size: FS
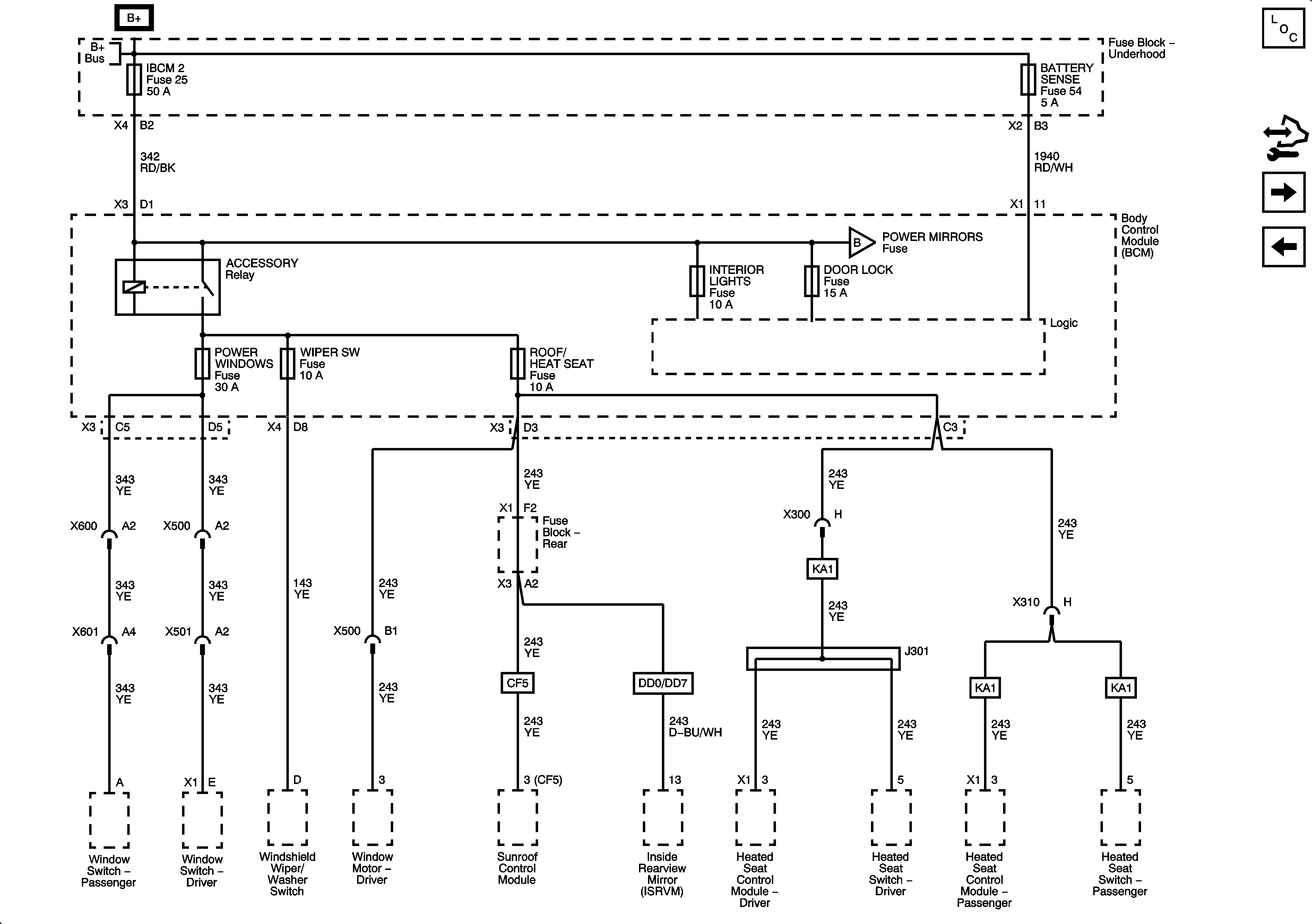
Figure 9:

Underhood Fuse Block IBCM 2, Body Control Module (BCM), ACCESSORY Relay, DOOR LOCK, INTERIOR LIGHTS, POWER WINDOWS, REAR WIPER, ROOF/HEAT SEAT and WIPER SW Fuses


Object Number: 2084062  Size: FS
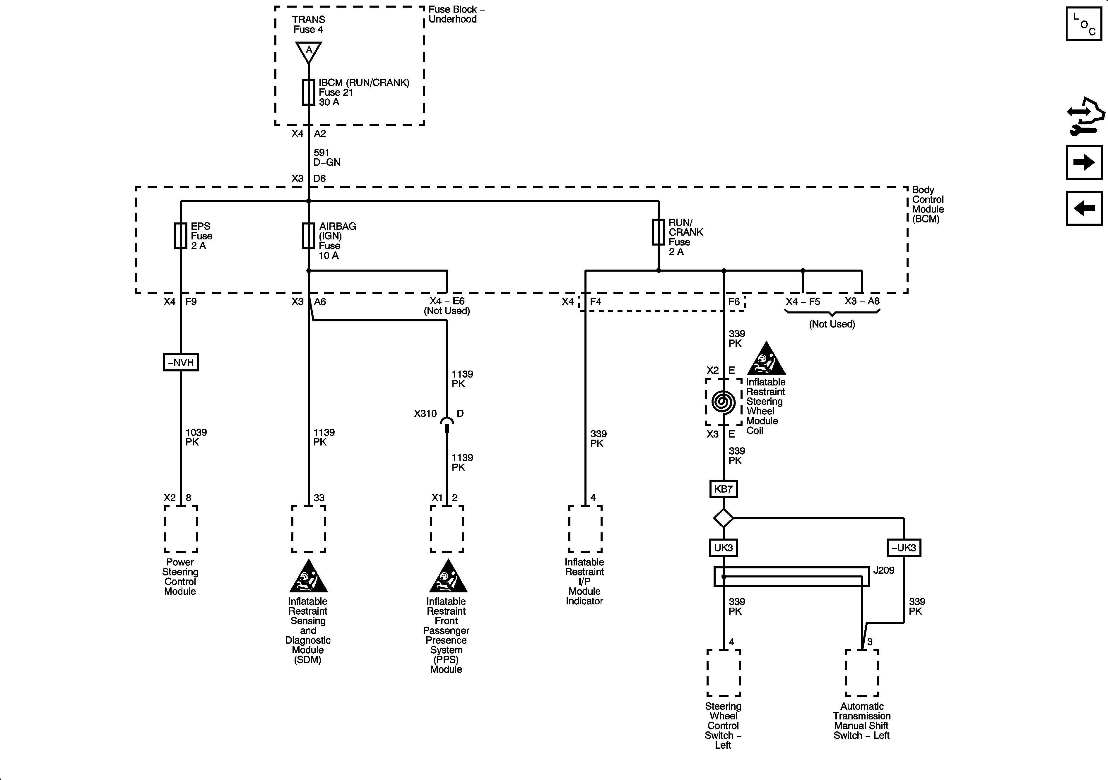
Figure 10:

Underhood Fuse Block IBCM (RUN/CRANK) Fuse, Body Control Module (BCM) AIR BAG (IGN), EPS and RUN/CRANK Fuses


Object Number: 2084063  Size: FS
Figure 11:

Body Control Module (BCM), Interior Lights, Onstar, Pedal and Power Mirrors Fuses


Object Number: 2084064  Size: FS