GM Service Manual Online
For 1990-2009 cars only

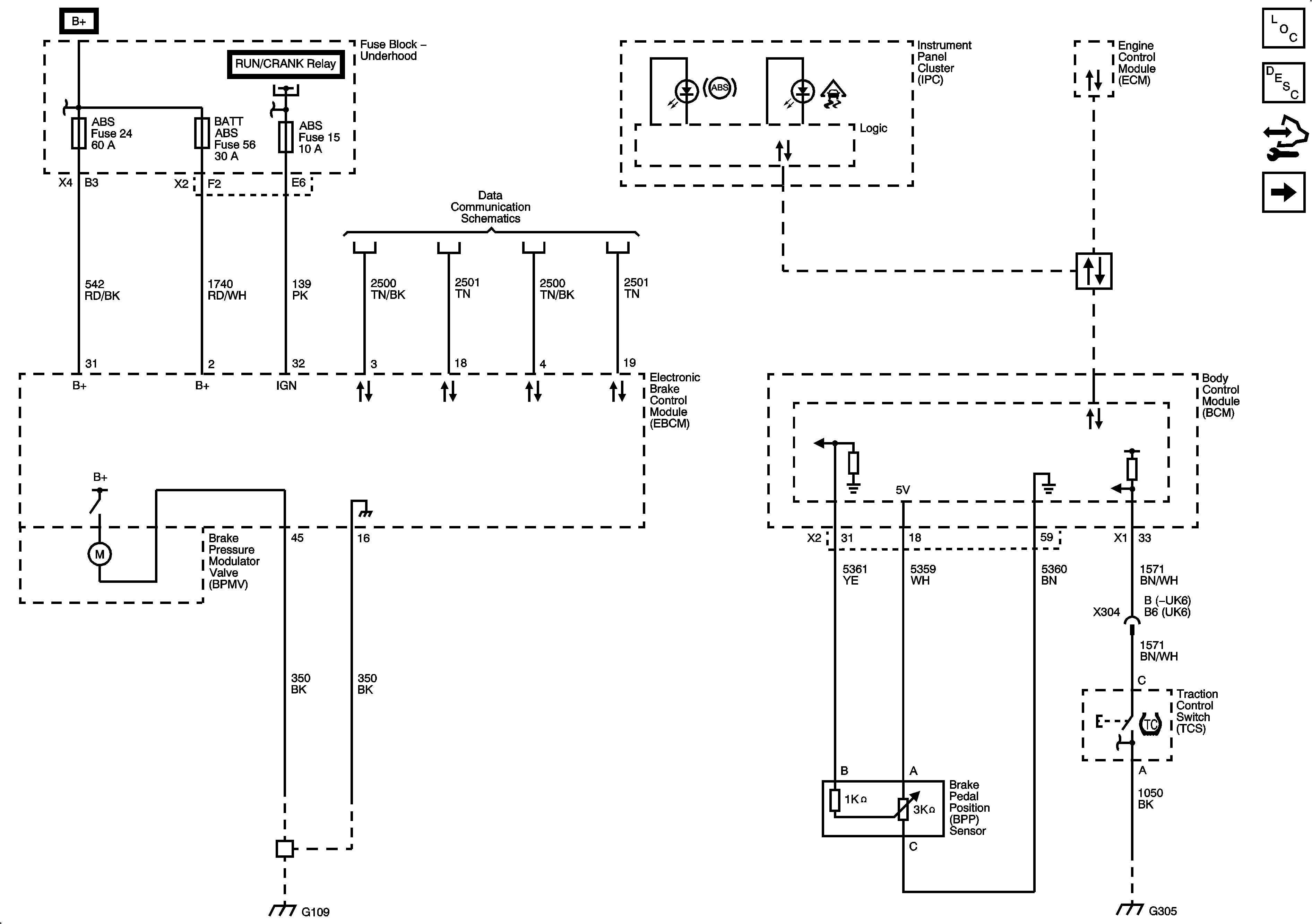
Antilock Brake System Schematics HP7

Figure 1:

Power, Ground, DLC, Traction Control Switch, Brake Pedal Position Sensor, and Indicators


Object Number: 2083907  Size: FS
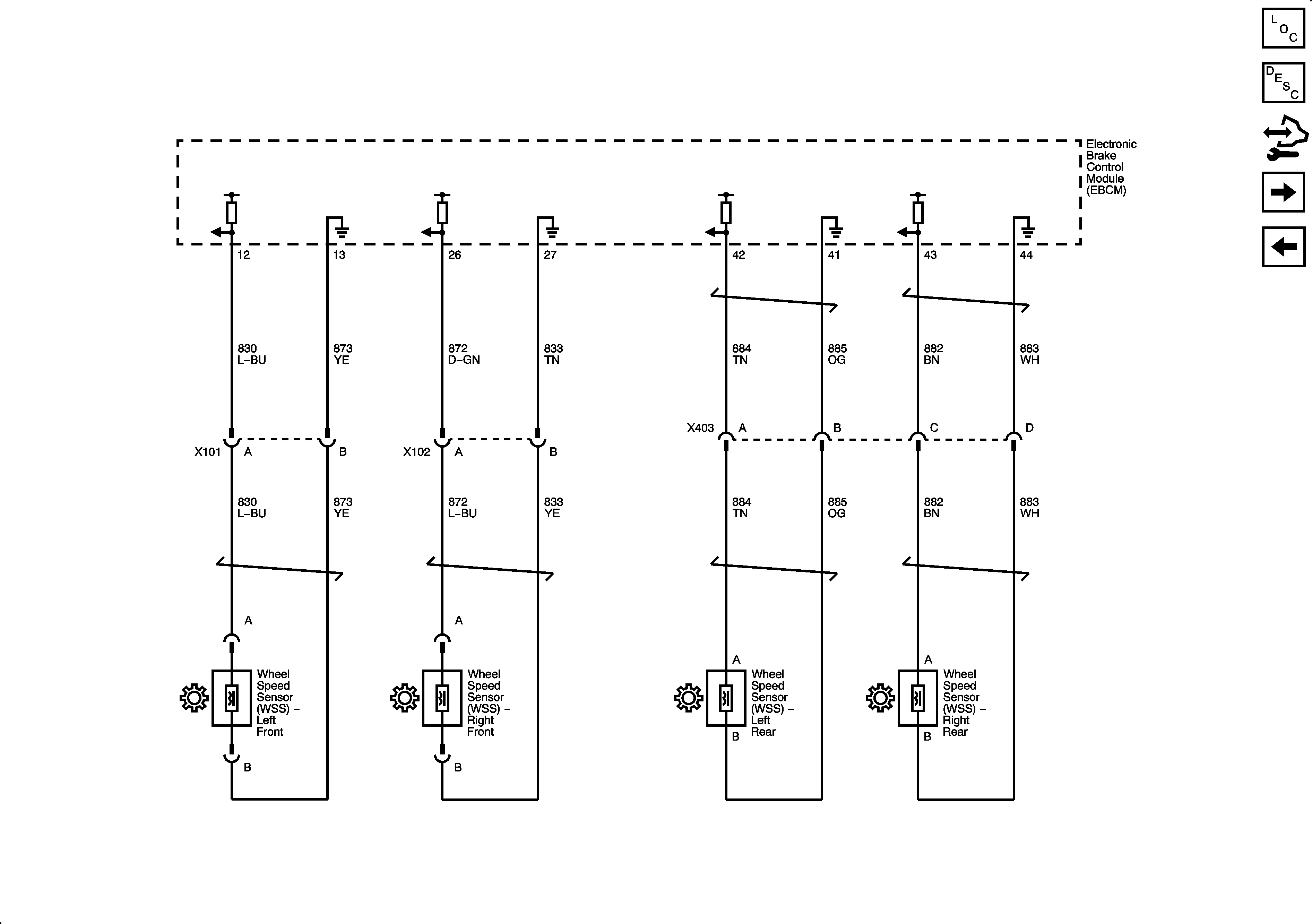
Figure 2:

Wheel Speed Sensors


Object Number: 2083910  Size: FS
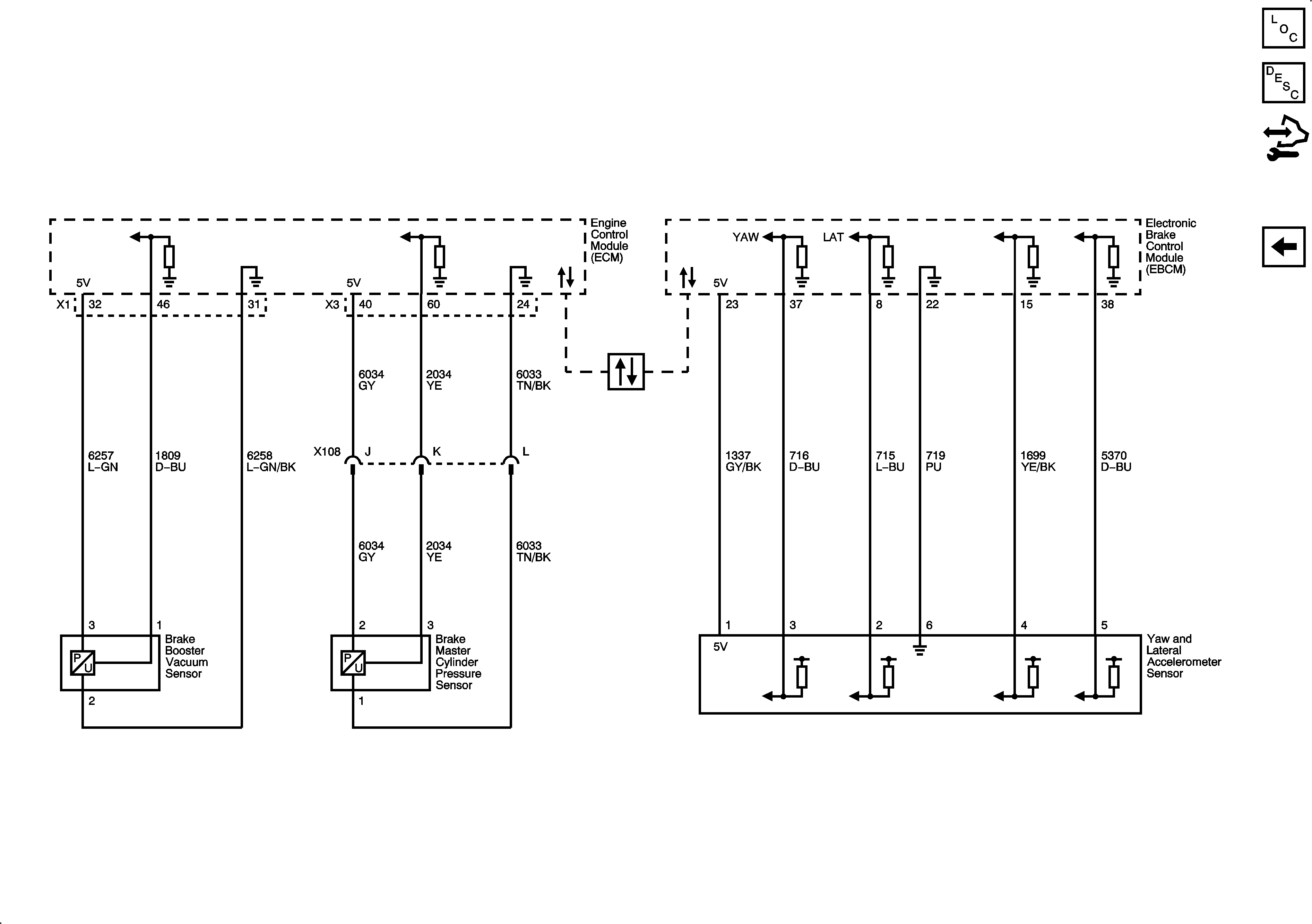
Figure 3:

Brake Booster Vacuum, Brake Master Cylinder Pressure, and Yaw and Lateral Accelerometer Sensors


Object Number: 2083911  Size: FS

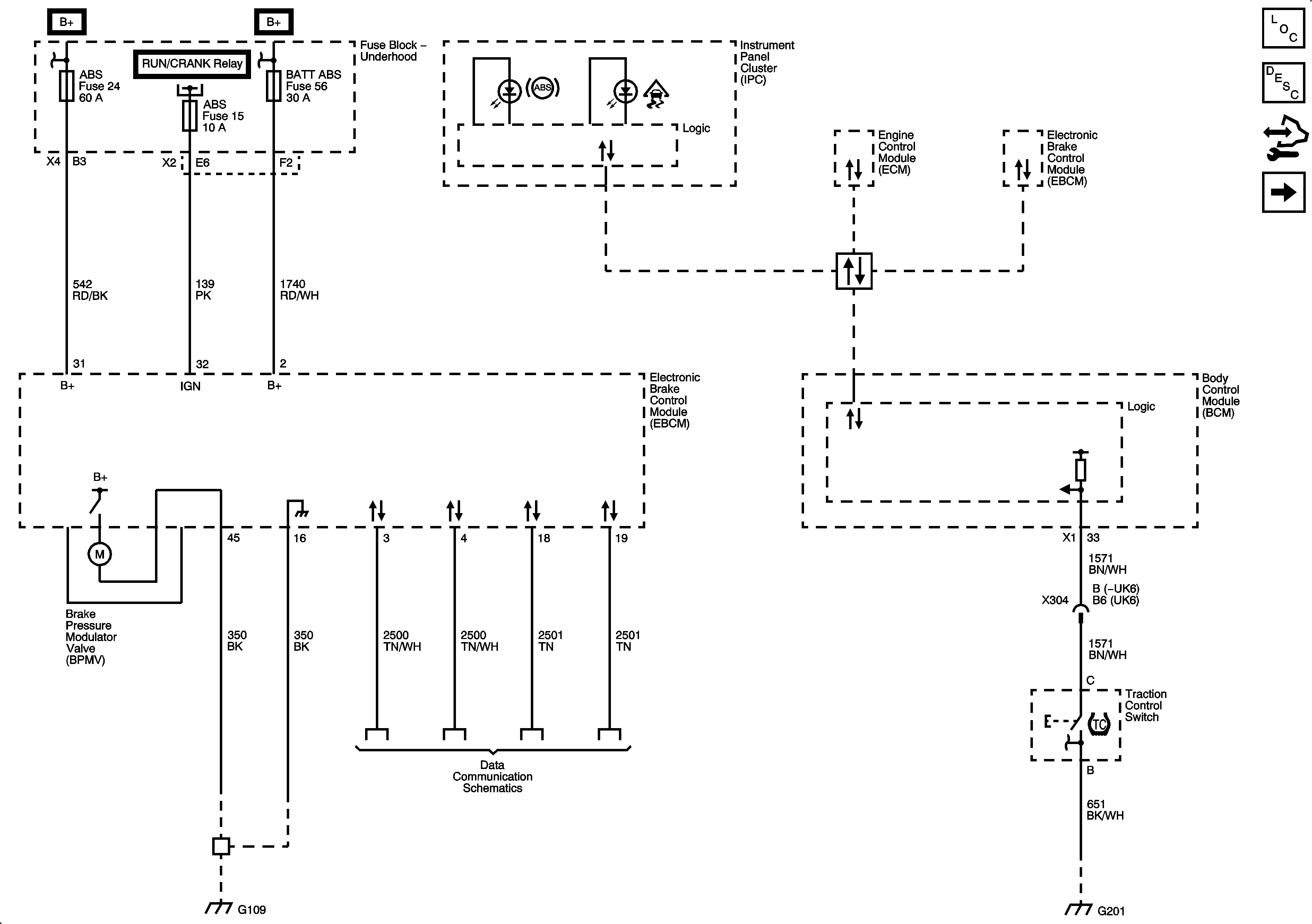
Antilock Brake System Schematics without HP7

Figure 1:

Power, Ground, Traction Control, and Indicators


Object Number: 2099821  Size: FS
Figure 2:

Sensors


Object Number: 2099827  Size: FS