GM Service Manual Online
For 1990-2009 cars only
Figure 1:

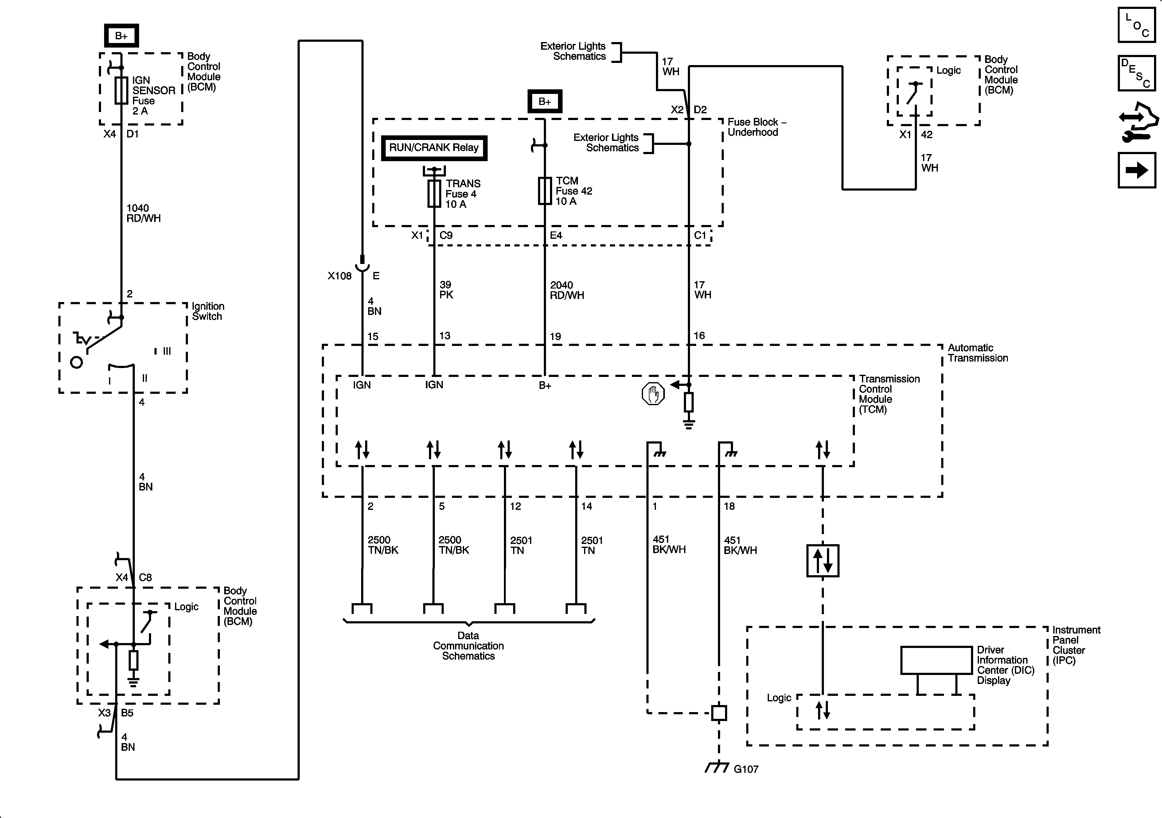
Module Power, Ground, Data Communication, MIL, and Brake Applied Signal


Object Number: 2084098  Size: FS
Figure 2:

Pressure Controls and Shift Controls


Object Number: 2134728  Size: FS
Figure 3:

ISS, OSS, TFP, and TFT


Object Number: 2134731  Size: FS
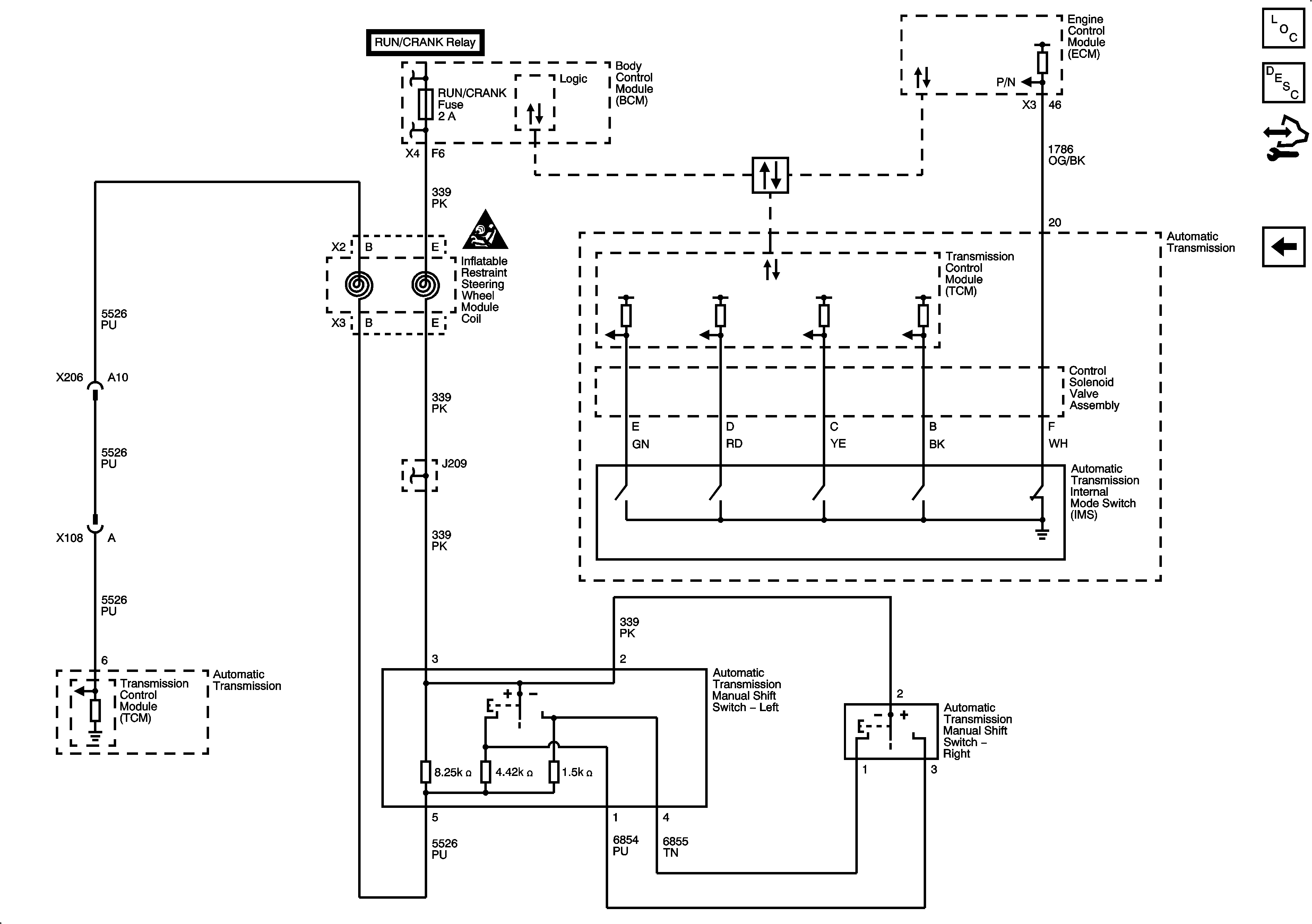
Figure 4:

IMS and Tap Up/Tap Down Switches


Object Number: 2084099  Size: FS