GM Service Manual Online
For 1990-2009 cars only

Engine Controls Schematics LE5

Figure 1:

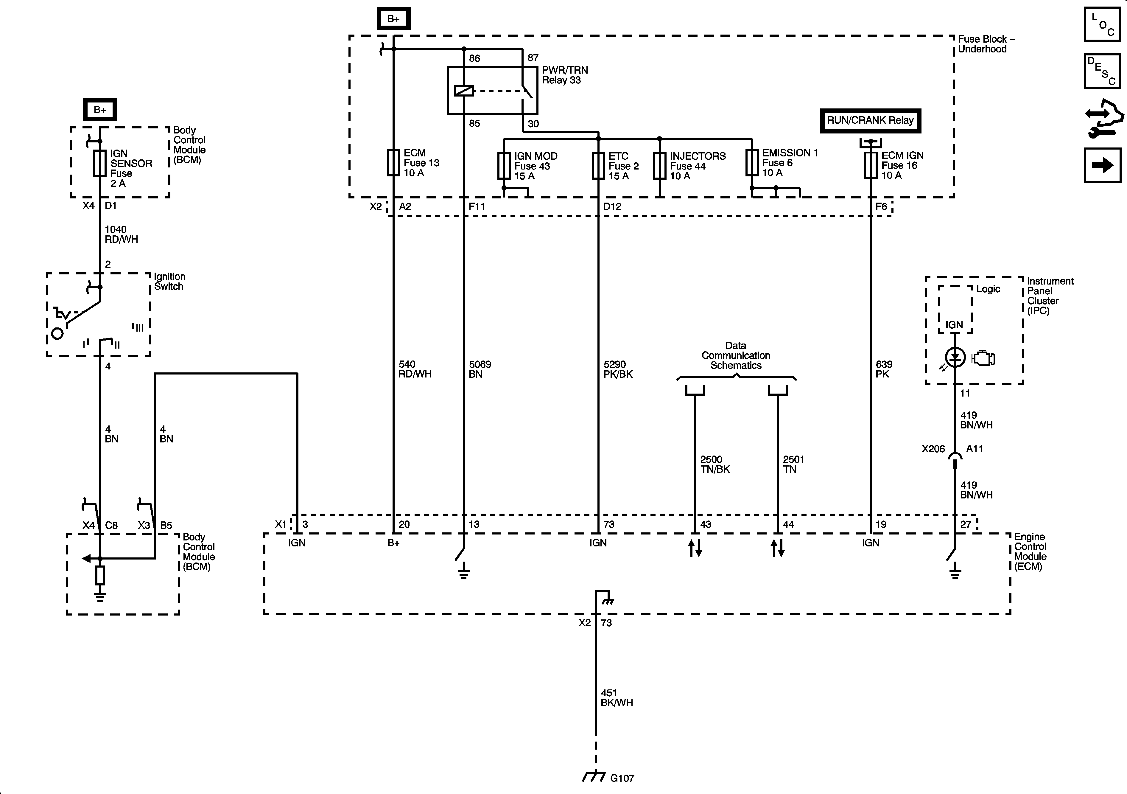
Module Power, Ground, Serial Data and MIL


Object Number: 2083957  Size: FS
Figure 2:

5-Volt and Low References


Object Number: 2083960  Size: FS
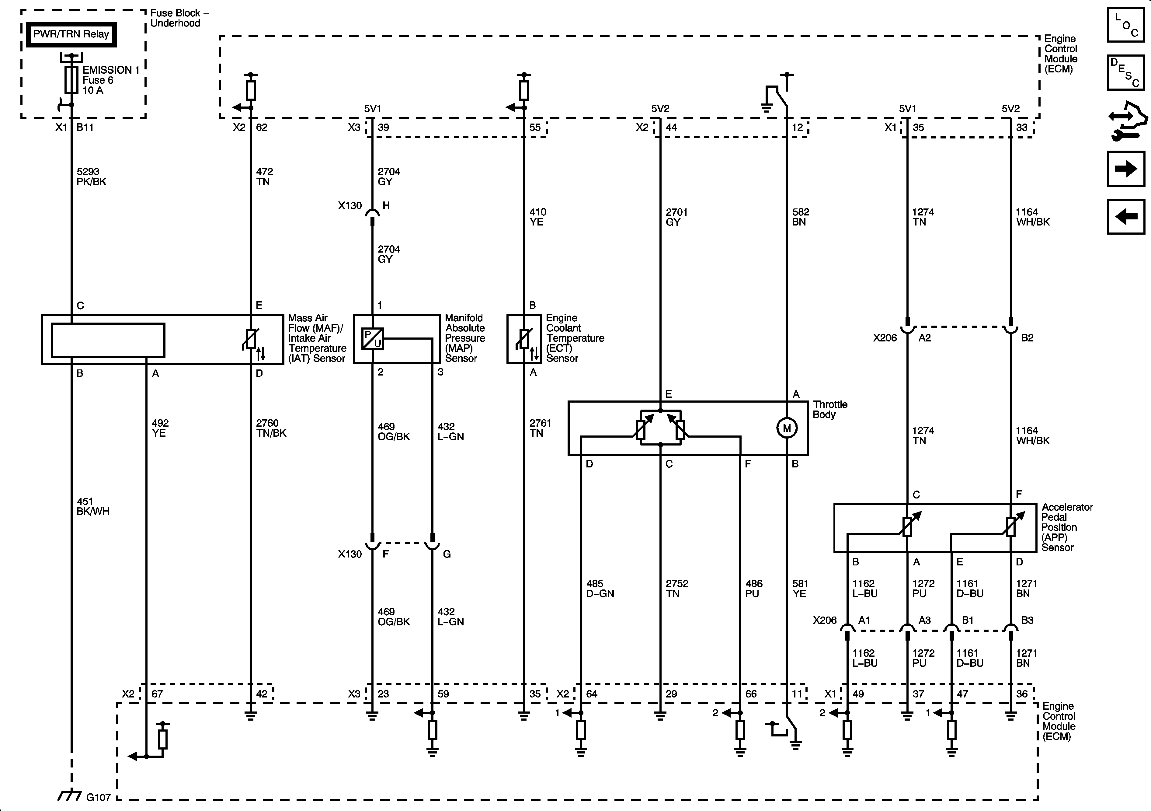
Figure 3:

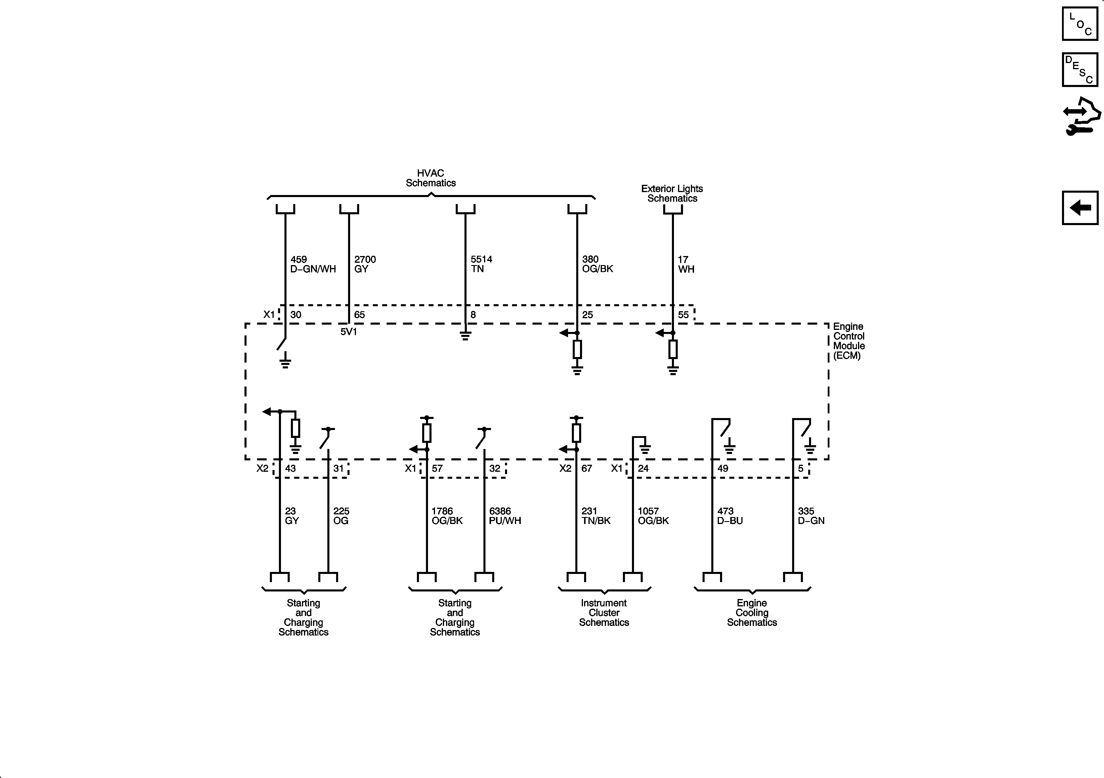
Engine Data Sensors - Pressure, Temperature, and Throttle Control


Object Number: 2083962  Size: FS
Figure 4:

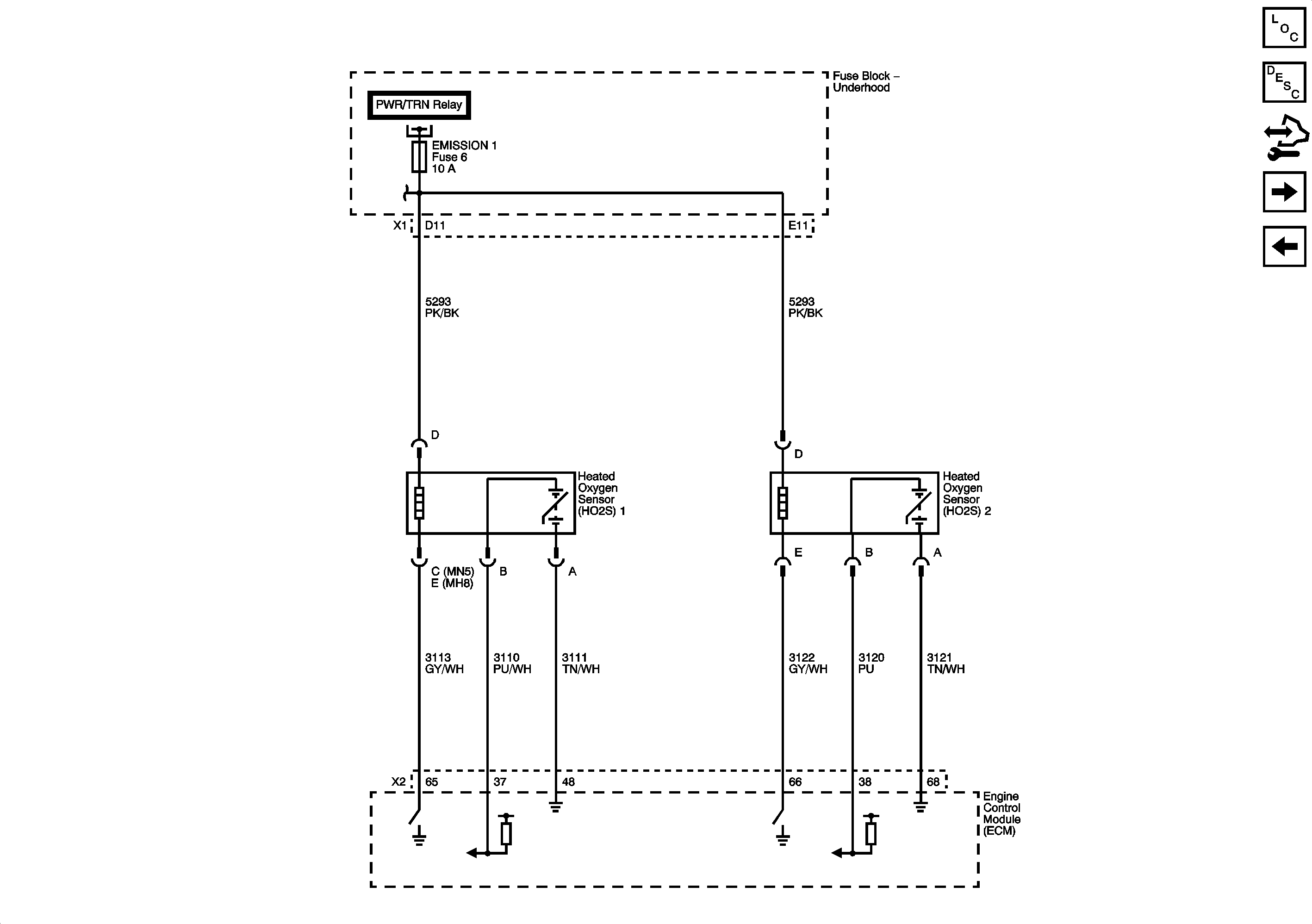
Engine Data Sensors - HO2S


Object Number: 2083963  Size: FS
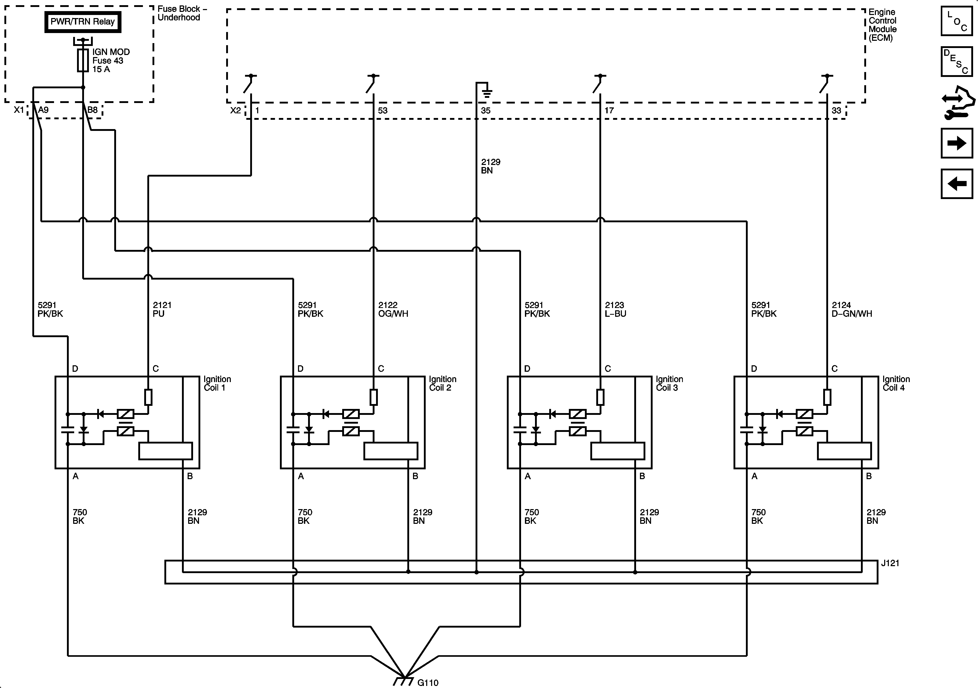
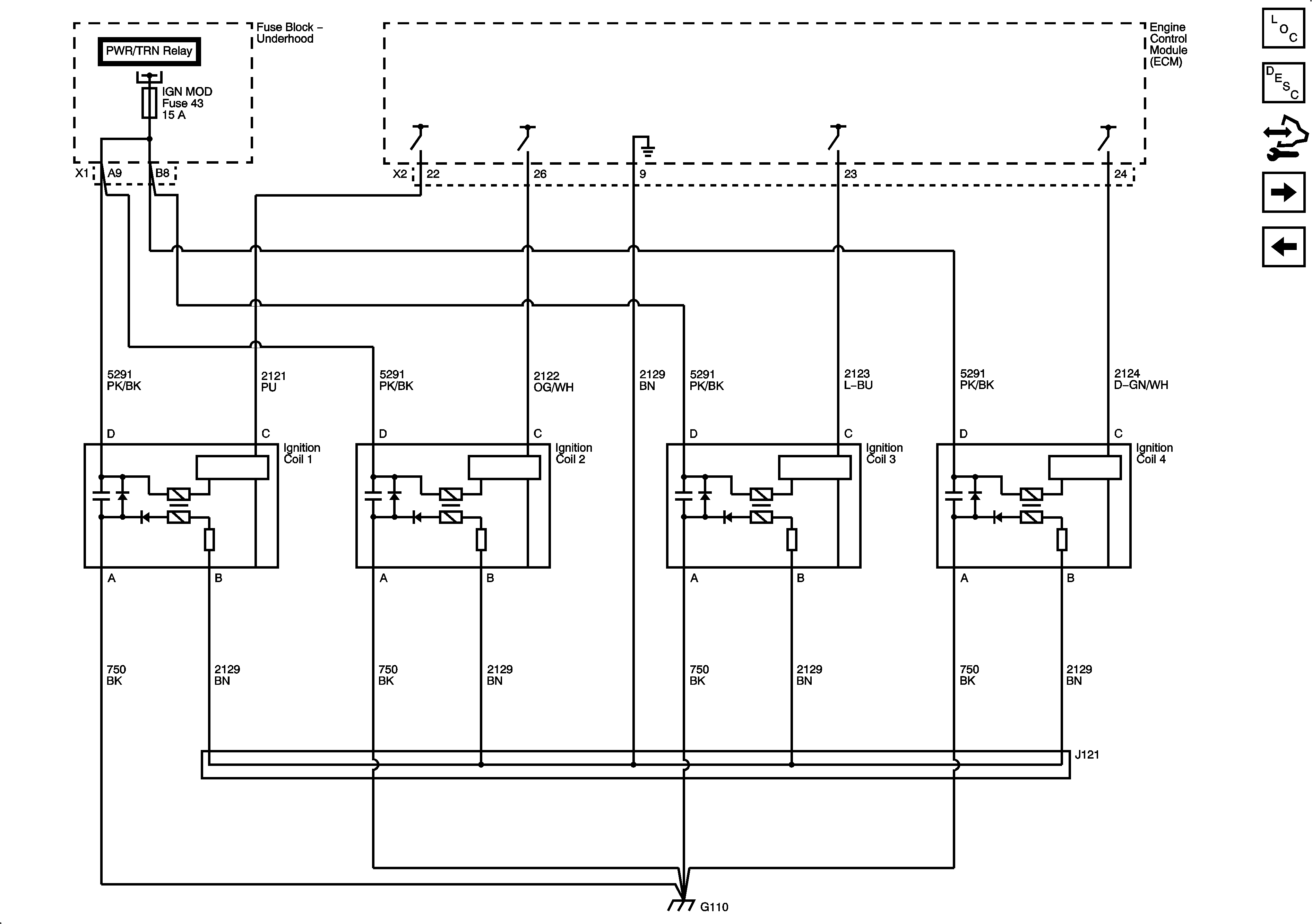
Figure 5:

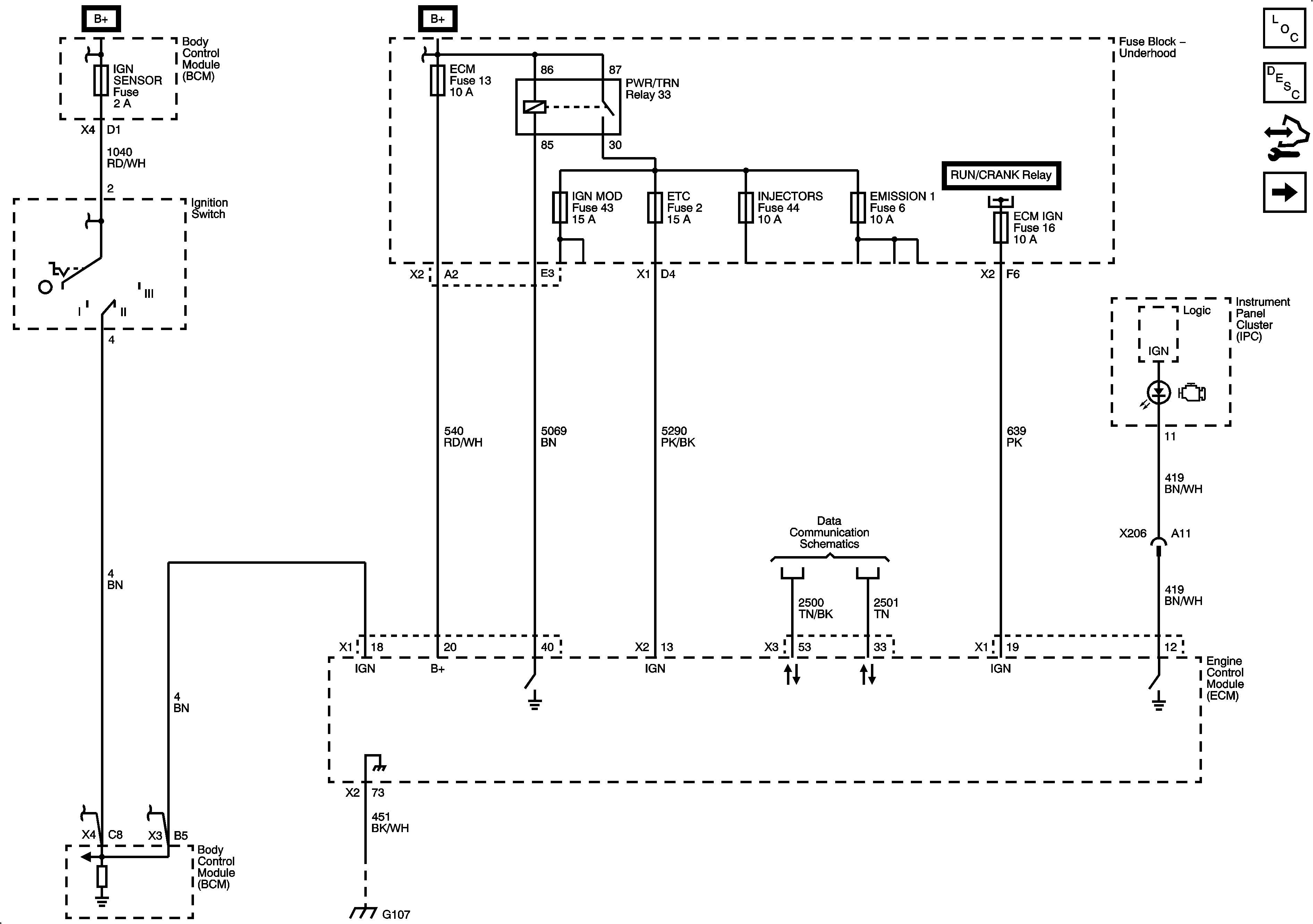
Ignition Controls - Ignition System


Object Number: 2083965  Size: FS
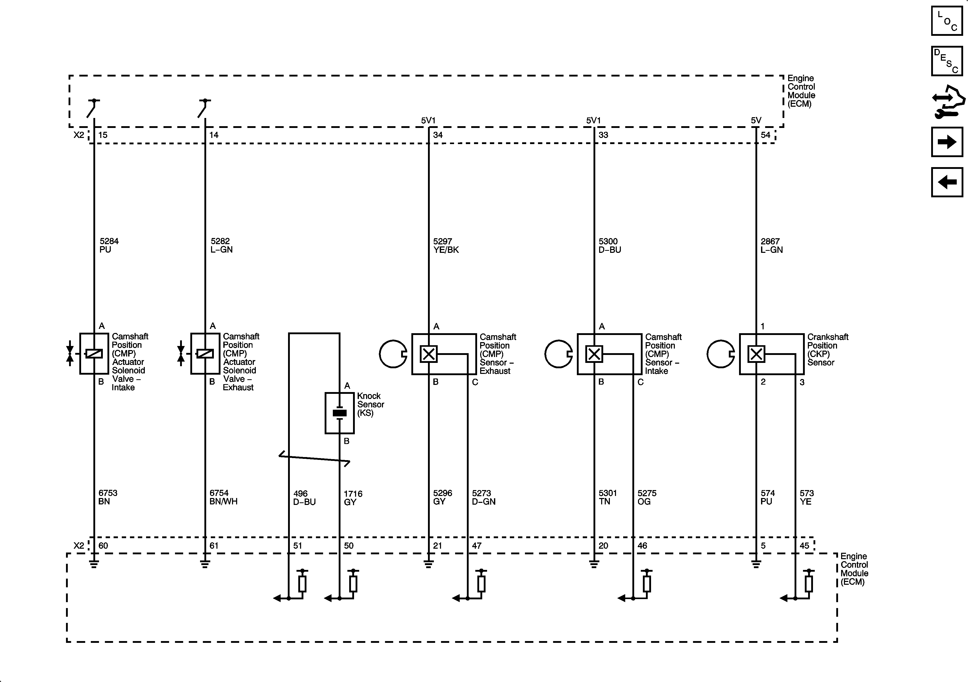
Figure 6:

Ignition Controls - Sensors


Object Number: 2083967  Size: FS
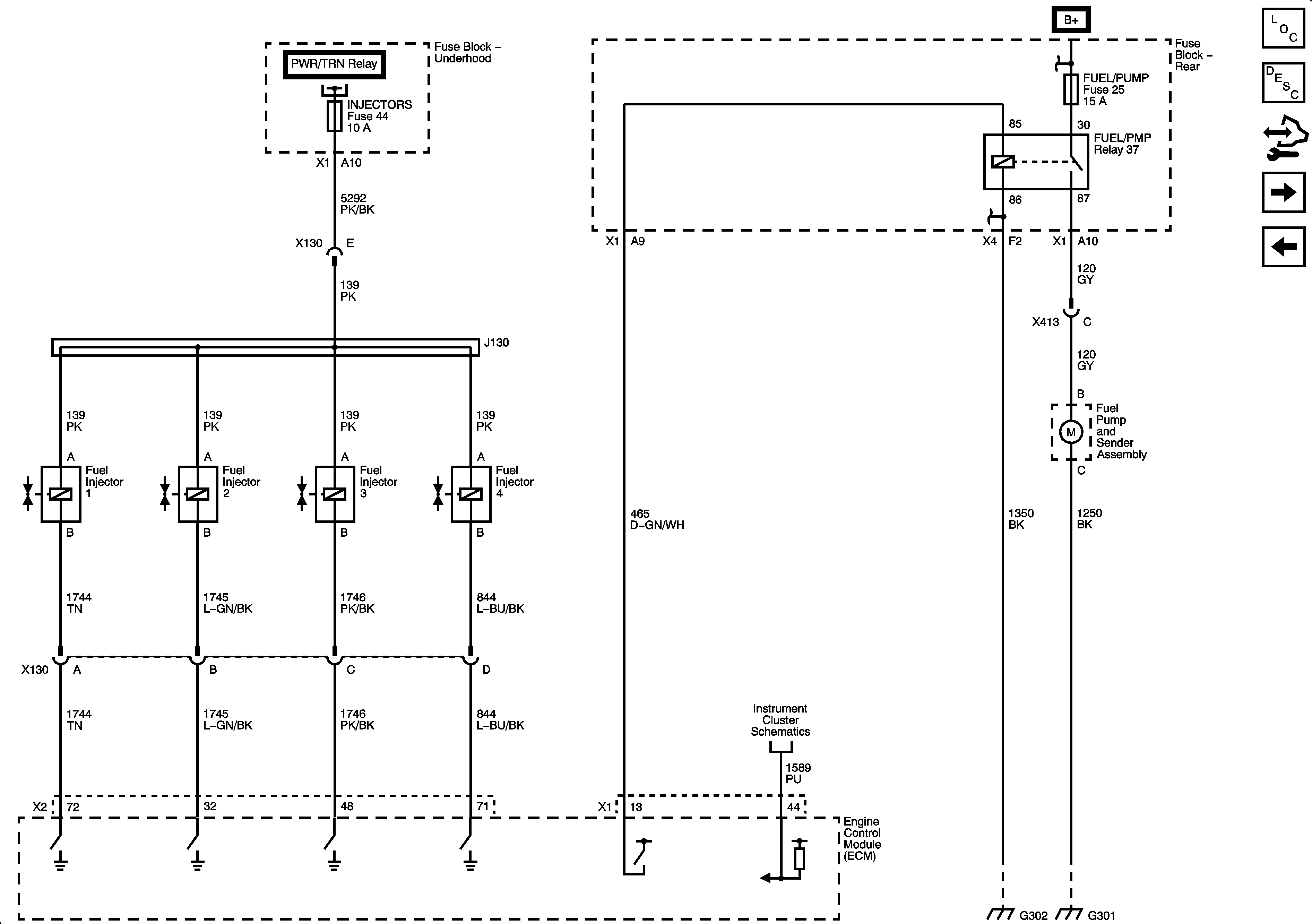
Figure 7:

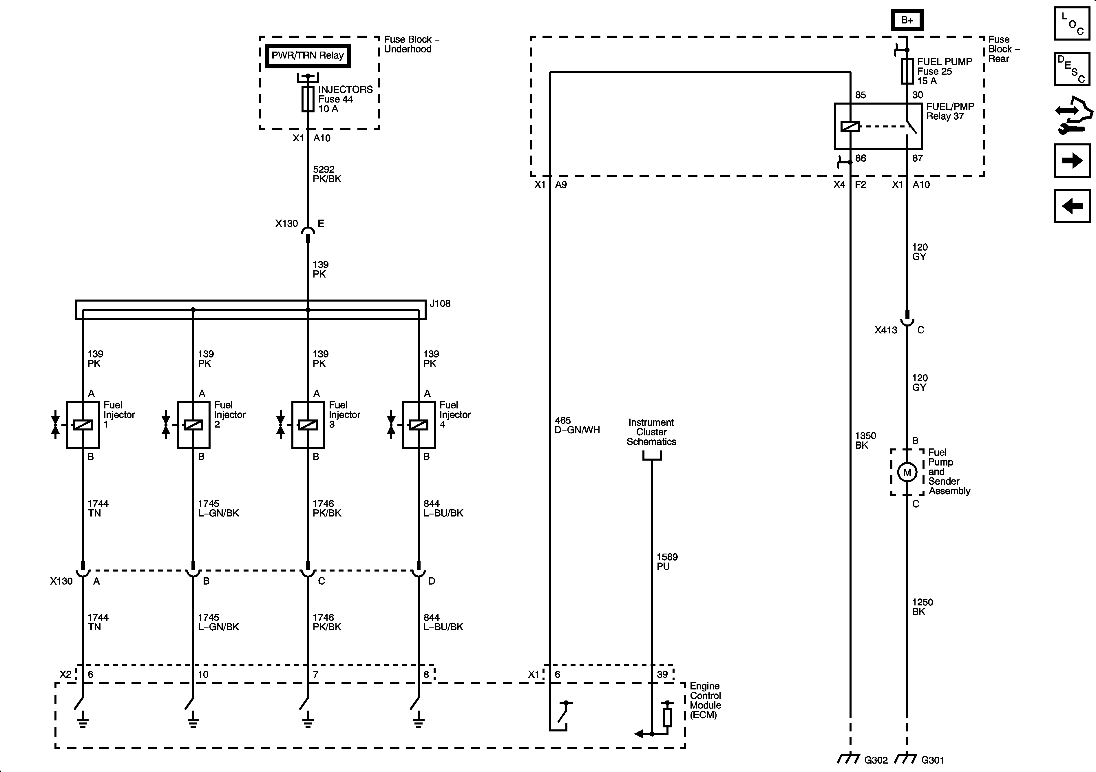
Fuel Controls - Fuel Injectors and Fuel Pump


Object Number: 2083968  Size: FS
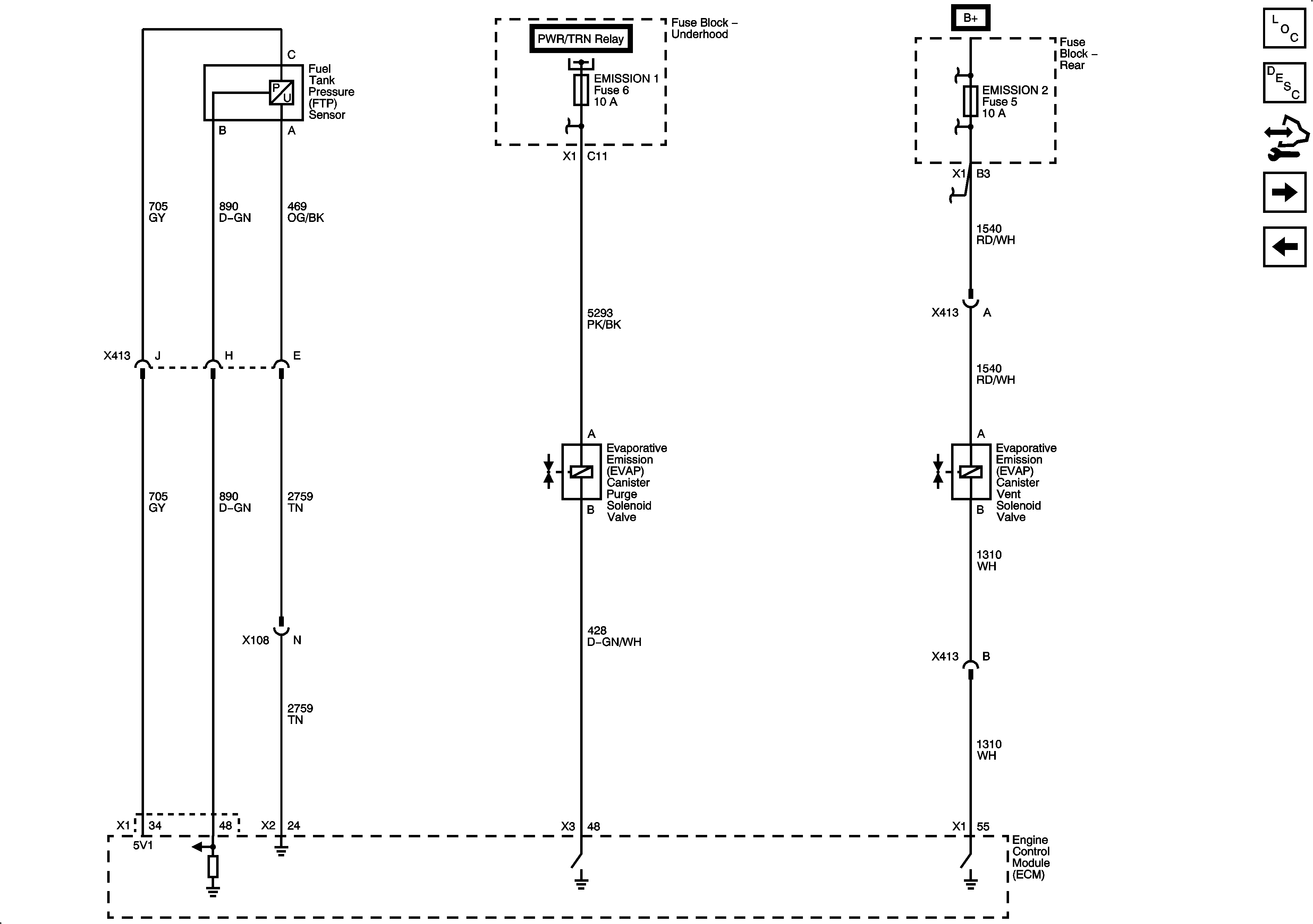
Figure 8:

Fuel Controls - EVAP Controls


Object Number: 2083969  Size: FS
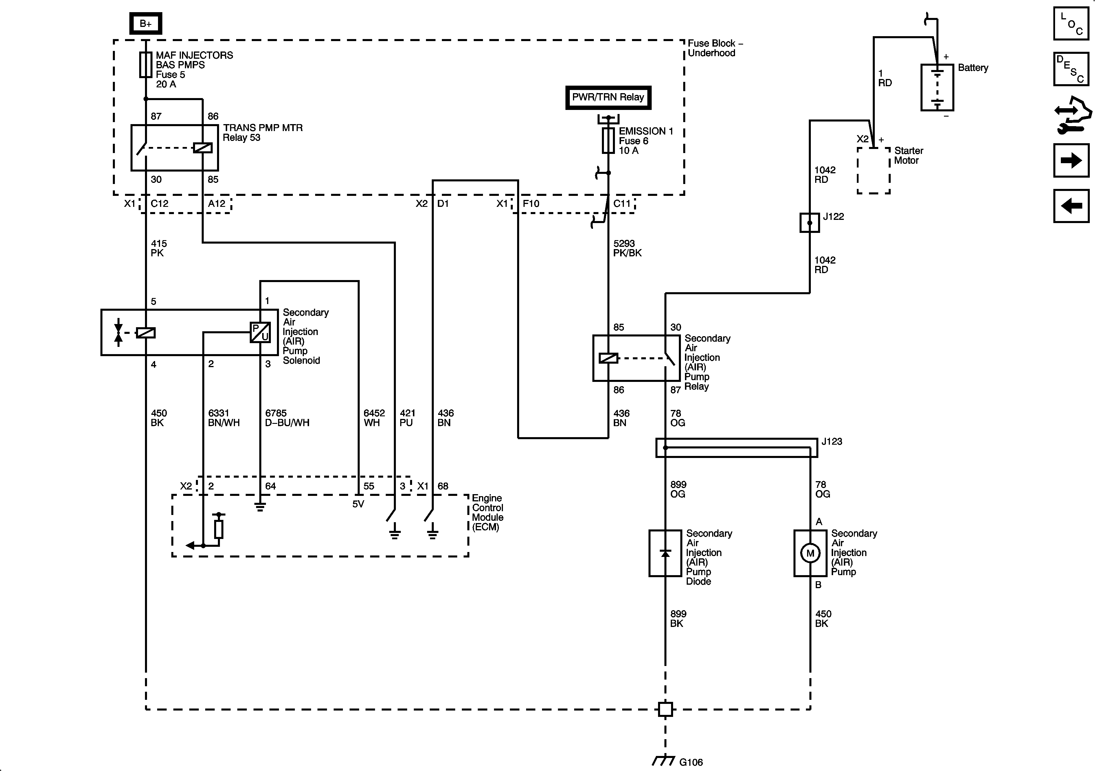
Figure 9:

Secondary Air Injection (AIR) (NU6)


Object Number: 2137574  Size: FS
Figure 10:

Monitored/Controlled Subsystem References


Object Number: 2083971  Size: FS

Engine Controls Schematics LAT

Figure 1:

Module Power, Ground, Serial Data and MIL


Object Number: 2083972  Size: FS
Figure 2:

5-Volt and Low References


Object Number: 2083973  Size: FS
Figure 3:

Engine Data Sensors - Pressure, Temperature, and Throttle Control


Object Number: 2083976  Size: FS
Figure 4:

Engine Data Sensors - HO2S


Object Number: 2083977  Size: FS
Figure 5:

Ignition Controls - Ignition System


Object Number: 2083978  Size: FS
Figure 6:

Ignition Controls - Sensors


Object Number: 2083979  Size: FS
Figure 7:

Fuel Controls - Fuel Injectors and Fuel Pump


Object Number: 2083981  Size: FS
Figure 8:

Fuel Controls - EVAP Controls


Object Number: 2083983  Size: FS
Figure 9:

Monitored/Controlled Subsystem References


Object Number: 2083984  Size: FS