| Figure 1: |
Power, Ground and Serial Data (ME7)
|
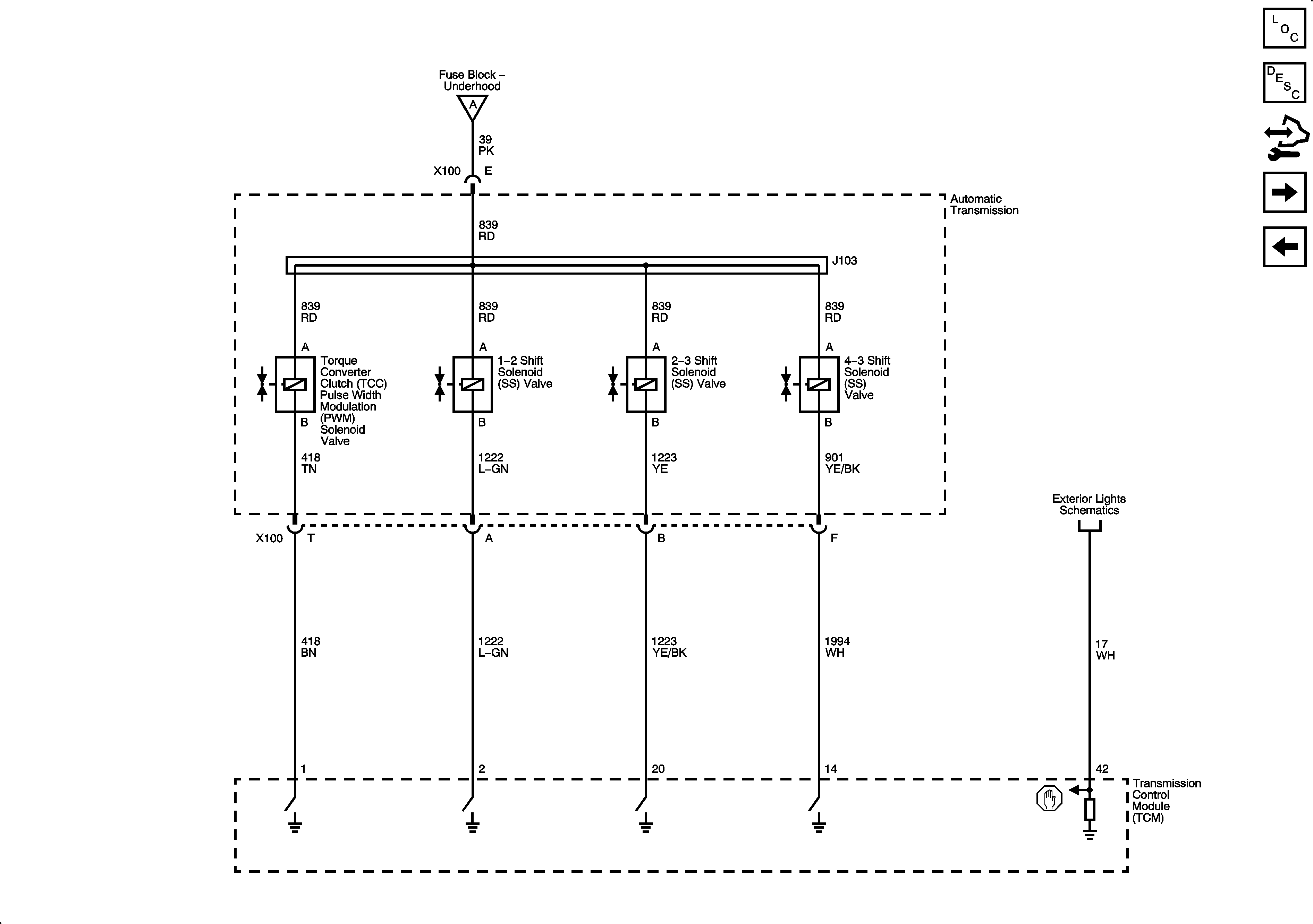
| Figure 2: |
Shift Solenoids and (TCC PWM) Solenoid Valve (ME7)
|
| Figure 3: |
Transmission Switches, TFT and A/T ISS Sensor (ME7)
|
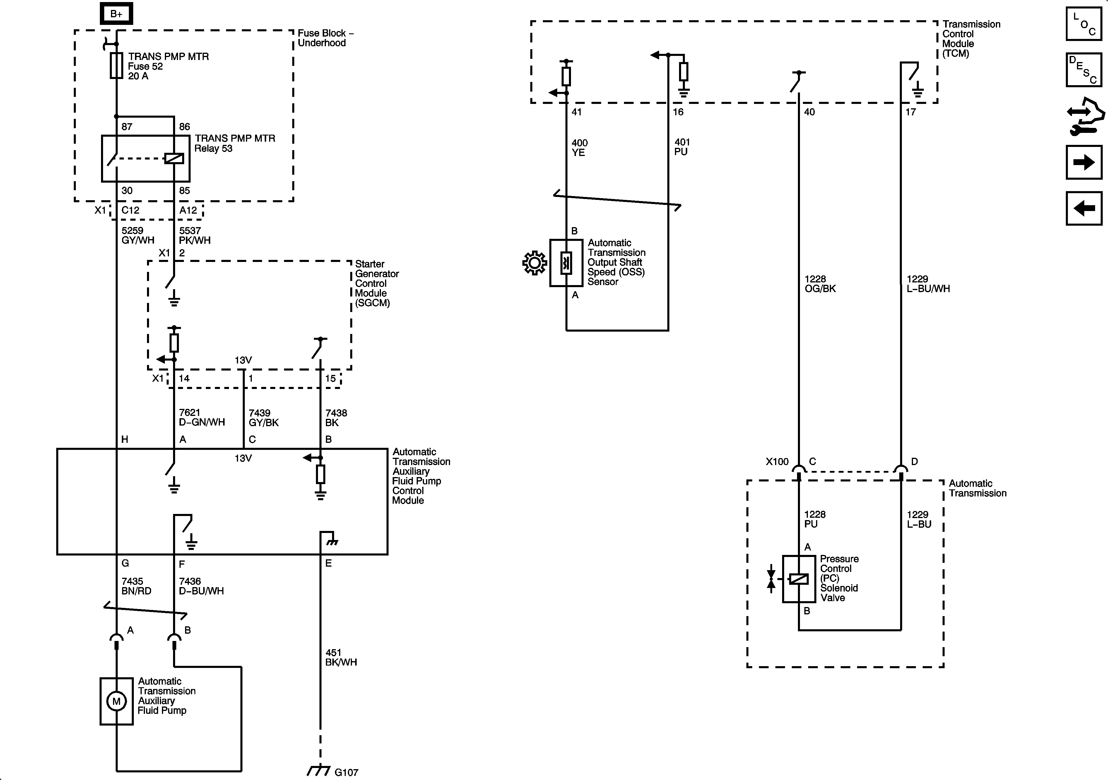
| Figure 4: |
Pressure Control and VSS (ME7)
|
| Figure 5: |
PNP Switch (ME7)
|
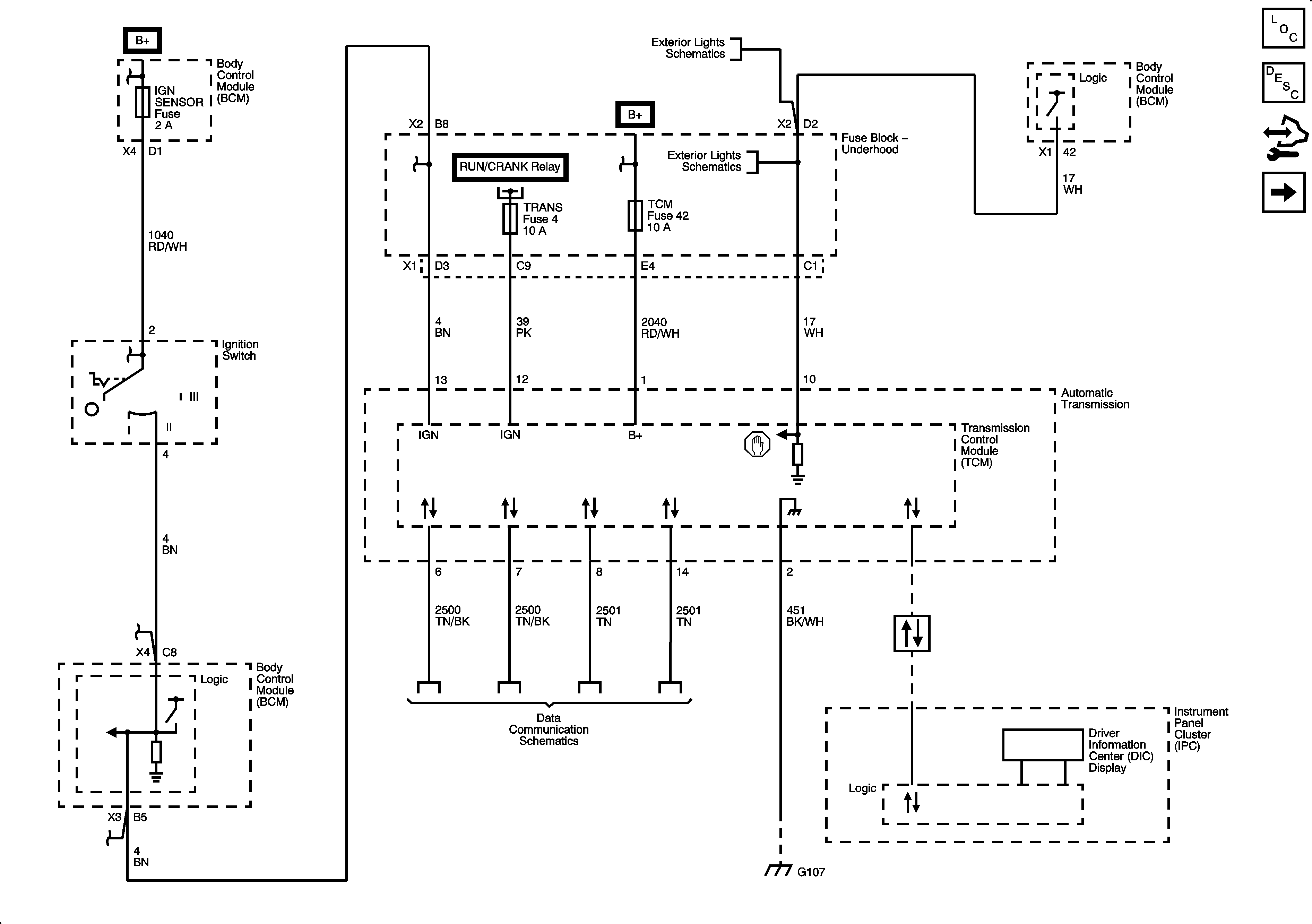
| Figure 1: |
Module Power, Ground, Data Communication, MIL, and Brake Applied Signal
|
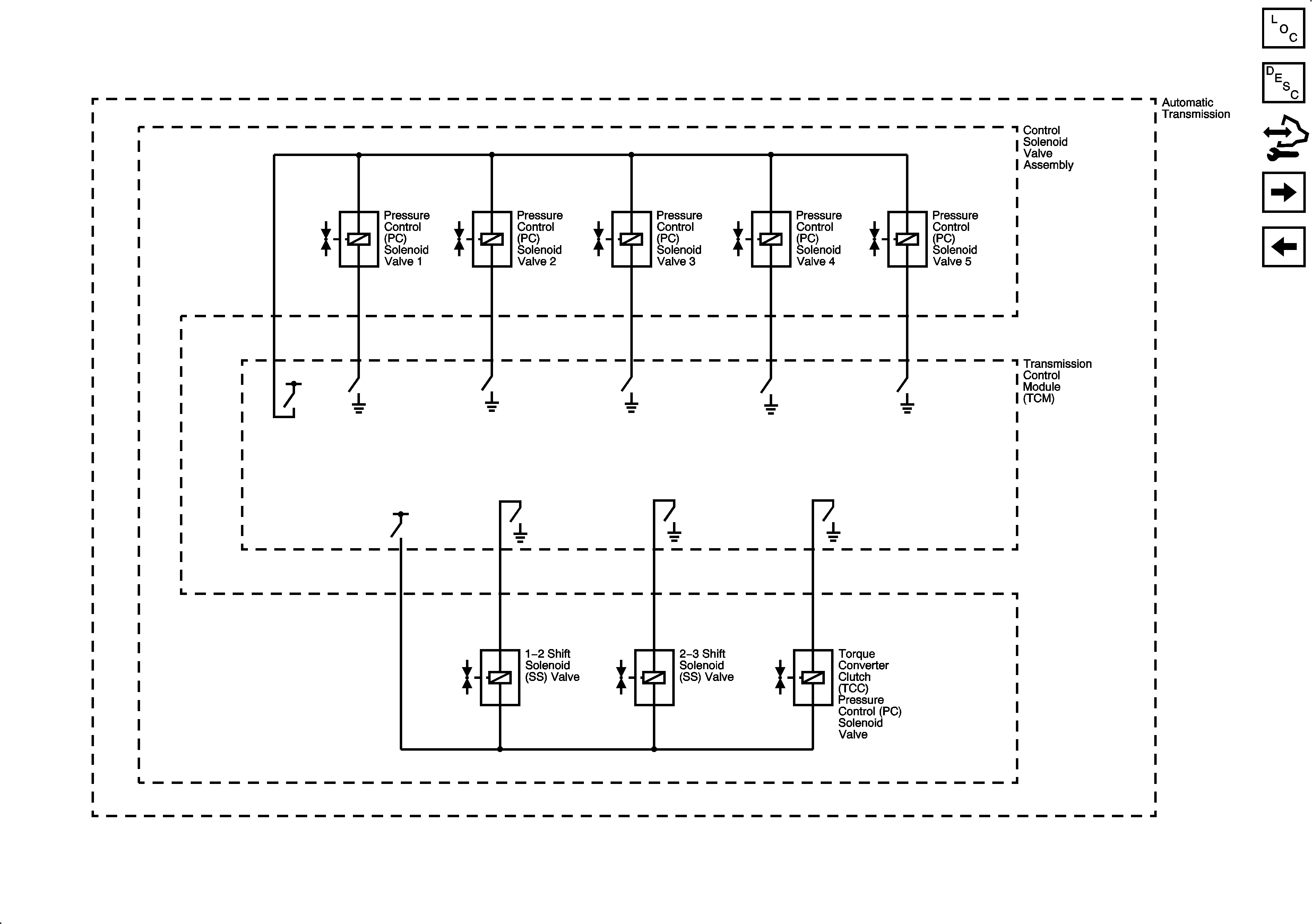
| Figure 2: |
Pressure Controls and Shift Controls
|
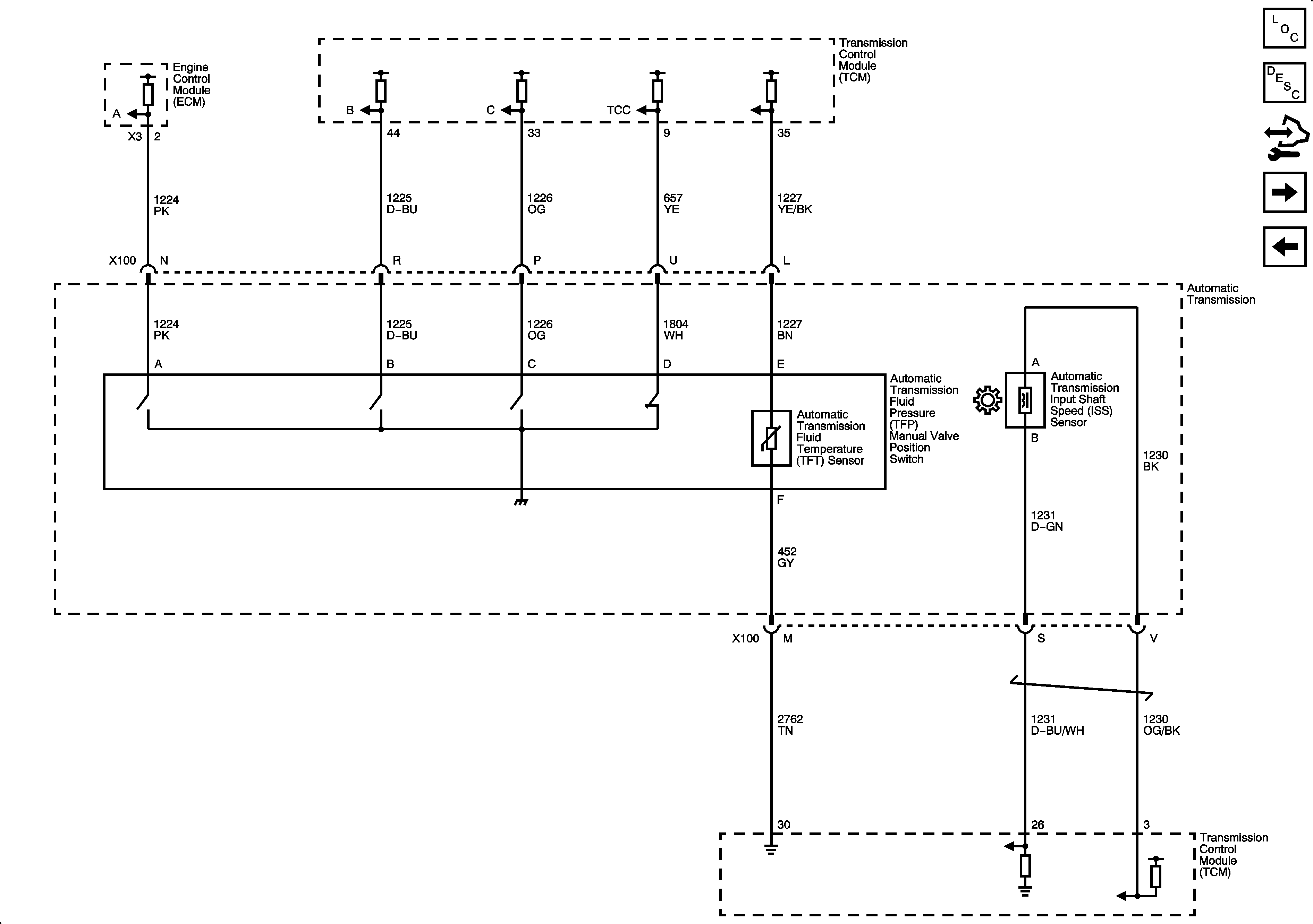
| Figure 3: |
ISS, OSS, TFP, and TFT
|
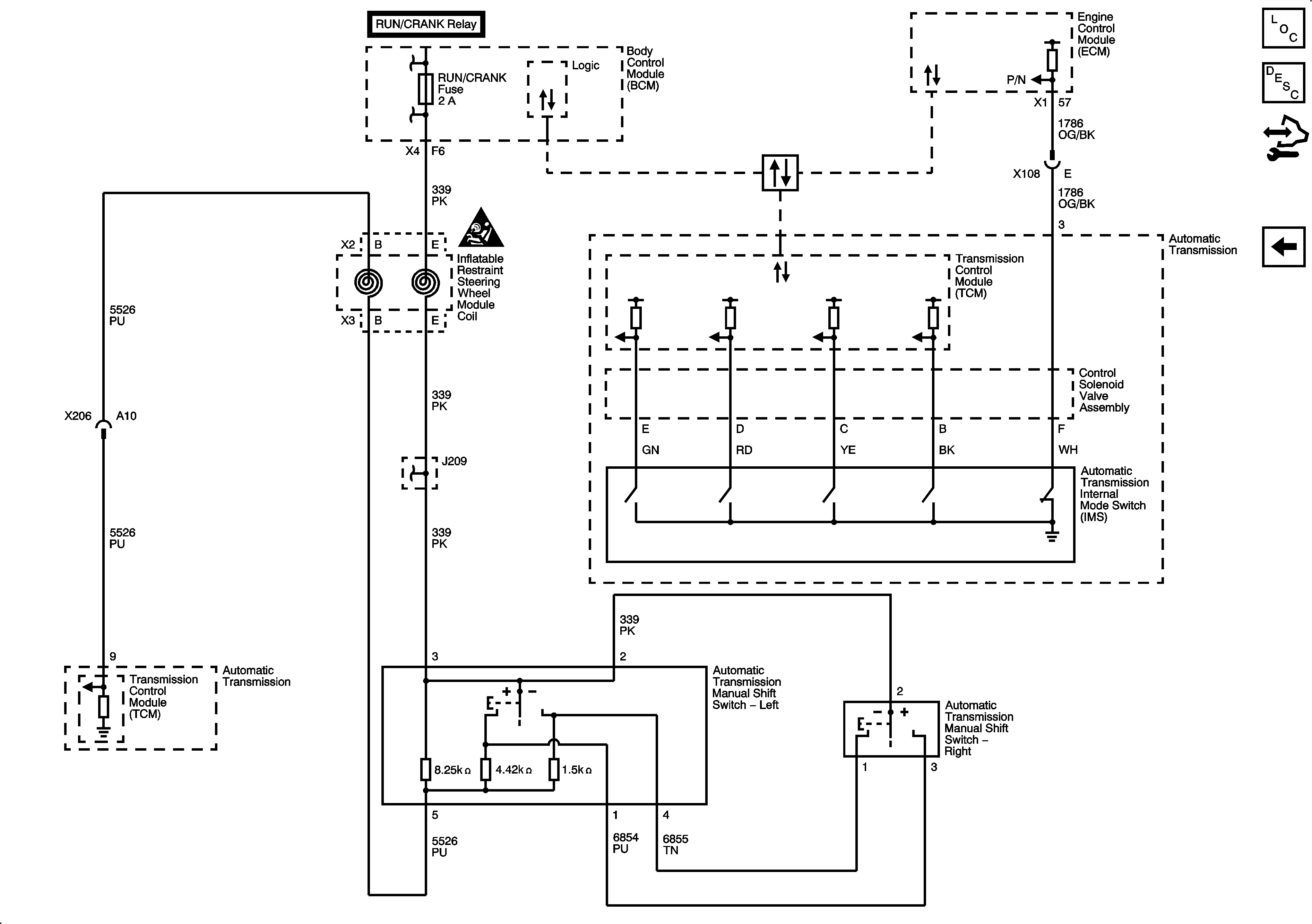
| Figure 4: |
IMS and Tap Up/Tap Down Switches
|
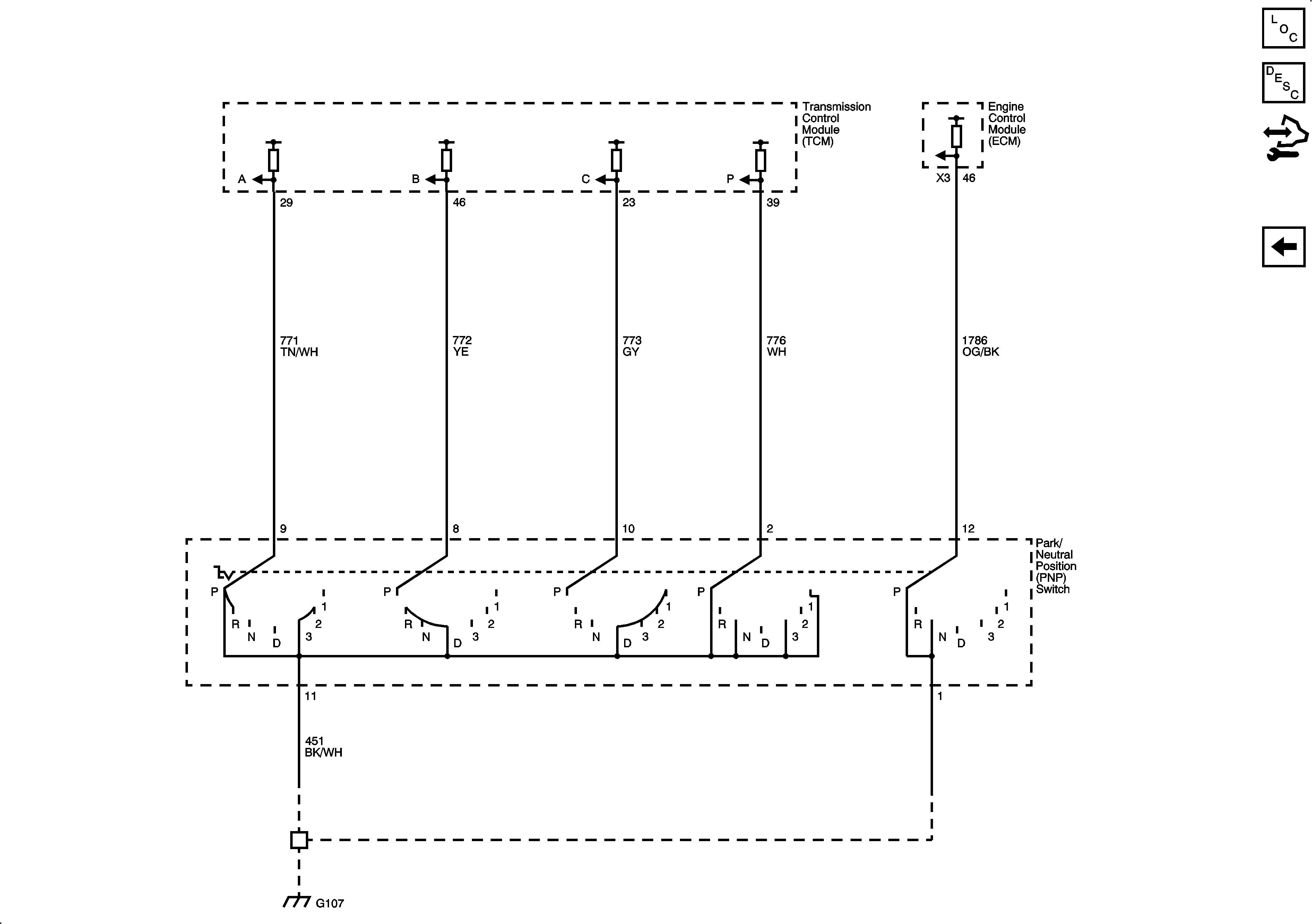
| Figure 5: |
PNP Switch (MN5)
|