GM Service Manual Online
For 1990-2009 cars only
Makes
🢒
Saturn
🢒
2009
🢒
AURA
🢒
Power and Signal Distribution
🢒
Data Communications
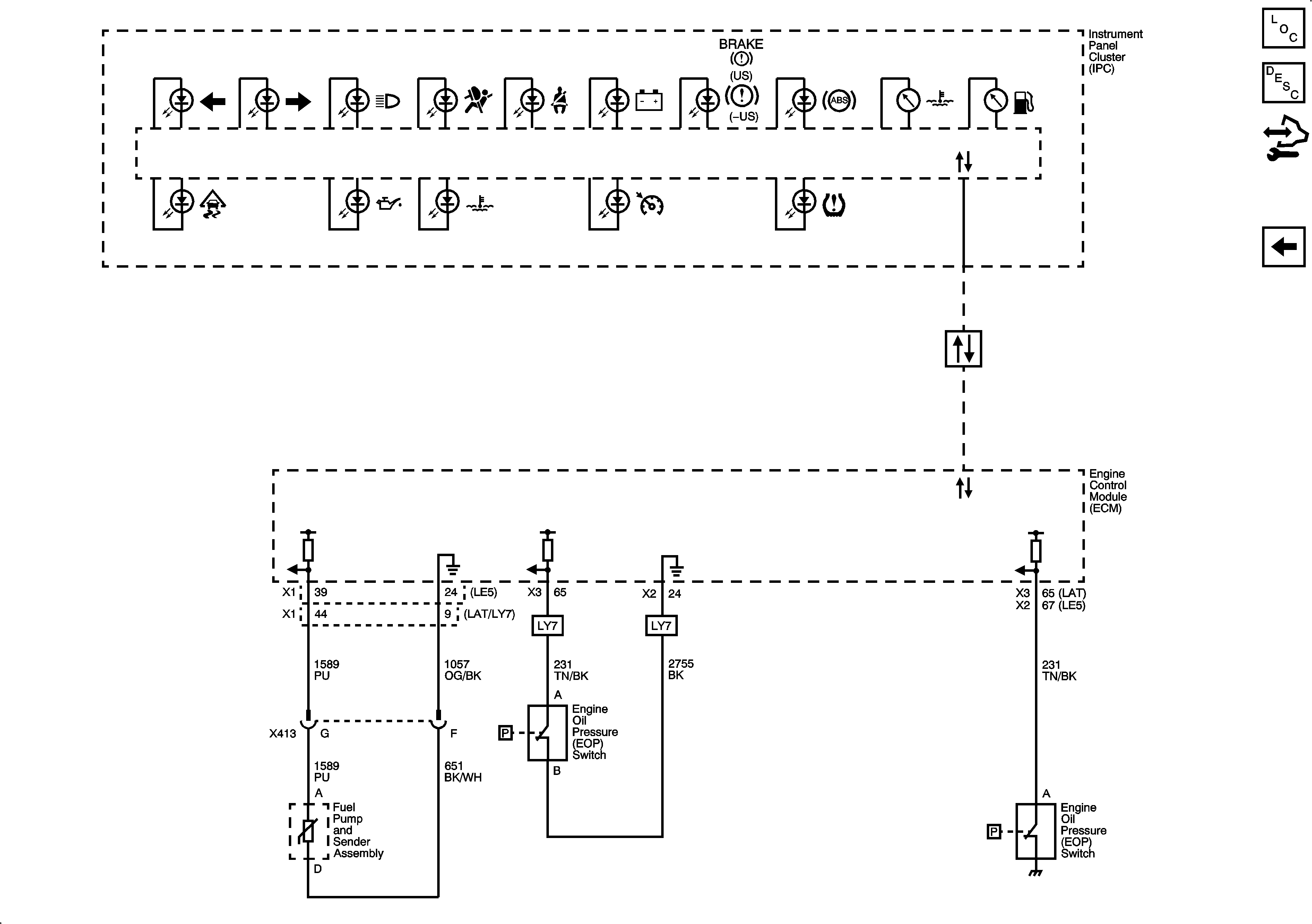
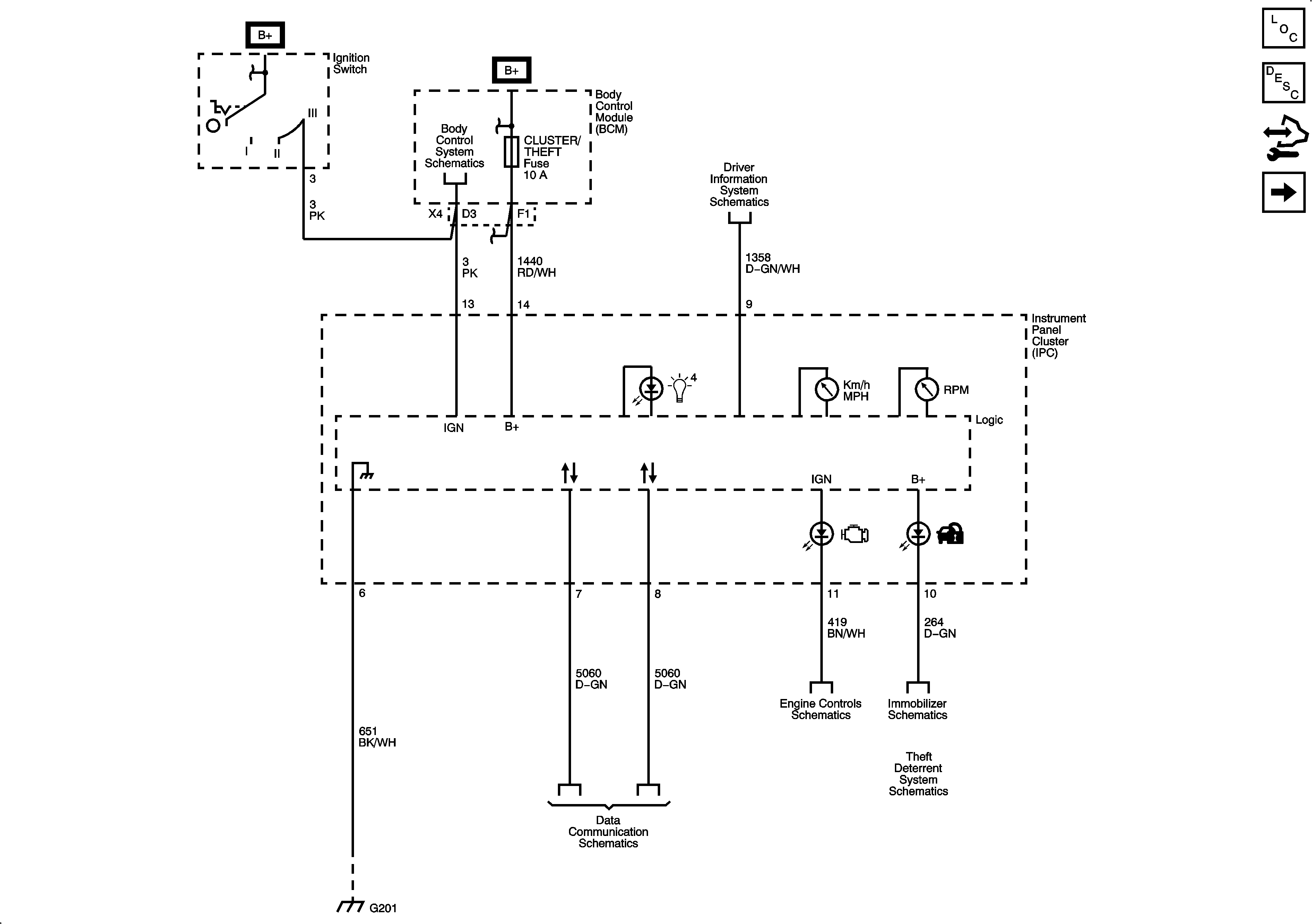
🢒 Instrument Cluster Schematics
Figure
1:
Power, Ground, Illumination, and Serial Data
Figure
2:
Indicators