GM Service Manual Online
For 1990-2009 cars only
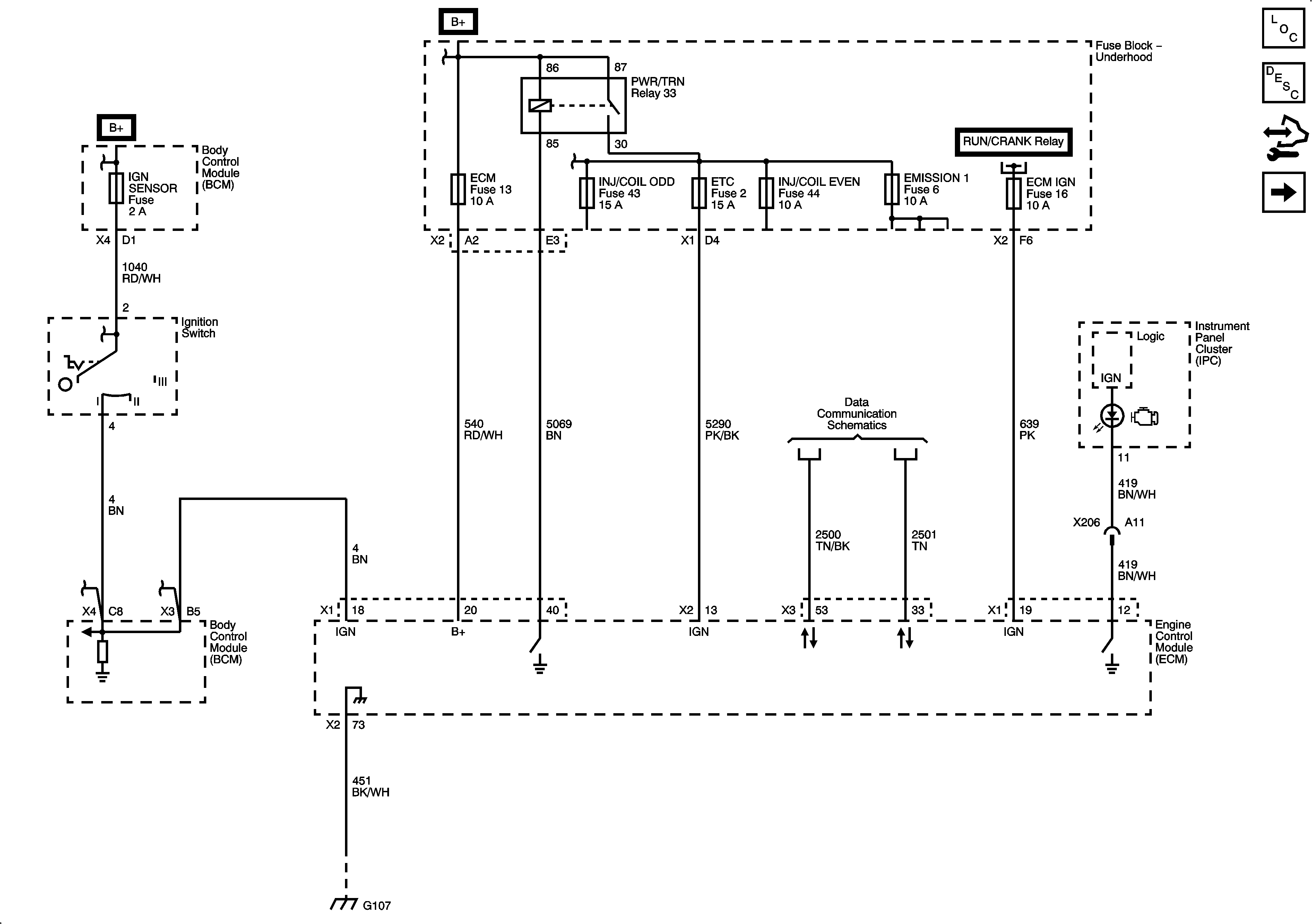
Figure 1:

Module Power, Ground, Serial Data and MIL


Object Number: 2083987  Size: FS
Figure 2:

5-Volt and Low References


Object Number: 2083988  Size: FS
Figure 3:

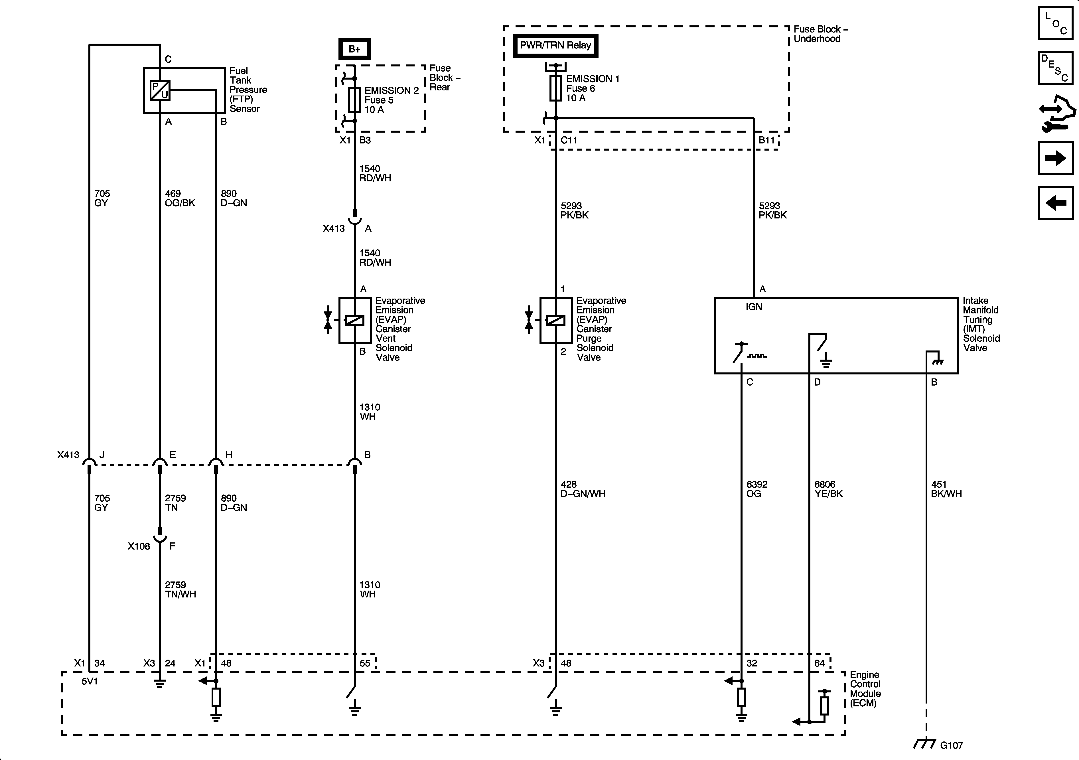
Engine Data Sensors - Pressure, Temperature, and Throttle Control


Object Number: 2083989  Size: FS
Figure 4:

Engine Data Sensors - HO2S


Object Number: 2083990  Size: FS
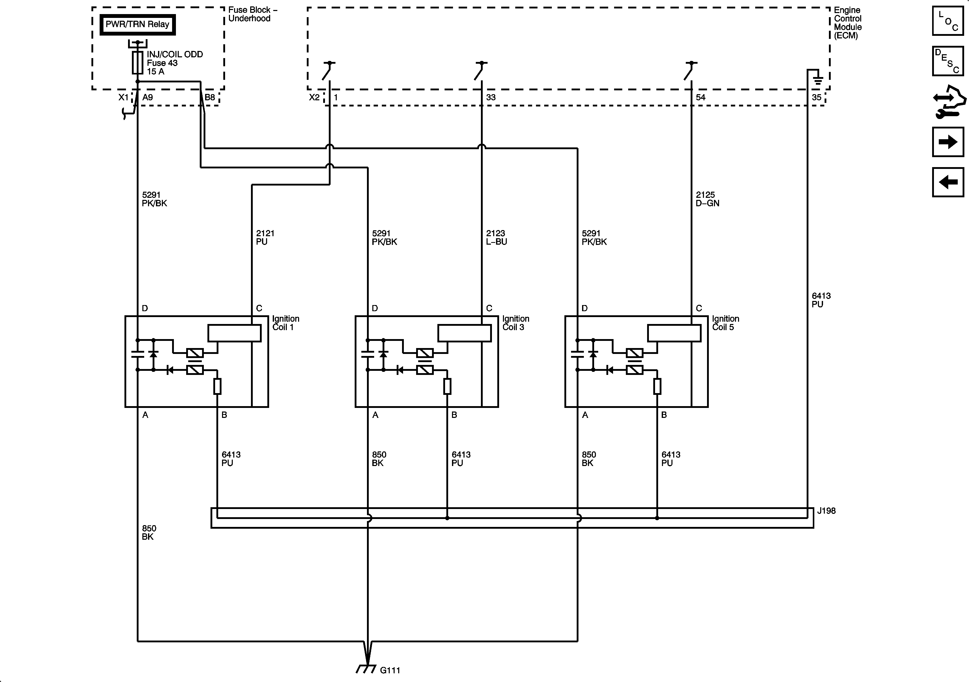
Figure 5:

Ignition Controls - Ignition System Coils 1, 3, and 5


Object Number: 2083991  Size: FS
Figure 6:

Ignition Controls - Ignition System Coils 2, 4, and 6


Object Number: 2083992  Size: FS
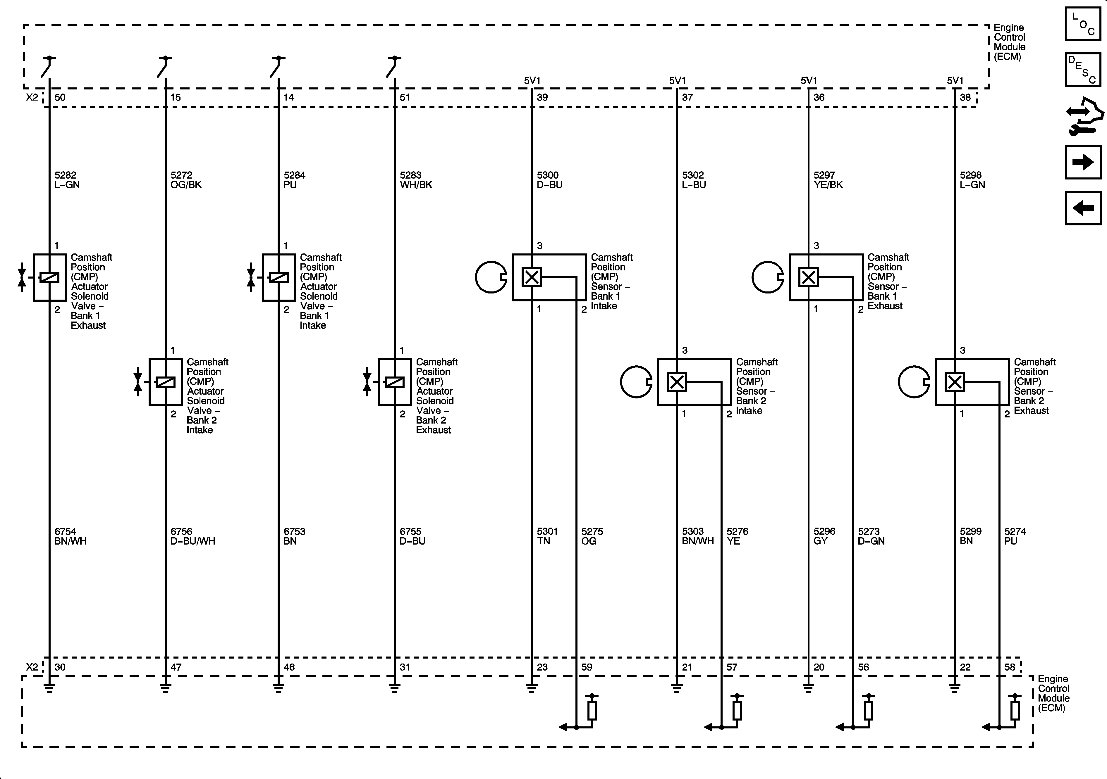
Figure 7:

Ignition Controls - Camshaft Sensors/Actuators


Object Number: 2083993  Size: FS
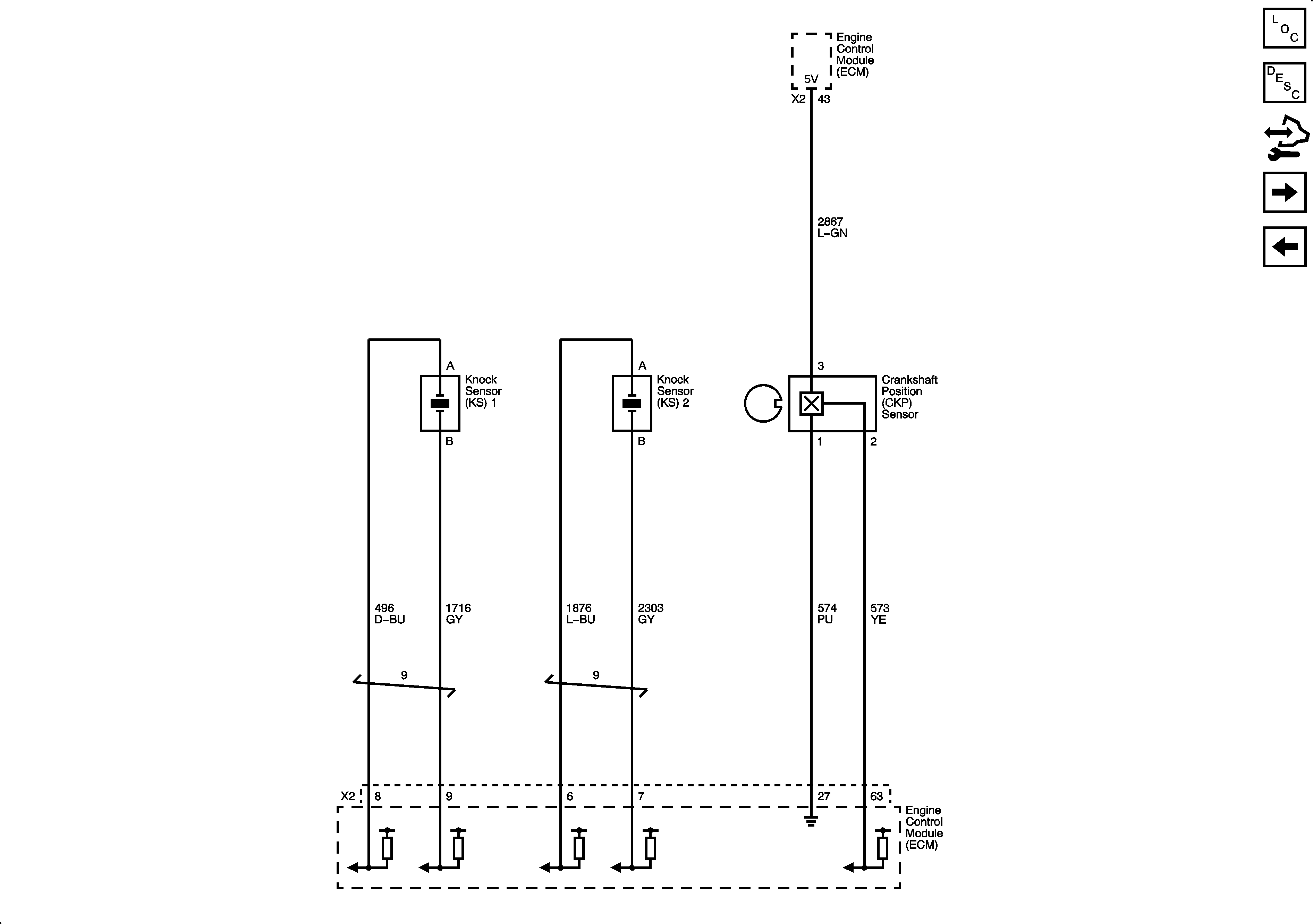
Figure 8:

Ignition Controls - Crankshaft/Knock Sensors


Object Number: 2083994  Size: FS
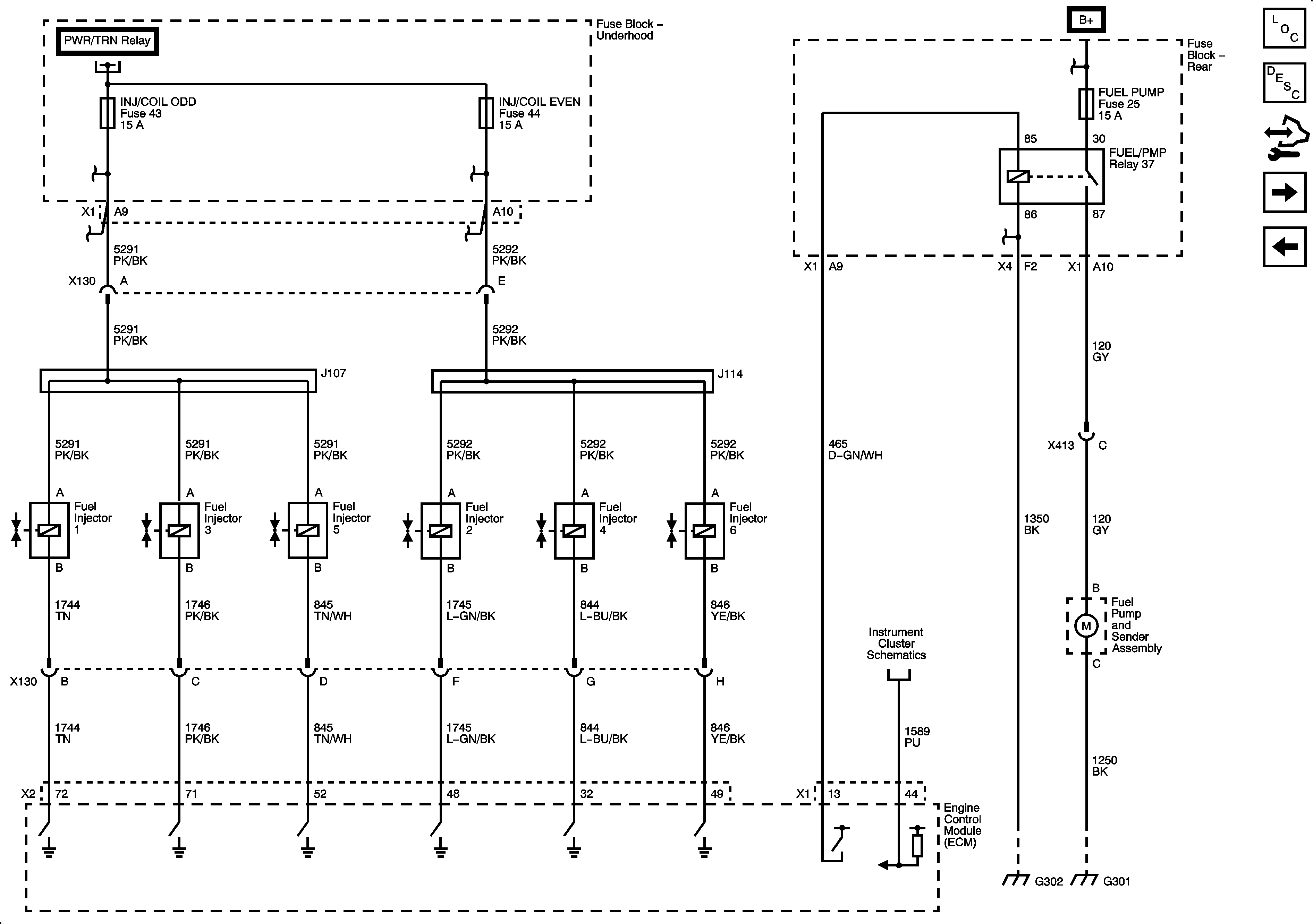
Figure 9:

Fuel Controls - Fuel Injectors and Fuel Pump


Object Number: 2083995  Size: FS
Figure 10:

Fuel Controls - Fuel Pump Controls


Object Number: 2083996  Size: FS
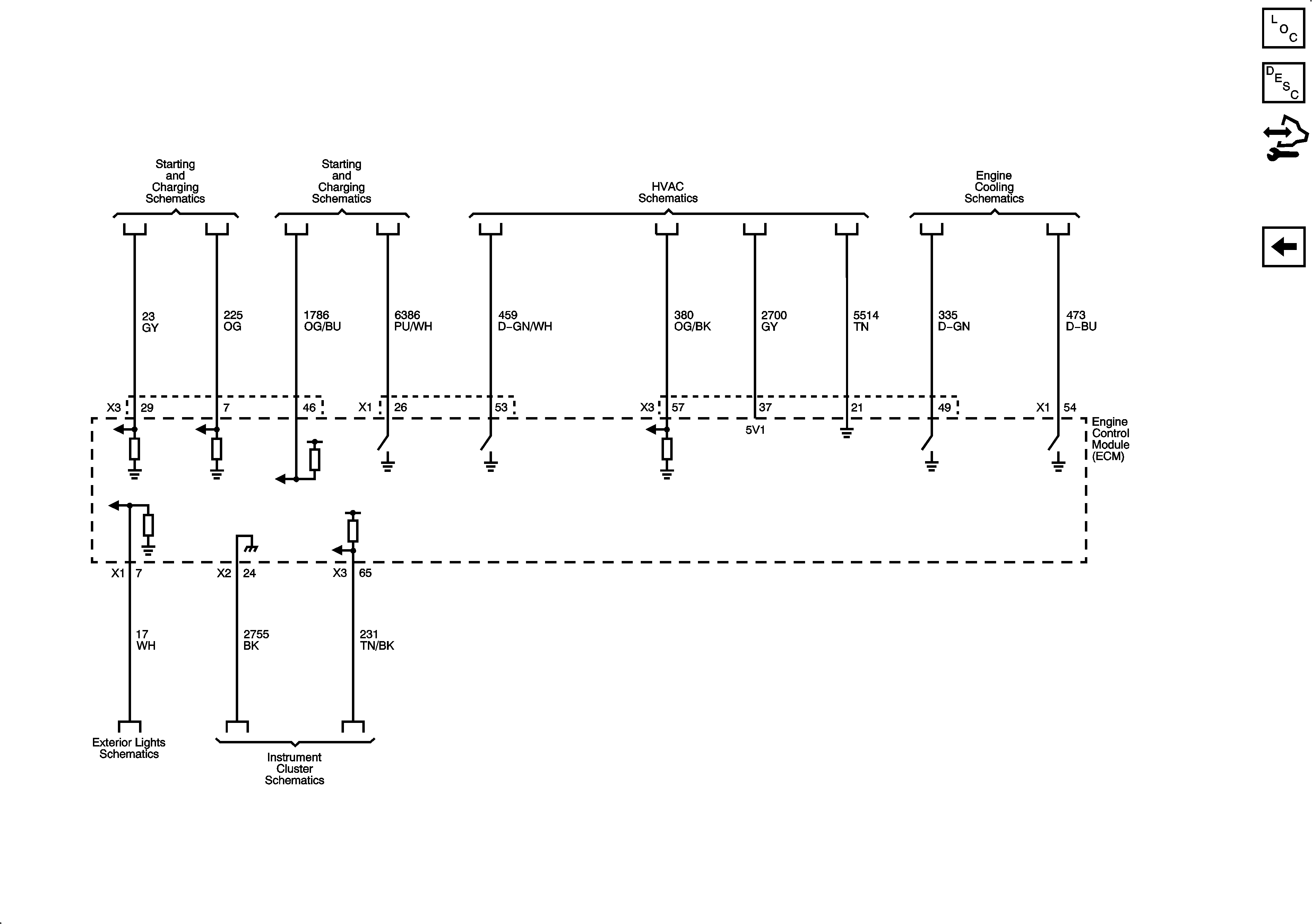
Figure 11:

Monitored/Controlled Subsystem References


Object Number: 2083997  Size: FS