GM Service Manual Online
For 1990-2009 cars only
Figure 1:

G101 and G102


Object Number: 2084042  Size: FS
Figure 2:

G103, G104, G105, and G107


Object Number: 2084043  Size: FS
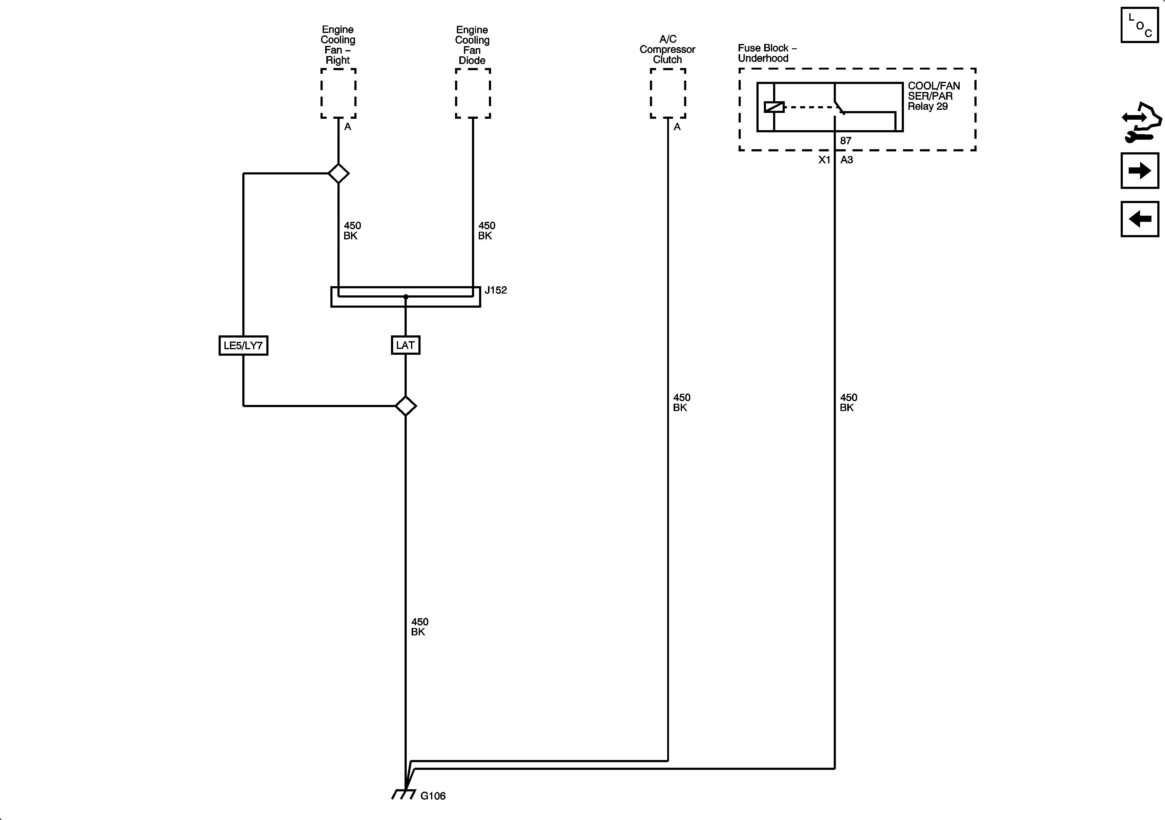
Figure 3:

G106


Object Number: 2084044  Size: FS
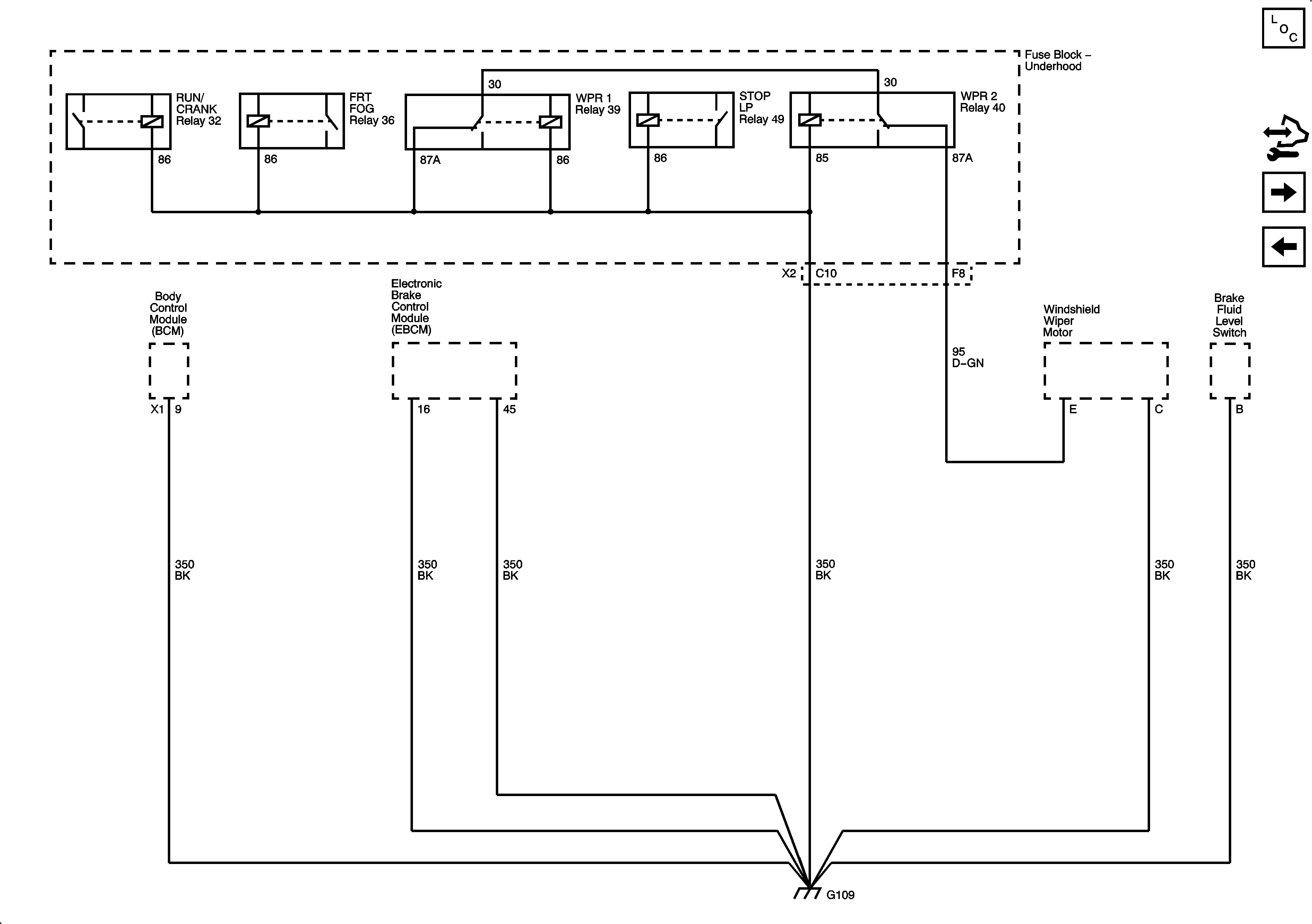
Figure 4:

G109


Object Number: 2084045  Size: FS
Figure 5:

G110, G111, and G113


Object Number: 2084046  Size: FS
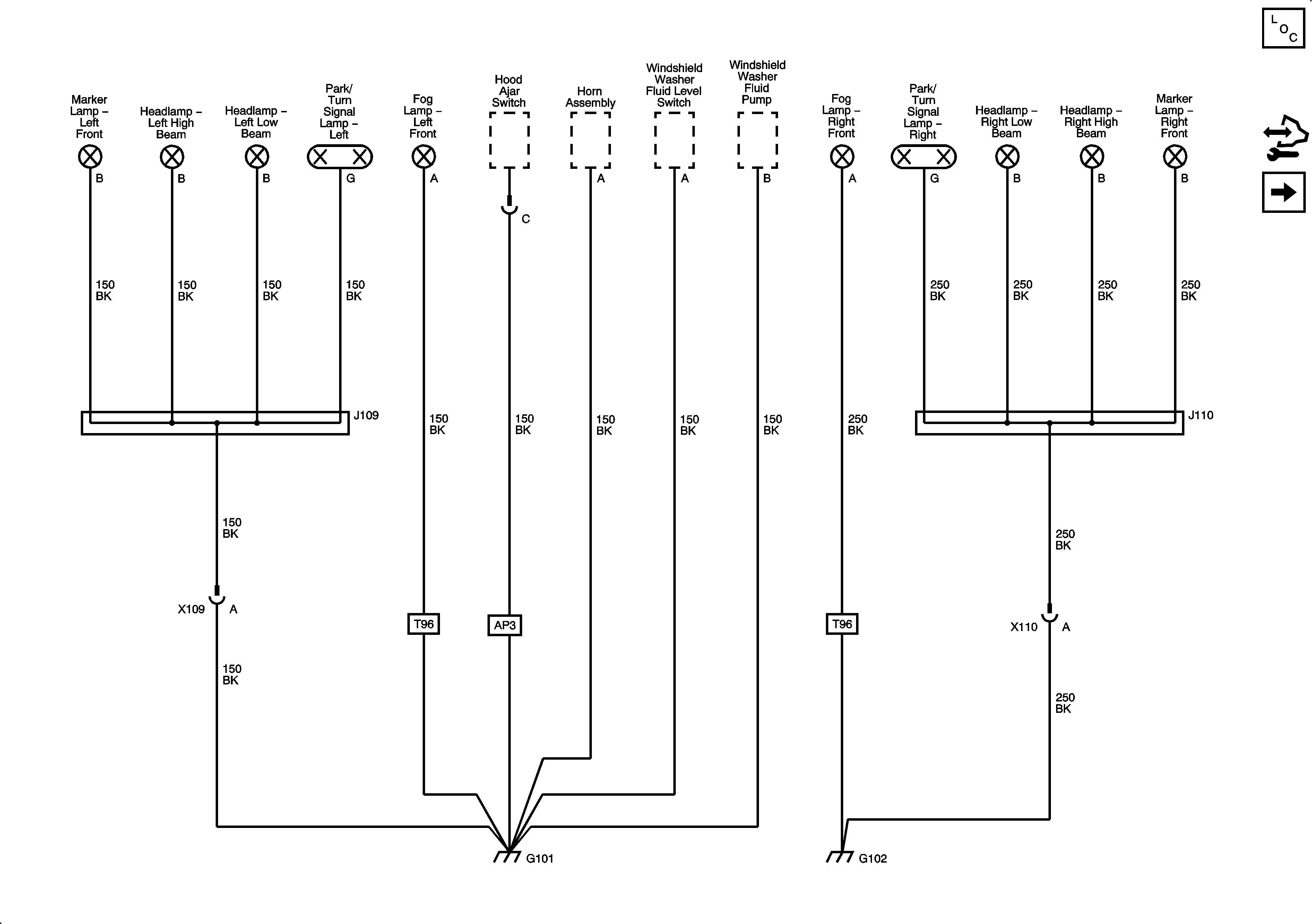
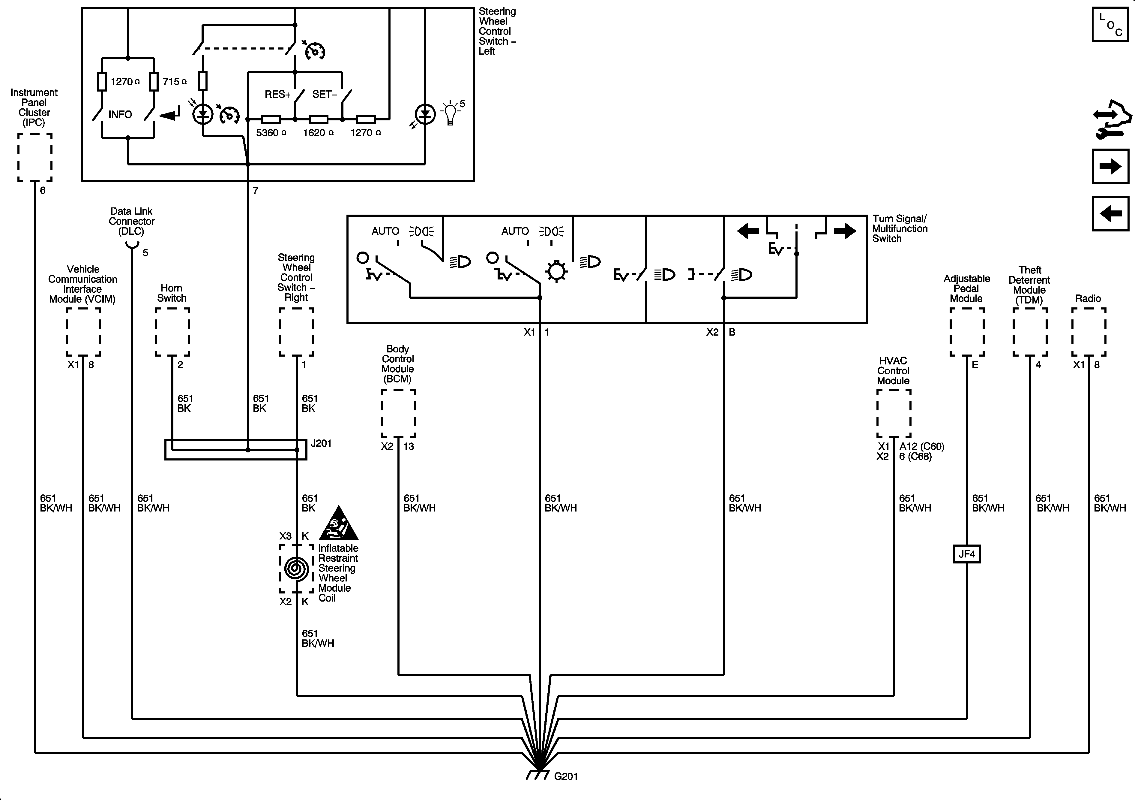
Figure 6:

G201


Object Number: 2084047  Size: FS
Figure 7:

G203


Object Number: 2084048  Size: FS
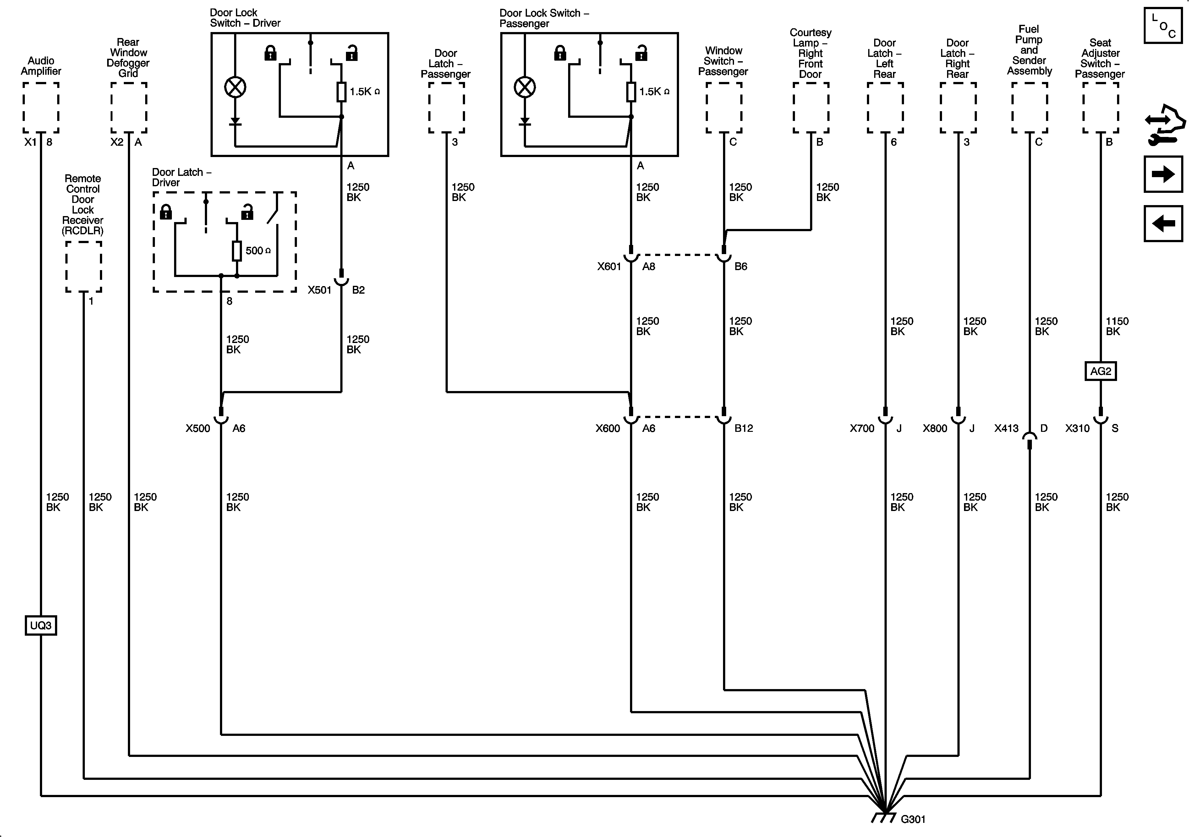
Figure 8:

G301


Object Number: 2084049  Size: FS
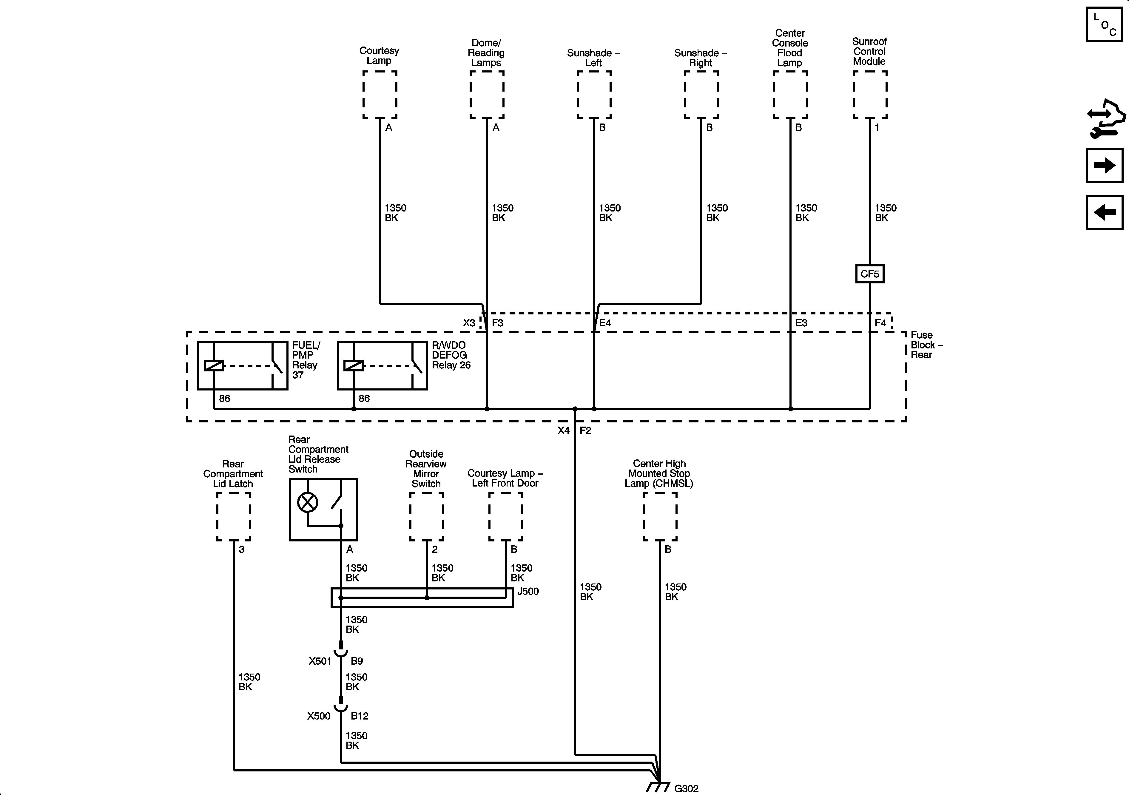
Figure 9:

G302


Object Number: 2084050  Size: FS
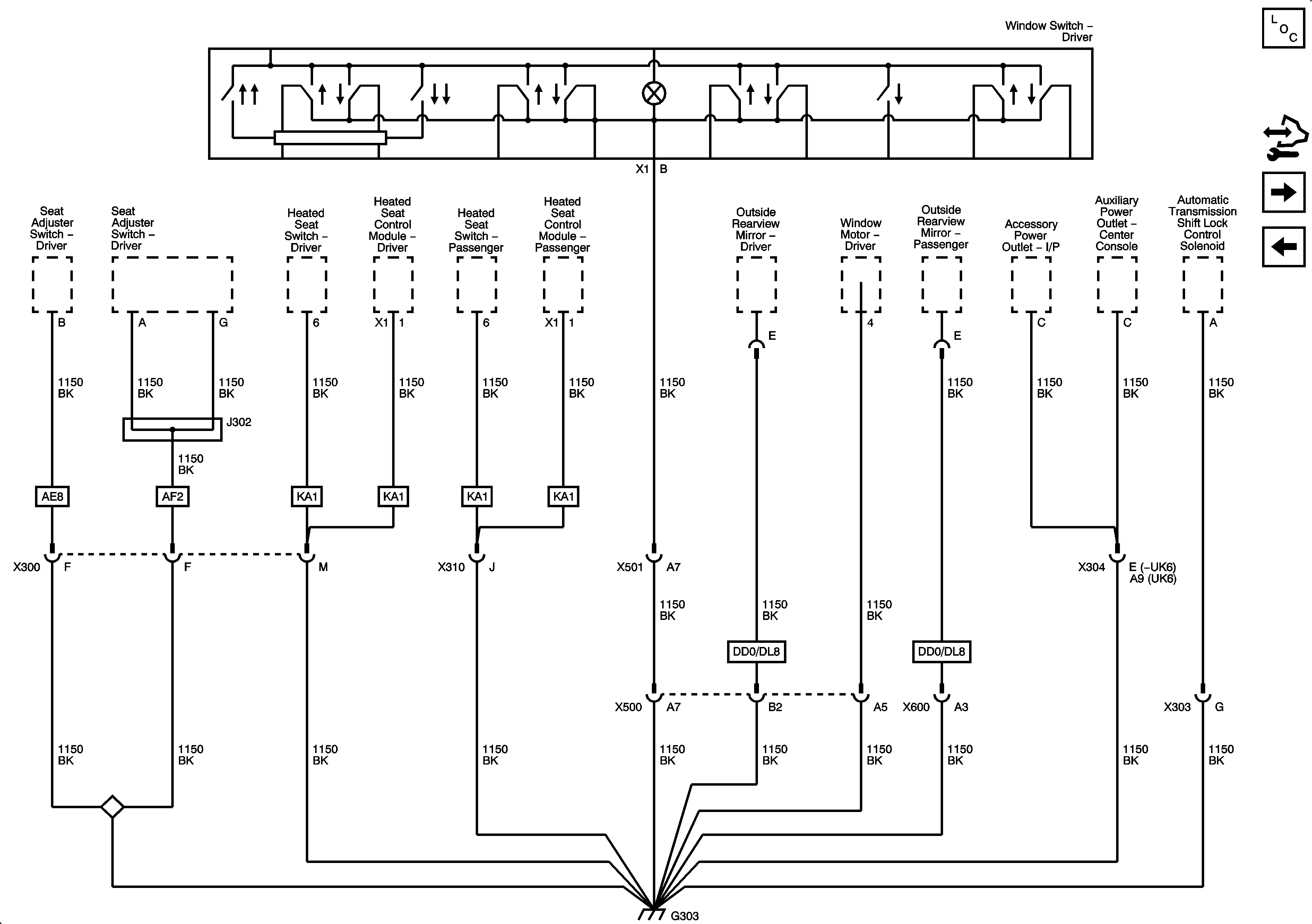
Figure 10:

G303


Object Number: 2084051  Size: FS
Figure 11:

G304, G305, and G306


Object Number: 2084052  Size: FS
Figure 12:

G401 and G403


Object Number: 2084053  Size: FS