GM Service Manual Online
For 1990-2009 cars only
Makes
🢒
Saturn
🢒
2009
🢒
AURA
🢒
Seats
🢒
Seat Heating and Cooling
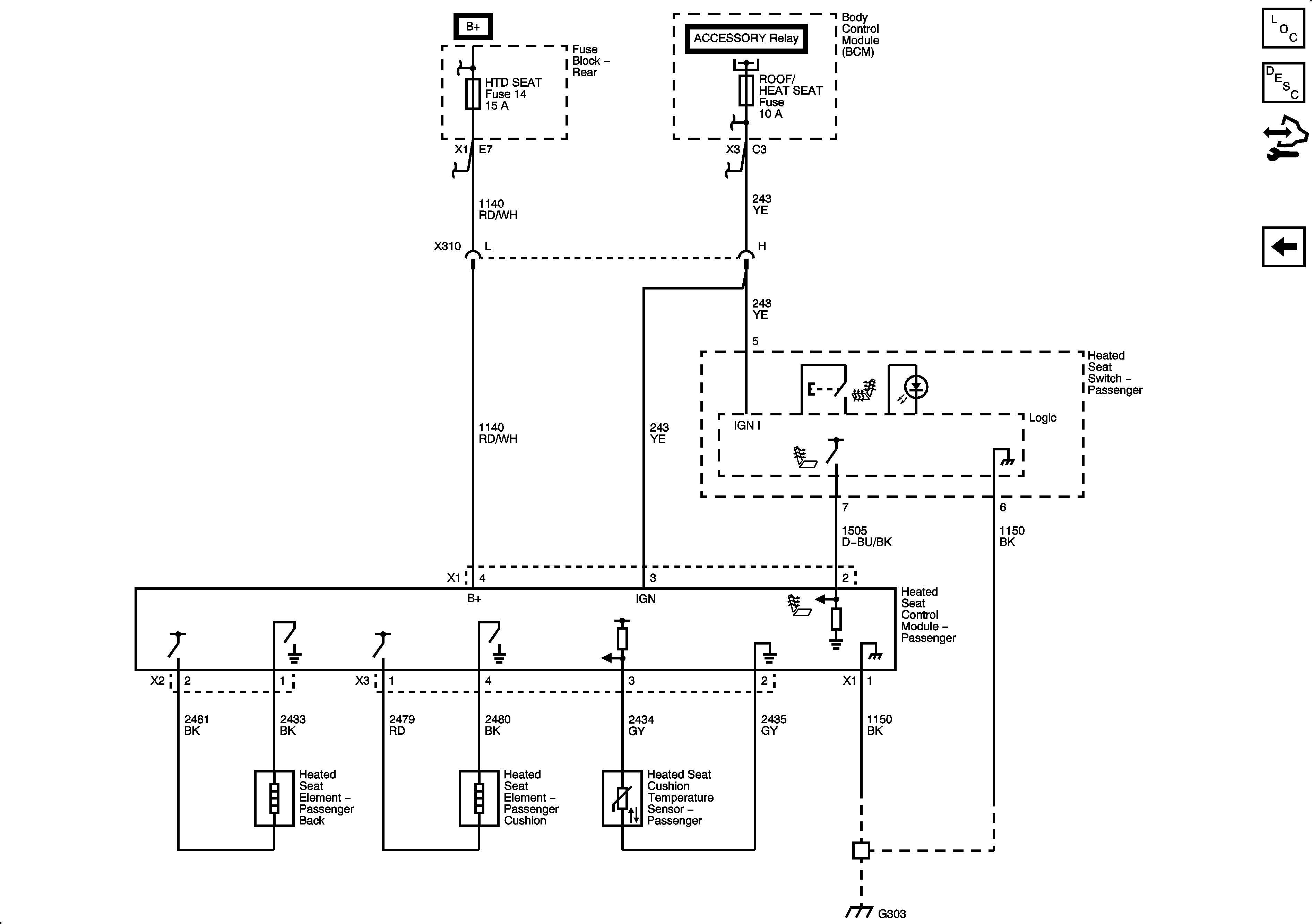
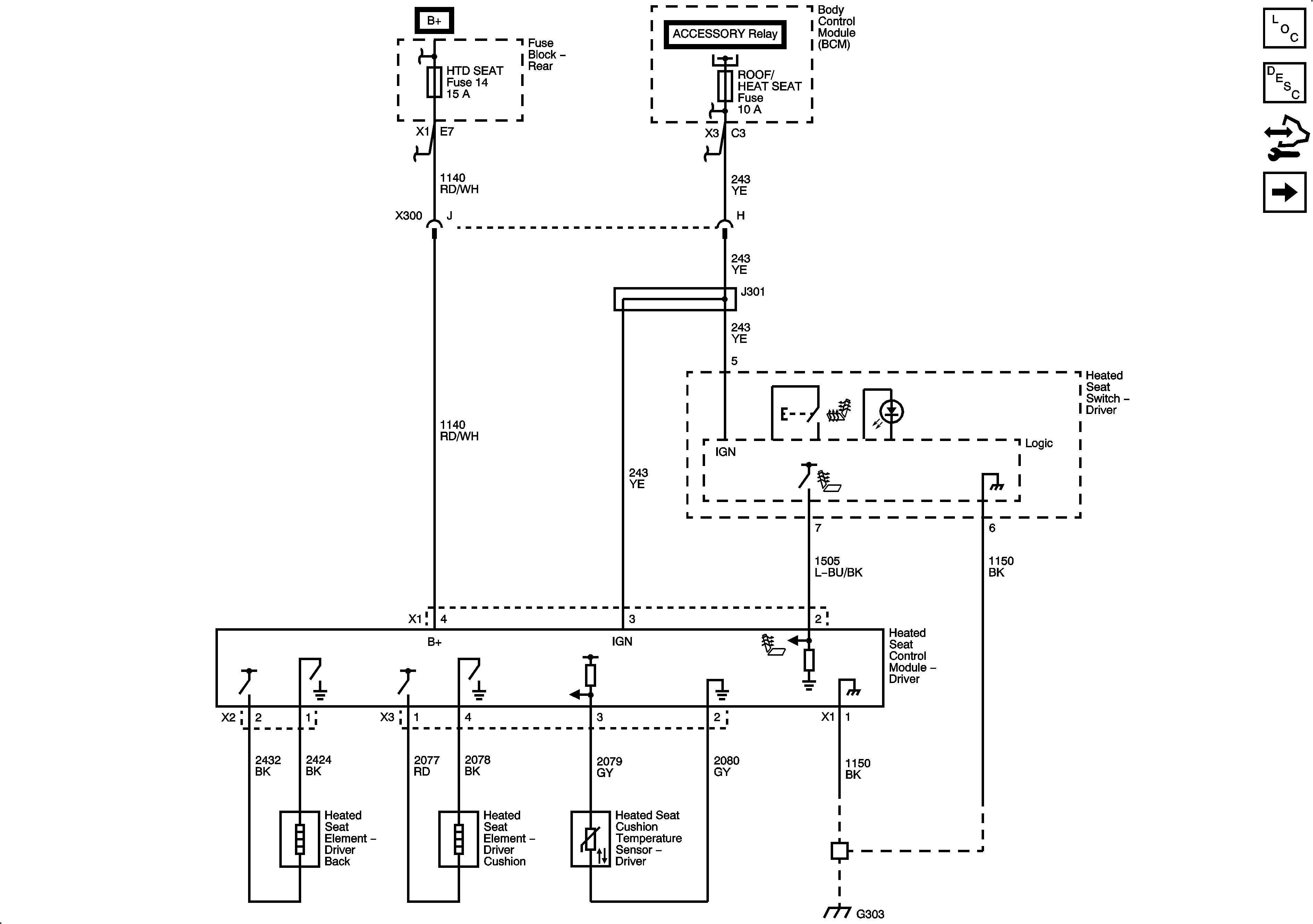
🢒 Heated/Cooled Seat Schematics
Figure
1:
Driver
Figure
2:
Passenger