GM Service Manual Online
For 1990-2009 cars only
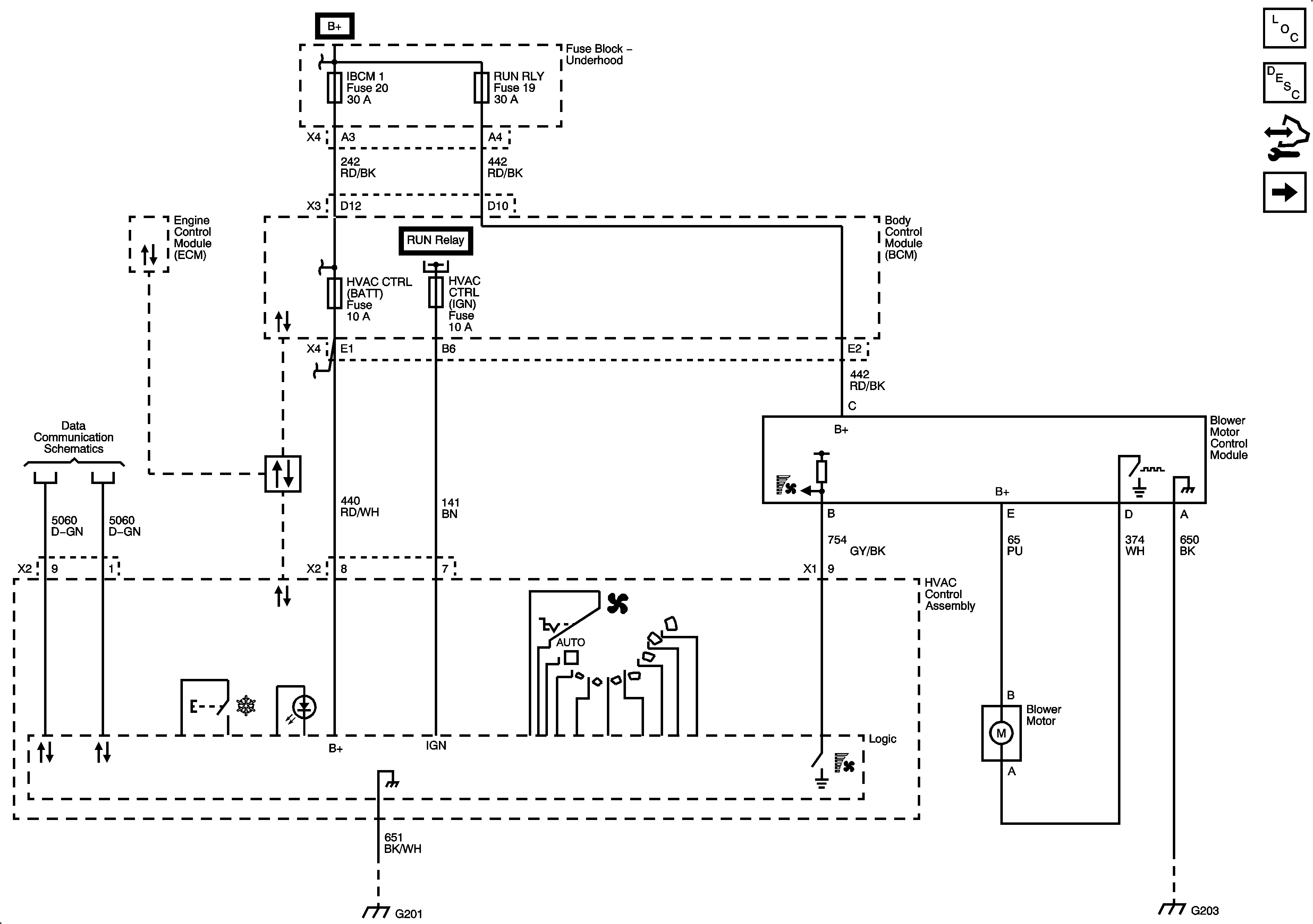
Figure 1:

Power, Ground and Blower Motor Controls


Object Number: 2084018  Size: FS
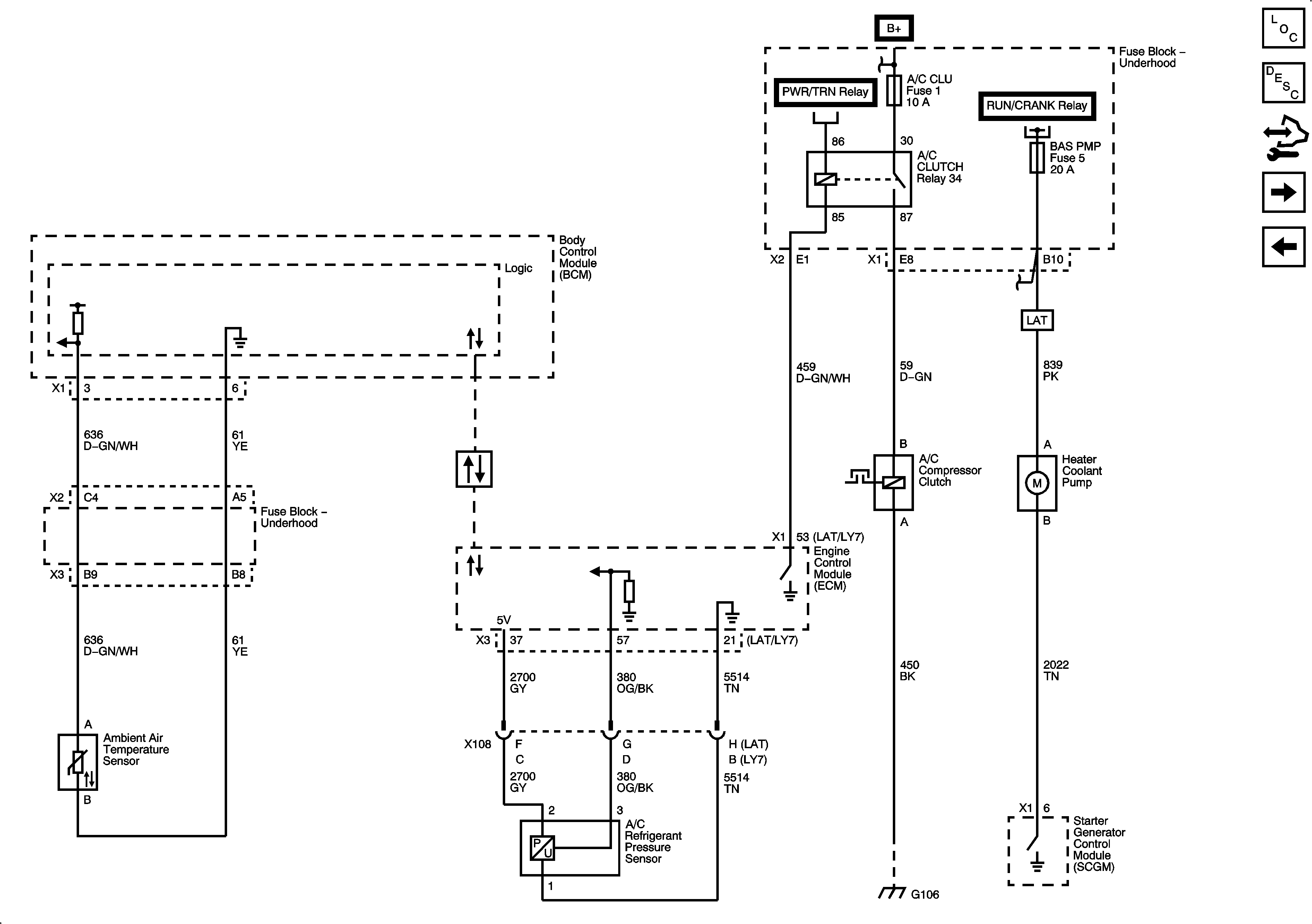
Figure 2:

Compressor Controls and Hybrid Heater Coolant Pump


Object Number: 2084020  Size: FS
Figure 3:

Air Temperature and Mode Controls


Object Number: 2084021  Size: FS