GM Service Manual Online
For 1990-2009 cars only
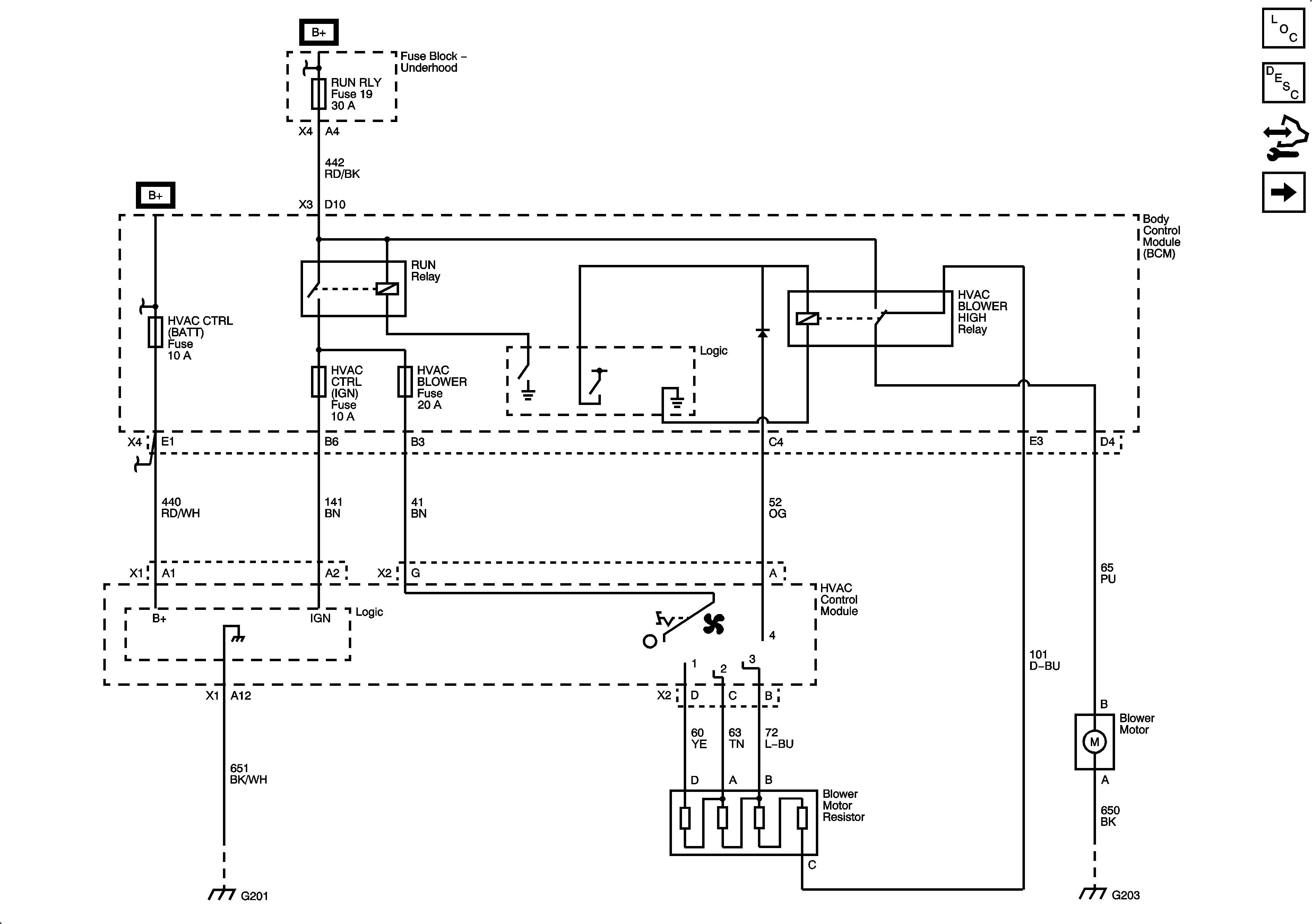
Figure 1:

Power, Ground and Blower Motor Controls


Object Number: 2084024  Size: FS
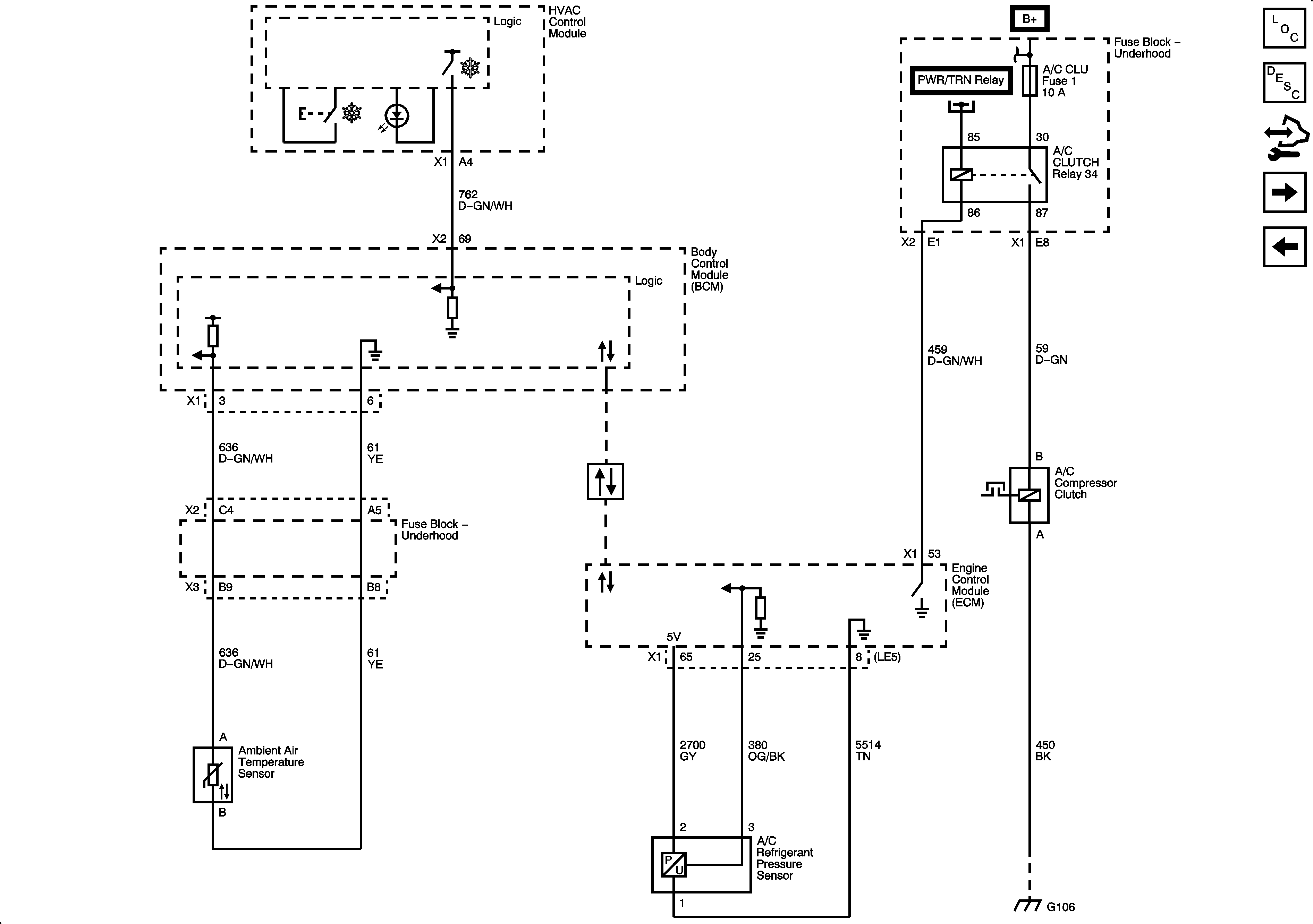
Figure 2:

Compressor Controls


Object Number: 2084025  Size: FS
Figure 3:

Air Temperature and Mode Controls


Object Number: 2084026  Size: FS