GM Service Manual Online
For 1990-2009 cars only
Makes
🢒
Saturn
🢒
2008
🢒
Astra
🢒
Diagnostic Navigation
🢒
Vehicle Diagnostic Information
🢒 Radio/Audio System Schematics
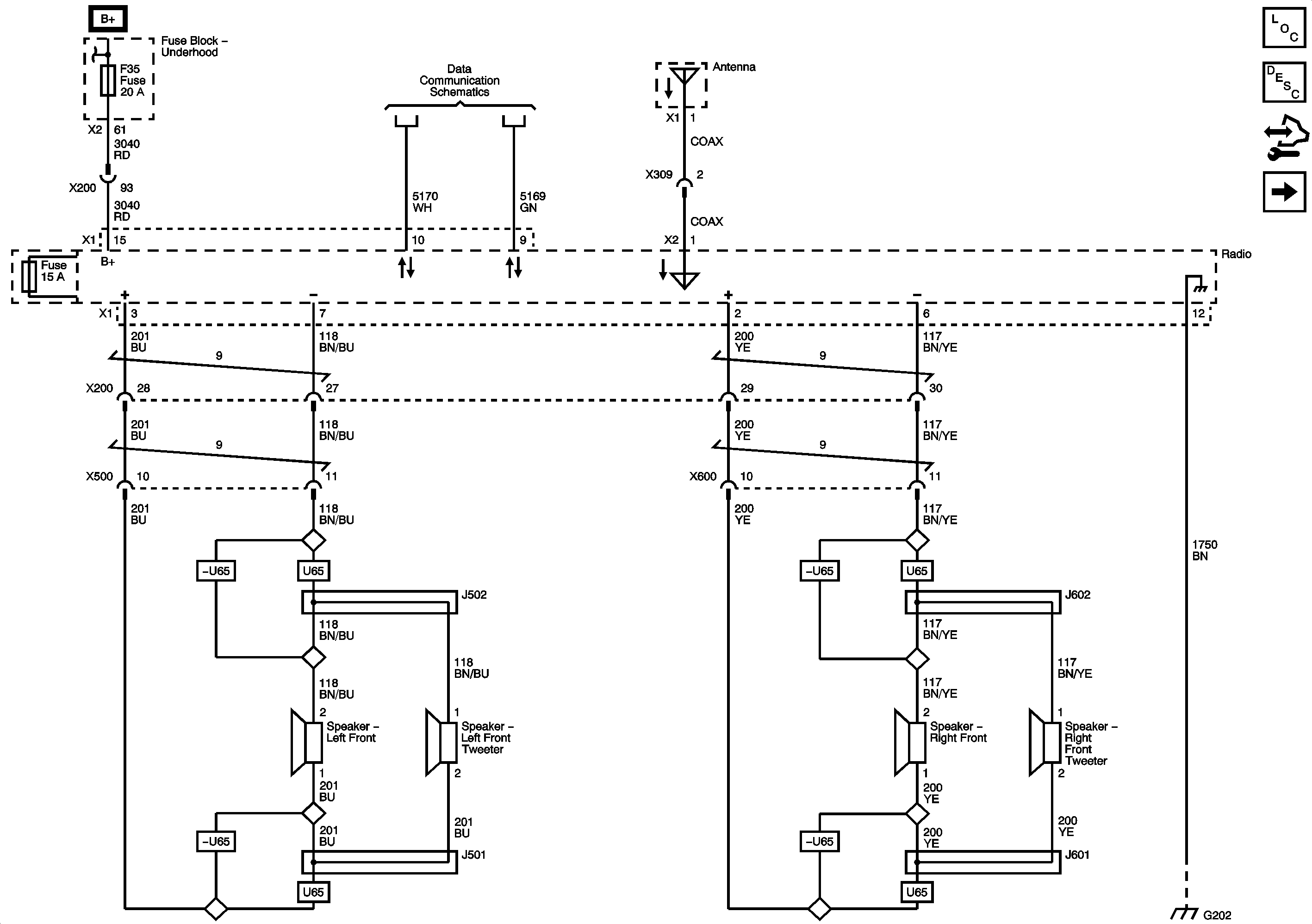
Figure
1:
Power, Ground, Serial Data, Antenna and Front Speaker Outputs
Master Electrical Component List
Radio/Audio System Description and Operation
Control Module References
Center and Rear Speakers
B+ Bus 2 of 2
Fuse Block - Underhood F35 and F16 Fuses
GM Mid Speed Serial Data (CAN B)
G201 and G202
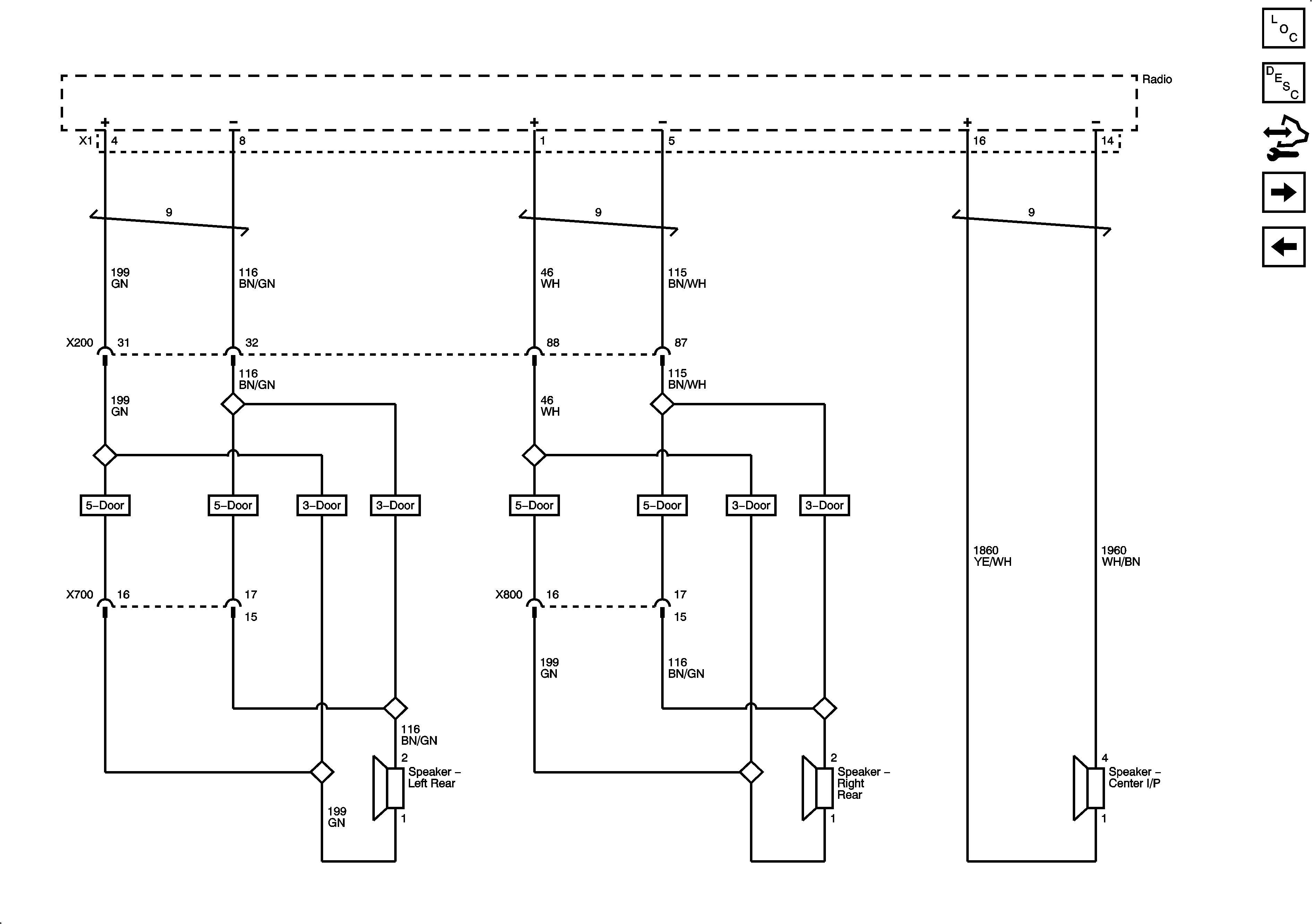
Figure
2:
Center and Rear Speakers
Master Electrical Component List
Radio/Audio System Description and Operation
Control Module References
Auxiliary Input Provision and OnStar References
Power, Ground, Serial Data, Antenna and Front Speakers
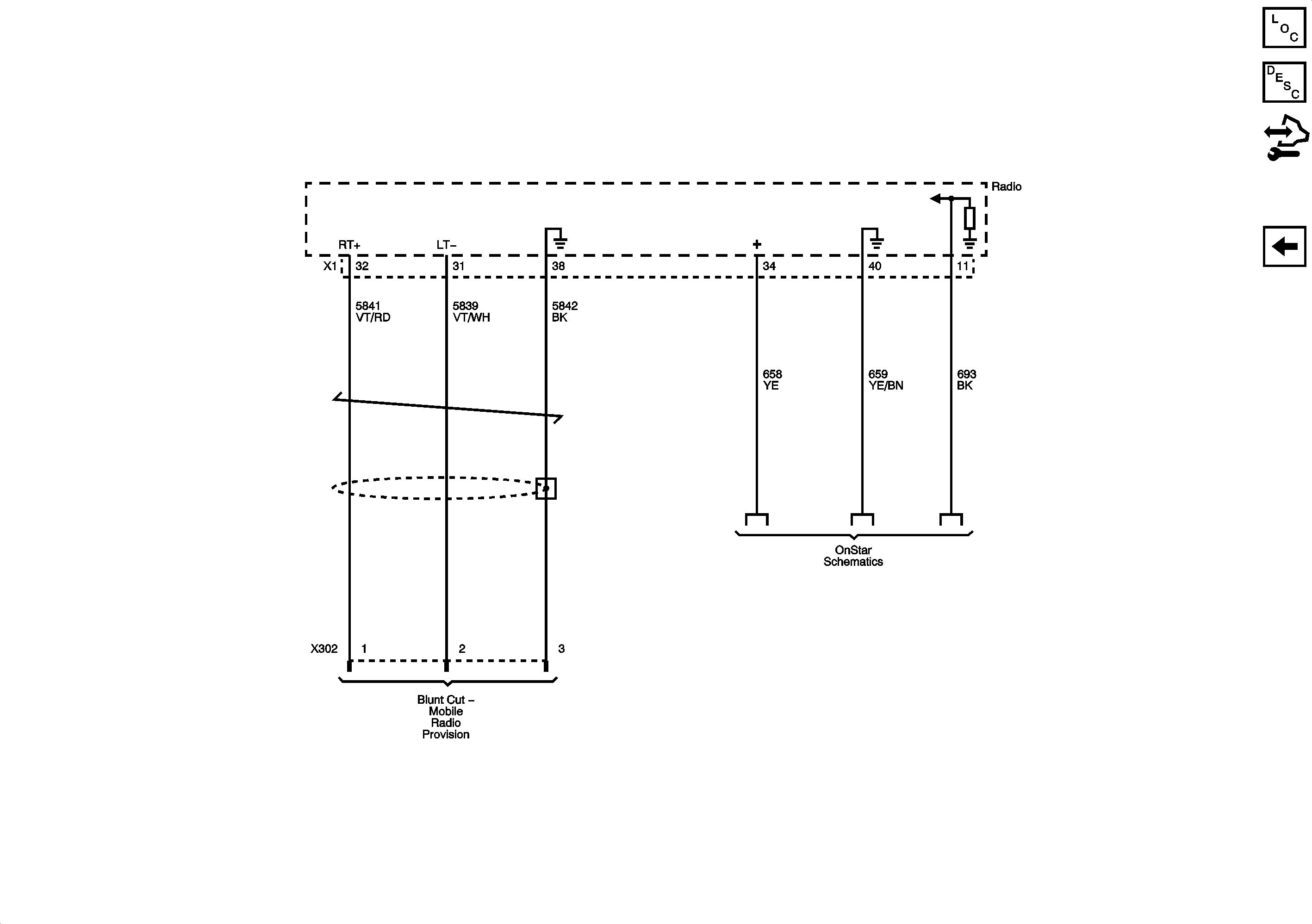
Figure
3:
Auxiliary Input Provision and OnStar References
Master Electrical Component List
Radio/Audio System Description and Operation
Control Module References
Center and Rear Speakers
Vehicle Communication and Interface Module (VCIM) - Left