GM Service Manual Online
For 1990-2009 cars only

Removal Procedure

  1. Remove the cover of the brake fluid reservoir.
  2. Siphon out as much brake fluid as possible with a siphon bottle.
  3. Caution: Refer to Battery Disconnect Caution in the Preface section.

  4. Disconnect the battery.

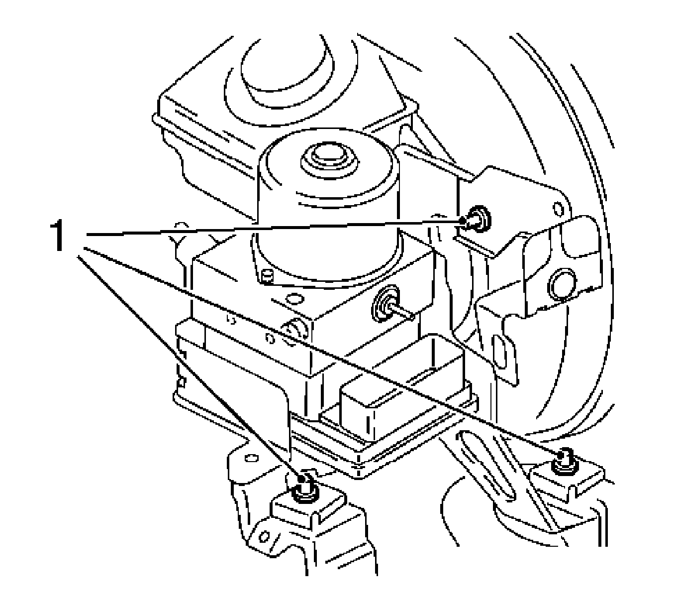
  5. Object Number: 1998474  Size: LH
  6. Remove the battery shield (2).
  7. • Remove the bolt (3).
    • Remove the 2 shields (1) from the battery tray.

    Object Number: 1941092  Size: SH
  8. Remove the battery holder (1) and remove the bolt.
  9. Remove the battery.

  10. Object Number: 1936907  Size: SH
  11. Remove the battery tray.
  12. • Remove the 2 cable ties (1).
    • Remove the 3 bolts (2).

    Important: The cooling system remains sealed.

  13. Remove the coolant surge tank.
  14. • Disconnect the wiring harness plug.
    • Set the coolant surge tank aside.

    Object Number: 1937847  Size: SH
  15. Remove the hydraulic modulator.
  16. • Disconnect the hydraulic modulator wiring harness plug.
    • Remove the 6 hydraulic lines (2).
    • Remove the 3 bolts (1).

    Object Number: 1937848  Size: SH
  17. Remove the hydraulic modulator bracket.
  18. • Remove the 3 bolts (1).
    • Remove the hydraulic modulator bracket.

Installation Procedure

    Notice: Refer to Fastener Notice in the Preface section.

  1. Install the hydraulic modulator bracket.
  2. Tighten
    Tighten the 3 hydraulic modulator bracket bolts to 20 N·m (15 lb ft).

  3. Install the hydraulic modulator.
  4. Tighten
    Tighten the 3 hydraulic modulator bolts to 8 N·m (71 lb in).

  5. Install the 6 hydraulic lines.
  6. Tighten
    Tighten the 6 hydraulic line retaining bolts to 14 N·m (10 lb ft).

  7. Connect the hydraulic modulator wiring harness plug.
  8. Install the coolant compensation tank to the mounting.
  9. Connect the wiring harness plug for the coolant level sensor.
  10. Install the battery support.
  11. Tighten
    Tighten the 3 battery support bolts to 15 N·m (11 lb ft).

  12. Install the 2 cable ties.
  13. Install the battery.
  14. Install the battery shield and tighten the bolts.
  15. Install the 2 shield, battery tray.
  16. Install the battery holder.
  17. Tighten
    Tighten the battery holder bolts to 7 N·m (62 lb in).

  18. Connect the battery.
  19. Connect the positive cable.
  20. Connect the ground cable.
  21. Bleed the brake system. Refer to Hydraulic Brake System Bleeding .
  22. Bleed the antilock brake system (ABS). Refer to Antilock Brake System Automated Bleed Procedure .
  23. Top up the brake fluid reservoir to the MAX marking.
  24. Install the cover on to the brake fluid reservoir.
  25. For programming procedures, refer to Control Module References .