GM Service Manual Online
For 1990-2009 cars only

Removal Procedure

    Caution: Refer to Approved Equipment for Collision Repair Caution in the Preface section.

    Important: Section in specified areas only. Sectioning outside of these areas may compromise the structural integrity of the vehicle. The front compartment upper side rail may be replaced at the factory seams, but requires removal of the front door hinge pillar. This sectioning procedure has been developed as a more cost effective alternative to complete panel replacement

  1. Disable the SIR system.
  2. Caution: Refer to Battery Disconnect Caution in the Preface section.

  3. Disconnect the negative battery cable.
  4. Remove all related panels and components.
  5. Repair as much of the damage as possible to the factory specifications. Refer to Dimensions - Body .
  6. Caution: Refer to Foam Sound Deadeners Caution in the Preface section.

  7. Note the location and remove all the sealer and anti-corrosion materials from the repair area as necessary. Refer to Anti-Corrosion Treatment and Repair .

  8. Object Number: 2003525  Size: SH

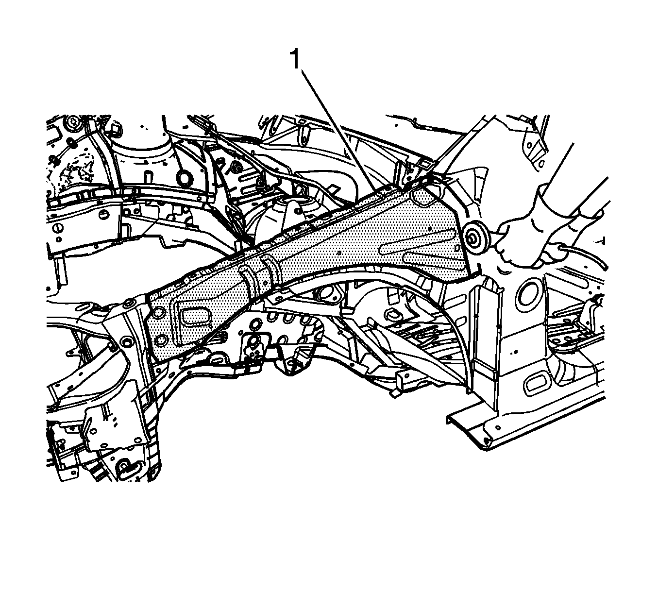
    Important: Do not damage any inner panels or reinforcements.

  9. At the hinge pillar to upper side rail seam (1), measure 25 mm forward and mark a line following the seam.

  10. Object Number: 2003529  Size: SH
  11. Cut the upper side rail (1) at the location indicated.

  12. Object Number: 2003530  Size: SH
  13. Locate and drill out all factory welds on the upper side rail (1). Note the number and location of the welds for installation of the service part.

  14. Object Number: 2003531  Size: SH
  15. Remove the damaged upper side rail section (1).

Installation Procedure


    Object Number: 2003534  Size: SH
  1. On the original upper side rail (1), cut and remove 20 mm from the flanges and 5 mm from the center radius

  2. Object Number: 2003536  Size: SH
  3. Step the tabs (1) inward to allow the upper side rail service to fit over the original upper side rail.

  4. Object Number: 2003538  Size: SH
  5. On the service upper side rail (1), measure approximately 30 mm from locating hole rearwards and mark a vertical line to overlap to the stepped section of the original rail.

  6. Object Number: 2003540  Size: SH

    Important: If the location of the original spot weld locations cannot be determined, space the plug weld holes every 40 mm.

  7. Drill 8 mm (5/16 in) plug weld holes in the service part as necessary in the locations noted from the original panel.
  8. Prepare all mating surfaces as necessary.
  9. Apply GM approved weld-thru coating or equivalent to all mating surfaces. Refer to Anti-Corrosion Treatment and Repair .

  10. Object Number: 2003543  Size: SH
  11. Position the upper side rail to the vehicle (1) using 3-dimensional measuring equipment. Clamp the rail in place.

  12. Object Number: 2003544  Size: SH
  13. Plug weld accordingly (1).

  14. Object Number: 2003545  Size: SH

    Important: To create a solid weld with minimum heat distortion, make a 25 mm stitch weld along the seam with 25 mm gaps between them.

  15. Complete the stitch weld (1).
  16. Clean and prepare all welded surfaces.
  17. Install all related panels and components.
  18. Apply the sealers and anti-corrosion materials to the repair area as necessary. Refer to Basecoat/Clearcoat Paint Systems .
  19. Paint the repair area. Refer to Basecoat/Clearcoat Paint Systems .
  20. Connect the negative battery cable.
  21. Enable the SIR system.