GM Service Manual Online
For 1990-2009 cars only
Makes
🢒
Saturn
🢒
2008
🢒
Astra
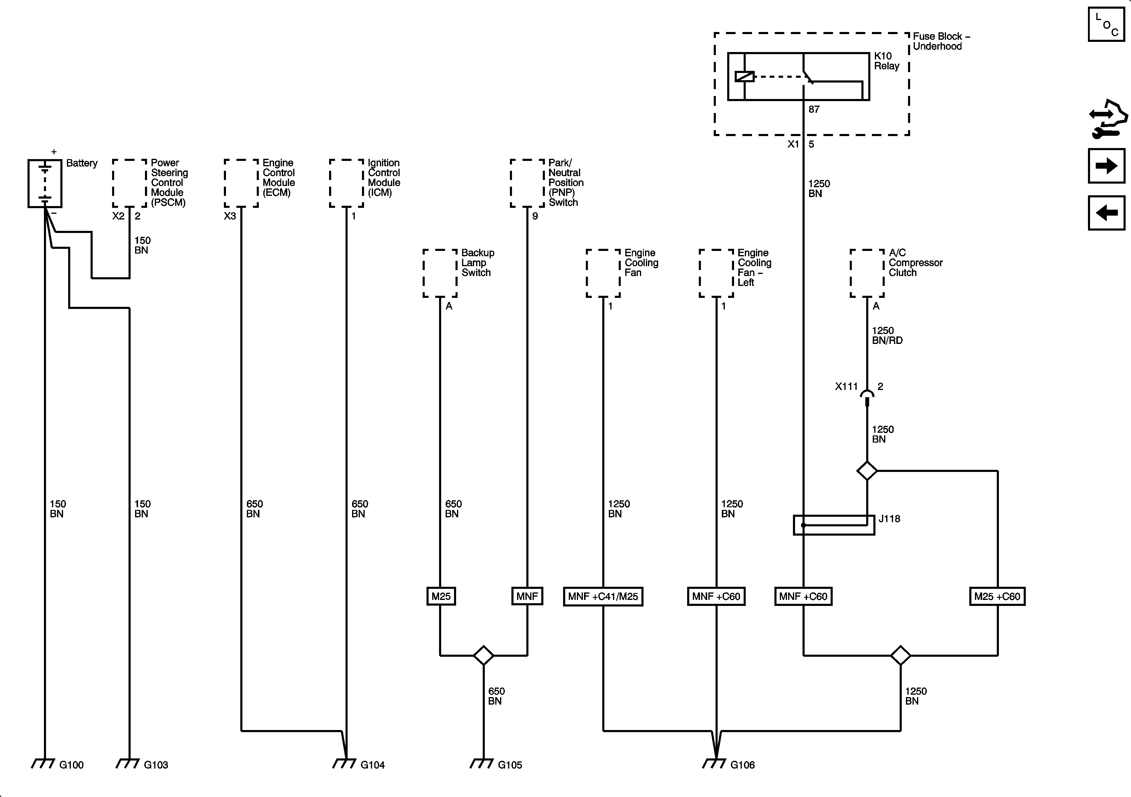
🢒 G100, G103, G104, G105 and G106
G100, G103, G104, G105 and G106
G100, G103, G104, G105, and G106
Master Electrical Component List
Control Module References
G109 and G110
G101 and G102