GM Service Manual Online
For 1990-2009 cars only
Makes
🢒
Saturn
🢒
2008
🢒
Astra
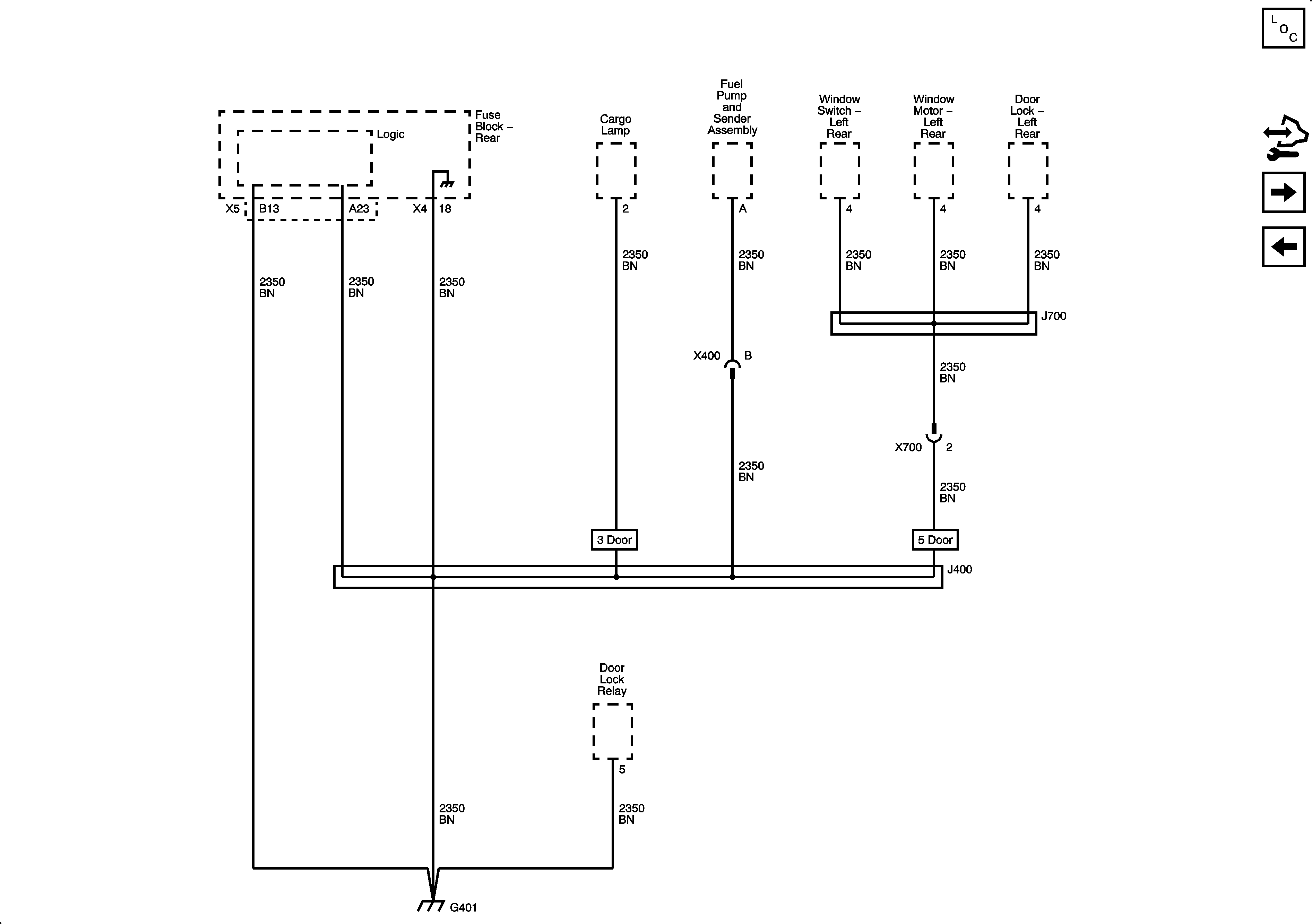
🢒 G401
G401
G401
Master Electrical Component List
Control Module References
G403
G305