GM Service Manual Online
For 1990-2009 cars only
Makes
🢒
Saturn
🢒
2008
🢒
Astra
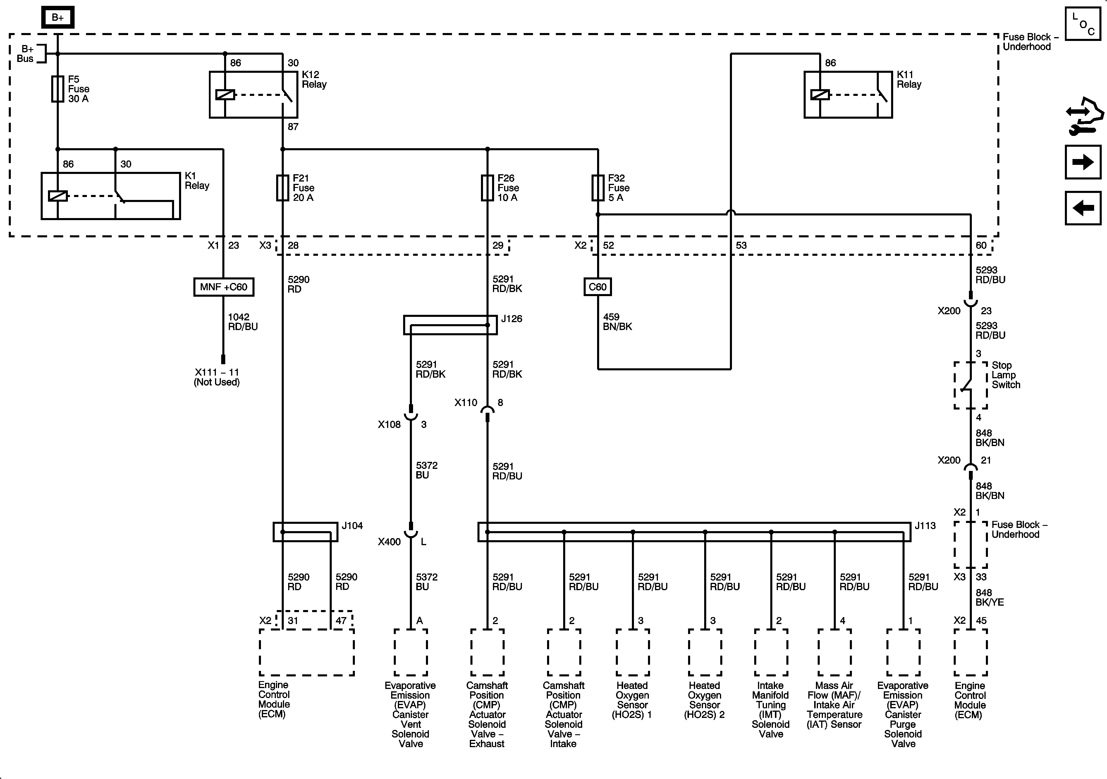
🢒 Fuse Block - Underhood F5, F21, F26, and F32 Fuses
Fuse Block - Underhood F5, F21, F26, and F32 Fuses
Fuse Block - Underhood, F5, F21, F26, and F32 Fuses
Master Electrical Component List
Control Module References
Fuse Block - Underhood F6, F15, F14, and F17 Fuses
Fuse Block - Underhood F24, F30, F29, and F27 Fuses
B+ Bus 2 of 2