GM Service Manual Online
For 1990-2009 cars only
Makes
🢒
Saturn
🢒
2008
🢒
Astra
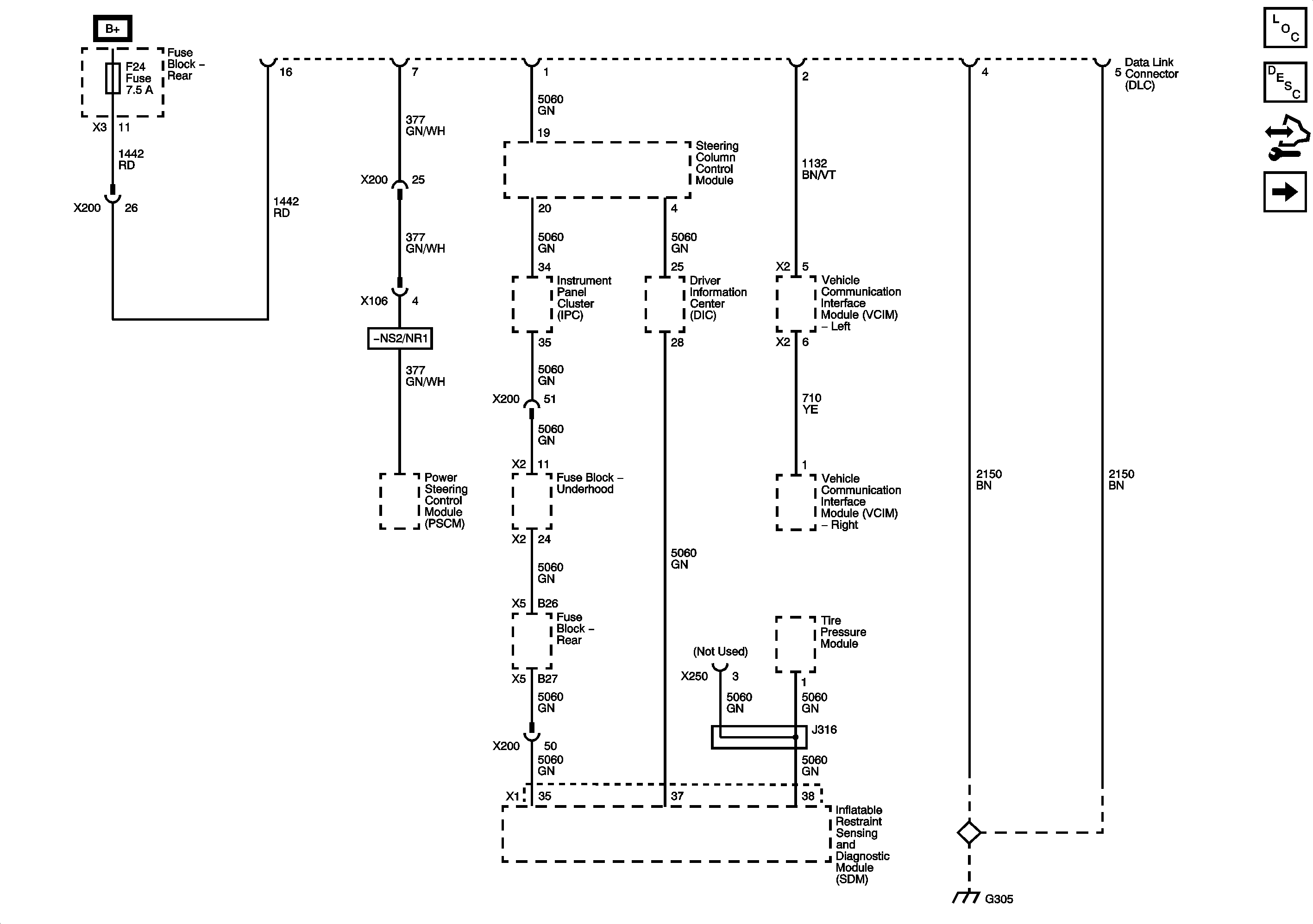
🢒 Power, Ground, Class 2, and GM Low Speed Serial Data (CAN A)
Power, Ground, Class 2, and GM Low Speed Serial Data (CAN A)
Power, Ground , Class 2, and GM Low Speed Serial Data (CAN A)
Master Electrical Component List
Data Link Communications Description and Operation
Control Module References
GM Mid Speed Serial Data (CAN B)
Fuse Block - Rear F29, F34, F22, F4, F24, F3, F23, and F1 Fuses
G305