GM Service Manual Online
For 1990-2009 cars only
Makes
🢒
Saturn
🢒
2008
🢒
Astra
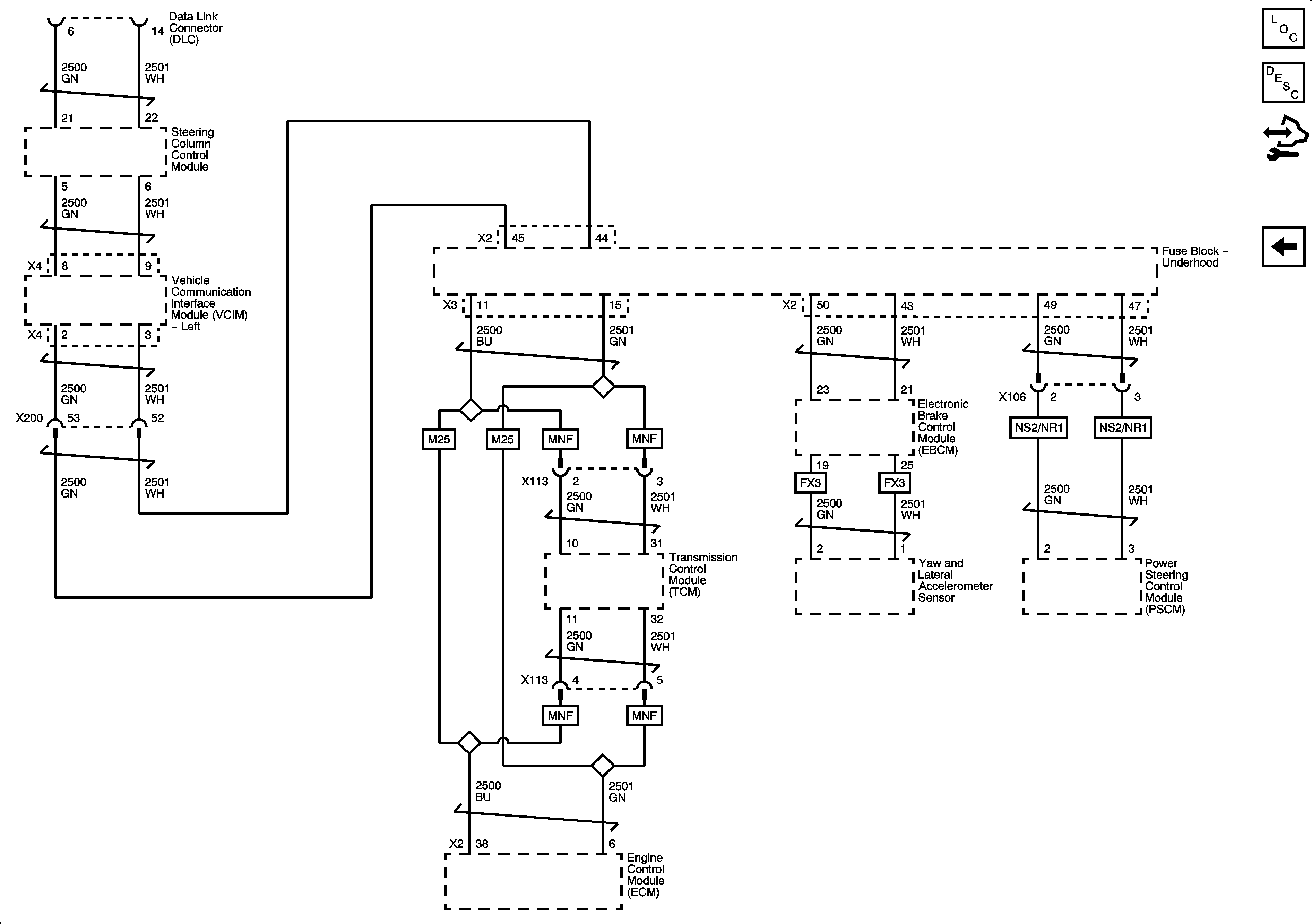
🢒 GM High Speed Serial Data (CAN C)
GM High Speed Serial Data (CAN C)
GM High Speed Serial Data (CAN C)
Master Electrical Component List
Data Link Communications Description and Operation
Control Module References
GM Mid Speed Serial Data (CAN B)