GM Service Manual Online
For 1990-2009 cars only
Makes
🢒
Saturn
🢒
2008
🢒
Astra
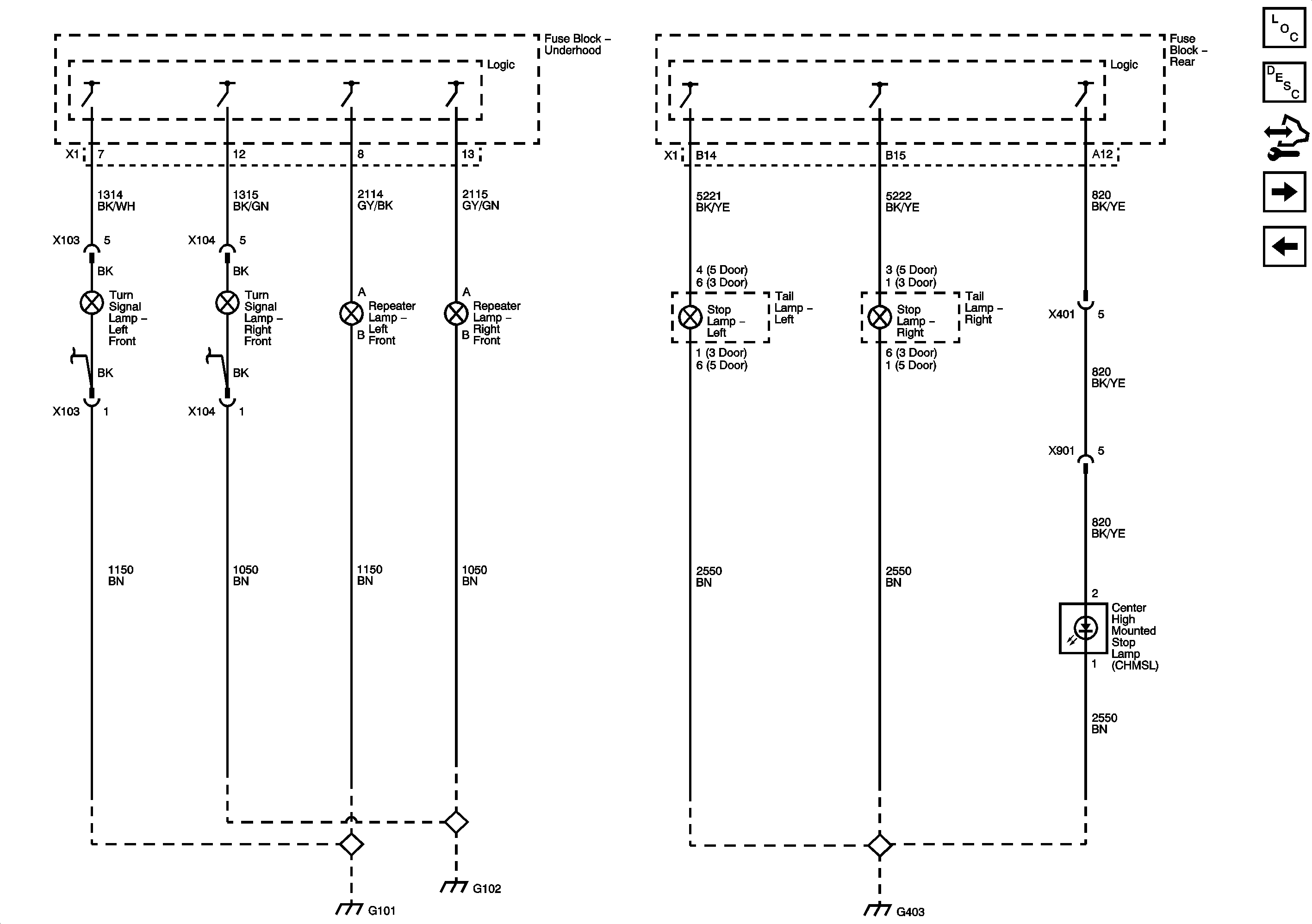
🢒 Turn Signal and Brake Lights
Turn Signal and Brake Lights
Turn Signal and Brake Lights
Master Electrical Component List
Exterior Lighting Systems Description and Operation
Control Module References
Park Lamps
Brake, Hazard, and Turn Signal Switching
G101 and G102
G101 and G102
G101 and G102
G101 and G102
G403